
(modificale nel modulo Rassicurazioni cliente)
(modificale nel modulo Rassicurazioni cliente)
(modificale nel modulo Rassicurazioni cliente)
Distribuiamo Ricambi originali MOUNTFIELD in offerta a prezzi imbattibili, siamo un centro di assistenza autorizzato con servizio di riparazione in grado di consigliarti l'acquisto del ricambio più adatto a risolvere rapidamente ogni problema di manutenzione e riparazione del Rasaerba Mountfield HP46 (2013) 299174643/M13.
Nella tabella seguente, cercate il modello del Rasaerba a Scoppio ed il rispettivo codice del ricambio.![]()
| Rasaerba a Benzina MOUNTFIELD HP46 (2013) 299174643/M13 | ||
| Chassis e Regolazione Altezza Pag.1 | ||
| Pos. | Codice | Descrizione |
| 1 | 381002538/0 | Chassis Rosso |
| 2 | 122131750/0 | Dado |
| 3 | 381000153/0 | Asse Ruote Anteriore |
| 4 | 112760600/0 | Vite To 31-August-2018 |
| 4 | 112760600/1 | Vite From 01-September-2018 |
| 5 | 112155000/0 | Dado |
| 6 | 322600095/0 | Protezione Ruota |
| 7 | 122671651/0 | Rondella To 31-August-2006 |
| 7 | 325670011/0 | Rondella Antifrizione From 01-September-2006 |
| 12 | 122033317/0 | Asta Regolazione |
| 13 | 381000155/0 | Asse Ruote Posteriore To 31-August-2006 |
| 13 | 381000159/0 | Asse Ruote Posteriore From 01-September-2006 |
| 14 | 122753001/0 | Spina |
| 15 | 122033369/0 | Asse Rinforzo Posteriore |
| 16 | 322600106/0 | Protezione Ruota To 31-August-2004 |
| 16 | 322600106/1 | Protezione Ruota From 01-September-2004 |
| 17 | 381003303/0 | Leva Regolazione Altezza |
| 18 | 112728689/0 | Vite |
| 19 | 112521370/0 | Rondella To 31-August-2006 |
| 19 | 322170622/0 | Distanziale From 01-September-2006 |
| 26 | 122446186/0 | Molla Only for 534 Models |
| 27 | 122675100/0 | Rondella |
| Convogliatore Anteriore Pag.2 | ||
| 1 | 322108271/0 | Convogliatore Anteriore |
| 2 | 112728686/0 | Vite |
| 3 | 118737854/1 | Tappo To 31-August-2007 |
| 3 | 322820077/0 | Tappo From 01-September-2007 To 31-August-2016 |
| 3 | 322820077/1 | Tappo From 01-September-2016 |
| 4 | 322109532/0 | Coperchio Trasmissione |
| 5 | 322108272/2 | Convogliatore Posteriore |
| 6 | 322545189/0 | Piastrina From 01-September-2007 |
| 7 | 112728686/0 | Vite |
| 21 | 322140226/0 | Deflettore |
| Manico, Parte Inferiore Pag.3 | ||
| 1 | 112760605/0 | Vite |
| 2 | 112521350/0 | Rondella |
| 3 | 381006570/0 | Manico, Parte Inferiore Nero Black |
| 4 | 112819120/0 | Vite To 31-August-2017 |
| 4 | 112819121/0 | Vite From 01-September-2017 |
| 5 | 122671651/0 | Rondella |
| 6 | 122399900/0 | Manopolina Nera Black |
| 7 | 112293200/0 | Dado |
| 8 | 381008696/0 | Dotazione Viteria |
| Manico, Parte Superiore Pag.4 | ||
| 1 | 381006739/0 | Manico, Parte Superiore Black without Sponge To 31-August-2011 |
| 1 | 381006739/1 | Manico, Parte Superiore Black without Sponge From 01-September-2011 To 31-August-2017 |
| 1 | 381006739/2 | Manico, Parte Superiore Black without Sponge From 01-September-2017 |
| 1 | 381006745/0 | Manico, Parte Sup. Con Impugantura In Spugna Black with Sponge To 31-August-2013 |
| 1 | 381006745/1 | Manico, Parte Sup. con impugantura in spugna Black with Sponge From 01-September-2013 To 31-August-2017 |
| 1 | 381006745/2 | Manico, Parte Sup. con impugantura in spugna Black with Sponge From 01-September-2017 To 31-August-2018 |
| 1 | 381006745/3 | Manico, Parte Sup. Nero con impugantura in spugna |
| 2 | 122430313/0 | Molla Guida Black with Sponge From 01-September-2018 |
| 3 | 112521330/0 | Rondella |
| 4 | 112154510/0 | Dado |
| 5 | 118390020/0 | Fermacavo |
| 6 | 181003363/0 | Leva Freno Motore Nero Black To 31-August-2011 |
| 6 | 181003363/1 | Leva Freno Motore Nera Black From 01-September-2011 |
| 7 | 181030087/0 | Cavo Freno Motore |
| 8 | 112727783/0 | Vite |
| 9 | 112154510/0 | Dado |
| 12 | 322551640/0 | Piastrina Fissaggio Cavi To S/N 20AA2WBH066503 |
| 12 | 322551685/0 | Piastrina Fissaggio Cavi ø22 From S/N 20AA2WBH066504 |
| Ruote e Coprimozzi Pag.5 | ||
| 1 | 122034508/0 | Boccola |
| 2 | 322686091/1 | Ruota Ø 165 From 01-September-2006 |
| 2 | 381007346/0 | Ruota To 31-August-2006 |
| 3 | 122524322/0 | Perno To 31-August-2006 |
| 3 | 122524341/0 | Perno From 01-September-2006 |
| 4 | 322110491/0 | Coprimozzo Grigio Grey |
| 5 | 322686092/0 | Ruota Ø 190 From 01-September-2006 |
| 5 | 381007347/0 | Ruota To 31-August-2006 |
| 6 | 322110492/0 | Coprimozzo Grigio Grey |
| 7 | 112523050/0 | Rondella |
| 8 | 122524341/0 | Perno |
| Coltello (Lama) Pag.6 | ||
| 1 | 122463012/1 | Mozzo To 31-August-2007 |
| 1 | 122463012/2 | Mozzo, Albero Motore Ø 22.2 From 01-September-2007 |
| 2 | 181004121/0 | Lama Mulching To 31-August-2007 |
| 2 | 181004365/3 | Lama Mulching From 01-September-2007 |
| 3 | 112369600/0 | Disco Elastico To 31-August-2007 |
| 3 | 122160400/0 | Disco Elastico From 01-September-2007 |
| 4 | 112523080/0 | Rondella |
| 5 | 112735698/0 | Vite |
| 6 | 112139100/0 | Linguetta |
| 7 | 112793701/0 | Vite |
| 8 | 112293201/0 | Dado |
| 9 | 112691800/0 | Vite |
| 10 | 112521350/0 | Rondella |
| 11 | 112155000/0 | Dado |
| Sacco di Raccolta Pag.7 | ||
| 1 | 322785136/0 | Supporto Parasassi Nero To 31-August-2007 |
| 1 | 322785136/1 | Supporto Parasassi Nero From 01-September-2007 |
| 2 | 122517858/0 | Perno |
| 3 | 122450431/0 | Molla |
| 4 | 322600099/0 | Parasassi Nero To 31-August-2008 |
| 4 | 322600099/1 | Parasassi Nero From 01-September-2008 To 31-August 2011 |
| 4 | 322600099/2 | Parasassi Nero From 01-September-2011 |
| 5 | 322486122/0 | Parte Superiore Sacco Nero |
| 6 | 112728691/0 | Vite |
| 7 | 181006419/0 | Telaio Sacco |
| 8 | 181002229/0 | Sacco, Tela To 31-August-2014 |
| 8 | 181002229/1 | Sacco, Tela From 01-September-2014 |
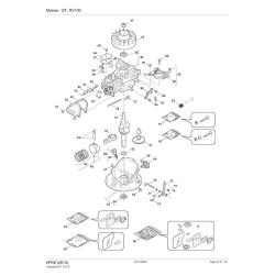
| Motore - ST. RV100 Pag.8 | ||
| 39 | 118550728/0 | Assieme Freno |
| 40 | 118550727/0 | Molla |
| 41 | 118550717/0 | Dado |
| 42 | 118550718/0 | Assieme Volano |
| 43 | 118550661/0 | Anello Di Tenuta |
| 44 | 118550729/0 | Assieme Testa Cilindro |
| 45 | 112735699/0 | Vite |
| 46 | 118550659/0 | Coperchio |
| 47 | 118550733/0 | Guarnizione Sfiato Olio |
| 48 | 118550660/0 | Filtro Olio |
| 49 | 118550680/0 | Guarnizione |
| 50 | 118550681/0 | Coperchio Valvole |
| 51 | 112735699/0 | Vite |
| 52 | 112791500/0 | Vite |
| 53 | 118550672/0 | Assieme Carter Motore |
| 54 | 118550668/0 | Anello Di Tenuta |
| 55 | 118550669/0 | Assieme Tappo Olio |
| 56 | 118550670/0 | Anello Or |
| 57 | 118550664/0 | Perno |
| 61 | 118550674/0 | Albero Motore |
| 62 | 118550673/0 | Rondella |
| 63 | 118550675/0 | Asta Collegamento |
| 64 | 118550678/0 | Fermo + Spinotto Pistone |
| 65 | 118550677/0 | Assieme Pistone |
| 66 | 118550679/0 | Assieme Fasce Elastiche |
| 67 | 118550682/0 | Albero Camme |
| 68 | 112735699/0 | Vite |
| 69 | 118550662/0 | Assieme Regolatore |
| 70 | 118550665/0 | Albero Regolatore |
| 71 | 118550666/0 | Rondella |
| 72 | 118550671/0 | Guarnizione |
| 73 | 118550723/0 | Supporto Regolazione |
| 74 | 118550726/0 | Vite |
| 75 | 118550722/0 | Dado |
| 76 | 118550667/0 | Coppiglia |
| 77 | 118550683/0 | Alzavalvole |
| 78 | 118550684/0 | Aste Di Punteria |
| 79 | 118550685/0 | Piastrina |
| 80 | 118550686/0 | Vite |
| 81 | 118550687/0 | Bilanciere Valvole |
| 82 | 118550688/0 | Dado |
| 83 | 118550689/0 | Dado |
| 85 | 118550724/0 | Piastrina |
| 86 | 112735699/0 | Vite |
| 87 | 118550725/0 | Molla |
| 89 | 112791500/0 | Vite |
| 90 | 112735699/0 | Vite |
| 91 | 118550692/0 | Assieme Valvola Scarico |
| 92 | 118550691/0 | Assieme Valvola Aspirazione |
| 93 | 118550690/0 | Molla |
| 94 | 118550699/0 | Kit Guarnizioni Carburatore |
| 95 | 118550731/0 | Assieme Guarnizioni Testa Cilindro |
| 96 | 118550730/0 | Assieme Guarnizioni Motore |
Scheda tecnica
Potrebbe anche piacerti