Ricambi Maruyama per Motosega MCV4200S 15"
search
  • Ricambi Maruyama per Motosega MCV4200S 15"
  • Ricambi Maruyama per Motosega MCV4200S 15"
  • Ricambi Maruyama per Motosega MCV4200S 15"
  • Ricambi Maruyama per Motosega MCV4200S 15"
  • Ricambi Maruyama per Motosega MCV4200S 15"
  • Ricambi Maruyama per Motosega MCV4200S 15"
  • Ricambi Maruyama per Motosega MCV4200S 15"
  • Ricambi Maruyama per Motosega MCV4200S 15"
  • Ricambi Maruyama per Motosega MCV4200S 15"

Ricambi Maruyama per Motosega MCV4200S 15"

178,98 €
Tasse incluse

Ricambi Maruyama per Motosega MCV4200S 15"

Ricambi originali Maruyama e parti di ricambio per la sostituzione o la riparazione di parti danneggiate della Motosega MCV4200S 15" .325".
CODICE ARTICOLO: 195114172
Quantità
Di Solito Spediti in: 10/15 GG Lavorativi Circa

  Politiche per la sicurezza

(modificale nel modulo Rassicurazioni cliente)

  Politiche per le spedizioni

(modificale nel modulo Rassicurazioni cliente)

  Politiche per i resi

(modificale nel modulo Rassicurazioni cliente)

Ricambi Maruyama per Motosega MCV4200S 15"

Ripara la tua Motosega Maruyama MCV4200S 15" .325", tutti i pezzi di ricambio sono fornibili a prezzi scontati. I nostri ricambi sono ricambi originali e sono dotati di una garanzia completa.

Nelle tabelle seguenti, cercate il pezzo di ricambio ed il suo rispettivo codice.
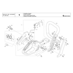
Maruyama MCV4200S 15"

MCV4200S 15" .325" (EU) - pag.1
Pos. Codice Descrizione
1 195114172 SERBATOIO CARBURANTE CPL. ROSSO
1 195114900 SERBATOIO CPL. ROSSO
2 195117050 GRIP ESTERNO COPERTURE
3 913455164 VITE
4 195117030 LEVA DELLA CATTURA
5 195117020 LEVA DELL'ACCELERATORE
6 195117010 MOLLA
7 170175010 VALVOLA ARIA CPL.
8 195114050 LINEA CARBURANTE
9 963211020 O ANELLO
10 965452090 TUBO
11 965452660 TUBO
12 181114202 TAPPO SERBATOIO CPL.
13 963229036 ANELLO DI IMBALLAGGIO
14 320163447 FILTRO DEL CARBURANTE
15a ETICHETTA, SERBATOIO
16 195310010 MANIGLIA TUBOLARE
17 195310950 COPERTURA ROSSO
18 195114150 MOLLA
19 908005165 H.L. BULLONE TESTA PRESA
20 913455164 VITE
21 913455164 VITE
22 913455164 VITE
23 913455164 VITE
24 195114160 CUP WASHER
79 195114060 NIPPLE DEL CARBURANTE
MCV4200S 15" .325" (EU) - pag.2
25 195171020 COLLEGAMENTO MARMITTA
26 195173150 FILTRO ARIA CPL.
26 195173050 FILTRO ARIA CPL.
27 195131301 BOTTOM CPL.
28 908005165 H.L. BULLONE TESTA PRESA
29 908005165 H.L. BULLONE TESTA PRESA
30 195155050 MOLLA DI CONTATTO
31 195155021 LEVA DEL CHOKE
32 195147010 CAVO DI ACCENSIONE
33 970502110 TUBO ISOLANTE
34 195117110 FASCIO COLLEGAMENTO FARFALLATO CPL.
36 913455164 VITE
37 913455164 VITE
38 908004406 H.L. BULLONE TESTA PRESA
41 010155010 PRIMER
42 965452090 TUBO
43 965452090 TUBO
44 181131021 INSERIRE
45 195131040 TUBO DI ASPIRAZIONE
56 963220013 O ANELLO
57 195131090 ANELLO DI IMBALLAGGIO
58 195173221 FILTRO-SET
58 195173211 FILTRO-SET
76 195118550 COPERCHIO NERO
76 195118910 COPERTURA ROSSO
89 195118694 CAPPA CPL. NERO
89 195118940 CAPPA CPL. ROSSO
91 195118080 FILM DI PROTEZIONE
92 195118140 INSERIRE
93 195155031 GUIDA
94 908005165 H.L. BULLONE TESTA PRESA
95 980114928 ETICHETTA
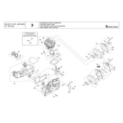
MCV4200S 15" .325" (EU) - pag.3
46 038174030 LINK DI CONNESSIONE
48 908005165 H.L. BULLONE TESTA PRESA
49 909005105 VITE
50 908305405 H.L. BULLONE TESTA PRESA
52 195174280 SCHERMO ARRESTER DI SCINTILLE
54 195174550 SILENZIATORE
55 195174060 GUARNIZIONE
59 195143030 RONDELLA ISOLANTE
60 195131202 CILINDRO / PISTONE CPL.
61 195132100 PISTONE CPL.
62 195132020 ANELLO A PISTONE
63 195132030 PIN PISTONE
64 195132050 ANELLO A MOLLA
65 908405205 H.L. BULLONE TESTA PRESA
66 195131130 GUARNIZIONE
67 195120300 ALBERO MOTORE CPL.
68 960123129 CUSCINETTO A SFERA DI COMBINAZIONE
69 195111910 LATO FRIZIONE CARTER, NERO
70 195111940 CRANKC. M. LATO NERO
71 936430160 PIN DI FISSAGGIO
72 195111061 GUARNIZIONE
73 195111080 FILM DI PROTEZIONE
74 165250010 SPIKE BAR
75 908005165 H.L. BULLONE TESTA PRESA
77 010245030 VALVOLA DI SFIATO
78 908405205 H.L. PRESA DI TESTA
87 181114202 SERBATOIO CPL.
88 963229036 ANELLO
96 962211007 GABBIA A RULLI
MCV4200S 15" .325" (EU) - pag.4
59 195143030 RONDELLA ISOLANTE
100 195160900 STARTER ASSY. NERO
103 195160070 STARTER GRIP
104 195160080 RONDELLA
105 985000150 CORDA DI AVVIAMENTO
106 021164010 CORDA DI AVVIAMENTO
107 195160110 REWIND SPRING
108 195160040 CABLE DRUM CPL.
109 195160030 MOLLA
110 195160020 RUOTA DI AVVIAMENTO
111 195160010 VITE
112 908005165 H.L. BULLONE TESTA PRESA
112 980115937 ETICHETTA
113 980115936 ETICHETTA
114 195118040 TARGHETTA DELLA GUIDA ARIA
115 195143200 BOBINA ACCENSIONE CPL.
116 908805205 VITE
117 970502110 TUBO ISOLANTE
118 965604180 MOLLA
119 957604220 PLUG CAP CPL.
120 965603040 CANDELA
121 195141103 VOLANO CPL.
122 195166100 STARTER RATCHET CPL.
123 920308024 DADO ESAGONALE
124 926208001 RONDELLA A MOLLA
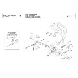
MCV4200S 15" .325" (EU) - pag.5
125 195213500 PROTEZIONE CPL.
126 908005165 H.L. BULLONE TESTA PRESA
127 181213320 BOCCOLA
128 181213170 GUIDA CPL.
129 181213023 MOLLA DI TENSIONE
130 181213100 MECCANISMO DI FRENATURA
131 927304000 RONDELLA DI SICUREZZA
132 181213011 MOLLA DEL FRENO
133 927408000 RONDELLA
134 181224081 DISCO
135 181223312 CLUTCH DRUM CPL.
136 175180101 CLUTCH ASSY.
137 024184021 MOLLA
138 001182042 DISCO
139 179245201 POMPA OLIO CPL.
142 181245100 LINEA DI ASPIRAZIONE
143 021245060 MOLLA
144 001245020 TUBO DEL TUBO
145 181245120 LINEA DI PRESSIONE
146 195245010 BOCCOLA
147 181245090 AZIONAMENTO DELLA POMPA
148 908005165 H.L. BULLONE TESTA PRESA
150 185114237 ETICHETTA
150 980115808 ETICHETTA DI ATTENZIONE
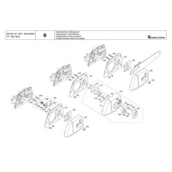
MCV4200S 15" .325" (EU) - pag.6
155 195232010 BULLONE
157 195213190 COPERTURA
158 908105126 VITE
159 195213900 SPROCKET GUARD CPL. NERO
160 923208004 DADO ESAGONALE
161 195213300 TENDICATENA CPL.
162 915535100 VITE
163 963207020 ANELLO DI IMBALLAGGIO
164 181213250 VITE DI REGOLAZIONE
165 181213230 VITE DI TENSIONE
166 181213270 COPERCHIO TRASMISSIONE
167 165213240 SCIVOLO DELLA TENSIONE
168 181213260 CUSCINETTO A VITE TENSIONANTE
169 195213120 PIATTO DI GUIDA
MCV4200S 15" .325" (EU) - pag.7
350a 195153200 CARBURATORE
351 195153580 KIT CHOKE SHAFT
352 195153570 KIT ALBERO FARFALLA
353 195153510 KIT DI RIPARAZIONE
354 195153500 SET GUARNIZIONI / DIAFRAMMA
355 195153340 REGOLARE LE VITI
356 195153350 REGOLARE LE VITI
358 038153360 VITE
359 195153230 COPERCHIO POMPA CPL.
360 195153360 COPERTURA DEL DIAFRAMMA
361 001153020 VITE
MCV4200S 15" .325" (EU) - pag.8
406 484038141 PIGNONE
407 512484064 CATENA SEGA
408 510084020 CINTURINO CON RIVETTI
409 510084040 CINTURINO
411 952010840 PROTEZIONE DELLA CATENA
413 941713160 CHIAVE UNIVERSALE
414 940827000 DRIVER A VITE AD ANGOLO
415 944340001 CACCIAVITE
Tutte le informazioni tecniche dei prodotti in questo catalogo si basano su informazioni tratte da fonti ufficiali, tra cui i siti web del produttore Maruyama, che riteniamo affidabili. Purtroppo, anche i documenti ufficiali possono contenere errori o errori di stampa - non siamo in grado di confermare che tutti questi dati sono precisi e rappresentino realmente i fatti. La maggior parte dei produttori si riservano il diritto di modificare le caratteristiche dei prodotti o completare le descizioni senza preavviso. Si consiglia vivamente di utilizzare le informazioni pubblicate come informazioni di base soggette alla revisione del marchio Maruyama. Si prega di chiarire i parametri importanti con un assistente alla vendita al momento dell'acquisto. Tutti i contenuti inclusi in questo catalogo sono di proprietà intellettuale di www.bricoutensili.com. E' vietata qualsiasi pubblicazione o riproduzione (totale o parziale) senza un riferimento alla pagina di origine.
Maruyama MCV4200S 15"
12 Articoli

Scheda tecnica

SPEDIZIONE IN:
Di Solito Spediti In: 10/15 GIORNI LAVORATIVI CIRCA
MAGGIORI INFO:
info@bricoutensili.com
VERIFICA CODICE PRODOTTO O S/N:
CONTROLLA IL CODICE DEL TUO UTENSILE PRIMA DEL CHECKOUT
Nuovo

Scarica

Commenti (0)
Ancora nessuna recensione da parte degli utenti.