
(modificale nel modulo Rassicurazioni cliente)
(modificale nel modulo Rassicurazioni cliente)
(modificale nel modulo Rassicurazioni cliente)
Distribuiamo Ricambi originali MOUNTFIELD in offerta a prezzi imbattibili, siamo un centro di assistenza autorizzato con servizio di riparazione in grado di consigliarti l'acquisto del ricambio più adatto a risolvere rapidamente ogni problema di manutenzione e riparazione del Rasaerba a Trazione Mountfield 511 PD (2007) - 294538043/MO7.
Nella tabella seguente, cercate il modello del Decespugliatore ed il rispettivo codice del ricambio.![]()
| Rasaerba a Trazione MOUNTFIELD 511 PD (2007) - 294538043/MO7 | ||
| Chassis E Regolazione Altezza di Taglio Pag.1 | ||
| Pos. | Codice | Descrizione |
| 1 | 381001979/1 | Chassis Rosso |
| 2 | 112293200/0 | Dado |
| 3 | 112583500/0 | Grower |
| 4 | 112523070/0 | Rondella |
| 5 | 322735547/0 | Settore Regolazione Altezza |
| 6 | 381005082/0 | Supporto Ruota |
| 7 | 481003285/1 | Leva |
| 8 | 122519811/0 | Perno |
| 22 | 112789000/0 | Vite |
| 23 | 381003279/2 | Leva Regolazione |
| 24 | 112154330/0 | Dado |
| 33 | 112731350/0 | Vite |
| 34 | 322545152/0 | Piastrina |
| Carter Cinghia Pag.2 | ||
| 1 | 112728530/0 | Vite |
| 2 | 122060193/0 | Carter Cinghia Trend |
| 2 | 122060196/0 | Carter Cinghia Castel |
| 3 | 322291150/0 | Inserto In Gomma |
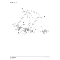
| Manico, Parte Inferiore Pag.3 | ||
| 1 | 381006510/0 | Manico, Parte Inferiore To 31-August-2005 |
| 1 | 381006532/0 | Manico, Parte Inferiore From 01-September-2005 |
| 2 | 122785081/0 | Supporto Esterno To 31-August-2003 |
| 2 | 322785081/1 | Supporto Esterno From 01-September-2003 |
| 3 | 122785082/0 | Supporto Interno Destro |
| 4 | 122785083/1 | Supporto Interno Sinitro |
| 6 | 122551575/0 | Piastrina Interna Isolamento Manico |
| 7 | 112793301/0 | Vite |
| 8 | 112155000/0 | Dado |
| 9 | 112521350/0 | Rondella |
| 10 | 112691810/0 | Vite |
| 11 | 122399803/0 | Manopola |
| 12 | 112293202/0 | Dado |
| 13 | 181008623/1 | Dotazione Viteria From 01-September-2003 |
| 13 | 381008596/1 | Dotazione Viteria To 31-August-2002 |
| 13 | 381008622/0 | Dotazione Viteria From 01-September-2002 To 31-August-2003 |
| 14 | 112293200/0 | Dado |
| 15 | 122399900/0 | Manopolina Nera |
| 16 | 181003801/1 | Molla Guida |
| 17 | 122680006/1 | Rondella |
| 18 | 112819201/0 | Vite |
| Manico, Parte Superiore Pag.4 | ||
| 1 | 381006979/2 | Manico, Parte Superiore |
| 2 | 112689500/0 | Vite |
| 3 | 322551640/0 | Piastrina Fissaggio Cavi |
| 4 | 381000709/2 | Cavo Comando Trazione |
| 5 | 381003297/1 | Leva Trazione |
| 6 | 381000743/0 | Cavo Freno Motore SV40 / RV 40 / V35 Engine |
| 7 | 381003298/1 | Leva Freno Motore |
| 8 | 112154510/0 | Dado |
| Comandi Pag.5 | ||
| 1 | 112291000/0 | Dado |
| 2 | 112581500/0 | Grower |
| 3 | 122171005/0 | Distanziale |
| 4 | 112521360/0 | Rondella |
| 5 | 112508100/0 | Molla A Tazza |
| 6 | 381007220/0 | Leva Acceleratore SV40-RV 40-V35 Engine / B&S 450-500 Series From 01-September-2006 |
| 7 | 481007080/0 | Cavo Acceleratore |
| 8 | 112815000/0 | Vite |
| 9 | 114356702/0 | Etichetta Acceleratore (GGP) |
| Gruppo Trazione Pag.6 | ||
| 1 | 122120105/1 | Corona |
| 2 | 122600093/0 | Protezione Ruote Sinistro |
| 3 | 112608600/0 | Seeger |
| 4 | 122570120/1 | Pignone Sinistro |
| 5 | 119216035/0 | Cuscinetto |
| 6 | 122600092/0 | Protezione Ruote Destro |
| 7 | 381000147/0 | Asse Ruote Posteriore |
| 8 | 122570110/1 | Pignone Destro |
| 11 | 181003059/2 | Gruppo Trazione (France Reducteurs) To 31-August-2003 |
| 11 | 181003072/1 | Gruppo Trazione (Bi. Ci. Di.) To 31-August-2003 |
| 11 | 181003076/0 | Gruppo Trazione G.T. (France Reducteurs) From 01-September-2003 To 31-August-2005 |
| 11 | 181003081/0 | Gruppo Trazione Bi.Ci.Di (Bi. Ci. Di.) From 01-September-2003 To 31-August-2005 |
| 11 | 181003081/1 | Gruppo Trazione Bi.Ci.Di (Bi. Ci. Di.) From 01-September-2005 To 31-August-2010 |
| 11 | 181003092/0 | Gruppo Trazione (General Transmission) From 01-September-2005 |
| 12 | 122601904/0 | Puleggia To 31-August-2010 |
| 12 | 122601909/0 | Puleggia From 01-September-2010 |
| 13 | 112645705/0 | Spina Elastica ø5X32 |
| 14 | 122033280/0 | Asta Regolazione (Bi. Ci. Di.) |
| 14 | 122033283/0 | Asta Regolazione (General Transmission) From 01-September-2003 |
| 15 | 135063902/0 | Cinghia |
| 16 | 122753000/0 | Spina |
| 21 | 122041957/1 | Boccola |
| 22 | 122450063/0 | Molla |
| 23 | 322680009/0 | Rondella |
| 24 | 112154510/0 | Dado |
| 25 | 122110230/0 | Coprimozzo |
| Ruote e Coprimozzi Pag.7 | ||
| 1 | 122122200/0 | Cuscinetto |
| 2 | 381007351/0 | Ruota Ø 170 |
| 3 | 322110381/0 | Coprimozzo Grigio Grey |
| 4 | 181007343/0 | Ruota |
| 5 | 322110382/0 | Coprimozzo Grigio Grey |
| 6 | 112523060/0 | Rondella |
| 7 | 112155000/0 | Dado |
| 8 | 112530150/0 | Rosetta Elastica |
| Coltello (Lama) Pag.8 | ||
| 1 | 122465607/1 | Mozzo Con Puleggia, Albero Motore Ø 22.2 To 31-August-2007 |
| 1 | 122465607/2 | Mozzo Con Puleggia, Albero Motore Ø 22.2 From 01-September-2007 To 31-August-2010 |
| 1 | 122465607/3 | Mozzo Con Puleggia, Albero Motore Ø 22.2 From 01-September-2010 |
| 2 | 181004381/0 | Coltello To 31-August-2001 |
| 2 | 181004381/1 | Coltello Standard From 01-September-2001 |
| 2 | 181004398/0 | Coltello Alettato |
| 3 | 122160400/0 | Disco Elastico |
| 4 | 112523080/0 | Rondella |
| 5 | 112735698/0 | Vite |
| 6 | 112139100/0 | Linguetta |
| 7 | 112691100/0 | Vite |
| 8 | 112154210/0 | Dado |
| Sacco Di Raccolta Pag.9 | ||
| 1 | 381008021/1 | Parasassi Black To 31-August-2009 |
| 1 | 381008021/2 | Parasassi Black From 01-September-2009 |
| 2 | 122450420/1 | Molla Sinistra |
| 3 | 122517906/1 | Perno Fulcro |
| 4 | 122450410/1 | Molla Destra |
| 5 | 112000930/0 | Anello Benzing |
| 6 | 322486101/0 | Sacco, Parte Superiore |
| 7 | 122608525/0 | Rinforzo Inferiore To 31-August-2013 |
| 7 | 122608525/1 | Rinforzo Inferiore From 01-September-2013 |
| 8 | 181002211/0 | Sacco, Tela |
| 9 | 112728680/0 | Vite |
| 10 | 112523050/0 | Rondella |
| Motore - ST. SV150 Pag.10 | ||
| 1 | 118550139/0 | Assieme Capottina Avviamento To 31-August-2007 |
| 1 | 118550139/1 | Assieme Capottina Avviamento From 01-September-2007 |
| 2 | 118550052/0 | Impugnatura Avviamento |
| 3 | 118550053/0 | Fune Avviamento |
| 4 | 118550004/1 | Kit Agganci Avviatore |
| 5 | 118550138/0 | Deflettore |
| 6 | 118550056/0 | Dado |
| 7 | 118550140/0 | Coppa Avviamento |
| 8 | 118550154/0 | Ventola Volano |
| 9 | 118550197/0 | Linguetta Volano |
| 10 | 118550005/0 | Tubo Carburante |
| 11 | 118550142/0 | Dotazione Viteria |
| 12 | 118550007/0 | Dado |
| 13 | 118550143/0 | Serbatoio Benzina |
| 14 | 118550001/0 | Tappo Serbatoio |
| 15 | 118550141/0 | Filtro Carburante |
| 17 | 118550008/0 | Assieme Tubo Livello Olio |
| 18 | 118550133/0 | Coperchio Filtro Aria |
| 19 | 118550011/0 | Elemento Filtrante |
| 20 | 118550010/0 | Vite |
| 21 | 118550125/1 | Base Filtro Aria |
| 22 | 118550013/0 | Tubo Sfiato |
| 23 | 118550016/0 | Carburatore |
| 24 | 118550019/0 | Kit Guranizioni Carburatore |
| 25 | 118550017/0 | Tirante |
| 26 | 118550018/0 | Tirante Regolatore |
| 27 | 118550020/0 | Kit Lamella Regolatore |
| 28 | 118550129/0 | Collettore Aspirazione |
| 29 | 118550021/0 | Freno |
| 30 | 118550015/0 | Molla Regolatore |
| 31 | 118550029/0 | Molla |
| 32 | 118550014/1 | Staffa Fissaggio Cavo Acceleratore |
| 33 | 118550023/0 | Vite |
| 34 | 118550022/0 | Fermaglio Cavo |
| 35 | 118550126/0 | Bobina Accensione |
| 36 | 118550127/0 | Cappuccio Candela |
| 37 | 118550071/0 | Terminal-Spark Plug 2006 |
| 38 | 118550134/0 | Candela (Qj19Lm) |
| 39 | 118550128/0 | Vite |
| 40 | 118550026/0 | Assieme Guarnizioni Testa Cilindro |
| 41 | 118550130/0 | Guarnizione Carter Motore |
| 42 | 118550131/0 | Anello Di Tenuta |
| 43 | 118550155/0 | Assieme Tappo Olio |
| 44 | 118550027/0 | Prigioniero |
| 45 | 118550028/0 | Guarnizione Silenziatore |
| 46 | 118550030/0 | Distanziale |
| 47 | 118550031/0 | Silenziatore |
| 48 | 118550032/0 | Dado |
| 49 | 118550033/0 | Protezione Silenziatore |
| 71 | 322055436/0 | Capottina Nera |
| 72 | 322055437/0 | Capottina Nera |
| 150 | 118550157/0 | Motore Completo |
Scheda tecnica
Potrebbe anche piacerti