(modificale nel modulo Rassicurazioni cliente)
(modificale nel modulo Rassicurazioni cliente)
(modificale nel modulo Rassicurazioni cliente)
Ripara la tua Motosega Maruyama MCV3100TS(10)-01, tutti i pezzi di ricambio sono fornibili a prezzi scontati. I nostri ricambi sono ricambi originali e sono dotati di una garanzia completa.
Nelle tabelle seguenti, cercate il pezzo di ricambio ed il suo rispettivo codice.![]()
| Maruyama Ricambi per Motosega MCV3100TS(10)-01 | ||
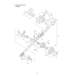
| Motore Pag.1 | ||
| Pos. | Codice | Descrizione |
| 1-1 | 362778 | MCV3100TS(10)-01 |
| 1-2 | 287010 | Cilindro |
| 1-3 | 285541 | Guarnizione |
| 1-4 | 261232 | Vite a testa cilindrica |
| 1-5 | 286011 | Carter |
| 1-6 | 285521 | Cuscinetto |
| 1-7 | 285626 | Paraolio |
| 1-8 | 261492 | Paraolio |
| 1-9 | 055185 | Anello elastico |
| 1-10 | 285560 | Perno |
| 1-11 | 285529 | Perno |
| 1-12 | 261232 | Vite a testa cilindrica |
| 1-13 | 285599 | Albero motore |
| 1-14 | 285049 | Pistone |
| 1-15 | 285590 | Fascia |
| 1-16 | 285591 | Spinotto |
| 1-17 | 261037 | Gabbia a rulli |
| 1-18 | 261576 | Fermo spinotto |
| 1-19 | 285554 | Gruppo magnete |
| 1-20 | 285555 | Volano |
| 1-21 | 285556 | Gruppo bobina di accensione |
| 1-22 | 286095 | Bobina di accensione |
| 1-23 | 286096 | Gruppo cavo |
| 1-24 | 286097 | Cavo |
| 1-25 | 261074 | Cappuccio candela |
| 1-26 | 261075 | Connettore |
| 1-27 | 261072 | Cappuccio |
| 1-28 | 288365 | Gruppo volano |
| 1-29 | 285553 | Nottolino di avviamento |
| 1-30 | 285552 | Molla |
| 1-31 | 020299 | E-Ring |
| 1-32 | 261076 | Chiave Woodruff |
| 1-33 | 285472 | Guarnizione |
| 1-34 | 262483 | Candela BPMR6Y |
| 1-35 | 264223 | Vite a testa cilindrica |
| 1-36 | 285535 | Gruppo frizione |
| 1-37 | 285655 | Pattino |
| 1-38 | 285656 | Molla |
| 1-39 | 285537 | Rondella |
| 1-40 | 286238 | Tamburo frizione 3/8" |
| 1-40 | 286238K | Tamburo frizione 1/4 |
| 1-41 | 285624 | Gabbia a rulli |
| 1-42 | 285833 | Marmitta |
| 1-43 | 281211 | Vite a testa cilindrica |
| 1-44 | 261417 | Dado |
| Pompa Olio Pag.2 | ||
| 2-1 | 286816 | Gruppo pompa olio |
| 2-2 | 285527 | Corpo pompa |
| 2-3 | 285550 | Ingranaggio pompa olio |
| 2-4 | 286801 | Rondella |
| 2-5 | 014759 | O-ring |
| 2-6 | 285551 | Molla |
| 2-7 | 285534 | Cappuccio pompa |
| 2-8 | 285630 | Vite |
| 2-9 | 288184 | Manicotto |
| 2-10 | 285617 | Vite |
| 2-11 | 285631 | Vite |
| 2-12 | 285528 | O-ring |
| 2-13 | 286303 | Vite senza fine |
| 2-14 | 286843 | Boccola |
| 2-15 | 286305 | Boccola |
| 2-16 | 286241 | Rondella |
| 2-17 | 285522 | Tubo olio A |
| 2-18 | 286802 | Gruppo tubo olio B |
| 2-19 | 285523 | Gruppo tubo olio B |
| 2-20 | 265725 | Tubo |
| 2-21 | 261339 | Gommino Tubo Olio |
| 2-22 | 286818 | Gruppo filtro olio |
| 2-23 | 285524 | Filtro olio |
| 2-24 | 285525 | Corpo filtro olio |
| 2-25 | 261117 | Clip |
| 2-26 | 285598 | Coperchio pompa olio |
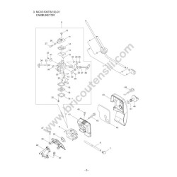
| Carburatore Pag.3 | ||
| 3-1 | 285488 | Gruppo tubo carburante |
| 3-2 | 285489 | Gruppo tubo |
| 3-3 | 285490 | Occhiello carburante |
| 3-4 | 285491 | Tubo carburante A |
| 3-5 | 261117 | Clip |
| 3-6 | 286749 | Gruppo filtro |
| 3-7 | 282299 | PRIMER BC5020/BKC5020RS |
| 3-8 | 285492 | Tubo carburante B |
| 3-9 | 285643 | CARBURATORE CPL MCV3100TS |
| 3-10 | 261872 | Schermo |
| 3-11 | 287168 | Coperchio pompa |
| 3-12 | 287169 | Vite |
| 3-13 | 287170 | Diaframma |
| 3-14 | 287171 | Guarnizione |
| 3-15 | 262986 | Valvola a spillo |
| 3-16 | 263727 | Guarnizione |
| 3-17 | 287172 | Molla |
| 3-18 | 283905 | Diaframma |
| 3-19 | 263726 | Piastra di copertura |
| 3-20 | 287173 | Vite |
| 3-21 | 262989 | Perno leva |
| 3-22 | 262990 | Leva |
| 3-23 | 287174 | Tapparella |
| 3-24 | 287191 | Leva |
| 3-25 | 287192 | Vite |
| 3-26 | 287178 | Molla |
| 3-27 | 287179 | Vite di regolazione minimo |
| 3-28 | 287180 | Vite |
| 3-29 | 287181 | Leva |
| 3-30 | 287182 | Anello |
| 3-31 | 287183 | Valvola a farfalla |
| 3-32 | 287184 | Vite |
| 3-33 | 287185 | Molla |
| 3-34 | 287186 | Albero |
| 3-35 | 287187 | Valvola starter |
| 3-36 | 287188 | Molla |
| 3-37 | 287189 | Rondella |
| 3-38 | 287190 | Albero |
| 3-39 | 285497 | Piastra |
| 3-40 | 285618 | Bullone |
| 3-41 | 285539 | Corpo filtro |
| 3-42 | 285584 | Elemento |
| 3-43 | 285579 | Coperchio filtro |
| 3-44 | 285540 | Manopola |
| 3-45 | 285633 | Vite |
| 3-46 | 285631 | Vite |
| 3-47 | 285631 | Vite |
| 3-48 | 285580 | Leva aria |
| 3-49 | 285495 | Collettore |
| 3-50 | 288551 | Anello |
| 3-51 | 288404 | Rondella |
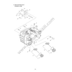
| Carcassa Motore Pag.4 | ||
| 4-1 | 285694 | Carter motore |
| 4-2 | 285501 | Tappo olio completo |
| 4-3 | 285502 | Tappo olio |
| 4-4 | 285503 | Guarnizione |
| 4-5 | 285504 | Supporto |
| 4-6 | 285574 | Sfiato |
| 4-7 | 285526 | Elemento |
| 4-8 | 285632 | Bullone |
| 4-9 | 286803 | Gruppo fermo catena |
| 4-10 | 285583 | Sferzatore catena |
| 4-11 | 285585 | Tubo |
| 4-12 | 285634 | Vite |
| 4-13 | 285531 | Piastra guida L |
| 4-14 | 285627 | Vite |
| 4-15 | 286804 | Vite |
| 4-16 | 285628 | Cappuccio |
| 4-17 | 285629 | Molla |
| 4-18 | 286051 | Gruppo tappo carburante |
| 4-19 | 286052 | Tappo carburante |
| 4-20 | 286063 | Guarnizione |
| 4-21 | 285504 | Supporto |
| 4-22 | 285832 | Sfiato |
| 4-23 | 285573 | Occhiello sfiato |
| Avviamento Pag.5 | ||
| 5-1 | 285577 | Avviamento a strappo |
| 5-2 | 285695 | Cassa avviamento |
| 5-3 | 283274 | Puleggia |
| 5-4 | 283275 | Molla avviamento |
| 5-5 | 283276 | Molla ammortizzatore |
| 5-6 | 285597 | Piastra camma |
| 5-7 | 267213 | Vite |
| 5-8 | 285697 | Gruppo fune |
| 5-9 | 283279 | Fune avviamento |
| 5-10 | 285581 | Manopola avviamento |
| 5-11 | 283281 | Ferma fune |
| 5-12 | 285548 | Coperchio ventola |
| 5-13 | 285631 | Vite |
| Impugnatura Pag.6 | ||
| 6-1 | 285547 | Coperchio superiore |
| 6-2 | 286072 | Coperchio carburatore |
| 6-3 | 285631 | Vite |
| 6-4 | 285620 | Impugnatura superiore |
| 6-5 | 285621 | Coperchio imp. superiore |
| 6-6 | 285635 | Vite |
| 6-7 | 285582 | Tampone |
| 6-8 | 285565 | Tubo |
| 6-9 | 285473 | Cappuccio |
| 6-10 | 285592 | Molla |
| 6-11 | 285644 | Vite |
| 6-12 | 285645 | Supporto |
| 6-13 | 285593 | Molla |
| 6-14 | 285604 | Boss |
| 6-15 | 285636 | Vite |
| 6-16 | 263743 | Rondella |
| 6-17 | 285474 | Bullone di fermo |
| 6-18 | 285602 | Leva acceleratore |
| 6-19 | 285603 | Leva di sicurezza |
| 6-20 | 285594 | Molla |
| 6-21 | 285619 | Maniglia laterale |
| 6-22 | 285634 | Vite |
| 6-23 | 285558 | Cavo Gas |
| 6-24 | 286224 | Gruppo interruttore |
| 6-25 | 286225 | Interruttore |
| 6-26 | 286226 | Etichetta |
| 6-27 | 282171 | Manopola |
| 6-28 | 282172 | Vite |
| 6-29 | 287300 | Occhiello |
| 6-30 | 285549 | Occhiello |
| 6-31 | 285642 | Occhiello |
| 6-32 | 286002 | Guarnizione |
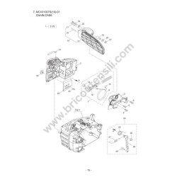
| Carter Catena Pag.7 | ||
| 7-1 | 287044 | Gruppo carter catena |
| 7-2 | 285576 | Carter catena |
| 7-3 | 285622 | Coperchio laterale |
| 7-4 | 285637 | Vite |
| 7-5 | 285639 | Vite |
| 7-6 | 285644 | Vite |
| 7-7 | 286823 | Nastro freno |
| 7-8 | 285605 | Molla |
| 7-9 | 285572 | Fascia |
| 7-10 | 285560 | Perno |
| 7-11 | 285606 | Collare |
| 7-12 | 285570 | Comp. leva |
| 7-13 | 285595 | Molla di ritorno |
| 7-14 | 286057 | Protezione anteriore |
| 7-15 | 285578 | Protezione anteriore nuda |
| 7-16 | 285563 | Perno |
| 7-17 | 286048 | Perno |
| 7-18 | 285638 | Vite |
| 7-19 | 285607 | Collare |
| 7-20 | 286045 | Rondella |
| 7-21 | 285640 | Dado |
| 7-22 | 285532 | Piastra guida R |
| 7-23 | 285627 | Vite |
| 7-24 | 286034 | Gruppo tenditore |
| 7-25 | 285596 | Molla |
| 7-26 | 285608 | Collare |
| 7-27 | 289726 | Molla |
| 7-28 | 285609 | Collegamento |
| 7-29 | 285614 | Boccola |
| 7-30 | 283041 | Dado |
| Accessori Pag.8 | ||
| 8-1 | 287256 | Etichetta |
| 8-2 | 287255 | Etichetta |
| 8-3 | 287259 | Etichetta |
| 8-4 | 287160 | Etichetta |
| 8-5 | 272083 | Etichetta |
| 8-6 | 287653 | Etichetta |
| 8-7 | 287161 | Etichetta |
| 8-8 | 287616 | Etichetta |
| 8-9 | 285766 | Barra catena |
| 8-10 | 285767 | Catena |
| 8-11 | 286044 | Copertura catena |
| 8-12 | 288652 | Chiave combinata |
| 8-13 | 285732 | Cacciavite |
| 8-14 | 286865 | Cacciavite |
| 8-15 | 285729 | Lima |
| 8-16 | 285730 | Impugnatura per lima |
| 8-17 | 289295 | Manuale di istruzioni |
| 8-18 | 289941 | Manuale di istruzioni |
| 8-19 | 523495 | Elenco parti |
| 8-20 | 272020 | Etichetta |
Scheda tecnica
Potrebbe anche piacerti