
(modificale nel modulo Rassicurazioni cliente)
(modificale nel modulo Rassicurazioni cliente)
(modificale nel modulo Rassicurazioni cliente)
We supply original Mountfield spare parts on offer at unbeatable prices, we are an authorized service center with repair service able to advise you on the purchase of the most suitable spare part to quickly solve any maintenance or repair issues for Mountfield Self-Propelled Lawnmower SP46 (2019) - 295492048/M19.
In the following table, look for the model of the Brushcutter and the respective parts of the code.
| Mountfield Self-Propelled Lawnmower SP46 (2019) - 295492048/M19 | ||
| Chassis Pag.1 | ||
| # | Part Num. | Description |
| 1 | 381004947/0 | Chassis Black To replace the old chassis is necessary to order also pos. 17 |
| 2 | 322108301/2 | Front conveyor assy |
| 3 | 112728699/0 | Screw |
| 4 | 322108302/0 | Plastic Rear Baffle To 31-August-2017 |
| 4 | 322108392/0 | Plastic Rear Baffle From 01-September-2018 |
| 5 | 112728699/0 | Screw |
| 6 | 322545213/0 | plate |
| 7 | 381005139/0 | Handle bracket Left |
| 8 | 112727801/0 | Screw |
| 9 | 381005137/0 | Handle bracket Right |
| 10 | 322060242/1 | Belt Guard As Optional To 31-August-2018 |
| 10 | 322060242/2 | Belt Guard As Optional From 01-September-2018 |
| 11 | 322140239/1 | Mulching Deflector As Optional |
| 12 | 112728531/0 | Screw As Optional |
| 13 | 322820077/1 | Cap |
| 14 | 112728450/0 | Screw |
| 15 | 119035000/0 | O-ring |
| 16 | 322034002/0 | Water hose connection |
| 17 | 322055605/0 | Front Deck Insert - without Mask |
| Cutter Heght Adjustment Pag.2 | ||
| 1 | 381302821/0 | Front Wheel Axle To S / N 20BA2WBH054315 |
| 1 | 381302821/1 | Front Wheel Axle From S / N 20BA2WBH054316 |
| 2 | 322545142/0 | plate |
| 3 | 112728698/0 | Screw |
| 4 | 112521350/0 | Washer |
| 5 | 112155000/0 | Nut |
| 6 | 112436051/0 | plate |
| 7 | 322869671/0 | Height Adjust Tie Bar To S / N 20BA2WBH053915 |
| 7 | 322869671/1 | Height Adjust Tie Bar From S / N 20BA2WBH053916 |
| 8 | 122519820/0 | Pin |
| 9 | 122446193/0 | Spring |
| 10 | 322600247/0 | Wheel Protection As Optional |
| 11 | 112728698/0 | Screw |
| 12 | 322545152/0 | plate |
| 13 | 381302819/0 | Rear Wheel Axle To S / N 20BA2WBH060266 |
| 13 | 381302819/1 | Rear Wheel Axle From S / N 20BA2WBH060267 |
| 14 | 122534131/0 | Pin |
| 15 | 381003356/0 | Height Adjust Lever To S / N 20BA2WBH076280 |
| 15 | 381003356/1 | Height Adjust Lever From S / N 20BA2WBH076281 |
| 16 | 122446192/0 | Spring |
| 17 | 112154510/0 | Nut |
| 18 | 322600204/0 | Wheel Guard |
| 21 | 112521350/0 | Washer |
| 22 | 112155000/0 | Nut |
| Front Cover Pag.3 | ||
| 1 | 322226266/0 | Plastic front cover Black |
| 2 | 322393772/0 | Frontal Handle Black |
| 3 | 322055603/0 | Front Insert |
| 4 | 112728698/0 | Screw |
| 5 | 381390133/0 | front panel with handle Black Assy |
| Handle, Lower Side Pag.4 | ||
| 1 | 381006737/0 | Handle, Lower Side Black |
| 2 | 112819110/0 | Screw |
| 3 | 122671651/0 | Washer |
| 4 | 122399900/0 | Knob Black |
| 5 | 112293200/0 | Nut |
| 7 | 112818900/0 | Screw |
| 9 | 122399900/0 | Knob Black |
| 10 | 112293200/0 | Nut |
| 11 | 112155000/0 | Nut |
| 12 | 112521350/0 | Washer |
| 13 | 112369500/0 | Elastic disc |
| 14 | 112760605/0 | Screw |
| 15 | 381008691/0 | Outfit screws |
| Handle, Upper Side Pag.5 | ||
| 1 | 381006739/0 | Handle, Upper Side Black without Sponge To 31-August-2011 |
| 1 | 381006739/1 | Handle, Upper Side Black without Sponge From 01-September-2011 To 31-August-2017 |
| 1 | 381006739/2 | Handle, Upper Side Black without Sponge From 01-September-2017 |
| 1 | 381006745/0 | Handle, Upper Side With Sponge grip Black with Sponge To 31-August-2011 |
| 1 | 381006745/1 | Handle, Upper Side with sponge grip Black with Sponge From 01-September-2013 |
| 1 | 381006745/2 | Handle, Upper Side with sponge grip Black with Sponge From 01-September-2017 |
| 1 | 381006745/3 | Handle, Upper Side Black with sponge grip Black with Sponge From 01-September-2018 |
| 2 | 122430313/0 | Guide Spring Not used on Electric Start Models |
| 3 | 112521330/0 | washer Not used on Electric Start Models |
| 4 | 112154510/0 | Nut Not used on Electric Start Models |
| 5 | 118390020/0 | Cable clip |
| 6 | 181003363/0 | Engine Brake Lever Black To 31-August-2010 |
| 6 | 181003363/1 | Engine Brake Lever From 01-September-2010 |
| 7 | 181030054/0 | Engine Brake Cable |
| 8 | 112727783/0 | Screw |
| 9 | 112154510/0 | Nut |
| 10 | 181003364/0 | Traction Control Lever Black |
| 11 | 381030051/0 | Traction Control Cable |
| 12 | 322551640/0 | Cable fixing plate To S / N 20AA2WBH066503 |
| 12 | 322551685/0 | Cable fixing plate ø22 From S / N 20AA2WBH066504 |
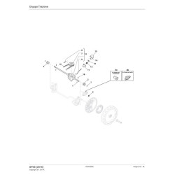
| Traction Assy Pag.6 | ||
| 1 | 112608600/0 | Seeger |
| 2 | 122570120/1 | Ratchet Wheel Left |
| 3 | 122570110/1 | Ratchet Wheel Right |
| 4a | 322042066/0 | Axle Wheels Bush ø180 / 200/240 |
| 5 | 112521371/0 | Washer |
| 6 | 181003092/0 | Traction Assy |
| 7 | 122601904/0 | Pulley To 31-August-2013 |
| 7 | 122601909/0 | Pulley From 01-September-2013 |
| 8 | 112645705/0 | Elastic pin ø5X32 |
| 9 | 122033283/0 | Gear boix Adjust rod |
| 10 | 135063800/0 | V- belt |
| 11 | 122041957/1 | Bushing |
| 12 | 122450063/0 | Spring |
| 13 | 322680009/0 | Washer |
| 14 | 112154510/0 | Nut |
| 15 | 122110230/0 | Hub cover |
| 16 | 122753000/0 | Pin |
| Wheels hubcap Pag.7 | ||
| 1 | 381007448/0 | WHEEL ASSEMBLY-180mm To 31-August-2012 |
| 1 | 381007448/1 | WHEEL ASSEMBLY-180mm From 01-September-2012 |
| 2 | 119216035/0 | Ball Bearing |
| 3 | 322110636/0 | Gray hubcap |
| 5 | 381007461/0 | Wheel To 31-August-2012 |
| 5 | 381007461/1 | Wheel From 01-September-2012 |
| 6 | 119216035/0 | Ball Bearing |
| 7 | 112728706/0 | Screw |
| 8 | 322120116/0 | Plastic Drive Gear |
| 9 | 322110636/0 | hubcap Gray |
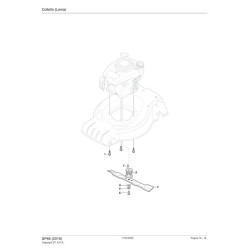
| Blade Pag.8 | ||
| 1 | 112735108/1 | Screw |
| 2 | 122465607/4 | Blade Boss With Pulley, Drive Shaft Ø 22.2 |
| 3 | 181004460/0 | Mulching blade |
| 4 | 322680021/0 | Washer To 31-August-2019 |
| 4 | 322680021/1 | Washer From 01-September-2019 |
| 5 | 112508128/0 | Elastic disc |
| 6 | 112735698/0 | Screw |
| 7 | 112139100/0 | Key |
| Grasscatcher Pag.9 | ||
| 1 | 322785331/0 | Stone Guard Support Black |
| 2 | 122450464/0 | Spring |
| 3 | 322109557/0 | Deflector Fixing, Gray |
| 4 | 112728699/0 | Screw |
| 5 | 322600206/1 | Stone Guard Deflector Black |
| 5 | 322600216/1 | Stone Guard Deflector Gray |
| 6 | 322393644/0 | Grasscatcher handle Black |
| 7 | 381486018/0 | Grasscatcher Upper side Black |
| 8 | 122608561/0 | Grasscatcher Lower Frame To 31-August-2019 |
| 8 | 122608561/1 | Grasscatcher Lower Frame From 01-September-2019 |
| 9 | 112728692/0 | Screw |
| 10 | 322545159/0 | plate |
| 11 | 181002318/0 | Grasscatcher Canvas Black without Logo |
| 12 | 381008163/0 | Stone Guard assy Black |
| 12 | 381008166/0 | Stone Guard assy Gray |
| 13 | 381008735/0 | Plastic Pin Only Plastic Pin - Plastic Pin is also available on the screw pocket |
Data sheet
You might also like