(modificale nel modulo Rassicurazioni cliente)
(modificale nel modulo Rassicurazioni cliente)
(modificale nel modulo Rassicurazioni cliente)
Fix Your Maruyama Vacuum Kit BL3110. All Spares are original and can be supplied at Low and discounted prices. Our Spares are Genuine Parts and Come with a Full Guarantee.
In the following tables, look for the spare part and its respective code.![]()
| Maruyama Vacuum Kit BL3110 Parts | ||
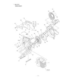
| Main Body Pag.1 | ||
| # | Part. Num. | Description |
| 1-1 | 395816 | BL3110 |
| 1-2 | 858816 | Engine |
| 1-3 | 281535 | Fan Case |
| 1-4 | 281586 | Stopper (A) |
| 1-5 | 281867 | Stopper (B) |
| 1-6 | 282862 | Washer |
| 1-7 | 269423 | Nut |
| 1-8 | 126993 | Nut |
| 1-9 | 261246 | Cap Screw |
| 1-10 | 281880 | Grip (B) |
| 1-11 | 281865 | Stand |
| 1-12 | 281862 | Cable Comp. |
| 1-13 | 281585 | Lever |
| 1-14 | 282170 | Switch Ass'y Incl.15-18 |
| 1-15 | 281863 | Switch |
| 1-16 | 282028 | Label |
| 1-17 | 282171 | Knob |
| 1-18 | 282172 | Screw |
| 1-19 | 261250 | Cap Screw |
| 1-20 | 281538 | Handle |
| 1-21 | 281879 | Grip (A) |
| 1-22 | 281989 | Tapping Screw |
| 1-23 | 281536 | Fan Cover |
| 1-24 | 281869 | Plate |
| 1-25 | 280008 | Nut |
| 1-26 | 282060 | Tapping Screw |
| 1-27 | 281563 | Cover |
| 1-28 | 281870 | Spring |
| 1-29 | 281878 | Rod |
| 1-30 | 263743 | Washer |
| 1-31 | 281871 | Screw |
| 1-32 | 281989 | Tapping Screw |
| 1-33 | 281873 | Washer |
| 1-34 | 281874 | Fan |
| 1-35 | 283041 | Nut |
| 1-36 | 260459 | Label |
| 1-37 | 283206 | Label |
| 1-38 | 266959 | Label |
| 1-39 | 266957 | Label |
| 1-40 | 286308 | Label |
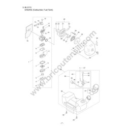
| Engine Pag.2 | ||
| 2-1 | 858816 | Engine |
| 2-2 | 286791 | Cylinder |
| 2-3 | 286846 | Gasket |
| 2-4 | 261250 | Cap Screw |
| 2-5 | 282579 | Insulator |
| 2-6 | 281590 | Air Duct |
| 2-7 | 261171 | Gasket |
| 2-8 | 265924 | Cap Screw |
| 2-9 | 282585 | Muffler Ass'y Incl.10-13 |
| 2-10 | 282586 | Muffler Comp. |
| 2-11 | 281860 | Tail |
| 2-12 | 267056 | Spark Arrester |
| 2-13 | 265107 | Cap Screw |
| 2-14 | 268461 | Holder |
| 2-15 | 281589 | Gasket |
| 2-16 | 266713 | Cap Screw |
| 2-17 | 261607 | Cap Screw |
| 2-18 | 283054 | Top Cover |
| 2-19 | 281989 | Tapping Screw |
| 2-20 | 265724 | Cap Screw |
| 2-21 | 286851 | Crankcase |
| 2-22 | 280488 | Bearing |
| 2-23 | 261492 | Oil Seal |
| 2-24 | 261386 | Oil Seal |
| 2-25 | 055185 | Snap Ring |
| 2-26 | 261612 | Cap Screw |
| 2-27 | 281442 | Screen |
| 2-28 | 268782 | Piston |
| 2-29 | 265067 | Piston Ring |
| 2-30 | 265068 | Piston Pin |
| 2-31 | 265225 | Bearing,Needle |
| 2-32 | 261393 | Clip,Piston Pin |
| 2-33 | 265141 | Crankshaft/Conn.Rod Ass'y |
| 2-34 | 287004 | Magneto Ass'y Incl.35,36 |
| 2-35 | 286889 | Rotor/Fan |
| 2-36 | 282010 | Ignition Coil Ass'y |
| 2-37 | 261076 | Woodruff Key |
| 2-38 | 281872 | Shaft |
| 2-39 | 280381 | Spacer |
| 2-40 | 261256 | Cap Screw |
| 2-41 | 262483 | Spark Plug |
| 2-42 | 281864 | Lead |
| 2-43 | 282087 | Lead |
| 2-44 | 281172 | Grommet |
| 2-45 | 282757 | Starter Ass'y Incl.46-53 |
| 2-46 | 280492 | Reel |
| 2-47 | 287421 | Spiral Spring |
| 2-48 | 280494 | Screw |
| 2-49 | 283616 | Starter Rope |
| 2-50 | 282186 | Starter Grip |
| 2-51 | 282187 | Stopper |
| 2-52 | 280547 | Washer |
| 2-53 | 269423 | Nut |
| 2-54 | 269492 | Starter Pulley Ass'y |
| 2-55 | 265724 | Cap Screw |
| 2-56 | 287581 | Label |
| Carburetor - Fuel Tank Pag.3 | ||
| 3-1 | 282528 | Carburetor Ass'y Incl.2-18 New gasket required |
| 3-2 | 264155 | Pump Body |
| 3-3 | 262991 | Purge Body |
| 3-4 | 262992 | Cover Plate |
| 3-5 | 261874 | Primer Bulb |
| 3-6 | 283905 | Diaphragm, Meterring |
| 3-7 | 262993 | Gasket |
| 3-8 | 262994 | Diaphragm,Fuel Pump |
| 3-9 | 282576 | Gasket |
| 3-10 | 261876 | E-Ring |
| 3-11 | 261658 | Swivel |
| 3-12 | 261875 | Screw |
| 3-13 | 264677 | Bracket |
| 3-14 | 261878 | Nut |
| 3-15 | 261877 | Adapter |
| 3-16 | 261657 | Packing |
| 3-17 | 262996 | Screw |
| 3-18 | 264678 | Washer |
| 3-19 | 282578 | Gasket |
| 3-20 | 268055 | Air Filter Case Ass'y Incl.21-24 |
| 3-21 | 268056 | Air Filter Case |
| 3-22 | 268057 | Valve |
| 3-23 | 268412 | Sleeve |
| 3-24 | 268157 | Sleeve |
| 3-25 | 263345 | Packing |
| 3-26 | 263942 | Washer |
| 3-27 | 263815 | Stay |
| 3-28 | 264016 | Cap Screw |
| 3-29 | 265026 | Screen |
| 3-30 | 281861 | Element |
| 3-31 | 268058 | Air Filter Cover Ass'y Incl.32-34 |
| 3-32 | 268059 | Air Filter Cover |
| 3-33 | 281438 | Knob |
| 3-34 | 261734 | Snap Ring |
| 3-35 | 283220 | Fuel Tank Ass'y Incl.36-46 |
| 3-36 | 281587 | Fuel Tank |
| 3-37 | 281564 | Fuel Tank Cap Ass'y Incl.38 |
| 3-38 | 269377 | Gasket |
| 3-39 | 282538 | Fuel Pipe Pick-up Ass'y Incl.40-46 |
| 3-40 | 282539 | Fuel Pipe Ass'y Incl.41-44 |
| 3-41 | 282540 | Pipe & Grommet |
| 3-42 | 261690 | Fuel Pipe |
| 3-43 | 261590 | Breather |
| 3-44 | 261117 | Clip |
| 3-45 | 264653 | Filter Ass'y |
| 3-46 | 261117 | Clip |
| 3-47 | 261117 | Clip |
| 3-48 | 268940 | Screw |
| 3-49 | 281715 | Cap Screw |
| 3-50 | 261352 | Label |
| Accessories Pag.4 | ||
| 4-1 | 281875 | Pipe (A) |
| 4-2 | 281876 | Pipe (B) |
| 4-3 | 282738 | Tool Set Incl.4,5 |
| 4-4 | 219431 | Wrench |
| 4-5 | 210418 | Box Spanner |
| 4-6 | 287584 | Instruction Manual |
| 4-7 | 287585 | Instruction Manual |
| 4-8 | 523084 | Parts List |
Data sheet
You might also like