(modificale nel modulo Rassicurazioni cliente)
(modificale nel modulo Rassicurazioni cliente)
(modificale nel modulo Rassicurazioni cliente)
Fix Your Grass Trimmer Pruner CG-PS "SMART FIT". All Spares are original and can be supplied at Low and discounted prices For Shipping. Our Spares are Genuine Parts and Come with a Full Guarantee.
In the following table, look for the model of Pole Saw and the respective parts of the code.
| Grass Trimmer Pruner Accessory CG-PS "SMART FIT" pag.1 | ||
| # | Part Num. | Description |
| 1 | 6689314 | DRIVE SHAFT COMP. 1042L |
| 2 | 6684831 | BUSH ASS'Y |
| 3 | 6686000 | DRIVE SHAFT B 1085L |
| 4 | 6684833 | BUSHING |
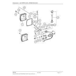
| Grass Trimmer Pruner Accessory CG-PS "SMART FIT" pag.2 | ||
| 11 | 6686138 | OIL TANK |
| 12 | 6685961 | SPACER TILL TO EN29999 SERIAL |
| 12A | 6699273 | COLLAR 3 FROM SERIAL ED20001 |
| 13 | 6699567 | GASKET FROM SERIAL ED20001 |
| 14 | 6695661 | O-RING RING |
| 15 | 6689757 | PIN |
| 16 | 6686487 | OIL PUMP |
| 17 | 6695661 | O-RING RING |
| 18 | 6690381 | SPRING |
| 19 | 6686608 | PISTON OIL PUMP |
| 20 | 6699566 | COLLAR CWITH / GASKET FROM SERIAL ED20001 |
| 21 | 6692414 | FUEL TUBE 3X5X60 |
| 22 | 6695403 | SCREW |
| 23 | 6684661 | WASHER M5 |
| 24 | 6690917 | FILTER |
| 25 | 6690913 | FILTER |
| 26 | 6692415 | TUBE |
| 27 | 6691066 | REGULATOR |
| 28 | 6695661 | O-RING RING |
| 29 | 6695311 | SEEGER |
| 30 | 6692050 | OIL CAP |
| 31 | 6686637 | PIPE P.O. |
| 32 | 6698966 | O-RING P-15 |
| 33 | 6695239 | WASHER M8 |
| 34 | 6695187 | WASHER |
| 35 | 6695656 | RING |
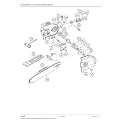
| Grass Trimmer Pruner Accessory CG-PS "SMART FIT" pag.3 | ||
| 51 | 6695492 | HEXAGONAL SCREW 5X22 / S |
| 52 | 6695042 | HEXAGONAL SCREW 5X10 |
| 53 | 6695458 | SCREW |
| 54 | 6685793 | CASE |
| 55 | 6688836 | GEAR SETS |
| 56 | 6684734 | BEARING 609 |
| 57 | 6684735 | BEARING 609Z ST |
| 58 | 6695281 | SEEGER |
| 59 | 6684732 | SEEGER |
| 60 | 6693248 | WASHER EX 786-00601-200 |
| 61 | 6695568 | BEARING |
| 62 | 6697603 | BEARING 638ZZ |
| 63 | 6684741 | RING |
| 64 | 6689117 | PINION |
| 65 | 6695170 | NUT M6 |
| 66 | 6686038 | CHAIN CARTER |
| 67 | 6687105 | NUT |
| 68 | 6687130 | SCREW |
| 69 | 6697596 | SCREW |
| 70 | 6686803 | STUD |
| 71 | 6687063 | TENSIONER |
| 72 | 6690428 | CONNECTION |
| 501 | HGA6699679 | CHAIN 25CM 3/8 LP 1.1 40M |
| 502 | HGA6686882 | BAR 25CM - 3/8 "LP 1.1MM |
Data sheet
You might also like