
(modificale nel modulo Rassicurazioni cliente)
(modificale nel modulo Rassicurazioni cliente)
(modificale nel modulo Rassicurazioni cliente)
Lavor original spare parts for to replace broken parts for to fix IDRO HYPER C 2021LP 400-415/50 -GR- TS LWS C/GIUNTO - 8.654.0031.
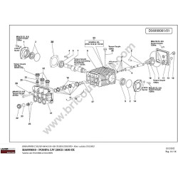
In the following tables, look for the spare part and its respective code.![]()
| IDRO HYPER C 2021LP 400-415/50 -GR- TS LWS C/GIUNTO - 8.654.0031 | ||
| Hose Reels and Accessories Pag.1 | ||
| # | Part Num | Description |
| 1 | 4.607.0456 | COLUMBIA HYDRO HOOD INOX 430 POLISHED |
| 2 | 4.007.0277 | HW HANDLE PIPE STOP SPRING |
| 3 | 5.613.0419 | COLUMBIA HYDRO HANDLE (BIG'06) -PAINTED- (BLACK RAL.9005) |
| 4 | 4.608.0245 | CABLE REEL INSERT FOR VERTICAL HYDRO (PP+20%TC) |
| 5 | 4.618.0143 | EXT PIPE 5/16 R2 315BAR L=10000 W/RAPID CONNECTOR 1/2 ROTARY-3/8 |
| 6 | 3.700.0030 | EXT GUN AL55 350bar 45l/min 160°C+sw8 3/8M+S7+M22 (30129100) |
| 7 | 3.701.0015 | EXT ZNT LANCE L=600 COATED+ROS.+RAPID CONNECTOR M22 |
| 8 | 3.103.0055 | ORD HIGH PRESSURE NOZZLE 1/8M 15070 |
| 9 | 7.700.0246 | COLUMBIA/EXPLORER LP +CE MANUAL LWS A5 130F 17L |
| 10 | 6.605.0076 | HYDRO PROF REGULATION KNOB KIT |
| 11 | 5.012.0036 | FILTER TUBE KIT FOR SUCTION DETERGENT 1 MT + SPRING |
| Struttura Pag.2 | ||
| 1 | 6.605.0059 | ELECTRIC BOX KIT + COVER FOR THREE-PHASE |
| 2 | 3.402.0075 | EXT RELAY TLR11FLW for 7.5KW |
| 3 | 3.401.0122 | EXT MICRO DISCONNECTOR ETA 3140-F260 -P7TI-SGRX-3AC415V-18A |
| 4 | 5.601.0439 | MTP. R.A. 400/50 4P HP10 LW 2021 SX W/JOINT FOR COLD (CL5) |
| 5 | 4.606.0212 | FOR. CONNECTOR 3/8 MAND. V.L. BLIND IP OTT. |
| 6 | 3.714.0068 | METAL/RUBBER WASHER 3/8G (0117730040) |
| 7 | 6.605.0078 | VALVE KIT L3 W/TS W/IN. 2.3 |
| 8 | 4.606.0213 | DRILLED CONNECTOR 1/2 ASP. V.L. BLIND OTT. |
| 9 | 3.714.0069 | METAL/RUBBER WASHER 1/2G (0117730050) |
| 10 | 3.100.0042 | QUICK CONNECTOR 3/8F 06 (464) 26070040 |
| 11 | 3.107.0006 | MANOMETER D.40 0/300 BAR 1/8 GLYCERINE |
| 12 | 4.618.0118 | EXT LP TUBE L=300 INLET-COOLER MOT. R.A. 1/2F |
| 13 | 6.605.0223 | KIT OF LOCKS FOR MOT. R.A. TUBES (46080480/482) |
| 14 | 3.403.0003 | THERMAL PROTECTOR L01.080.05. UL CABLES L=1200 |
| 15 | 4.618.0136 | EXT LP TUBE L=315 COOLER-PUMP MOT. R.A. LW LINE |
| 16 | 4.612.0032 | POWER CABLE H05VV-F 4X2.5 L=6700 |
| 17 | 6.605.0168 | WHEEL KIT 30060155 + STUD + LOCK COLUMBIA-HYPER C-HYPER L |
| 18 | 4.608.0073 | SHORT SPACER FOR JOLLY TANK 4/93 |
| 19 | 4.606.0028 | NIPPLE 1/2 M. 3/4 M. |
| 20 | 4.607.0046 | STAINLESS STEEL FILTER DIAM.20 ASP. CONNECTOR 3/4 |
| 21 | 4.608.0055 | RUBBER FOOT FRONT TROLLEY SM ALL |
| 22 | 5.613.0215 | HYDRO FRAME COLUMBIA -PAINTED- (BLACK RAL.9005) |
| Valve Pag.3 | ||
| 1 | 6.005.0120 | EXT KIT 111 LW PRESSURE REGULATOR TEST.OTT.'99 |
| 2 | 6.005.0638 | EXT KIT BY-PASS COMPLETE FOR VALVE L3 FOR TS |
| 3 | 4.606.0192 | VALVE BODY L3 |
| 4 | 5.609.0158 | ASSEMBLY CONNECTOR 1/8 G W/PLUG M7 TS TEST.OTT.'99 |
| 5 | 6.005.0571 | EXT KIT MICRO SCREW 2 WIRES + SCREWS (GREY MICRO) |
| 6 | 6.005.0200 | EXT KIT 186 LW UNIVERSAL SAFETY VALVE FOR BY PASS L3 |
| 7 | 6.005.0199 | KIT 185 LW INJECTION 2.3 -VALV.R IT.PORTAG. LWS18 |
| 8 | 5.609.Y154 | ASSEMBLY HOSE HOLDER D.1 W/OR-SPRING L=7 wire D.0.4-BALL D.5.5 |
| Motor Pump Pag.4 | ||
| 1 | 5.606.0131 | MOTOR LW R.A. 400/50 D.152x165 WORKED |
| 2 | 3.001.0009 | BEARING 6007-2RS 35x62x14 (X ELECTRIC MOTOR) |
| 3 | 4.605.0070 | CABLE GLAND M22 FOR R.A. MOTOR |
| 4 | 4.605.0072 | FRONT FLANGE MOTOR D.152 FOR PUMP D.61 MACHINED |
| 5 | 3.099.1501 | KEY 8X7X32 UNI 6604A |
| 6 | 4.605.0081 | HALF COUPLING D.24 AC MOTOR SIDE MOTOR-PUMP COUPLING |
| 7 | 6.605.0084 | KIT N.8 RUBBER GASKETS FOR LWS COUPLING |
| 8 | 4.605.0082 | HALF COUPLING D.24 PUMP SIDE MOTOR-PUMP COUPLING |
| 9 | 4.605.0083 | MOTOR-PUMP COUPLING FLANGE FL. 61 |
| 10 | 6.605.0188 | LW PUMP 200/21 1450 SX |
| Engine Pag.5 | ||
| 1 | 5.602.0056 | CASE R.A.400/50 4P D.152 H165 |
| 2 | 3.099.0805 | COMPENSATION RING 61X51X 0.4 H.3.5 -62d- |
| 3 | 3.001.0066 | RADIAL BALL BEARING 6305 2RS (25X62X17) (KBC) X ELECTRIC MOTOR |
| 4 | 5.605.0067 | ROTARY SHAFT 90X165 R.A. LINE WASH |
| Pump Pag.6 | ||
| 1 | 4.605.0059 | OPEN COVER FOR IN-LINE PUMP CASE MACHINED |
| 2 | 6.605.0050 | ORD O-RING KIT + SHAFT SEAL |
| 4 | 3.099.0510 | KEY 8X7X35 UNI 6604A |
| 5 | 6.605.0029 | KIT 2 BEARINGS LAVOR LINEA |
| 6 | 6.605.0051 | KIT PISTON GUIDE PIN LAVOR LINEA |
| 7 | 4.607.0314 | SHAFT IN-LINE PUMP C=16.20 MACHINED (1 line)X 21LT |
| 8 | 4.605.0057 | IN-LINE PUMP CASE MACHINED |
| 9 | 6.605.0025 | EXT KIT 3 PISTONS D.20 LAVOR LINEA |
| 10 | 6.605.0026 | COMPLETE CONNECTING ROD L52 ZAMA FOR IN-LINE PUMP MACHINED |
| 11 | 4.605.0058 | REAR COVER FOR IN-LINE PUMP CASE MACHINED |
| 12 | 3.099.0003 | OIL LEVEL LIGHT SLNS-3/8 HOBBY |
| 13 | 3.002.0004 | SCREW STEI 3/8 G.DIN 906 (OIL DISC CAP) |
| 14 | 4.605.0060 | COVER CLOSED FOR IN-LINE PUMP CASE MACHINED |
| 15 | 6.605.0041 | ORD KIT 3 COMPLETE SEALS PACKS + BUSHINGS |
| 16 | 6.605.0048 | KIT 3 BUSHINGS FOR SEALS |
| 17 | 6.605.0047 | ORD KIT 3 COMPLETE SEALS PACKS LINE WORK |
| 18 | 4.606.0161 | PLUG T.E. 3/8 GAS |
| 22 | 4.606.0149 | PLUG VALVE ASP/DELIVERY LAVOR LINEA |
| 23 | 3.200.0185 | OR GASKET 20.29x2.62 NBR SH.90 |
| 25 | 6.605.0065 | ORD KIT VALVES SUCTION/DELIVERY 21LT |
| 26 | 3.099.0978 | OIL LOADING CAP W/PIPE AND BREATHER (ROD L=66) -R- |
| 27 | 6.605.0031 | KIT 3 GUIDE ROD PISTON LAVOR LINEA |
| 31 | 4.606.0162 | HEAD FOR IN-LINE PUMP LAVOR W/O VALVE |
| 33 | 3.699.0065 | OIL FOR MOTOR PUMPS ENI MULTITECH THT 15W30 |
| 37 | 6.605.0034 | KIT OF FIXING SCREWS PISTON COMPLETE LAVOR LINEA |
| 38 | 6.605.0052 | KIT OF REGISTRATION SHIMS LAVOR LINEA |
Data sheet
You might also like