
(modificale nel modulo Rassicurazioni cliente)
(modificale nel modulo Rassicurazioni cliente)
(modificale nel modulo Rassicurazioni cliente)
For the maintenance and repair of your Self-propelled Lawnmower AL5 46 A - 2L0481044/A21 - 2022, it is advisable to purchase original spare parts only. Buy Alpina spare parts at best prices with confidence. Open the PDF on the page to see all the components of the lawnmower. Live your garden by taking care of the lawn.
In the following table, look for the model of the Petrol Lawn Mower and the respective parts of the code.![]()
| Lawnmower AL5 46 A - 2L0481044/A21 Deck pag.1 | ||
| # | Part Num. | Description |
| 1 | 381005195/2 | Bracket-Rh |
| 2 | 381005197/2 | Left Bracket |
| 3 | 112727802/0 | Screw |
| 4 | 322545213/0 | Plate |
| 5 | 322600310/0 | Rear door |
| 6 | 322108329/0 | Rear Conveyor |
| 7 | 112728697/0 | Screw |
| 8 | 322060242/2 | Belt Protection |
| 9 | 112728903/0 | Screw |
| 10 | 322140250/0 | Mulching Deflector |
| 11 | 381005027/0 | Grey Deck |
| 12 | 322820077/1 | Cap |
| 13 | 119035000/0 | Or Ring |
| 14 | 112728450/0 | Screw |
| 15 | 322034002/0 | Washing Connection |
| Lawnmower AL5 46 A - 2L0481044/A21 Height Adjusting pag.2 | ||
| 1 | 381302935/0 | Axle, Front Wheels |
| 1 | 381302935/1 | Axle, Front Wheels |
| 2 | 322785305/1 | Support |
| 3 | 112728697/0 | Screw |
| 4 | 322869733/0 | Rod, Height Adjustment |
| 4 | 322869733/1 | Rod, Height Adjustment |
| 5 | 122519823/0 | Pin |
| 6 | 112436050/0 | Plate |
| 7 | 122450494/0 | Spring |
| 8 | 381302855/1 | Rear Wheel Axle |
| 8 | 381302855/2 | Rear Wheel Axle |
| 9 | 381003356/0 | Wheels Rear Adj. Lever |
| 9 | 381003356/1 | Wheels Rear Adj. Lever |
| 10 | 122534131/0 | Pin |
| 11 | 122446192/0 | Spring |
| 12 | 112154510/0 | Nut |
| 13 | 322785500/0 | Support |
| Lawnmower AL5 46 A - 2L0481044/A21 Mask pag.3 | ||
| 1 | 112735410/0 | Screw |
| 2 | 322226292/0 | Mask, Black |
| 3 | 322393780/0 | Front Handle |
| Lawnmower AL5 46 A - 2L0481044/A21 Handle, Lower Part pag.4 | ||
| 1 | 381006737/0 | Handle, Lower Part Black |
| 2 | 112155000/0 | Nut |
| 3 | 112521350/0 | Washer |
| 4 | 112369500/0 | Elastic Washer |
| 5 | 112760605/0 | Screw |
| 6 | 381008691/0 | Outfit, Screws |
| 7 | 133320504/0 | Fairlead |
| 8 | 118390020/0 | Conduit Clip |
| Lawnmower AL5 46 A - 2L0481044/A21 Handle, Upper Part pag.5 | ||
| 1 | 381006739/2 | Handle, Upper Part |
| 1 | 381006745/3 | Handle,Black Upper Part with sponge handgrip |
| 2 | 122430313/0 | Guide Spring |
| 3 | 112521330/0 | Washer |
| 4 | 112154510/0 | Nut |
| 5 | 118390020/0 | Conduit Clip |
| 6 | 181003363/1 | Lever, Engine Brake Black |
| 7 | 181030054/0 | Cable, Thread Engine Brake |
| 8 | 112727783/0 | Screw |
| 9 | 112154510/0 | Nut |
| 12 | 322551640/0 | Cable Holder |
| 12 | 322551685/0 | Cable Holder ø22 |
| Lawnmower AL5 46 A - 2L0481044/A21 Wheel and Hub Cap pag.6 | ||
| 1 | 381007483/1 | Wheel Ø 200 |
| 1 | 381007483/2 | Wheel Ø 200 |
| 2 | 119216035/0 | Bearing |
| 3 | 112521350/0 | Washer |
| 4 | 112155000/0 | Nut |
| 5 | 322110643/0 | Hub Cap Grey |
| 6 | 381007484/2 | Wheel Ø 200 |
| 7 | 112728706/0 | Screw |
| 8 | 322120114/0 | Wheels Crown |
| 9 | 322600145/0 | Protection, Wheel |
| 10 | 322600239/0 | Protection, Wheel |
| Lawnmower AL5 46 A - 2L0481044/A21 Blade pag.7 | ||
| 1 | 112735108/1 | Screw |
| 2 | 1111-9168-01 | Blade Holder |
| 2 | 122463012/4 | Hub, Crankshaft Ø 22.2 |
| 3 | 1111-9121-02 | Blade |
| 3 | 181004346/3 | Left Mulching, Blade |
| 4 | 122160400/0 | Elastic Disc |
| 5 | 112523080/0 | Washer |
| 6 | 112735698/0 | Screw |
| 7 | 112139100/0 | Key |
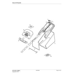
| Lawnmower AL5 46 A - 2L0481044/A21 Grass-Catcher pag.8 | ||
| 1 | 322486497/0 | Rear door |
| 2 | 322486496/0 | Grass-Box, Upper Part |
| 3 | 181102422/0 | Black Fabric Box |
| 5 | 122450479/0 | Spring |
| 6 | 122608525/1 | Lower Stiffening |
| 6 | 122608525/2 | Lower Stiffening |
| 7 | 122517884/0 | Pin |
| 8 | 322109594/0 | Stone Guard Support, Black |
| 9 | 112728697/0 | Screw |
| 10 | 322600355/1 | Stone Guard, Black |
| 12 | 381008735/0 | Outfit, Plastic Pin |
| 13 | 381008639/0 | Outfit, Screws |
| Lawnmower AL5 46 A - 2L0481044/A21 Engine - Carburettor, Tank pag.9 | ||
| 1 | 118550941/1 | Engine Assembled |
| 2 | 112292102/0 | Nut |
| 3 | 118551467/0 | Starter Assy |
| 4 | 118551619/0 | Starter Handle |
| 5 | 118550779/0 | Starting Rope |
| 6 | 118551621/0 | Starter Spring |
| 7 | 118551620/0 | Starter Pulley |
| 8 | 118551626/0 | Spring |
| 9 | 118551622/0 | Ratchet, Starter |
| 10 | 118551625/0 | Spring |
| 11 | 118551623/0 | Cover |
| 13 | 118551624/0 | Stud |
| 14 | 118550908/0 | Air Guide |
| 15 | 118550907/0 | Pin |
| 16 | 118550906/0 | Pin |
| 17 | 112791500/0 | Screw |
| 18 | 118551475/0 | Elettronic Coil |
| 20 | 9400-0244-00 | Spark Plug |
| 21 | 112789000/0 | Screw |
| 22 | 118551456/0 | Choke Control |
| 23 | 118551459/0 | Control Rod |
| 24 | 118551352/0 | Retainer |
| 25 | 118551451/1 | Carburettor |
| 26 | 118550930/0 | Stud Bolt |
| 27 | 118550929/0 | Gasket |
| 28 | 118550928/0 | Insulator, Carburettor |
| 29 | 118550927/0 | Gasket |
| 30 | 118550924/0 | Gasket |
| 31 | 118551461/0 | Air Cleaner Assy |
| 32 | 118550946/0 | Air Filter |
| 33 | 118550945/0 | Air Filter |
| 34 | 118550944/0 | Air Cleaner Cover |
| 35 | 112292102/0 | Nut |
| 36 | 118551481/0 | Fuel Pipe |
| 37 | 118550918/0 | Pipe Clip |
| 38 | 118550314/0 | Fuel Filter |
| 39 | 118551454/0 | Tank |
| 40 | 118550943/0 | Fuel Cap |
| 41 | 112792099/0 | Screw |
| 42 | 118550920/0 | Breather Fuel Pipe |
| 43 | 118550933/0 | Arm Governor |
| 44 | 118550931/0 | Plate |
| 45 | 112789000/0 | Screw |
| 46 | 118550932/0 | Spring |
| 47 | 118550805/0 | Screw |
| 48 | 118550806/0 | Nut |
| 49 | 118550925/0 | Governor Link |
| 50 | 118550898/0 | Gasket, Muffler |
| 51 | 118551464/0 | Muffler |
| 52 | 112792425/0 | Screw |
| 53 | 118550900/0 | Muffler Guard |
| 54 | 118551277/0 | Bolt |
| 201 | 1111-9234-01 | Engine oil, SAE 30 - 0,6 L |
| 201 | 1111-9237-01 | Engine oil, 10W-30 - 0,6 L |
| 201 | 1111-9244-01 | Only for Italian Market |
| 201 | 1111-9244-01 | Only for Italian Market |
| 202 | 1111-9235-01 | Engine oil, SAE 30 - 1 L |
| 203 | 1111-9236-01 | Engine oil, SAE 30 - 1,4 L |
| 203 | 1111-9238-01 | Engine oil, 10W-30 - 1,4 L |
| 203 | 1111-9245-01 | Only for Italian Market |
| 203 | 1111-9245-01 | Only for Italian Market |
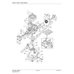
| Lawnmower AL5 46 A - 2L0481044/A21 Engine - Piston, Crankshaft pag.10 | ||
| 1 | 118550336/0 | Nut |
| 2 | 118550905/0 | Flywheel Ass.Y |
| 3 | 118551277/0 | Bolt |
| 4 | 112791500/0 | Screw |
| 5 | 118551483/0 | Flywheel Brake/Stop Switch Assy |
| 6 | 118550911/0 | Spring |
| 7 | 118550300/0 | Oil Seal |
| 9 | 112789000/0 | Screw |
| 10 | 118550904/0 | Cover |
| 11 | 118550903/0 | Gasket, Breath Groove |
| 12 | 118550902/0 | Valve |
| 13 | 118551447/0 | Crankshaft |
| 14 | 118550288/0 | Woodruff Key |
| 15 | 118550283/0 | Washer |
| 16 | 118550890/0 | Camshaft Assy |
| 18 | 112789000/0 | Screw |
| 19 | 118550888/0 | Speed Governor Assy |
| 20 | 118550936/0 | Shaft, Governor Arm |
| 21 | 118550666/0 | Washer |
| 22 | 118550935/0 | Oil Seal |
| 23 | 118550856/0 | Cotter Pin |
| 24 | 118550379/0 | Oil Seal |
| 25 | 118551209/0 | Crankcase Cover |
| 26 | 118550887/0 | Tank Cap |
| 27 | 112791500/0 | Screw |
| 28 | 118551276/0 | Bolt |
| 29 | 118550891/0 | Cover Comp., Head |
| 30 | 118550892/0 | Packing Head Cover |
| 31 | 118550893/0 | Valve Arm Set |
| 32 | 118550894/0 | Plate |
| 33 | 118550895/0 | Retainer |
| 34 | 118550896/0 | Spring |
| 35 | 118550910/0 | Valve Assy, Intake + Exhaust |
| 36 | 118550291/0 | Valve Lifter Assy |
| 37 | 118550912/0 | Push Rod |
| 38 | 118551482/0 | Piston |
| 39 | 118551445/0 | Piston, Ring Set |
| 40 | 118550915/0 | Piston Pin |
| 41 | 118550914/0 | Washer, Piston Pin |
| 42 | 118550916/0 | Connecting Rod Assy |
| 43 | 118551223/0 | Grub Screw |
| 45 | 118550940/0 | Engine Gasket Set |
| Lawnmower AL5 46 A - 2L0481044/A21 Engine Cover pag.11 | ||
| 1 | 322055629/0 | Grey Cover |
| 2 | 322055630/0 | Hood, Yellow |
| 3 | 322055627/0 | Grey Cover |
Data sheet
You might also like