
(modificale nel modulo Rassicurazioni cliente)
(modificale nel modulo Rassicurazioni cliente)
(modificale nel modulo Rassicurazioni cliente)
Siamo Distributori di Ricambi originali STIGA e centro di assistenza autorizzato. Garantiamo prezzi bassi e un servizio di riparazione professionale in grado di consigliarti l'acquisto del ricambio più adatto a risolvere rapidamente ogni problema di manutenzione e riparazione del Rasaerba COMBI 48 (2017) 295485048/S16.
Nella tabella seguente, cercate il modello del Rasaerba ed il rispettivo codice del ricambio.![]()
| STIGA COMBI 48 (2017) 295485048/S16 | ||
| Chassis Pag.1 | ||
| Pos. | Codice | Descrizione |
| 1 | 381004729/0 | Chassis Grigio |
| 2 | 322108301/1 | Convogliatore Anteriore |
| 3 | 112728699/0 | Vite |
| 4 | 322108302/0 | Convogliatore Posteriore |
| 5 | 112728699/0 | Vite |
| 6 | 322545213/0 | Piastrina |
| 7 | 381005179/0 | Staffa |
| 8 | 112727801/0 | Vite |
| 9 | 381005177/0 | Staffa |
| 10 | 322060242/0 | Carter Cinghia |
| 11 | 322140239/0 | Mulching Deflector |
| 12 | 112728530/0 | Vite |
| 13 | 114367494/2 | Etichetta Logo Stiga |
| Regolazione Altezza Taglio Pag.2 | ||
| 1 | 381302821/0 | Asse Ruote Anteriore To S/N 20BA2WBH054315 |
| 1 | 381302821/1 | Asse Ruote Anteriore From S/N 20BA2WBH054316 |
| 2 | 322545142/0 | Piastrina |
| 3 | 112728698/0 | Vite |
| 4 | 112521350/0 | Rondella |
| 5 | 112155000/0 | Dado |
| 6 | 112000930/0 | Anello Benzing From 04-September-2021 |
| 6 | 112436051/0 | Piastrina To 03-January-2021 |
| 7 | 322869673/0 | Asta Comando Regolazione Altezza To S/N 20BA2WBH070094 |
| 7 | 322869673/1 | Asta Comando Regolazione Altezza From S/N 20BA2WBH070583 |
| 8 | 122519820/0 | Perno |
| 9 | 122446193/0 | Molla |
| 10 | 322600247/0 | Protezione Ruota As Optional |
| 11 | 112728698/0 | Vite |
| 12 | 322545152/0 | Piastrina |
| 13 | 381302815/0 | Asse Ruote Posteriore To S/N 20BA2WBH091975 |
| 13 | 381302815/1 | Asse Ruote Posteriore From S/N 20BA2WBH091976 |
| 14 | 122534131/0 | Perno |
| 15 | 381003357/0 | Leva Regolazione Altezza for others brand models To S/N 20BA2WBH076280 |
| 15 | 381003357/1 | Leva Regolazione Altezza with Standard Black Knob From S/N 20BA2WBH076281 |
| 15 | 381003457/0 | Leva Regolazione Altezza for STIGA brand models To S/N 20BA2WBH073718 |
| 15 | 381003457/1 | Leva Regolazione Altezza with STIGA Logo Black Knob From S/N 20BA2WBH073719 |
| 16 | 122446192/0 | Molla |
| 17 | 112154510/0 | Dado |
| 21 | 112521350/0 | Rondella |
| 22 | 112155000/0 | Dado |
| Manico Parte Inferiore Pag.3 | ||
| 1 | 381007537/0 | Manico, Parte Inferiore Giallo Yellow |
| 2 | 112819110/0 | Vite |
| 3 | 122671651/0 | Rondella |
| 4 | 122399900/0 | Manopolina Nera Black |
| 5 | 112293200/0 | Dado |
| 7 | 112818900/0 | Vite |
| 9 | 122399900/0 | Manopolina Nera Black |
| 10 | 112293200/0 | Dado |
| 11 | 112155000/0 | Dado |
| 12 | 112521350/0 | Rondella |
| 13 | 112369500/0 | Disco Elastico |
| 14 | 112760605/0 | Vite |
| 15 | 381008691/0 | Dotazione Viteria Black |
| Manico Parte Superiore Pag.4 | ||
| 1 | 381006753/0 | Manico, Parte Superiore Giallo Yellow without Sponge From 01-September-2013 To 31-August-2017 |
| 1 | 381006753/1 | Manico, Parte Superiore Giallo Yellow without Sponge From 01-September-2017 |
| 1 | 381006754/0 | Manico, Parte Superiore Giallo Yellow with Sponge To 31-August-2017 |
| 1 | 381006754/1 | Manico, Parte Superiore Giallo Yellow with Sponge From 01-September-2017 To 31-August-2018 |
| 1 | 381006754/2 | Manico, Parte Sup. Giallo con impugantura in spugna Yellow with Sponge From 01-September-2018 |
| 2 | 122430313/0 | Molla Guida |
| 3 | 112521330/0 | Rondella |
| 4 | 112154510/0 | Dado |
| 5 | 118390020/0 | Fermacavo |
| 6 | 181003363/0 | Leva Freno Motore Nero Black To 31-August-2010 |
| 6 | 181003363/1 | Leva Freno Motore Nera Black From 01-September-2010 |
| 7 | 181030054/0 | Cavo Freno Motore SV40 / RV 40 / V35 and WBE140 Engine |
| 8 | 112727783/0 | Vite |
| 9 | 112154510/0 | Dado |
| 12 | 322551640/0 | Piastrina Fissaggio Cavi To S/N 20AA2WBH066503 |
| 12 | 322551685/0 | Piastrina Fissaggio Cavi ø22 From S/N 20AA2WBH066504 |
| Ruote Coprimozzi Pag.5 | ||
| 1 | 381007450/1 | Ruota - Mozzo Lungo |
| 1 | 381007455/1 | Ruota - Short Lungo Short Hub |
| 2 | 119216035/0 | Cuscinetto |
| 3 | 322110744/0 | Coprimozzo Grigio |
| 5 | 381007456/1 | Ruota To 31-August-2019 |
| 5 | 381007463/1 | Ruota From 01-September-2019 |
| 6 | 119216035/0 | Cuscinetto |
| 9 | 322110745/0 | Coprimozzo Grigio |
| Coltello Lama Pag.6 | ||
| 1 | 112735108/1 | Vite |
| 2 | 1111-9168-01 | Guida Lama Stiga Packed into 122463012/4 |
| 2 | 122463012/2 | Mozzo, Albero Motore Ø 22.2 To 31-August-2018 |
| 2 | 122463012/3 | Mozzo, Albero Motore Ø 22.2 From 01-September-2018 To 31-December-2018 |
| 2 | 122463012/4 | Mozzo, Albero Motore Ø 22.2 From 01-January-2019 |
| 3 | 1111-9278-01 | Lama Mulching (STIGA Pack) Stiga Packed into 181004460/0 To 31-August-2018 |
| 3 | 1111-9278-02 | Lama Mulching Stiga Packed into 181004460/0 From 01-September-2018 |
| 3 | 181004460/0 | Lama Mulching |
| 4 | 122160400/0 | Disco Elastico To 31-March-2018 |
| 4 | 322680021/0 | Rondella From 01-April-2018 To 31-August-2019 |
| 4 | 322680021/1 | Rondella From 01-September-2019 |
| 5 | 112508125/0 | Disco Elastico From 01-April-2018 To 31-December-2018 |
| 5 | 112508128/0 | Disco Elastico From 01-January-2019 |
| 5 | 112523080/0 | Rondella To 31-March-2018 |
| 6 | 112735698/0 | Vite |
| 7 | 112139100/0 | Linguetta |
| Sacco di raccolta Pag.7 | ||
| 1 | 322785331/0 | Supporto Fulcro Parasassi Nero |
| 2 | 122450464/0 | Molla |
| 3 | 322109556/0 | Copertura Parasassi, Giallo Yellow |
| 3 | 322109557/0 | Copertura Parasassi, Grigio Grey NCS S8000-N |
| 4 | 112728699/0 | Vite |
| 5 | 322600214/1 | Parasassi Giallo Yellow |
| 5 | 322600216/1 | Parasassi Grigio Grey |
| 6 | 322393646/0 | Maniglia Giallo Yellow |
| 6 | 322393715/0 | Maniglia Sacco Grigia Grey NCS S8000-N |
| 7 | 381486016/0A | Sacco, Parte Superiore Giallo Yellow |
| 7 | 381486029/0 | Sacco, Parte Superiore Grigio Stiga Grey |
| 8 | 122608561/0 | Rinforzo Inferiore |
| 9 | 112728692/0 | Vite |
| 10 | 322545159/0 | Piastrina |
| 11 | 181102331/0 | Sacco, Tela Black with STIGA Logo |
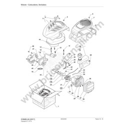
| Motore Carburatore Serbatoio Pag.8 | ||
| 1 | 118550941/0 | Motore Completo |
| 2 | 112292102/0 | Dado |
| 3 | 118550909/0 | Ass. Avviatore |
| 4 | 118551362/0 | Impugnatura Avviamento |
| 5 | 112728706/0 | Vite |
| 6 | 322055538/0 | Capottina Grigia additional parts not for all models |
| 7 | 322055539/0 | Anello Capottina Giallo additional parts not for all models |
| 10 | 118550908/0 | Convogliatore Aria |
| 11 | 118550907/0 | Perno |
| 12 | 118550906/0 | Perno |
| 13 | 112791500/0 | Vite |
| 14 | 118550901/0 | Bobina Elettronica |
| 15 | 118550942/0 | Terminale Filo Candela |
| 16 | 9400-0244-00 | Candela |
| 17 | 118550930/0 | Prigioniero |
| 18 | 118550929/0 | Guarnizione |
| 19 | 118550928/0 | Distanziale Termico |
| 20 | 118550927/0 | Guarnizione |
| 21 | 118550926/0 | Carburatore |
| 22 | 118550924/0 | Guarnizione |
| 23 | 118550921/0 | Ass. Filtro Aria |
| 24 | 118550923/0 | Primer |
| 25 | 118550922/0 | Ritegno Primer |
| 26 | 118550946/0 | Elemento Filtrante |
| 27 | 118550945/0 | Elemento Filtrante |
| 28 | 118550944/0 | Coperchio Filtro Aria |
| 29 | 112292102/0 | Dado |
| 30 | 118550919/0 | Tubo Carburante |
| 31 | 118550918/0 | Fascetta Stringitubo |
| 32 | 118550314/0 | Filtro Carburante |
| 33 | 118550917/1 | Serbatoio |
| 34 | 118550943/0 | Tappo Serbatoio |
| 35 | 112792099/0 | Vite |
| 36 | 118550920/0 | Tubo Sfiato |
| 37 | 118550933/0 | Leva Comando Acc. |
| 38 | 118550931/0 | Piastrina |
| 39 | 112789000/0 | Vite |
| 40 | 118550932/0 | Molla |
| 41 | 118550805/0 | Vite |
| 42 | 118550806/0 | Dado |
| 43 | 118550925/0 | Astina Acceleratore |
| 44 | 118550898/0 | Guarnizione Silenziatore |
| 45 | 118550899/0 | Silenziatore |
| 46 | 112792425/0 | Vite |
| 47 | 118550900/0 | Protezione Silenziatore |
| 48 | 118551277/0 | Bullone |
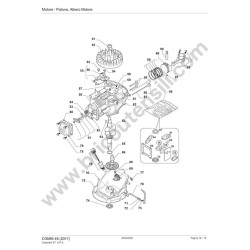
| Motore Pistone Albero Motore Pag.9 | ||
| 18 | 118550929/0 | Guarnizione |
| 19 | 118550928/0 | Distanziale Termico |
| 20 | 118550927/0 | Guarnizione |
| 22 | 118550924/0 | Guarnizione |
| 44 | 118550898/0 | Guarnizione Silenziatore |
| 51 | 118550336/0 | Dado |
| 52 | 118550905/0 | Ass. Volano C/Masse |
| 53 | 118551277/0 | Bullone |
| 54 | 112791500/0 | Vite |
| 55 | 118550938/0 | Ass. Freno Volano |
| 56 | 118550911/0 | Molla |
| 57 | 118550300/0 | Anello Di Tenuta |
| 58 | 118550897/0 | Ass. Cilindro |
| 59 | 112789000/0 | Vite |
| 60 | 118550904/0 | Coperchio |
| 61 | 118550903/0 | Guarnizione Sfiato Olio |
| 62 | 118550902/0 | Valvola |
| 63 | 118550889/0 | Ass. Albero Motore |
| 64 | 118550288/0 | Chiavetta Volano |
| 65 | 118550283/0 | Rondella |
| 66 | 118550890/0 | Albero Camme |
| 68 | 112789000/0 | Vite |
| 69 | 118550888/0 | Ass. Regolatore |
| 70 | 118550936/0 | Albero Regolatore |
| 71 | 118550666/0 | Rondella |
| 72 | 118550935/0 | Anello Di Tenuta |
| 73 | 118550856/0 | Coppiglia |
| 74 | 118550379/0 | Anello Di Tenuta |
| 75 | 118551209/0 | Carter Motore |
| 76 | 118550887/0 | Ass. Tappo Olio |
| 77 | 112791500/0 | Vite |
| 78 | 118551276/0 | Bullone |
| 79 | 118550891/0 | Coperchio Valvole |
| 80 | 118550892/0 | Guarnizione |
| 81 | 118550893/0 | Set Bilancieri Valvole |
| 82 | 118550894/0 | Piastrina |
| 83 | 118550895/0 | Fermo |
| 84 | 118550896/0 | Molla |
| 85 | 118550910/0 | Ass. Valvola Aspirazione + Scarico |
| 86 | 118550291/0 | Ass. Alzavalvole |
| 87 | 118550912/0 | Asta Di Punteria |
| 88 | 118551216/0 | Pistone |
| 89 | 118550913/0 | Ass. Fasce Elastiche |
| 90 | 118550915/0 | Spinotto Pistone |
| 91 | 118550914/0 | Fermo Spinotto |
| 92 | 118550916/0 | Ass. Biella Motore |
| 93 | 118551223/0 | Vite senza testa (Grano) |
| 95 | 118550940/0 | Ass. Guarnizioni Motore |
Scheda tecnica
Potrebbe anche piacerti