
(modificale nel modulo Rassicurazioni cliente)
(modificale nel modulo Rassicurazioni cliente)
(modificale nel modulo Rassicurazioni cliente)
| Motozappa SRC 795 RB/212951122-14-2017 | ||
| Manico Pag.1 | ||
| Motore 4T B&S Serie 950 | ||
| Pos. | Codice | Descrizione |
| 1 | 118802984/0 | Leva Trasmissione |
| 2 | 118802982/0 | Filo Trasmissione |
| 3 | 118802977/0 | Copertura Gialla |
| 4 | 1483-2213-01 | Impugnatura |
| 5 | 9948-0655-16 | Vite |
| 6 | 1483-2143-01 | Acceleratore |
| 7 | 9747-0631-02 | Dado Autobloccante |
| 8 | 118802969/0 | Cavo Acceleratore |
| 9 | 118802985/0 | Leva Reetomarcia |
| 10 | 118802983/0 | Filo Retromarcia |
| 11 | 118802979/0 | Manico |
| 12 | 1483-2044-01 | Leva |
| 13 | 1483-2279-01 | Manopolina |
| 14 | 1483-2073-01 | Rondella |
| 15 | 118802980/0 | Piastra |
| 16 | 9699-0121-02 | Rondella |
| 17 | 9747-1231-02 | Dado |
| 18 | 9997-0865-12 | Vite |
| 19 | 1483-2021-01 | Supporto |
| 20 | 112155000/0 | Dado |
| 21 | 9997-0830-16 | Vite |
| 22 | 118803004/0 | Pomello |
| 23 | 9699-0122-02 | Rondella |
| 24 | 1483-2166-01 | Tappo |
| 25 | 118803012/0 | Dado |
| 26 | 118802978/0 | Copertura Gialla |
| 27 | 112789350/0 | Vite |
| 28 | 9747-0531-02 | Dado |
| 29 | 118802974/0 | Carter Trasmissione Grigio |
| 30 | 1483-2186-01 | Tappo |
| 31 | 1483-2187-01 | Guarnizione |
| 32 | 9598-0002-02 | Spina Elastica |
| 33 | 118802986/0 | Sperone |
| 34 | 9699-0104-02 | Rondella |
| 35 | 112155000/0 | Dado |
| 36 | 9997-0855-12 | Vite |
| 37 | 118802988/0 | Riparo Fresa |
| 38 | 118802989/0 | Allargamento Riparo Frese |
| 39 | 9959-0616-16 | Vite |
| 40 | 118803014/0 | Rosetta |
| 41 | 1134-3643-01 | Dado |
| 42 | 1483-2075-01 | Tappo |
| 43 | 118802987/0 | Supporto Ruotino |
| 44 | 118802972/0 | Ruotino |
| 45 | 118802971/0 | Molla |
| 46 | 118803017/0 | Coppiglia |
| 47 | 9699-0104-02 | Rondella |
| 48 | 1483-2195-01 | Rondella |
| 49 | 1483-2070-01 | Guarnizione |
| 50 | 118802992/0 | Disco Parapolvere |
| 51 | 9997-1050-16 | Vite |
| 52 | 1483-2196-01 | Perno |
| 53 | 9747-1031-02 | Dado Autobloccante |
| 54 | 1483-2023-01 | Ass. Fresa Destra |
| 54 | 1483-2024-01 | Ass. Fresa Sinistra |
| 55 | 1483-2169-01 | Ass. Fresa Destra |
| 55 | 1483-2170-01 | Ass. Fresa Sinistra |
| 56 | 9997-1050-16 | Vite |
| 57 | 9747-1031-02 | Dado Autobloccante |
| 58 | 118802990/0 | Ass. Fresa Destra |
| 58 | 118802991/0 | Ass. Fresa Sinistra |
| 59 | 9997-1050-16 | Vite |
| 60 | 9747-1031-02 | Dado Autobloccante |
| 61 | 1483-2022-01 | Disco |
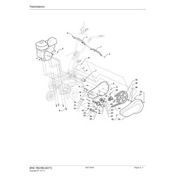
| Trasmissione Pag.2 | ||
| 1 | 118802981/0 | Supporto |
| 2 | 112791500/0 | Vite |
| 3 | 112154510/0 | Dado |
| 4 | 112155000/0 | Dado |
| 5 | 112691115/0 | Vite |
| 6 | 118803015/0 | Spina |
| 7 | 118802998/0 | Protezione |
| 8 | 118802975/0 | Piastra Trasmissione |
| 9 | 9959-0825-16 | Vite |
| 10 | 118803019/0 | Vite |
| 11 | 9959-0616-16 | Vite |
| 12 | 9987-5116-16 | Vite |
| 13 | 9699-0028-02 | Rondella |
| 14 | 9699-0028-02 | Rondella |
| 15 | 118802993/0 | Albero Supporto Ingranaggio |
| 16 | 9549-0001-00 | Cuscinetto A Sfere |
| 17 | 1483-2175-01 | Kit Ingranaggi Pos.17+22 |
| 18 | 1483-2145-01 | Distanziale |
| 19 | 118802994/0 | Piastra Guidacinghia |
| 20 | 112155000/0 | Dado |
| 21 | 1483-2117-01 | Distanziale |
| 22 | 1483-2176-01 | Kit Ingranaggi Pos.17+22 |
| 23 | 118802973/0 | Puleggia Motore |
| 24 | 9699-0028-02 | Rondella |
| 25 | 1483-2283-01 | Vite |
| 26 | 1483-2207-01 | Molla |
| 27 | 118802996/0 | Leva |
| 28 | 112155000/0 | Dado |
| 29 | 1483-2207-01 | Molla |
| 30 | 118802997/0 | Leva |
| 31 | 112155000/0 | Dado |
| 32 | 118802995/0 | Puleggia |
| 33 | 1483-2149-01 | Cinghia |
| 34 | 118802965/0 | Cinghia |
| 35 | 9699-0105-02 | Rondella |
| 36 | 9747-1031-02 | Dado Autobloccante |
| 37 | 118803014/0 | Rosetta |
| 38 | 118802976/0 | Protezione Cinghia Giallo |
| 39 | 9959-0616-16 | Vite |
| 40 | 112791400/0 | Vite |
| 41 | 9747-0631-02 | Dado Autobloccante |
Scheda tecnica
Potrebbe anche piacerti