(modificale nel modulo Rassicurazioni cliente)
(modificale nel modulo Rassicurazioni cliente)
(modificale nel modulo Rassicurazioni cliente)
Siamo Distributori di Ricambi originali Hitachi-HIKOKI Tanaka e centro di assistenza autorizzato. Garantiamo prezzi bassi e un servizio di riparazione professionale in grado di consigliarti l'acquisto del ricambio più adatto a risolvere rapidamente ogni problema di manutenzione e riparazione della della Motosega TCS-2800S.
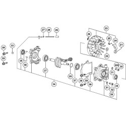
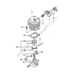
Nella tabella seguente, cercate il modello della Motosega ed il rispettivo codice del ricambio.
| Motosega TCS-2800S | ||
| Pos | Codice | Descrizione |
| 1 | 6687468 | CAPPUCCIO CANDELA |
| 3 | 6685461 | CILINDRO CON GUARNIZIONE |
| 4 | 6684682 | VITE 4X15/PS |
| 5 | 6685726 | GUARNIZIONE |
| 6 | 6686119 | FASCIA ELASTICA |
| 7 | 6685881 | PISTONE COMPLETO CS25EC |
| 8 | 6684591 | SPINOTTO PISTONE |
| 9 | 6684590 | FERMO SPINOTTO |
| 10 | 6686173 | ALBERO MOTORE |
| 11 | 6692900 | TUBETTO ISOLANTE |
| 15 | 6601179 | BOBINA |
| 20 | 6685098 | SPESSORE S T 0.2 |
| 20 | 6685099 | SPESSORE S T O.3 |
| 20 | 6686475 | SPESSORE 0.4 |
| 21 | 6685104 | DADO VOLANO |
| 22 | 6685103 | RONDELLA M7 |
| 23 | 6687378 | VOLANO C/CRICCHETTI |
| 24 | 6693305 | CRICCHETTO |
| 25 | 6685105 | MOLLA CRICCHETTO |
| 26 | 6685101 | FERMO D4E |
| 27 | 6692304 | FERMO 4.5 |
| 28 | 6692412 | TUBO MISCELA |
| 29 | 6684597 | TUBETTO |
| 30 | 6695046 | VITE 5X16 |
| 30A | 6695046 | VITE 5X16 |
| 31 | 6685226 | RONDELLA M5 |
| 33 | 6695169 | DADO M5 |
| 34 | 6686526 | CARTER MOTORE COMPL. |
| 36 | 6686703 | GUARNIZIONE CARTER MOTORE |
| 38 | 6685095 | CUSCINETTO A RULLI 2.5X9.8 |
| 39 | 6695514 | VITE C/RONDELLA 5X22/WS |
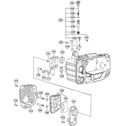
| 50 | 6687328 | CARTER DEFLETTORE |
| 51 | 6691466 | GOMMINO |
| 52 | 6689872 | GUARNIZIONE COLLETTORE |
| 53 | 6689819 | DISTANZIALE COLLETTORE |
| 54 | 6689788 | COLLETTORE |
| 55 | 6689997 | PIASTRINA |
| 57 | 6692587 | GOMMINO |
| 58 | 6692515 | LEVA ARIA |
| 59 | 6690679 | SUPPORTO |
| 60 | 6687960 | CAPPUCCIO |
| 61 | 6687980 | GOMMINO |
| 62 | 6695157 | DADO 5 |
| 63 | 6695484 | VITE 4X10S |
| 64 | 6684864 | RONDELLA |
| 70 | 6685247 | TUBO |
| 71 | 6685198 | FERMO |
| 72 | 6684661 | RONDELLA 5 |
| 73 | 6690919 | FILTRO OLIO |
| 74 | 6685249 | PESCANTE OLIO COMPLETO |
| 75 | 6685246 | MOLLA |
| 76 | 6692126 | SUPPORTO PRIMER |
| 77 | 6685139 | PRIMER |
| 78 | 6692413 | TUBO MISCELA |
| 79 | 6692350 | TUBO MISCELA |
| 80 | 6692422 | GOMMINO |
| 82 | 6691286 | GOMMINO |
| 83 | 6687504 | INTERRUTTORE |
| 84 | 6685180 | TAPPO MISCELA |
| 85 | 6685179 | GUARNIZIONE TAPPO |
| 87 | 6691368 | CARTER MOTORE |
| 88 | 6685173 | VALVOLA SFIATO |
| 89 | 6692086 | SFIATO COMPLETO |
| 90 | 6691380 | COPERCHIO |
| 91 | 6697756 | TAPPO OLIO |
| 92 | 6697888 | GUARNIZIONE |
| 100 | 6692912 | AVVIAMENTO CPL. |
| 101 | 6684679 | VITE |
| 102 | 6685183 | MOLLA |
| 103 | 6685184 | PULEGGIA |
| 105 | 6685185 | MOLLA AVV. COMPLETA |
| 106 | 6685188 | IMPUGNATURA AVV. |
| 107 | 6686953 | CARTER AVVIAMENTO |
| 108 | 6685191 | VITE D4.5X20 *6684636 |
| 109 | 6692936 | PIASTRA |
| 111 | 6690065 | FILTRO ARIA |
| 112 | 6686315 | COPERCHIO FILTRO ARIA |
| 113 | 6685228 | POMELLO FILTRO |
| 121 | 6684700 | RETINA FILTRO |
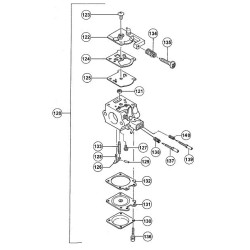
| 122 | 6691438 | CORPO POMPA |
| 123 | 6685210 | VITE |
| 124 | 6685212 | GUARNIZIONE CARBURATORE |
| 125 | 6685213 | MEMBRANA POMPANTE |
| 126 | 6685217 | BILANCIERE |
| 127 | 6685218 | VITE |
| 129 | 6685219 | SPINA BILANCIERE |
| 131 | 6690827 | MEMBRANA DISCO |
| 132 | 6685220 | GUARNIZIONE DISCO |
| 133 | 6685215 | SPILLO |
| 134 | 6690766 | MOLLA |
| 135 | 6690736 | VITE MINIMO |
| 136 | 6685223 | VITE |
| 138 | 6692048 | MOLLA |
| 140 | 6690897 | MOLLA |
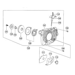
| 151 | 6686765 | COPERCHIO POMPA OLIO |
| 152 | 6685150 | TUBO OLIO |
| 153 | 6685151 | VITE SENZA FINE |
| 154 | 6691401 | SPUGNA |
| 155 | 6685135 | POMPA OLIO COMP. |
| 156 | 6685132 | INGR. POMPA OLIO |
| 157 | 6685131 | MOLLA P.O. |
| 158 | 6685130 | TAPPO |
| 160 | 6685129 | MOLLA |
| 161 | 6685070 | RONDELLA |
| 162 | 6685128 | ALBERINO REGOLAZIONE P.O. |
| 163 | 6685133 | VITE M3X8 |
| 164 | 6692450 | MARMITTA C/GUARNIZIONE |
| 165 | 6690959 | GOMMINO |
| 166 | 6685149 | VITE 4X14 |
| 167 | 6692734 | GUARNIZIONE MARMITTA |
| 168 | 6695054 | BULLONE 5X40 |
| 169 | 6684661 | RONDELLA 5 |
| 170 | 6685154 | TUBO MISCELA |
| 171 | 6685155 | BLOCCO CATENA |
| 172 | 6692753 | COPERCHIO MARMITTA |
| 174 | 6685275 | VITE D5X14 |
| 175 | 6696077 | LAMIERINO GUIDA |
| 176 | 6685161 | VITE D4X10 |
| 200 | 6685166 | DADO FISS.LAMA |
| 201 | 6688560 | FRIZIONE COMPLETA |
| 202 | 6685143 | CUSCINETTO A RULLI |
| 203 | 6689037 | PIGNONE 3/8 |
| 204 | 6689635 | RONDELLA |
| 205 | 6689641 | RONDELLA |
| 206 | 6685161 | VITE D4X10 |
| 208 | 6690765 | LAMIERINO GUIDA |
| 209 | 6687074 | REGOLATORE TENSIONE CATENA COMPL. |
| 210 | 6685168 | INGRANAGGIO A |
| 212 | 6691198 | ANELLO |
| 250 | 6695107 | VITE 5X35 |
| 251 | 6690805 | BUSSOLA |
| 252 | 6695108 | VITE 5X40 |
| 253 | 6688480 | GOMMINO |
| 254 | 6688117 | GOMMINO |
| 255 | 6685275 | VITE D5X14 |
| 256 | 6685074 | VITE D5X16 |
| 257 | 6685653 | SEMI IMPUGNATURA (DX) |
| 258 | 6688363 | LEVA SICUREZZA |
| 259 | 6686395 | LEVA ACCELERATORE |
| 260 | 6686416 | MOLLA LEVA ACC. |
| 261 | 6685628 | SEMI IMPUGNATURA (SX) |
| 262 | 6685148 | VITE D4X15 |
| 263 | 6688088 | IMPUGNATURA LATERALE |
| 264 | 6693875 | CAVO ACC. |
| 265 | 6688262 | AMMORTIZZATORE |
| 269 | 6695194 | RONDELLA |
| 270 | 6685101 | FERMO D4E |
| 502 | 6694796 | FODERO BARRA 25CM |
| 514 | 6685256 | PROTEZIONE LAMA |
| 515 | GHATKBC10 | BARRA CARVING 25 cm - 10" |
| 516 | HGA781110 | CATENA 10" 1/4" 1,3 mm 0.50" 60 M. |
| 517 | HGA6686879 | BARRA a ROCCHETTO 25 cm - 10" |
| 518 | HGA781120 | CATENA 10" 3/8" LP 1,3 mm 0.50" 40 M. |
Scheda tecnica
Potrebbe anche piacerti