
(modificale nel modulo Rassicurazioni cliente)
(modificale nel modulo Rassicurazioni cliente)
(modificale nel modulo Rassicurazioni cliente)
Siamo Distributori di Ricambi originali CASTOR e centro di assistenza autorizzato. Garantiamo prezzi bassi e un servizio di riparazione professionale in grado di consigliarti l'acquisto del ricambio più adatto a risolvere rapidamente ogni problema di manutenzione e riparazione del Decespugliatore POWER 41 F (2007) 184122001.
Nella tabella seguente, cercate il modello della Motosega ed il rispettivo codice del ricambio.![]()
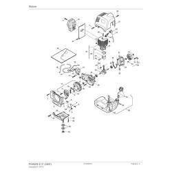
| ST. S.P.A. DECESPUGLIATORE POWER 41 F (2007) 184122001 pag.1 | ||
| Pos. | Codice | Descrizione |
| 1 | 2135040 | Vite |
| 2 | 4540800 | Carter Supporto Trasmissione |
| 3 | 2432030 | Dado |
| 4 | 2132500 | Vite |
| 5 | 2312120 | Rondella |
| 5 | 3211420 | Faston (Flex) |
| 6 | 3745530 | Gommino |
| 7 | 2653210 | Vite |
| 8 | 3654040 | Molla Frizione |
| 9 | 3L3660430/1 | Massa Frizione |
| 10 | 2321230 | Rondella |
| 11 | 2135060 | Vite |
| 12 | 2321150 | Rondella |
| 13 | 3211015 | Bobina Elettronica |
| 14 | 3211080 | Cavo Bobina |
| 15 | 3782040 | Guaina Cavi |
| 16 | 3211415 | Cavo Massa |
| 17 | 3L4251480/1 | Volano Magnete |
| 18 | 2670120 | Dado |
| 19 | 2135050 | Vite |
| 20 | 3121070 | Anello Di Tenuta |
| 21 | 3745130 | Gommino Passacavo |
| 22 | 8521010 | Coppia Carter Motore |
| 23 | 3151010 | Linguetta Volano |
| 25 | 3116100 | Gabbia A Rulli |
| 27 | 8250840 | Albero Motore |
| 28 | 3112240 | Gabbia A Rulli |
| 29 | 3750280 | Guida Passacavo |
| 30 | 3724050 | Guarnizione Carter Motore |
| 31 | 2432040 | Dado |
| 32 | 2123100 | Vite |
| 33 | 3654050 | Molla |
| 34 | 3749570 | Aggancio Avviamento |
| 35 | 8540810 | Assieme Coppa Avviamento |
| 36 | 2135180 | Vite |
| 37 | 4563663 | Cuffia Copri Cilindro Rosso |
| 38 | 4122120 | Silenziatore |
| 41 | 3724340 | Guarnizione Silenziatore |
| 42 | 3744850 | Cappuccio Candela |
| 43 | 3657530 | Terminale Filo Candela |
| 44 | 3210024 | Candela |
| 45 | 2135150 | Vite |
| 46 | 3724260 | Guarnizione Cilindro |
| 47 | 3123150 | Fascia Elastica |
| 48 | 3158260 | Spinotto Pistone |
| 49 | 3356050 | Anello Fermo Spinotto |
| 50 | 8541120 | Assieme Pistone Ø 38 |
| 51 | 8541110 | Assieme Cilindro - Pistone |
| 52 | 4253290 | Pescante Miscela |
| 53 | 8745541 | Assieme Gommino Passa tubi |
| 54 | 8741370 | Assieme Tappo Miscela |
| 55 | 4252470 | Assieme Serbatoio |
| 56 | 4122180 | Flangia Supporto Motore |
| 57 | 2330020 | Rondella |
| 58 | 2135010 | Vite |
| 59 | 2330060 | Rondella |
| 60 | 2412180 | Dado |
| 61 | 2112310 | Vite |
| 62 | 8724340 | Serie Guarnizioni |
| ST. S.P.A. POWER 41 F (2007) 184122001 pag.2 | ||
| 1 | 3724360 | Guarnizione Collettore Cilindro |
| 2 | 3750410 | Collettore Aspirazione - NON FORNIBILE |
| 3 | 2670280 | Dado |
| 4 | 2135050 | Vite |
| 5 | 3724400 | Guarnizione Collettore Carburatore |
| 6 | 3785070 | Distanziale Termico |
| 7 | 1L4353270/1 | Carburatore |
| 8 | 8750390 | Supporto Filtro Aria |
| 9 | 2312090 | Rondella |
| 10 | 2135250 | Vite |
| 11 | 3781600 | Filtro Aria |
| 12 | 4563673 | Copri Filtro Rosso |
| 13 | 2123100 | Vite |
| 14 | 3613420 | Rondella |
| 15 | 4562220 | Puleggia Avviamento |
| 16 | 3723640 | Disco Per Molla Avviamento |
| 17 | 4611480 | Molla Avviamento |
| 18 | 8563650 | Carter Avviamento |
| 19 | 2135040 | Vite |
| 20 | 3784030 | Fune Avviamento |
| 21 | 3750067 | Impugnatura Avviamento |
| 22 | 3745530 | Gommino |
| 23 | 4252680 | Assieme Avviatore |
| 24 | 3744870 | Primer |
| 25 | 4353150 | Kit Membrane-Guarnizioni Carburatore |
| 30 | 2461030 | Dado |
| ST. S.P.A. POWER 41 F (2007) 184122001 pag.3 | ||
| 1 | 4252360 | Assieme Zaino |
| 2 | 8122080 | Assieme Telaio Zaino |
| 3 | 4612280 | Piastra Supporto Motore |
| 4 | 3112170 | Cuscinetto A Sfere |
| 5 | 4612020 | Flangia Cuscinetto |
| 6 | 2112260 | Vite |
| 7 | 2312090 | Rondella |
| 8 | 2432040 | Dado |
| 9 | 3654360 | Molla |
| 10 | 2132110 | Vite |
| 11 | 2312130 | Rondella |
| 12 | 2432030 | Dado |
| 13 | 4252430 | Corda Elastica |
| ST. S.P.A. POWER 41 F (2007) 184122001 pag.4 | ||
| 1 | 3L8562620/1 | Assieme Impugnatura Posteriore |
| 2 | 2123030 | Vite |
| 3 | 2123100 | Vite |
| 4 | 3743475 | Leva Di Sicurezza |
| 5 | 3654300 | Molla |
| 7 | 3743465 | Leva Acceleratore |
| 8 | 1L3654270/1 | Molla |
| 9 | 3612710 | Lamierino Di Stop |
| 10 | 2123070 | Vite |
| 11 | 3749270 | Pomello |
| 12 | 3750290 | Riduzione |
| 13 | 123066004/0 | Cavo Acceleratore |
| 14 | 3782680 | Guaina Cavi |
| 15 | 8211390 | Coppia Cavi Stop |
| 16 | 8563600 | Ass. Impugnatura Anteriore |
| 17 | 2135050 | Vite |
| 18 | 2312090 | Rondella |
| 19 | 2412030 | Dado |
| 23 | 3614980 | Piastrina |
| 24 | 2135160 | Vite |
| 25 | 4252390 | Ass. Tubo Trasmissione |
| 26 | 8630150 | Ass. Albero Trasmissione |
| 27 | 3L4121861/1 | Ass. Campana Frizione |
| 28 | 8540910 | Ass.Supporto Trasmissione |
| 29 | 3112170 | Cuscinetto A Sfere |
| 30 | 3353080 | Anello Seeger |
| 31 | 3642420 | Perno |
| 32 | 3654170 | Molla |
| 33 | 3351050 | Fermo Spinotto |
| 34 | 3642430 | Mozzo |
| 35 | 3L4122110/1 | Albero Flessibile |
| 36 | 1L4253990/1 | Albero Flessibile J |
| 37 | 3749310 | Fascetta Ferma Cavi |
| 38 | 3750270 | Ghiera Fissaggio Impugnatura |
| 39 | 3643220 | Manicotto Filettato X Flex Ø28 |
| 40 | 3721540 | Anello Or |
| 41 | 3314040 | Spina Di Centraggio |
| 42 | 3L8563570/1 | Assieme Paraspruzzi |
| 43 | 2135030 | Vite |
| 44 | 3615000 | Lamierino Taglia filo |
| 45 | 2312150 | Rondella |
| 46 | 2432040 | Dado |
| 47 | 2312150 | Rondella |
| 48 | 2135060 | Vite |
| 53 | 3642290 | Raccordo Innesto Flex Ø28 Mm |
| ST. S.P.A. POWER 41 F (2007) 184122001 pag.5 | ||
| 1 | 3L4252790/1 | Assieme Testina Ø28 Mm - SOSTITIUITA DA TECH636124+636131 |
| 7 | 2135050 | Vite |
| 8 | 2653090 | Vite |
| 9 | 2653460 | Vite |
| 15 | 3121170 | Anello Di Tenuta |
| 16 | 3641700/1 | Collare per Testina DC D=26 05 |
| 17 | 3641640 | Ghiera Superiore |
| 18 | 3612640 | Ghiera Inferiore |
| 19 | 4560610 | Coppa Fissa |
| 22 | 4611880 | Disco 4 Punte |
| 31 | 4353240/1 | Testina 2 Fili |
Scheda tecnica
Potrebbe anche piacerti