
(modificale nel modulo Rassicurazioni cliente)
(modificale nel modulo Rassicurazioni cliente)
(modificale nel modulo Rassicurazioni cliente)
Ricambi originali Alpina e parti di ricambio per la sostituzione o la riparazione di parti danneggiate del Rasaerba a Batteria BL 340 Li/294345064/A19-2019.
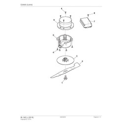
Nella tabella seguente, cercate il modello del Rasaerba ed il rispettivo codice del ricambio.![]()
| Rasaerba a Batteria BL 340 Li/294345064/A19-2019 Ricambi | ||
| Chassis E Regolazione Altezza di Taglio Pag.1 | ||
| Pos. | Codice | Descrizione |
| 1 | 322066759/0 | Chassis Grigio |
| 1 | 322066782/0 | Chassis Grigio STIGA |
| 2 | 322785426/0 | Supporto Ruota |
| 2 | 322785448/0 | Supporto Ruota |
| 3 | 322686107/0 | Ruota |
| 4 | 322110721/0 | Coprimozzo Bianco |
| 5 | 112604903/0 | Rondella |
| 6 | 122033422/0 | Asse Ruote |
| 7 | 322545142/0 | Piastrina |
| 8 | 112728714/0 | Vite |
| 9 | 322785430/0 | Leva Regolazione Altezza |
| 10 | 322524354/0 | Perno |
| 11 | 122450425/0 | Molla |
| 12 | 322869687/0 | Asta Comando Regolazione Altezza |
| 12 | 322869689/0 | Asta Comando Regolazione Altezza |
| 13 | 322785415/0 | Piastrina |
| 14 | 122033422/0 | Asse Ruote |
| 15 | 322785429/0 | Supporto Ruota |
| 15 | 322785437/0 | Supporto Ruota |
| 16 | 322686106/0 | Ruota |
| 17 | 322110685/0 | Coprimozzo Grigio |
| 18 | 322785428/0 | Supporto Ruota |
| 18 | 322785447/0 | Supporto Ruota |
| Chassis Pag.2 | ||
| 1 | 322055252/0 | Piastra Anteriore |
| 2 | 381119727/0 | Capottina Nera |
| 3 | 112728714/0 | Vite |
| 5 | 322393668/0 | Maniglia |
| 6 | 122450250/0 | Molla |
| 7 | 122512603/0 | Perno |
| 8 | 322600270/0 | Parasassi Nero |
| 9 | 322486392/0 | Sacco, Parte Inf Dx |
| 10 | 322486391/0 | Sacco, Parte Inf Sx |
| 11 | 322486358/0 | Sacco, Parte Superiore |
| 12 | 322393718/0 | Maniglia |
| 16 | 322140241/0 | Tappo Mulching |
| 20 | 322076570/1 | Chiave Sicurezza Batteria |
| 21 | 322545226/0 | Piastrina |
| 22 | 322055167/0 | Coperchio |
| 23 | 122450473/0 | Molla |
| 24 | 322600271/0 | Supporto Parasassi Nero |
| 25 | 122450472/0 | Molla |
| 26 | 322524355/0 | Perno |
| 27 | 118210028/0 | Kit Chiave Sicurezza |
| Manico, Parte Superiore Pag.3 | ||
| 1 | 322291064/0 | Semimpugnatura Sup. Salvamotore |
| 1 | 322291064/1 | Semimpugnatura Sup. Salvamotore |
| 1 | 322291068/0 | Semimpugnatura Sup. Salvamotore |
| 2 | 381600540/0 | Salvamotore |
| 2 | 381600540/1 | Salvamotore |
| 2 | 381600561/0 | Salvamotore |
| 3 | 322291065/0 | Semimpugnatura Inf. Salvamotore |
| 3 | 322291069/0 | Semimpugnatura Inf. Salvamotore |
| 4 | 112728713/0 | Vite |
| 5 | 381007532/0 | Manico, Parte Superiore |
| 6 | 122192000/1 | Fascetta |
| 7 | 112523050/0 | Rondella |
| 8 | 122524352/0 | Perno |
| 9 | 322319519/0 | Leva Fix Manico |
| 9 | 322319519/1 | Leva Fix Manico |
| 10 | 122943016/0 | Vite |
| 18 | 118566116/0 | Puntale |
| 19 | 381007529/0 | Manico, Parte Inf Dx Nero |
| 20 | 381007530/0 | Manico, Parte Inf Sx Nero |
| 21 | 112728450/0 | Vite |
| Coltello (Lama) Pag.4 | ||
| 1 | 381004352/1 | Vite |
| 2 | 181004159/0 | Lama |
| 3 | 322465653/0 | Mozzo Coltello |
| 4 | 112728699/0 | Vite |
| 5 | 322207230/0 | Flangia |
| 6 | 118563515/0 | Motore Batteria |
| 6 | 118563515/1 | Motore Batteria |
| 6 | 118563515/2 | Motore Batteria |
| 7 | 118206003/0 | Controller |
| 7 | 118206008/0 | Controller |
| 8 | 112728714/0 | Vite |
| Batteria Pag.5 | ||
| 1 | 270482010/A15 | Batteria 48V - 2Ah |
| 1 | 270484010/A15 | Batteria 48V - 4Ah |
| 2 | 270480020/A15 | Carica Bat. 48V - spina EU |
Scheda tecnica
Potrebbe anche piacerti