
(modificale nel modulo Rassicurazioni cliente)
(modificale nel modulo Rassicurazioni cliente)
(modificale nel modulo Rassicurazioni cliente)
Alpina Genuine spare parts or replacement parts for to fix Battery Lawn Mower BL 340 Li/294345064/A19-2019.
In the following table, look for the model of the Electric Lawn Mower and the respective parts of the code.![]()
| Battery Lawn Mower BL 340 Li/294345064/A19-2019 Spare Parts | ||
| Chassis Height Adjustment Pag.1 | ||
| # | Part Num. | Description |
| 1 | 322066759/0 | Gray Chassis |
| 1 | 322066782/0 | Gray STIGA Chassis |
| 2 | 322785426/0 | Wheel Support |
| 2 | 322785448/0 | Wheel Support |
| 3 | 322686107/0 | Wheel |
| 4 | 322110721/0 | Avio hub cap |
| 5 | 112604903/0 | Washer |
| 6 | 122033422/0 | Axle Wheels |
| 7 | 322545142/0 | Plate |
| 8 | 112728714/0 | Screw |
| 9 | 322785430/0 | Height Adjustment Lever |
| 10 | 322524354/0 | Pin |
| 11 | 122450425/0 | Spring |
| 12 | 322869687/0 | Height Adjustment Control Rod |
| 12 | 322869689/0 | Height Adjustment Control Rod |
| 13 | 322785415/0 | Plate |
| 14 | 122033422/0 | Axle Wheels |
| 15 | 322785429/0 | Wheel Support |
| 15 | 322785437/0 | Wheel Support |
| 16 | 322686106/0 | Wheel |
| 17 | 322110685/0 | Gray hubcap |
| 18 | 322785428/0 | Wheel Support |
| 18 | 322785447/0 | Wheel Support |
| Chassis Pag.2 | ||
| 1 | 322055252/0 | Front plate |
| 2 | 381119727/0 | Black Cover |
| 3 | 112728714/0 | Screw |
| 5 | 322393668/0 | Handle |
| 6 | 122450250/0 | Spring |
| 7 | 122512603/0 | Pin |
| 8 | 322600270/0 | Stoneguard Black |
| 9 | 322486392/0 | Bag, Right lower side |
| 10 | 322486391/0 | Bag, Left lower side |
| 11 | 322486358/0 | Bag, Upper side |
| 12 | 322393718/0 | Handle |
| 16 | 322140241/0 | Mulching cap |
| 20 | 322076570/1 | Key Security Battery |
| 21 | 322545226/0 | Plate |
| 22 | 322055167/0 | Cover |
| 23 | 122450473/0 | Spring |
| 24 | 322600271/0 | Black Stoneguard holder |
| 25 | 122450472/0 | Spring |
| 26 | 322524355/0 | Pin |
| 27 | 118210028/0 | Security Key Kit |
| Handle, Upper Side Pag.3 | ||
| 1 | 322291064/0 | Upper Half handle |
| 1 | 322291064/1 | Upper Half handle |
| 1 | 322291068/0 | Upper Half handle |
| 2 | 381600540/0 | Motor protection |
| 2 | 381600540/1 | Motor protection |
| 2 | 381600561/0 | Motor protection |
| 3 | 322291065/0 | Lower Half handle |
| 3 | 322291069/0 | Lower Half handle |
| 4 | 112728713/0 | Screw |
| 5 | 381007532/0 | Handle, Upper Side |
| 6 | 122192000/1 | Cable clamp |
| 7 | 112523050/0 | Washer |
| 8 | 122524352/0 | Pin |
| 9 | 322319519/0 | Lever |
| 9 | 322319519/1 | Lever |
| 10 | 122943016/0 | Screw |
| 18 | 118566116/0 | Pin |
| 19 | 381007529/0 | Handle, Black right lower side |
| 20 | 381007530/0 | Handle, Black right lower side |
| 21 | 112728450/0 | Screw |
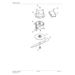
| Blade Pag.4 | ||
| 1 | 381004352/1 | Screw |
| 2 | 181004159/0 | Blade |
| 3 | 322465653/0 | Knife Hub |
| 4 | 112728699/0 | Screw |
| 5 | 322207230/0 | Flange |
| 6 | 118563515/0 | Motor Battery |
| 6 | 118563515/1 | Motor Battery |
| 6 | 118563515/2 | Motor Battery |
| 7 | 118206003/0 | Controller |
| 7 | 118206008/0 | Controller |
| 8 | 112728714/0 | Screw |
| Battery Pag.5 | ||
| 1 | 270482010/A15 | Battery 48V - 2Ah |
| 1 | 270484010/A15 | Battery 48V - 2Ah |
| 2 | 270480020/A15 | Battery Charger 48V - EU |
Data sheet
You might also like