- Online only

(modificale nel modulo Rassicurazioni cliente)
(modificale nel modulo Rassicurazioni cliente)
(modificale nel modulo Rassicurazioni cliente)
Fix Your Water High Pressure Cleaner MISSOURI 230/50 - 8.619.0001. All Spares are original and can be supplied at Low and discounted prices For Shipping. Our Spares are Genuine Parts and Come with a Full Guarantee
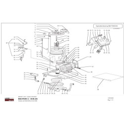
In the following tables, look for the spare part and its respective code.![]()
| MISSOURI 8.619.0001 - BOILER Pag.1 | ||
| # | Part Num. | Description |
| 001 | 3.002.0159 | SCREW M6X6 |
| 002 | 3.100.0075 | CONIC CONNECTION M 1/8 F D.4 CURVED FOR GASOIL HOSE VITON O- |
| 003 | 4.608.0145 | RILSAN GASOIL HOSE X PARANA' L=500 |
| 004 | 4.005.0194 | BOILER COVER FKX |
| 005 | 3.099.0124 | RING LOCKER X SHAFT D.42 UNI 7435 |
| 006 | 4.607.0236 | HOSE D40 L=410 |
| 007 | 3.003.0011 | NUT M6 UNI 5588 |
| 008 | 3.004.0010 | WASHER D6X11 Sp0,7 DIN6798A ZNT |
| 009 | 4.607.0238 | ROD FOR BOILER |
| 010 | 4.008.0465 | PVC PIPE |
| 011 | 3.100.0057 | CONNECTION D.4X1/8"M VITON O-RING |
| 012 | 5.009.0637 | BOILER CAP KIT |
| 013 | 4.007.0185 | SPACER FOR FIXING CLAMP |
| 014 | 3.099.0452 | WRAPPER D.20 CLAMP 20 W2 |
| 015 | 3.002.0085 | SCREW M6X40 UNI 5739 |
| 016 | 3.004.0001 | PLAIN WASHER D.6X11X0.8 UNI1736 |
| 017 | 4.008.0749 | AIR REGULATION THROTTLE FOR FKX |
| 018 | 3.551.0018 | DIESEL PUMP |
| 019 | 5.611.0043 | DIESELL FILTER UNIT JOLLY 4/93 |
| 020 | 3.002.0048 | AUTOTHREAD. SCREW TC-TC 3,9X38UNI 6954 |
| 021 | 3.004.0002 | PLAIN WASHER 4.3X9X0.8 UNI6592 |
| 022 | 5.009.0545 | TRANSFORMER 230-240/50-60 S/CAV C/PIPETTE FKX-PARANA' |
| 023 | 4.012.0102 | CABLE L=600 SEC.0,75 IEC227-3/1979 |
| 024 | 3.003.0005 | SELF-LOCKING NUT M6 UNI7474 |
| 025 | 4.008.0470 | FAN MOTOR COVER |
| 026 | 3.304.0005 | BURNER MOTOR 230/50 C/W FAN, FLANGE, CABLES AND COVER |
| 029 | 4.606.0115 | THERMOSTAT BODY FOR PARANA' |
| 030 | 3.004.0036 | COPPER WASHER 3/8 17X22 SP.1.5 |
| 031 | 3.100.0094 | ANGLE CONNECTOR 3/8 -3/8 |
| 032 | 3.004.0007 | PLAIN WASHER D.6X18X2 UNI6593 |
| 035 | 4.007.0184 | COUPLING PIPE FOR PARANA' |
| 036 | 4.008.0449 | THERMORESISTANT COUPLING BOW 17X23XL40 |
| 037 | 4.007.0158 | BOILER PAD |
| 038 | 4.008.0503 | BAND IN CERAMIC FIBER |
| 039 | 4.605.0042 | BASE FOR PARANA' BOILER |
| 040 | 4.007.0200 | WASHER20.2X26X3 |
| 041 | 4.607.0237 | RUBBER HOSE COUPLING FOR COIL |
| 042 | 4.618.0067 | HOSE 5/16 R1 15DEG. 250 BAR 3/8 F ROT.-3/8 F ROT. |
| 043 | 5.613.0154 | MOTOPUMP-BOILER SUPPORT FOR PARANA' |
| 044 | 4.008.0450 | THERMORESISTANT PAD |
| 045 | 4.008.0658 | THERMORESISTANT FELT BOTTOM PLATE X FKX/PARANA' |
| 046 | 4.008.0514 | BLACK EAGLE FOOT FOR MOTOR- PUMP SUPPORT |
| 047 | 5.001.0455 | MOTORPUMP PT'02 125h110 230/50D.12 11'35 TS IN.1,9 |
| 048 | 3.704.0007 | PRESSURE SWITCH PR5 25BAR 1/8ML.550 |
| 049 | 3.100.0023 | NIPPLE 3/8 CIL.SV. 3/8 CIL.SV |
| 050 | 4.008.0031 | INLET WATER FILTER H2O D.16 CONICAL |
| 051 | 5.009.0611 | INLET JOINT WITH GASKET |
| 053 | 3.002.0138 | SCREW TCEI M6X20 ZNT UNI 5931 |
| 054 | 4.007.0287 | FIXING CLAMP |
| 056 | 4.007.0307 | JUNCTION |
| 057 | 3.106.0004 | SECURITY VALVE G1/8 M D6 200BAR MTM 00036021 |
| 058 | 4.608.0141 | ELECTRICAL BOX BASE FOR MOTOPUMP |
| 059 | 4.608.0140 | ELECTRICAL BOX COVER FOR MOTOPUMP |
| 060 | 5.613.0155 | BOILER BODY FOR PARANA' |
| 061 | 4.604.0017 | COIL D.202 FOR PARANA' |
| 062 | 5.013.0027 | DISK HEAD HOLDER |
| 063 | 4.012.0177 | CABLE AND EYELET |
| 064 | 3.099.0297 | COMPLETE DEFLECTOR |
| 065 | 3.104.0007 | DIESEL FUEL NOZZLE 0.75 60/A |
| 066 | 4.006.0187 | NOZZLE HOLDER PIN |
| 067 | 4.008.0848 | GASKET NEW TRANSFORMER FKX |
| 068 | 5.611.0101 | CABLE |
| 069 | 3.002.0110 | SCREW 3,9X19 |
| 070 | 4.608.0071 | GUIDING CABLE COVER DASHBOARD '93 |
| 071 | 3.004.0017 | PLAIN WASHER D.5X10X1 UNI6592 |
| 073 | 3.002.0176 | SCREW M5X16 7985 |
| 074 | 3.405.0011 | TERMINAL BOARD PA 32/6 |
| 075 | 5.009.0538 | SWITCH ASSY + PROTECTION COVER14 (14) |
| 076 | 4.608.0164 | THERMOSTAT KNOB |
| 078 | 4.608.0065 | BOX DASHBOARD '93 |
| 079 | 3.404.0016 | CAPACITOR 45mF 450V D.45X90 WITHOUT CABLE FASTON M |
| 080 | 3.403.0032 | THERMOSTAT 30/90 FOR PARANA' |
| 081 | 4.608.0207 | DASHBOARD |
| 082 | 4.608.0078 | GASKET |
| 083 | 4.006.0283 | FERRULE M22x1,5 L=16. |
| 084 | 3.200.0001 | O-RING GASKET 9,92X2,62 RIF.112 |
| 085 | 4.606.0088 | RUBBER HOLDER 1/4 G M D.7 |
| 086 | 3.106.0006 | DEAREATOR FOR GASOIL PUMP |
| 087 | 5.611.0120 | DIESEL PUMP KIT |
| MISSOURI 8.619.0001 - CASING Pag.2 | ||
| 001 | 4.608.0142 | PLASTIC BASE FOR PARANA' |
| 002 | 4.613.0175 | YELLOW UPPER COVER FOR MUSSOURI |
| 003 | 4.608.0027 | BLACK PLUG D.30 FOR TANK |
| 004 | 6.605.0018 | WHEELS KIT + STUDSD.250 |
| 005 | 5.009.0431 | WIRING PARTN. 3X1,5 PVC MT 5 SCHUKO PLUG |
| 006 | 6.001.0053 | HP SPRAY GUN S'02 3/8' |
| 007 | 4.618.0049 | HOSE 1/4 R1 210BAR L=8000 3/8"F |
| 008 | 3.701.0015 | LANCE INOX L.700 +PL4/1+WASHER+ QUICK CONN.M22 |
| 010 | 5.009.0340 | QUICK COUPLING ASSY +GASKET+RING NUT |
| 011 | 3.103.0049 | HIGH PRESSURE NOZZLE 15040 1/8M (C25040) |
| 012 | 4.613.0176 | YELLOW REAR PLASTIC COVER MISSOURI |
| 013 | 4.607.0220 | AXLE FOR VICTORIA-PARANA' |
| MISSOURI 8.619.0001 - ENGINE Pag.3 | ||
| 001 | 5.009.0538 | SWITCH ASSY + PROTECTION COVER14 (14) |
| 002 | 3.406.0004 | CABLE TERMINAL PG.11 |
| 004 | 3.002.0135 | SELF-TAPPING CROSS HEAD SCREW2,9X13 UNI 6954 ZNT |
| 005 | 3.404.0016 | CAPACITOR 45mF 450V D.45X90 WITHOUT CABLE FASTON M |
| 007 | 4.008.0583 | MOTOR FAN COVER '96 WITHOUT GRILL |
| 008 | 3.099.0049 | LOCKING RING D.23 FAN FB80 |
| 009 | 4.008.0092 | FAN FB80 WITH HOLE D.16,5 (PARTNER) |
| 010 | 5.002.0121 | FRAME '96 D125 H110 230/50 2P2800W |
| 011 | 3.001.0020 | RADIAL BEARING FOR POSTERIOR FLANGE 17X40X12 6203 2RS |
| 012 | 5.005.0029 | ROTOR SHAFT 125'96 TAPERED H.110 230/50 |
| 013 | 3.002.0115 | SCREW TC M5X35 SWAGEFORM ZNT |
| 014 | 4.005.0183 | FRONT FLANGE MOTOR D.125 H.110FOR PARTNER |
| 015 | 3.201.0001 | OIL SEAL 20/35/6/6,5 BABSL |
| 016 | 3.001.0002 | BEARING BALL OBLIQUE |
| 017 | 4.005.0054 | INCLINED PLATE 9.95 11,35' SEP.01 - DISCONTINUED |
| 018 | 3.001.0003 | DISK AS 4565 |
| 019 | 3.001.0025 | NEEDLE-ROLLER CAGE Axk4565 -STTEL- |
| 020 | 4.007.0001 | THRUST SHOE D.65 (C10Pb) FINISHED |
| 021 | 5.009.0530 | TURNED BLOCK ASSY /AISI PISTON440C D.12 PARTNER |
| 022 | 3.200.0014 | O-RING GASKET 85X2,5 NITRILIC |
| 023 | 4.007.0025 | PISTON RECALL SPRING D.14 |
| 024 | 5.009.0516 | MICRO ASSY+CABLE TS MACH USA/EU |
| 025 | 4.006.0270 | TS COUPLING |
| 026 | 4.006.0269 | BRASS SPACER FOR SPRING |
| 027 | 4.007.0284 | RECALL SPRING FOR ROD |
| 028 | 3.200.0073 | OR GASKET |
| 029 | 4.008.0782 | CONTROL ROD FOR MICRO |
| 030 | 4.007.0305 | SCREW M3M25 A2-70 |
| 031 | 4.006.0272 | SEAL SEAT WITH SPACER |
| 032 | 3.200.0113 | OR GASKET OR 15.08X2.62 |
| 033 | 4.007.0285 | SPRING |
| 034 | 4.006.0268 | BRASS PISTON D.11 |
| 035 | 3.200.0059 | O-RING 7.66 X1.78 |
| 036 | 4.608.0153 | ANTIEXTRUSION O-RING D.8X11X1.5 (FOR 2031 O-RING) |
| 037 | 4.006.0273 | PISTON SEAT AND VALVE |
| 038 | 3.200.0118 | OR GASKET 14X1.78 NBR SH.90 |
| 039 | 3.200.0029 | O-RING 18,72X2,62 |
| 042 | 5.009.0503 | RUBBER HOLDER WITH DET. SUCTION M10 WITH ORING |
| 044 | 3.005.0006 | BALL D.5.55 INOX 420 B |
| 045 | 4.007.0014 | DETERG.STOP VALVE SPRING 4X8 ESP.3 |
| 046 | 4.005.0217 | BODY GUIDE D.12 COMPLETE VALVE'02 S/REG.ING.WATER M20 |
| 048 | 5.609.0041 | NON RETURN VALVE + OR ASSEMBLY |
| 049 | 4.007.0324 | SPRING FOR CHECK VALVE WIRE D.0.5 |
| 051 | 5.009.0497 | INJECTOR ASSY D.1,9 +OR |
| 052 | 3.200.0017 | O-RING GASKET 9,13X2,62 REF.109 |
| 053 | 3.200.0013 | O-RING 11,1X1,78 |
| 054 | 3.201.0014 | OIL SEAL RING D.12X20X5/7 |
| 055 | 3.002.0094 | SCREW TCEI M6X30 ZNT |
| 056 | 5.009.0101 | CAP VALVE SUCTION DELIVERY-ORMOUNTED |
| 057 | 5.009.0005 | DELIVERY SUCTION VALVE LAVOR |
| 058 | 3.200.0019 | O-RING 12.4X1.78 SH.90 |
| 059 | 3.107.0006 | D.40 0/300 BAR 1/8 GLYCERIN MANOMETER |
| 062 | 3.200.0018 | OR-RING GASKET 9.92X2.62 SHORE90 |
| 064 | 4.008.0657 | OIL SPACER D.12 |
| 065 | 4.006.0251 | PIECE FOR SUPPORT PARTNER D.12 |
| 066 | 3.202.0003 | ANTIEXTRUSION PARKER WB1218PS033 |
| 067 | 3.201.0027 | WATER HOLD-RINGW21218Q5018 (NERE PARKER) |
| 068 | 5.009.0015 | COMPLETE SUCTION VALVE |
| 069 | 4.006.0256 | BRASS PARTNER HEAD D.18 |
| 070 | 3.002.0130 | HEXAGON SOCKET HEAD CAP SCREWM6X70 CL.12,9 UNI5931 DACROMET |
| 071 | 4.008.0031 | INLET WATER FILTER H2O D.16 CONICAL |
| 082 | 5.006.0156 | 99 MOTOR D. 125 H110 230/50 |
| 083 | 5.007.0166 | PISTON BODY GUIDE D.12 +IN.1,9S/REX. TS ING.M20 CER |
| 084 | 5.008.0173 | BRASS PARTNER HEAD D.12 |
| 085 | 3.704.0006 | PRESSSURE SWITCH 25BAR 1/8 L=700 FASTON F. |
| 087 | 3.406.0011 | BUSHING FOR PG.11 CABLE TERMINAL |
| 088 | 5.009.0315 | CAP FOR VALVE 1/8 INL./OUTL. WITH OR |
| 099 | 3.100.0025 | ELBOW 1/8 M-1/8 F |
Data sheet
You might also like