Michelin Spare Parts for Piston Air Compressor MB24
search
  • Michelin Spare Parts for Piston Air Compressor MB24
  • Michelin Spare Parts for Piston Air Compressor MB24-50-100

Michelin Spare Parts for Piston Air Compressor MB24

€4.34
Tax included

Michelin Spare Parts for Piston Air Compressor MB24

We have the original Michelin Spare Parts for Piston Air Compressor MB24, the diagram, parts list and tool repair that help you need to get your tools running like new again.

Fix Your Air Compressors MB24 - GM142. All Spares are original and can be supplied at Low and discounted prices. Our Spares are Genuine Parts and Come with a Full Guarantee.
ITEM CODE: 7023040000
Quantity
Usually Ships in: 10/15 Business Days Approx.

  Politiche per la sicurezza

(modificale nel modulo Rassicurazioni cliente)

  Politiche per le spedizioni

(modificale nel modulo Rassicurazioni cliente)

  Politiche per i resi

(modificale nel modulo Rassicurazioni cliente)

Michelin Spare Parts for Piston Air Compressor MB24

Fix Your Air Compressors MB24 - GM142. All Spares are original and can be supplied at Low and discounted prices For Shipping. Our Spares are Genuine Parts and Come with a Full Guarantee.

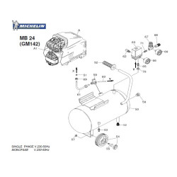
In the following table, look for the type of the air compressor and the respective parts of the code.
MB 24 GM142 - da 01/05/2009

MB 24_GM142 data validità - da 01/05/2009
# Part Num. Description
A 9104890000 Pump Unit GM 142B V230 / 50 + CAREN.NERA
50 9100010550 TANK 24LT. GM192-193-244 CE87
51 7041070000 Ogiva tube Ø10
52 7280070000 knob
53 7130160000 Draining tap M3/8"
54 7260160000 Wheel Ø125X35-F15
55 7018290000 wheel axle
56 7329070000 power cable
57 7020080000 Nut M10 UNI-5588
58 7090030000 Cap M1/2"
59 7190180000 Check valve MM 1.2"x3/8"-sx
60 7230010000 Rilsan tube Ø6X4
61 9700000342 Feed PIPE
62 7192020000 Valve Sic. M1 / 4-8,5Bar
63 7250740000 pressure
65 7081140000 Fitting 1/4 "MM
66 7110450000 manometer
67 7100640000 Pressure reducer
68 7130570000 Tap Universal M1/4"
69 7024140000 Nut 3/8"
70 7023040000 Locknut 1/4"
71 7081090000 Fitting 1/4" MM
All product specifications in this catalog are based on information taken from official sources, including the official manufacturer’s Fiac websites, which we consider as reliable. Unfortunately, even the official documents may contain mistakes and printing errors – we are not able to confirm that all of these data are precise and represent the facts. Most of the manufacturers reserve the right to change the product characteristics or complement without notice. We strongly recommend using the published information as a basic information subject to Fiac brand review. Please refine the important parameters by the selling assistant when making a purchase. All content included in this catalog is the intellectual property of www.bricoutensili.com. Any publication or copying (full or partial) without a reference to the source page is prohibited.
MB 24 GM142 - da 01/05/2009
6 Items

Data sheet

SHIPPING IN:
Usually Ships in: 10/15 BUSINESS DAYS APPROX.
MORE INFO:
info@bricoutensili.com
New

Download

You might also like

Comments (0)
No customer reviews for the moment.