
(modificale nel modulo Rassicurazioni cliente)
(modificale nel modulo Rassicurazioni cliente)
(modificale nel modulo Rassicurazioni cliente)
Fix Your Planer PHO 150 - 0603258003. All Spares are Ready For Quick Delivery. Our Spares are Genuine Parts and Come with a Full Guarantee.
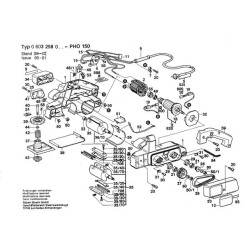
In the following table, look for the model of the Planer and the respective parts of the code.![]()
| Planer PHO 150/0 603 258 003 | ||
| # | Part Num. | Description |
| 1 | 2605104214 | Housing Section GREEN |
| 2 | 1604220194 | Field 240V |
| 4 | 2607200084 | Switch |
| 6 | 1600703016 | Grommet Ø6,4-Ø7,5x75 MM |
| 7 | 2601035001 | Cable Clip |
| 9 | 1601110481 | Manufacturer's nameplate SHADOW SIDE |
| 11 | 1607328028 | Suppression Filter |
| 12 | 1601110183 | Sticker |
| 15 | 1604448004 | Connecting Cable |
| 18 | 2606610049 | Fan |
| 19 | 2604449027 | Brush Holder |
| 20 | 2910211019 | Tapping Screw DIN 7971-ST3,9x16-F |
| 21 | 2600905052 | groove ball bearing 8x22x7 |
| 22 | 2600910001 | Needle-Roller Bearing Ø14 MM |
| 24 | 1601099010 | Scale Window |
| 25 | 2600100588 | Shim 0,5 MM |
| 26 | 1606625026 | Toothed Belt Wheel Z=19 |
| 27 | 1606625025 | Toothed Belt Wheel Z=43 |
| 28 | 1604736004 | Toothed Belt 14 MM |
| 29 | 1600206024 | Intermediate Ring |
| 30 | 2910211005 | Tapping Screw DIN 7971-ST2,9x9,5-F |
| 31 | 1600190016 | Tab Washer |
| 32 | 1600591006 | Air-Deflector Ring |
| 33 | 1605510140 | Gear Cover BLACK |
| 34 | 1605510141 | Covering hood BLACK |
| 35 | 2603204900 | Planer Head |
| 35/20 | 1601234002 | Leaf Spring |
| 35/30 | 2608040025 | Pressure Bar |
| 35/40 | 1601330010 | Support clamp |
| 35/60 | 2910021125 | Socket head cap screw DIN 84-AM4x15-8.8 |
| 35/70 | 2912081193 | Set screw M 6x12 DIN 915-45H |
| 36 | 1605510142 | Protective Cover |
| 36/10 | 1600410003 | Slotted Spring Pin |
| 37 | 1605190031 | Adjusting Slide |
| 38 | 1608000091 | Base Plate |
| 39 | 1606621003 | Graduated Dial |
| 40 | 3603450005 | Hex Screw |
| 42 | 1604619017 | Compression Spring |
| 43 | 3603342003 | Adjusting Nut |
| 44 | 1600100617 | Shim 0,5 MM THICK |
| 47 | 1605510139 | Protective Cover |
| 48 | 1604651007 | Compression Spring |
| 49 | 2600905051 | groove ball bearing 7x19x6 |
| 50 | 2915011007 | Hex Nut DIN 934-M6-8-A |
| 50/1 | 2915011007 | Hex Nut DIN 934-M6-8-A |
| 51 | 1601099011 | Adjusting Slide BLACK |
| 52 | 1601006006 | Rubber band |
| 54 | 1907950004 | Offset Screwdriver DIN 911, SW3 |
| 55 | 1600502011 | Intermediate Ring |
| 56 | 2603410001 | Socket head cap screw M3x6,5-4.8 |
| 58 | 2917760073 | Slotted Spring Pin 3x5 DIN 1481 |
| 59 | 1605500124 | Handle Cover GREEN |
| 60 | 2916060007 | Spring Washer DIN 137-A 6-ST |
| 700 | 1608132006 | Depth-Gauge |
| 700/10 | 1601331039 | Stop Bracket |
| 700/20 | 2603480003 | Wing Screw M 6x16 MM |
| 700/30 | 2916011014 | Plain Washer DIN 125-A 6,4-ST |
| 700/40 | 1610210043 | O-Ring 4,0x1,5 MM |
| 701 | 603095002 | Base |
| 701/20 | 2603480003 | Wing Screw M 6x16 MM |
| 701/30 | 1601110005 | Manufacturer's nameplate |
| 701/40 | 1602380012 | Rubber Ring |
| 701/50 | 1608000104 | Guide Rail |
| 702 | 1605411022 | Chips Bag |
| 702/10 | 1605190030 | Fitting |
| 702/20 | 1605703073 | Clamping Piece |
| 702/30 | 2608045003 | Retaining Bracket |
| 702/40 | 1605411022 | Chips Bag |
| 702/50 | 2603490017 | Torx Oval-Head Screw 3x10 |
| 703 | 1607000154 | Connecting Pipe Ø 35 MM |
| 704 | 1608132007 | Width Stop |
| 704/10 | 1610210043 | O-Ring 4,0x1,5 MM |
| 704/20 | 2916011014 | Plain Washer DIN 125-A 6,4-ST |
| 704/30 | 2603480003 | Wing Screw M 6x16 MM |
| 704/40 | 1601332018 | Stop Bracket |
| 704/50 | 2910281203 | Round-Head Bolt DIN 603-M6x25 |
| 704/60 | 1603339006 | Wing Nut M6 |
| 704/70 | 2910281196 | Round-Head Bolt M6x15 DIN 603 |
| 704/80 | 1608000092 | Stop Plate |
| 704/90 | 2916011010 | Plain Washer DIN 125-A4,3-ST |
| 704/100 | 2917190492 | Tubular rivet B 4x0,5x15 DIN 734 |
| 704/110 | 1608000093 | Stop Bracket |
| 706 | 2607000096 | Planing Knife |
| 800 | 1607014117 | Carbon Brush |
| 830 | 1604010236 | Armature 220V |
| 835 | 1607000386 | Power supply cord EU 230V 4,15m 2 x 1,0mm H05 RN-F |
| 888 | 160111A3H3 | Nameplate |
Data sheet
You might also like