
(modificale nel modulo Rassicurazioni cliente)
(modificale nel modulo Rassicurazioni cliente)
(modificale nel modulo Rassicurazioni cliente)
Alpina-Stiga-Castor-Castelgarden-Mountfield Authorized Technical Assistance and original spare parts Worldwide Distributors and wholesalers. We offer low prices and a professional repair service able to advise you for to buy the most suitable spare part to quickly solve any maintenance and repair issues for Petrol Lawn Mower AL3 51 SBQ/295546820/A19-2019.
In the following table, look for the model of the Lawn Mower and the respective parts of the code.![]()
| Petrol Lawn Mower AL3 51 SBQ/295546820/A19-2019 | ||
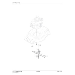
| Chassis Pag.1 | ||
| # | Part Num. | Description |
| 1 | 381004941/0 | Red chassis |
| 1 | 381004941/1 | Red Chassis Side Exit |
| 2 | 322108308/1 | Rear Baffle |
| 3 | 112728699/0 | Screw |
| 4 | 322108302/0 | Rear Baffle To 31-August-2017 |
| 4 | 322108392/0 | Rear Baffle From 01-September-2018 |
| 5 | 112728699/0 | Screw |
| 6 | 322545213/0 | Plate |
| 7 | 381005167/1 | Left bracket |
| 8 | 112727801/0 | Screw |
| 9 | 381005165/1 | Right bracket |
| 10 | 322060250/1 | Belt Protection Guard |
| 11 | 322140244/1 | Mulching Deflector |
| 12 | 112728531/0 | Screw |
| 13 | 322820077/1 | Plug |
| 14 | 112728450/0 | Screw |
| 15 | 119035000/0 | Or ring |
| 16 | 322034002/0 | Water washing connection |
| 17 | 322055606/0 | Insert |
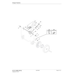
| Height Adjustment Pag.2 | ||
| 1 | 381302853/0 | Front wheel axle |
| 2 | 322545142/0 | Plate |
| 3 | 112728698/0 | Screw |
| 4 | 112521350/0 | Washer |
| 5 | 112155000/0 | Nut |
| 6 | 112436051/0 | plate |
| 7 | 322869679/0 | Height Adjustment Control Rod |
| 8 | 122519823/0 | Pin |
| 9 | 122446193/0 | Spring |
| 10 | 322600145/0 | Wheel protection |
| 11 | 112728698/0 | Screw |
| 12 | 322545152/0 | Plate |
| 13 | 381302849/0 | Rear Wheel Axle |
| 14 | 122534131/0 | Pin |
| 15 | 381003458/0 | Height Adjustment Lever |
| 16 | 122446192/0 | Spring |
| 17 | 112154510/0 | Nut |
| 18 | 322600240/0 | Inner Wheel Wheel |
| 21 | 112521350/0 | Washer |
| 22 | 112155000/0 | Nut |
| Cover Pag.3 | ||
| 1 | 322226267/0 | Cover, Black |
| 2 | 322393772/0 | Front handle |
| 3 | 322055603/0 | Insert |
| 4 | 112728698/0 | Screw |
| Handle, Lower Part Pag.4 | ||
| 1 | 381006785/0 | Handle, Lower Part |
| 2 | 112819110/0 | Screw |
| 3 | 122671651/0 | Washer |
| 4 | 122399900/0 | Knob |
| 5 | 112293200/0 | Nut |
| 7 | 112818900/0 | Screw |
| 9 | 122399900/0 | Knob |
| 10 | 112293200/0 | Nut |
| 11 | 112155000/0 | Nut |
| 12 | 112521350/0 | Washer |
| 13 | 112369500/0 | Elastic disc |
| 14 | 112760605/0 | Screw |
| 15 | 381008691/0 | Screws |
| Handle, Upper Side Pag.5 | ||
| 1 | 381006739/0 | Handle, Upper Side |
| 1 | 381006739/1 | Handle, Upper Side |
| 1 | 381006739/2 | Handle, Upper Side |
| 1 | 381006745/0 | Handle, Upper Side With Sponge Handle |
| 1 | 381006745/1 | Handle, Upper Side With Sponge Handle |
| 1 | 381006745/2 | Handle, Upper Side With Sponge Handle |
| 1 | 381006745/3 | Handle, Upper Side Black with sponge grip |
| 2 | 122430313/0 | Guide spring |
| 3 | 112521330/0 | Washer |
| 4 | 112154510/0 | Nut |
| 5 | 118390020/0 | Cable clip |
| 6 | 181003363/0 | Black Motor Brake Lever |
| 6 | 181003363/1 | Black Motor Brake Lever |
| 7 | 181030087/0 | Motor Brake Cable |
| 8 | 112727783/0 | Screw |
| 9 | 112154510/0 | Nut |
| 10 | 181003364/0 | Traction Control Lever |
| 11 | 381030051/0 | Traction Control Cable |
| 12 | 322551640/0 | Plate |
| Traction Group Pag.6 | ||
| 1 | 112608600/0 | Seeger |
| 2 | 122570134/0 | Left pinion |
| 3 | 122570133/0 | Right pinion |
| 4b | 322042067/0 | Bush |
| 5 | 112521371/0 | Washer |
| 6 | 181003092/0 | Traction group |
| 7 | 122601904/0 | Pulley |
| 7 | 122601909/0 | Pulley |
| 8 | 112645705/0 | Elastic pin |
| 9 | 122033283/0 | Adjustment rod |
| 10 | 135064196/0 | Belt |
| 11 | 122041957/1 | Bushing |
| 12 | 122450063/0 | Spring |
| 13 | 322680009/0 | Washer |
| 14 | 112154510/0 | Nut |
| 15 | 122110230/0 | Hubcap |
| 16 | 122753000/0 | Pin |
| Wheel Pag.7 | ||
| 1 | 381007483/0 | Wheel Ø 200 |
| 1 | 381007483/1 | Wheel Ø 200 |
| 1 | 381007483/2 | Wheel Ø 200 |
| 2 | 119216035/0 | Bearing |
| 3 | 322110687/0 | Gray hubcap |
| 5 | 381007479/0 | Wheel Ø 280 |
| 5 | 381007479/1 | Wheel Ø 280 |
| 5 | 381007479/2 | Wheel Ø 280 |
| 6 | 119216035/0 | Bearing |
| 7 | 112728706/0 | Screw |
| 8 | 322120115/0 | Crown |
| 9 | 322110641/0 | Gray hubcap |
| Rear conveyor Pag.8 | ||
| 1 | 322108309/1 | Rear conveyor |
| 3 | 112727803/0 | Screw |
| 4 | 322806659/0 | Pin |
| 5 | 112154510/0 | Nut |
| 6 | 118203853/0 | Cap |
| 7 | 122450456/0 | Spring |
| 7 | 122450456/1 | Spring |
| 8 | 122517869/1 | Pin |
| 9 | 112604896/0 | Crown Fixator |
| 10 | 122517876/0 | Pin |
| 11 | 322783013/0 | Safety |
| 12 | 122450493/0 | Spring |
| 13 | 381008161/0 | Side Discharge Assy |
| 13 | 381008161/1 | Side Discharge Assy |
| Blade Pag.9 | ||
| 1 | 112735108/1 | Screw |
| 2 | 122465607/4 | Hub With Pulley, Drive Shaft Ø 22.2 |
| 3 | 181004462/0 | Lama |
| 4 | 322680021/0 | Washer |
| 4 | 322680021/1 | Washer |
| 5 | 112508128/0 | Elastic disc |
| 6 | 112735698/0 | Screw |
| 7 | 112139100/0 | Woodruff Key |
| Bag Pag.10 | ||
| 1 | 322785331/0 | Black Stones Guard Support |
| 2 | 122450464/0 | Spring |
| 3 | 322109556/0 | Cover Stone guard, Yellow |
| 3 | 322109557/0 | Cover Stone guard, Grey |
| 4 | 112728699/0 | Screw |
| 5 | 322600206/1 | Black stone guard |
| 5 | 322600214/1 | Yellow stone guard |
| 5 | 322600216/1 | Gray stone guard |
| 6 | 322393644/0 | Black bag handle |
| 6 | 322393715/0 | Gray Bag Handle |
| 7 | 381486018/0 | Bag, Upper Side Black |
| 7 | 381486029/0 | Bag, Upper Side Grey |
| 8 | 122608561/0 | Lower reinforcement |
| 8 | 122608561/1 | Lower reinforcement |
| 9 | 112728692/0 | Screw |
| 10 | 322545159/0 | plate |
| 11 | 181002318/0 | Bag, Canvas |
| 12 | 381008163/0 | Black Stone guard assy |
| 12 | 381008164/0 | Yellow Stone guard assy |
| 12 | 381008166/0 | Grey Stone guard assy |
| 13 | 381008735/0 | Plastic pin |
Data sheet
You might also like