
(modificale nel modulo Rassicurazioni cliente)
(modificale nel modulo Rassicurazioni cliente)
(modificale nel modulo Rassicurazioni cliente)
Distribuzione e Vendita di Ricambi ed Accessori Originali Alpina-Stiga-Castor-Castelgarden-Mountfield, prezzi bassi e un servizio di Assistenza Tecnica con riparazione professionale in grado di consigliarti l'acquisto di pezzi di ricambio più adatti a risolvere rapidamente ogni problema di manutenzione del Rasaerba a Scoppio AL3 51 SBQ/295546820/A19-2019.
Nella tabella seguente, cercate il modello del Rasaerba ed il rispettivo codice del ricambio.![]()
| Rasaerba a Scoppio AL3 51 SBQ/295546820/A19-2019 | ||
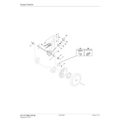
| Chassis Pag.1 | ||
| Pos. | Codice | Descrizione |
| 1 | 381004941/0 | Chassis Rosso |
| 1 | 381004941/1 | Chassis Rosso Uscita Laterale |
| 2 | 322108308/1 | Convogliatore Posteriore |
| 3 | 112728699/0 | Vite |
| 4 | 322108302/0 | Convogliatore Posteriore To 31-August-2017 |
| 4 | 322108392/0 | Convogliatore Posteriore From 01-September-2018 |
| 5 | 112728699/0 | Vite |
| 6 | 322545213/0 | Piastrina |
| 7 | 381005167/1 | Staffa Sinistra |
| 8 | 112727801/0 | Vite |
| 9 | 381005165/1 | Staffa Destra |
| 10 | 322060250/1 | Carter Cinghia |
| 11 | 322140244/1 | Mulching Deflector |
| 12 | 112728531/0 | Vite |
| 13 | 322820077/1 | Tappo |
| 14 | 112728450/0 | Vite |
| 15 | 119035000/0 | Anello Or |
| 16 | 322034002/0 | Attacco Acqua Lavaggio |
| 17 | 322055606/0 | Inserto |
| Regolazione Altezza di Taglio Pag.2 | ||
| 1 | 381302853/0 | Asse Ruote Anteriore |
| 2 | 322545142/0 | Piastrina |
| 3 | 112728698/0 | Vite |
| 4 | 112521350/0 | Rondella |
| 5 | 112155000/0 | Dado |
| 6 | 112436051/0 | Piastrina |
| 7 | 322869679/0 | Asta Comando Regolazione Altezza |
| 8 | 122519823/0 | Perno |
| 9 | 122446193/0 | Molla |
| 10 | 322600145/0 | Protezione Ruota |
| 11 | 112728698/0 | Vite |
| 12 | 322545152/0 | Piastrina |
| 13 | 381302849/0 | Asse Ruote Posteriore |
| 14 | 122534131/0 | Perno |
| 15 | 381003458/0 | Leva Regolazione Altezza |
| 16 | 122446192/0 | Molla |
| 17 | 112154510/0 | Dado |
| 18 | 322600240/0 | Protezione Ruota |
| 21 | 112521350/0 | Rondella |
| 22 | 112155000/0 | Dado |
| Mascherina Pag.3 | ||
| 1 | 322226267/0 | Mascherina, Nero |
| 2 | 322393772/0 | Maniglia Anteriore |
| 3 | 322055603/0 | Inserto |
| 4 | 112728698/0 | Vite |
| Manico, Parte Inferiore Pag.4 | ||
| 1 | 381006785/0 | Manico, Parte Inferiore |
| 2 | 112819110/0 | Vite |
| 3 | 122671651/0 | Rondella |
| 4 | 122399900/0 | Manopola |
| 5 | 112293200/0 | Dado |
| 7 | 112818900/0 | Vite |
| 9 | 122399900/0 | Manopola |
| 10 | 112293200/0 | Dado |
| 11 | 112155000/0 | Dado |
| 12 | 112521350/0 | Rondella |
| 13 | 112369500/0 | Disco Elastico |
| 14 | 112760605/0 | Vite |
| 15 | 381008691/0 | Dotazione Viteria |
| Manico, Parte Superiore Pag.5 | ||
| 1 | 381006739/0 | Manico, Parte Superiore |
| 1 | 381006739/1 | Manico, Parte Superiore |
| 1 | 381006739/2 | Manico, Parte Superiore |
| 1 | 381006745/0 | Manico, Parte Sup. Con Impugantura In Spugna |
| 1 | 381006745/1 | Manico, Parte Sup. con impugantura in spugna |
| 1 | 381006745/2 | Manico, Parte Sup. con impugantura in spugna |
| 1 | 381006745/3 | Manico, Parte Sup. Nero con impugantura in spugna |
| 2 | 122430313/0 | Molla Guida |
| 3 | 112521330/0 | Rondella |
| 4 | 112154510/0 | Dado |
| 5 | 118390020/0 | Fermacavo |
| 6 | 181003363/0 | Leva Freno Motore Nero |
| 6 | 181003363/1 | Leva Freno Motore Nera |
| 7 | 181030087/0 | Cavo Freno Motore |
| 8 | 112727783/0 | Vite |
| 9 | 112154510/0 | Dado |
| 10 | 181003364/0 | Leva Comando Trazione |
| 11 | 381030051/0 | Cavo Comando Trazione |
| 12 | 322551640/0 | Piastrina |
| Gruppo Trazione Pag.6 | ||
| 1 | 112608600/0 | Seeger |
| 2 | 122570134/0 | Pignone Sinistro |
| 3 | 122570133/0 | Pignone Destro |
| 4b | 322042067/0 | Boccola |
| 5 | 112521371/0 | Rondella |
| 6 | 181003092/0 | Gruppo Trazione |
| 7 | 122601904/0 | Puleggia |
| 7 | 122601909/0 | Puleggia |
| 8 | 112645705/0 | Spina Elastica |
| 9 | 122033283/0 | Asta Regolazione |
| 10 | 135064196/0 | Cinghia |
| 11 | 122041957/1 | Boccola |
| 12 | 122450063/0 | Molla |
| 13 | 322680009/0 | Rondella |
| 14 | 112154510/0 | Dado |
| 15 | 122110230/0 | Coprimozzo |
| 16 | 122753000/0 | Spina |
| Ruote e Coprimozzi Pag.7 | ||
| 1 | 381007483/0 | Ruota Ø 200 |
| 1 | 381007483/1 | Ruota Ø 200 |
| 1 | 381007483/2 | Ruota Ø 200 |
| 2 | 119216035/0 | Cuscinetto |
| 3 | 322110687/0 | Coprimozzo Grigio |
| 5 | 381007479/0 | Ruota Ø 280 |
| 5 | 381007479/1 | Ruota Ø 280 |
| 5 | 381007479/2 | Ruota Ø 280 |
| 6 | 119216035/0 | Cuscinetto |
| 7 | 112728706/0 | Vite |
| 8 | 322120115/0 | Corona Trascinamento |
| 9 | 322110641/0 | Coprimozzo Grigio |
| Scarico Laterale Pag.8 | ||
| 1 | 322108309/1 | Convogliatore Posteriore |
| 3 | 112727803/0 | Vite |
| 4 | 322806659/0 | Perno Fulcro |
| 5 | 112154510/0 | Dado |
| 6 | 118203853/0 | Cappuccio |
| 7 | 122450456/0 | Molla |
| 7 | 122450456/1 | Molla |
| 8 | 122517869/1 | Perno |
| 9 | 112604896/0 | Fissatore A Corona |
| 10 | 122517876/0 | Perno |
| 11 | 322783013/0 | Sicura |
| 12 | 122450493/0 | Molla |
| 13 | 381008161/0 | Ass. Scarico Laterale |
| 13 | 381008161/1 | Ass. Scarico Laterale |
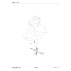
| Coltello (Lama) Pag.9 | ||
| 1 | 112735108/1 | Vite |
| 2 | 122465607/4 | Mozzo Con Puleggia, Albero Motore Ø 22.2 |
| 3 | 181004462/0 | Lama |
| 4 | 322680021/0 | Rondella |
| 4 | 322680021/1 | Rondella |
| 5 | 112508128/0 | Disco Elastico |
| 6 | 112735698/0 | Vite |
| 7 | 112139100/0 | Linguetta |
| Sacco Di Raccolta Pag.10 | ||
| 1 | 322785331/0 | Supporto Fulcro Parasassi Nero |
| 2 | 122450464/0 | Molla |
| 3 | 322109556/0 | Copertura Parasassi, Giallo |
| 3 | 322109557/0 | Copertura Parasassi, Grigio |
| 4 | 112728699/0 | Vite |
| 5 | 322600206/1 | Parasassi Nero |
| 5 | 322600214/1 | Parasassi Giallo |
| 5 | 322600216/1 | Parasassi Grigio |
| 6 | 322393644/0 | Maniglia Sacco Nera |
| 6 | 322393715/0 | Maniglia Sacco Grigia |
| 7 | 381486018/0 | Sacco, Parte Superiore Nero |
| 7 | 381486029/0 | Sacco, Parte Superiore Grigio |
| 8 | 122608561/0 | Rinforzo Inferiore |
| 8 | 122608561/1 | Rinforzo Inferiore |
| 9 | 112728692/0 | Vite |
| 10 | 322545159/0 | Piastrina |
| 11 | 181002318/0 | Sacco, Tela |
| 12 | 381008163/0 | Assieme Parasassi Nero |
| 12 | 381008164/0 | Assieme Parasassi Giallo |
| 12 | 381008166/0 | Assieme Parasassi Grigio |
| 13 | 381008735/0 | Dotazione Piolino in Plastica |
Scheda tecnica
Potrebbe anche piacerti