
(modificale nel modulo Rassicurazioni cliente)
(modificale nel modulo Rassicurazioni cliente)
(modificale nel modulo Rassicurazioni cliente)
and original spare parts Worldwide Distributor. We offer low prices and a professional repair service able to advise you for to buy the most suitable spare part to quickly solve any maintenance and repair issues for Lawn Mower BL 380 EP/294380064/A19-2019.
In the following table, look for the model of the Lawn Mower and the respective parts of the code.![]()
| Lawn Mower BL 380 EP/294380064/A19-2019 | ||
| Chassis Pag.1 | ||
| 2 | 322785387/0 | Wheel Support |
| 2 | 322785450/0 | Wheel Support |
| 3 | 322686105/0 | Wheel |
| 4 | 322110637/0 | Gray hubcap |
| 5 | 112604903/0 | Washer |
| 6 | 122033425/0 | Rear Wheel Axle |
| 7 | 322545142/0 | Plate |
| 8 | 112728714/0 | Screw |
| 9 | 322785388/0 | Height Adjustment Lever |
| 9 | 322785388/1 | Height Adjustment Lever |
| 9 | 322785443/0 | Height Adjustment Lever |
| 9 | 322785443/1 | Height Adjustment Lever |
| 10 | 322524354/0 | Pin |
| 11 | 122446195/0 | Spring |
| 12 | 322869680/0 | Height Adjustment Control Rod |
| 12 | 322869690/0 | Height Adjustment Control Rod from 01-September-2014 |
| 13 | 322785415/0 | Plate |
| 14 | 122033424/0 | Rear Wheel Axle |
| 15 | 322785386/0 | Wheel Support |
| 15 | 322785438/0 | Wheel Support |
| 16 | 322686104/0 | Wheel |
| 17 | 322110685/0 | Gray hubcap |
| 18 | 322785385/0 | Wheel Support |
| 18 | 322785449/0 | Wheel Support |
| Chassis Pag.2 | ||
| 1 | 322055168/0 | Front plate |
| 1 | 322055252/0 | Front plate |
| 2 | 322055161/0 | Red hood |
| 2 | 322055208/0 | Red hood |
| 2 | 322055210/0 | Black Hood |
| 2 | 322055212/0 | Red hood |
| 3 | 112728714/0 | Screw |
| 4 | 322393661/0 | Hood |
| 4 | 322393661/1 | Hood |
| 4 | 322393726/0 | Hood |
| 5 | 322393668/0 | Handle |
| 5 | 322393725/0 | Handle |
| 6 | 122450470/0 | Spring |
| 7 | 322524356/0 | Pin |
| 8 | 322600235/0 | Stone guard |
| 8 | 322600291/0 | Stone guard |
| 9 | 322486299/0 | Bag Lower Side Right |
| 9 | 322486404/0 | Bag Lower Side Right |
| 10 | 322486300/0 | Bag Lower Side Left |
| 10 | 322486403/0 | Bag Lower Side Left |
| 11 | 322486330/0 | Black Side Upper bag |
| 16 | 322140242/0 | Mulching cap |
| 17 | 322393676/0 | Motor Protection |
| 17 | 322393774/0 | Motor Protection |
| 18 | 322393670/0 | Right Engine Cover |
| 19 | 322393671/0 | Left Engine Cover |
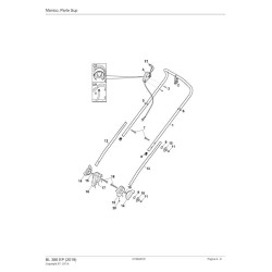
| Handle Upper Side Pag.3 | ||
| CE | 381600547/2 | EC motor protector |
| UK | 381600548/2 | UK motor protection |
| 1 | 381007516/0 | Handle, Upper Part |
| 2 | 322195101/4 | Cable Clamb |
| 3 | 112728701/0 | Screw |
| 4 | 381600547/0 | EC motor protector |
| 4 | 381600547/1 | EC motor protector |
| 4 | 381600547/2 | EC motor protector |
| 5 | 122192000/1 | Clamp |
| 6 | 122192151/0 | Clamp |
| 7 | 122943016/0 | Screw |
| 8 | 118566112/0 | Polyethylene pin |
| 9 | 112523050/0 | Washer |
| 10 | 122399900/0 | Knob |
| 11 | 112154521/0 | Nut |
| 12 | 381007517/0 | Handle, Lower righr side |
| 13 | 381007518/0 | Handle, Lower left side |
| 14 | 322246102/0 | Joint |
| 15 | 122430210/0 | Bearing |
| 16 | 322745055/0 | Right Joint |
| 17 | 112728714/0 | Screw |
| 18 | 122943017/0 | Screw |
| 19 | 322745056/0 | Left Joint |
| 20 | 112521320/0 | Washer |
| 21 | 322319529/0 | Motor Protection Lever |
| Motor Blade Pag.4 | ||
| 1 | 112728699/0 | Screw |
| 3 | 112523020/0 | Washer |
| 4 | 118563696/0 | 1600W Electric Motor |
| 4 | 118563696/1 | 1600W Electric Motor |
| 4 | 118563696/2 | 1600W Electric Motor |
| 5 | 322465644/0 | Hub |
| 5 | 322465644/1 | Hub |
| 6 | 181004154/0 | Blade |
| 6 | 181004160/0 | Blade |
| 7 | 381004352/1 | Screw |
| 9 | 118810092/0 | Belt |
Data sheet
You might also like