
(modificale nel modulo Rassicurazioni cliente)
(modificale nel modulo Rassicurazioni cliente)
(modificale nel modulo Rassicurazioni cliente)
We are ALPINA authorized service center and original spare parts Distributors. We offer low prices and a professional repair service able to advise you for to purchase the most suitable spare part to quickly solve any maintenance and repair problem for Electric Lawn Mower AL3 46 E/295487060/A12-2017.
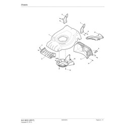
In the following table, look for the model of the Electric Lawn Mower and the respective parts of the code.![]()
| Electric Lawn Mower AL3 46 E/295487060/A12-2017 | ||
| Deck Pag.1 | ||
| # | Part Num. | Description |
| 1 | 381004018/0 | Red Deck |
| 1 | 381004024/0 | Black Deck |
| 1 | 381004729/0 | Grey Deck |
| 2 | 322108301/1 | Front Conveyor Assy |
| 3 | 112728699/0 | Screw |
| 4 | 322108302/0 | Rear Conveyor Assy |
| 5 | 112728699/0 | Screw |
| 6 | 322545213/0 | Plate |
| 7 | 381005139/0 | Left Bracket |
| 8 | 112727801/0 | Screw |
| 9 | 381005137/0 | Right Bracket |
| 10 | 322060242/0 | Belt Protection |
| 11 | 322140239/0 | Mulching Deflector Cruiser 48 |
| 12 | 112728530/0 | Screw |
| Height Adjusting Pag.2 | ||
| 1 | 322545189/0 | Plate |
| 2 | 322735597/1 | Sector, Height Adjustment |
| 3 | 381005159/0 | Wheel Support |
| 4 | 381003354/0 | Lever, Height Adjustment |
| 5 | 122519811/0 | Pin |
| 6 | 112521350/0 | Washer |
| 7 | 112155000/0 | Nut |
| 8 | 322545211/0 | Plate |
| 9 | 322735595/1 | Sector, Height Adjustment |
| 10 | 381005161/0 | Wheel Support |
| 11 | 381003442/0 | Lever, Height Adjustment |
| 12 | 322600247/0 | Protection, Wheel |
| Mask Pag.3 | ||
| 1 | 322226170/0 | Mask, Black |
| 2 | 112728698/0 | Screw |
| Handle, Lower Part Pag.4 | ||
| 1 | 381006735/0 | Handle Lower Part |
| 2 | 112819110/0 | Screw |
| 3 | 112523060/0 | Washer |
| 4 | 122399900/0 | Knob |
| 5 | 112293200/0 | Nut |
| 6 | 322551582/0 | Inside Plaque Insulation |
| 7 | 112819110/0 | Screw |
| 8 | 112523060/0 | Washer |
| 9 | 122399900/0 | Knob |
| 10 | 112293200/0 | Nut |
| 11 | 112155000/0 | Nut |
| 12 | 112521350/0 | Washer |
| 13 | 112521350/0 | Washer |
| 14 | 112793701/0 | Screw |
| 15 | 381008698/0 | Outfit, Screws |
| Handle, Upper Part Pag.5 | ||
| 1 | 381007017/2 | Handle, Upper Part |
| 2 | 122192000/1 | Clamp |
| 3 | 381600547/2 | Dead Hand Switch CE |
| 4 | 112728701/0 | Screw |
| 5 | 322195101/4 | Fairlead |
| 6 | 122010251/0 | Hook |
| 7 | 322230350/1 | Left Fulcrum |
| 8 | 122450115/0 | Spring |
| 9 | 322785144/1 | Support |
| 10 | 322322881/1 | Lever, Engine Brake Black |
| Wheels and Hub Caps Pag.6 | ||
| 1 | 381007448/1 | Wheel - Short Hub |
| 2 | 119216035/0 | Bearing |
| 3 | 322110687/0 | Hub Cap Grey |
| 5 | 381007449/1 | Wheel |
| 6 | 119216035/0 | Bearing |
| 9 | 322110689/0 | Hub Cap Grey |
| Electric Motor/Blade Pag.7 | ||
| 1 | 122055058/0 | Electric Motor, Cover |
| 2 | 322785061/1 | Electric Motor, Cover |
| 3 | 112728710/0 | Screw |
| 4 | 118563605/0 | Electric Motor 1600W |
| 5 | 118740054/0 | Fan Motor Atb |
| 6 | 118222045/0 | Condenser 16 µf |
| 7 | 112735410/0 | Screw |
| 8 | 112583500/0 | Grower |
| 9 | 112293200/0 | Nut |
| 10 | 322207211/4 | Electrical Motor Flange |
| 11 | 322720360/2 | Ventilation Screen |
| 12 | 112793701/0 | Screw |
| 13 | 112139440/0 | Key |
| 14 | 112728680/0 | Screw |
| 15 | 322463186/3 | Blade Boss Hub |
| 16 | 181004397/0 | Winged Blade |
| 16 | 181004460/0 | Mulching Blade |
| 17 | 112583500/0 | Grower |
| 18 | 112793101/0 | Screw |
| 19 | 381004352/1 | Screw |
| Grass-Catcher Pag.8 | ||
| 1 | 322785331/0 | Black Stone Guard Support |
| 2 | 122450464/0 | Spring |
| 3 | 322109554/0 | Stone Guard Supp. Cover Black |
| 4 | 112728699/0 | Screw |
| 5 | 322600206/1 | Stone Guard, Black |
| 7 | 381486018/0 | Grass-Box, Upper Part Black |
| 8 | 122608561/0 | Grasscatcher Lower Stiffening |
| 9 | 112728692/0 | Screw |
| 10 | 322545159/0 | Plate |
| 11 | 181002318/0 | Box, Fabric |
Data sheet
You might also like