Ricambi Valex per Paranco PE418F
search
  • Ricambi Valex per Paranco PE418F
  • Ricambi Valex per Paranco PE418F

Ricambi Valex per Paranco PE418F

77,89 €
Tasse incluse

Ricambi Valex per Paranco PE418F

Ricambi Originali Valex parti di ricambio per Paranco PE418F - 1655219.
CODICE ARTICOLO: 1450603
Quantità

  Politiche per la sicurezza

(modificale nel modulo Rassicurazioni cliente)

  Politiche per le spedizioni

(modificale nel modulo Rassicurazioni cliente)

  Politiche per i resi

(modificale nel modulo Rassicurazioni cliente)

Ricambi Valex per Paranco PE418F

Ricambi Originali Valex parti di ricambio per Paranco PE418F - 1655219.

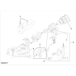
Nell'elenco seguente, cercate il Paranco ed il rispettivo codice del ricambio.
Valex PE418F - 1655219
PARANCO ELETTRICO PE418F - 1655219
Pos. Descrizione Codice
2 PULSANTIERA 7400496
3 DEVIATORE SALITA/DISC. PULSANT. 7400458
4 LEVA D'ARRESTO 5050412
5 VENTOLA + PROTEZIONE 3702145
6 GANCIO FUNE DOPPIA 5051162
7 CONDENSATORE 6/22 MF 7400638
8 COPPIA STAFFE E VITI 5051163
500 ROCCHETTO PER PARANCO 1655219 1450603
Tutte le informazioni tecniche dei prodotti in questo catalogo si basano su informazioni tratte da fonti ufficiali, tra cui i siti web del produttore Valex, che riteniamo affidabili. Purtroppo, anche i documenti ufficiali possono contenere errori o errori di stampa - non siamo in grado di confermare che tutti questi dati sono precisi e rappresentino realmente i fatti. La maggior parte dei produttori si riservano il diritto di modificare le caratteristiche dei prodotti o completare le descizioni senza preavviso. Si consiglia vivamente di utilizzare le informazioni pubblicate come informazioni di base soggette alla revisione del marchio Valex. Si prega di chiarire i parametri importanti con un assistente alla vendita al momento dell'acquisto. Tutti i contenuti inclusi in questo catalogo sono di proprietà intellettuale di www.bricoutensili.com. E' vietata qualsiasi pubblicazione o riproduzione (totale o parziale) senza un riferimento alla pagina di origine.
Valex PE418F - 1655219
11 Articoli
Nuovo

Scarica

Potrebbe anche piacerti

Commenti (0)
Ancora nessuna recensione da parte degli utenti.