(modificale nel modulo Rassicurazioni cliente)
(modificale nel modulo Rassicurazioni cliente)
(modificale nel modulo Rassicurazioni cliente)
Distribuzione e Vendita di Ricambi ed Accessori Originali Hitachi-HIKOKI Tanaka, prezzi bassi e un servizio di Assistenza Tecnica con riparazione professionale in grado di consigliarti l'acquisto di pezzi di ricambio più adatti a risolvere rapidamente ogni problema di manutenzione del Tosasiepi HTD2530PF.
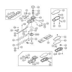
Nella tabella seguente, cercate il modello del Tosasiepi ed il rispettivo codice del ricambio.
| Tosasiepi HTD2530PF | ||
| Pos. | Codice | Descrizione |
| 4 | 6685462 | CILINDRO C/GUARNIZIONE |
| 5 | 6684586 | VITE M5X18/S |
| 6 | 6685728 | GUARNZIONE CILINDRO |
| 7 | 6684588 | FASCIA ELASTICA |
| 8 | 6685877 | KIT PISTONE (NO SPINOTTO) |
| 9 | 6685078 | FERMO SPINOTTO |
| 10 | 6686016 | SPINOTTO |
| 12 | 6684899 | CHIAVETTA WOODRUFF 3X13X4,5 |
| 16 | 6687704 | BOBINA |
| 31 | 6689177 | SPESSORE 0,10 |
| 31 | 6689178 | SPESSORE 0,15 |
| 31 | 6684604 | SPESSORE 0,20 |
| 33 | 6686529 | CASSA MOTORE |
| 37 | 6686771 | PRIGIONIERO |
| 38 | 6684786 | VITE M5X30S |
| 39 | 6695350 | VITE 5X45 |
| 39A | 6695055 | BULLONE 5X45 |
| 40 | 6684834 | RONDELLA |
| 42 | 6684971 | RONDELLA 8 |
| 43 | 6684611 | RONDELLA M8 |
| 51 | 6689874 | GUARNIZIONE |
| 52 | 6689937 | COLLETTORE |
| 53 | 6695515 | VITE 5X25WS |
| 54 | 6689828 | GUARNIZIONE |
| 56 | 6690119 | CORPO FILTRO |
| 57 | 6690804 | BUSSOLA |
| 59 | 6684658 | RONDELLA ONDULATA M8 |
| 60 | 6690843 | VALVOLA |
| 61 | 6684662 | RONDELLA |
| 62 | 6684660 | VITE M5X60 |
| 63 | 6690364 | FILTRO ARIA |
| 64 | 6690415 | COPERCHIO FILTRO ARIA |
| 65 | 6689737 | VITE |
| 66 | 6690461 | CARBURATORE |
| 68 | 6684619 | FERMO |
| 70 | 6691516 | SERBATOIO |
| 71 | 6691748 | TAPPO SERBATOIO |
| 73 | 6692244 | COLLARE 5.8 |
| 75 | 6695505 | VITE TCEI 5X18PS |
| 76 | 6691337 | TAPPO |
| 77 | 6685139 | PRIMER |
| 78 | 6692347 | TUBO MIX |
| 79 | 6692346 | TUBETTO |
| 80 | 6697846 | GOMMINO |
| 82 | 6685049 | TAPPO SERBATOIO |
| 91 | 6692772 | CUFFIA CILINDRO |
| 94A | 6696547 | RONDELLA |
| 97 | 6686957 | CARTER AVVIAMENTO |
| 98 | 6684675 | MOLLA AVVIAMENTO |
| 99 | 6693066 | PULEGGIA |
| 100 | 6693633 | SET VITI |
| 101 | 6693405 | KIT PULEGGIA AVV. |
| 102 | 6688049 | PASSACAVO |
| 103 | 6693168 | FUNE AVVIAMENTO |
| 104 | 6693237 | MANOPOLA AVVIAMENTO |
| 105 | 6684682 | VITE 4X15/PS |
| 106 | 6692718 | GUARNIZIONE SCARICO |
| 107 | 6692696 | PIASTRINA |
| 108 | 6684661 | RONDELLA 5 |
| 111 | 6688494 | FRIZIONE |
| 113 | 6695441 | VITE 4X12PS |
| 114 | 6684684 | MOLLA SALTARELLO |
| 115 | 6693319 | SALTARELLO |
| 116 | 6692455 | MARMITTA |
| 117 | 6684639 | RONDELLA M6 |
| 121 | 6684698 | VITE |
| 122 | 6684697 | PERNO |
| 123 | 6684696 | ANELLO |
| 124 | 6684695 | O-RING |
| 126 | 6691457 | GUARNIZIONE POMPANTE |
| 127 | 6684693 | MEMBRANA POMPANTE |
| 128 | 6684700 | RETINA FILTRO |
| 130 | 6685220 | GUARNIZIONE DISCO |
| 131 | 6690830 | MEMBRANA DISCO |
| 133 | 6691312 | VITE |
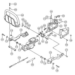
| 151 | 6686272 | IMPUGNATURA DX - TILL C226130 FOR USA |
| 152 | 6687763 | PULSANTE STOP |
| 153 | 6688366 | PULSANTE |
| 154 | 6684913 | VITE 3X10 |
| 155 | 6688227 | GRILLETTO |
| 156 | 6688236 | LEVA DI SICUREZZA |
| 157 | 6688244 | MOLLA LEVA ACC. |
| 158 | 6686308 | IMPUGNATURA SX - TILL C226130 FOR USA |
| 159 | 6693002 | TAPPO |
| 160 | 6684636 | VITE D4.5X16 |
| 161 | 6686366 | SUPPORTO IMPUGNATURA |
| 162 | 6695183 | RONDELLA 6 |
| 163 | 6695154 | GALLETTO |
| 165 | 6688412 | AMMORTIZZATORE B |
| 166 | 6688485 | ANELLO IN GOMMA |
| 167 | 6689680 | RONDELLA |
| 168 | 6695345 | VITE 5X30 |
| 169 | 6688628 | COLLARE |
| 171 | 6694588 | INTERRUTTORE STOP |
| 172 | 6688313 | CARTER SX |
| 173 | 6688485 | ANELLO IN GOMMA |
| 174 | 6688412 | AMMORTIZZATORE B |
| 175 | 6689680 | RONDELLA |
| 176 | 6695345 | VITE 5X30 |
| 177 | 6684637 | VITE |
| 178 | 6688325 | CARTER DX |
| 179 | 6684637 | VITE |
| 180 | 6688097 | SUPPORTO |
| 181 | 6686111 | SUPPORTO IMPUGNATURA |
| 182 | 6684661 | RONDELLA 5 |
| 191 | 6688377 | SUPPORTO IMPUGNATURA |
| 192 | 6688097 | SUPPORTO |
| 193 | 6688485 | ANELLO IN GOMMA |
| 194 | 6688412 | AMMORTIZZATORE B |
| 195 | 6689680 | RONDELLA |
| 196 | 6684786 | VITE M5X30S |
| 197 | 6696359 | FERMO |
| 198 | 6686111 | SUPPORTO IMPUGNATURA |
| 199 | 6695054 | BULLONE 5X40 |
| 200 | 6684834 | RONDELLA |
| 201 | 6684918 | RONDELLA M5 |
| 221 | 6686314 | IMPUGNATURA SX - SINCE C226131 FOR US - |
| 222 | 6686279 | IMPUGNATURA DX - SINCE C226131 FOR US |
| 223 | 6688230 | LEVA ACC. |
| 224 | 6688240 | LEVA DI SICUREZZA |
| 225 | 6688244 | MOLLA LEVA ACC. |
| 227 | 6688246 | LEVA |
| 228 | 6688279 | MOLLA |
| 229 | 6685070 | RONDELLA |
| 230 | 6685161 | VITE D4X10 |
| 231 | 6684636 | VITE D4.5X16 |
| 233 | 6688366 | PULSANTE |
| 234 | 6684913 | VITE 3X10 |
| 235 | 6687524 | PROTEZIONE |
| 236 | 6694588 | INTERRUTTORE STOP |
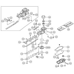
| 251 | 6688669 | CARTER INGRANAGGI |
| 251A | 6688684 | SCATOLA INGRANAGGI COMP. |
| 252 | 6695285 | SEEGER |
| 253 | 6695538 | CUSCINETTO |
| 254 | 6695538 | CUSCINETTO |
| 255 | 6688570 | CAMPANA FRIZIONE |
| 256 | 6688960 | ALBERINO INGRANAGGIO |
| 257 | 6686612 | PIATTELLO |
| 258 | 6686811 | BIELLA |
| 259 | 6688974 | INGRANAGGIO |
| 259A | 6688625 | INGRANAGGIO |
| 260 | 6688909 | GUARNIZIONE |
| 261 | 6692100 | COPERCHIO |
| 261A | 6692101 | PIASTRA |
| 262 | 6687143 | GUIDA LAME |
| 262A | 6687144 | GUIDA LAMA (780MM) |
| 263 | 6687289 | PROTEZIONE LAME |
| 264 | 6695073 | VITE |
| 264A | 6695075 | VITE M6X25 |
| 265 | 6687092 | LAMA 780MM |
| 266 | 6686654 | FELTRINO |
| 267 | 6687187 | RONDELLA 7 |
| 268 | 6687160 | BULLONE |
| 268A | 6687158 | VITE M6 |
| 269A | 6695170 | DADO M6 |
| 269B | 6695170 | DADO M6 |
| 270 | 6695484 | VITE 4X10S |
| 271 | 6688643 | INGRASSATORE |
| 272A | 6695495 | VITE |
| 274 | 6690759 | PIASTRA DI SUPPORTO |
| 274A | 6690762 | PIASTRA |
| 275 | 6695484 | VITE 4X10S |
| 276 | 6684822 | RONDELLA |
| 277 | 6695175 | DADO |
| 278 | 6684639 | RONDELLA M6 |
| 279 | 6684639 | RONDELLA M6 |
| 279 | 6684639 | RONDELLA M6 |
| 280 | 6688636 | PIASTRINA |
| 281 | 6695987 | CARTER SCATOLA INGR. |
| 281A | 6688850 | SCATOLA INGRANAGGI |
| 281B | 6688844 | SCATOLA INGRANAGGI |
| 282 | 6688011 | MORSETTO |
| 284 | 6695219 | RONDELLA M6 |
| 286 | 6687275 | PROTEZIONE |
| 287 | 6695547 | CUSCINETTO 608 ZZ C3 |
| 288 | 6684595 | VITE M4X12/S |
| 301 | 6688669 | CARTER INGRANAGGI |
| 301A | 6688684 | SCATOLA INGRANAGGI COMP. |
| 302 | 6695285 | SEEGER |
| 303 | 6695538 | CUSCINETTO |
| 304 | 6695538 | CUSCINETTO |
| 305 | 6688570 | CAMPANA FRIZIONE |
| 306 | 6688960 | SPINA |
| 307 | 6686612 | PIATTELLO |
| 308 | 6686811 | BIELLA |
| 309 | 6688974 | INGRANAGGIO |
| 309A | 6688625 | INGRANAGGIO |
| 310 | 6688909 | GUARNIZIONE |
| 311 | 6692100 | COPERCHIO |
| 312 | 6687144 | GUIDA LAMA (780MM) |
| 313 | 6687289 | PROTEZIONE LAME |
| 314 | 6695073 | VITE SPEI 6x16 C/FRENAF |
| 314A | 6695075 | VITE M6X25 |
| 315 | 6687092 | LAMA 780MM |
| 316 | 6686654 | FELTRINO |
| 317 | 6687187 | RONDELLA 7 |
| 318 | 6687158 | VITE M6 |
| 319 | 6695170 | DADO M6 |
| 320 | 6684595 | VITE M4X12/S |
| 321 | 6688643 | INGRASSATORE |
| 322 | 6695495 | VITE |
| 323 | 6690762 | PIASTRA |
| 324 | 6695175 | DADO |
| 325 | 6684639 | RONDELLA M6 |
| 326 | 6688850 | SCATOLA INGRANAGGI |
| 327 | 6688011 | MORSETTO |
| 330 | 6690759 | PIASTRA DI SUPPORTO |
| 331 | 6695484 | VITE 4X10S |
| 332 | 6687275 | PROTEZIONE |
| 333 | 6695547 | CUSCINETTO 608 ZZ C3 |
| 334 | 6695484 | VITE 4X10S |
Scheda tecnica
Potrebbe anche piacerti