
(modificale nel modulo Rassicurazioni cliente)
(modificale nel modulo Rassicurazioni cliente)
(modificale nel modulo Rassicurazioni cliente)
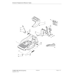
Ricambi originali Stiga per la sostituzione di parti o la riparazione del Rasaerba TURBO PRO 55 S4 B (2014) 292553028/S14.
Nella tabella seguente, cercate il modello del Rasaerba ed il rispettivo codice del ricambio.![]()
| STIGA TURBO PRO 55 S4 B (2014) 292553028/S14 pag.1 | ||
| Pos. | Codice | Descrizione |
| 1 | 381002660/0 | Chassis Giallo To 31-August-2013 |
| 1 | 381004738/0 | Chassis Grigio From 01-September-2013 |
| 3 | 322060177/0 | Carter, Grigio From 01-September-2013 |
| 4 | 112728300/0 | Vite |
| 9 | 112728300/0 | Vite |
| 10 | 322108277/0 | Convogliatore Posteriore |
| 11 | 112735664/0 | Vite |
| 15 | 322109531/0 | Coperchio Batteria |
| 16 | 381008658/0 | Dotazione Supporti To 31-August-2006 |
| 16 | 381008658/1 | Dotazione Supporti From 01-September-2006 |
| 21 | 322545160/0 | Piastrina |
| 22 | 112735664/0 | Vite |
| 23 | 112604898/0 | Fissatore A Corona |
| 24 | 122446181/0 | Molla |
| 25 | 322785153/0 | Supporto Gruppo Trazione |
| 26 | 112735664/0 | Vite |
| 31 | 322399808/0 | Manopola |
| 32 | 322321515/0 | Leva Regolazione Altezza |
| 33 | 112735661/0 | Vite |
| 34 | 112728300/0 | Vite |
| 35 | 322735563/0 | Settore Regolazione Altezza |
| 36 | 322140232/0 | Deflettore |
| 37 | 322820057/0 | Tappo Nero |
| 38 | 112604899/0 | Fissatore a Corona |
| STIGA TURBO PRO 55 S4 B (2014) 292553028/S14 pag.2 | ||
| 1 | 112820655/0 | Vite |
| 2 | 322551635/0 | Piastrina Fissaggio Manico |
| 3 | 322778405/0 | Supporto |
| 4 | 112760515/0 | Vite |
| 5 | 112521350/0 | Rondella |
| 6 | 112521350/0 | Rondella |
| 7 | 322399810/0 | Manopolina |
| 8 | 112361005/0 | Dado |
| 9 | 381006865/0 | Manico, Parte Inferiore Grey |
| 10 | 322192001/0 | Fascetta |
| 11 | 112728691/0 | Vite |
| 12 | 112820655/0 | Vite |
| 13 | 122430311/0 | Molla Guida |
| 14 | 322545137/0 | Manico parte superiore |
| STIGA TURBO PRO 55 S4 B (2014) 292553028/S14 pag.3 | ||
| 1 | 381006866/0 | Manico, Parte Sup Grey |
| 2 | 381003298/0 | Leva Freno Motore To 31-August-2004 |
| 2 | 381003298/1 | Leva Freno Motore From 01-September-2004 To 31-August-2010 |
| 2 | 381003330/0 | Leva Freno Motore From 01-September-2010 |
| 3 | 181030061/0 | Cavo Freno Motore Honda Engine / B&S 850;From 01-september-2010 |
| 4 | 381000697/0 | Cavo Comando Trazione |
| 5 | 381003297/0 | Leva Trazione To 31-August-2004 |
| 5 | 381003297/1 | Leva Trazione From 01-September-2004 |
| 6 | 112727783/0 | Vite |
| 7 | 322551640/0 | Piastrina |
| 8 | 112154510/0 | Dado |
| STIGA TURBO PRO 55 S4 B (2014) 292553028/S14 pag.4 | ||
| 1 | 112000957/0 | Anello Benzing From 01-September-2006 |
| 1 | 122450063/0 | Molla To 31-August-2006 |
| 2 | 112520032/0 | Rondella |
| 3 | 322160520/0 | Disco Parapolvere |
| 5 | 122076645/0 | Chiavetta |
| 6 | 322170630/0 | Distanziale To 31-August-2013 |
| 6 | 322170630/1 | Distanziale From 01-September-2013 |
| 7 | 122753002/0 | Spina |
| 8 | 112520032/0 | Rondella |
| 9 | 119035152/0 | Gommino |
| 12 | 112728300/0 | Vite |
| 13 | 112735664/0 | Vite |
| 14 | 322778407/0 | Staffa |
| 15 | 181003086/0 | Gruppo Trazione F.R. |
| 16 | 122601916/0 | Puleggia To 31-August-2013 |
| 16 | 122601932/0 | Puleggia From 01-September-2013 |
| 17 | 112645700/0 | Spina Elastica |
| 18 | 112674550/0 | Vite |
| 19 | 322320003/0 | Leva Trazione |
| 20 | 122601914/0 | Puleggia |
| 21 | 112154510/0 | Dado |
| 22 | 112735669/0 | Vite |
| 23 | 122671656/0 | Rondella |
| 24 | 122601915/0 | Puleggia |
| 25 | 112523040/0 | Rondella |
| 26 | 135064383/0 | Cinghia |
| 27 | 122601917/0 | Puleggia, Albero Motore Ø 22.2 |
| 28 | 112714312/0 | Grano |
| 29 | 322806619/0 | Supporto |
| 30 | 112735664/0 | Vite |
| 31 | 381007098/0 | Cavo Comando Marce |
| 32 | 322399809/0 | Manopola |
| 33 | 112728300/0 | Vite |
| 34 | 112728702/0 | Vite |
| STIGA TURBO PRO 55 S4 B (2014) 292553028/S14 pag.5 | ||
| 1 | 381002829/0 | Asse Ruote Anteriore |
| 2 | 122430210/0 | Cuscinetto |
| 3 | 381007364/0 | Ruota Alluminio |
| 4 | 119216039/0 | Cuscinetto |
| 5 | 322160522/0 | Parapolvere |
| 6 | 112521460/0 | Rondella |
| 7 | 112735592/0 | Vite |
| 8 | 322110379/0 | Coprimozzo Nero |
| 9 | 122033324/0 | Asta Comando Regol. Altezza |
| 10 | 381002823/0 | Asse Ruote Posteriore |
| 11 | 122170810/0 | Distanziale |
| 12 | 122430215/0 | Molla |
| 13 | 322600127/0 | Protezione Ruota |
| 14 | 122570126/0 | Pignone |
| 15 | 381007368/0 | Ruota |
| 16 | 112728210/0 | Vite |
| 17 | 322120108/0 | Corona Trascinamento |
| 18 | 119216038/0 | Cuscinetto |
| 19 | 122671655/0 | Rondella |
| 20 | 112735592/0 | Vite |
| 21 | 322110380/0 | Coprimozzo Nero |
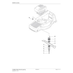
| STIGA TURBO PRO 55 S4 B (2014) 292553028/S14 pag.6 | ||
| 2 | 181004134/0 | Coltello Alettato |
| 3 | 322672111/0 | Rondella Lama |
| 4 | 322672105/0 | Rondella |
| 5 | 112508120/0 | Molla A Tazza |
| 6 | 122041940/0 | Boccola |
| 7 | 112736825/0 | Vite AVS |
| 7 | 112736850/0 | Vite |
| 9 | 112735108/0 | Vite To 31-August-2007 |
| 9 | 112735108/1 | Vite |
| STIGA TURBO PRO 55 S4 B (2014) 292553028/S14 pag.7 | ||
| 2 | 112735664/0 | Vite |
| 3 | 122450430/0 | Molla |
| 7 | 322486095/0 | Sacco, Parte Superiore To 31-August-2013 |
| 7 | 322486359/0 | Sacco, Parte Sup From 01-September-2013 |
| 8 | 322486098/0 | Piastrina |
| 11 | 112521460/0 | Rondella |
| 12 | 112728300/0 | Vite |
| 13 | 122608528/0 | Rinforzo Inferiore |
| 14 | 181002235/0 | Sacco di Tela |
Scheda tecnica
Potrebbe anche piacerti