
(modificale nel modulo Rassicurazioni cliente)
(modificale nel modulo Rassicurazioni cliente)
(modificale nel modulo Rassicurazioni cliente)
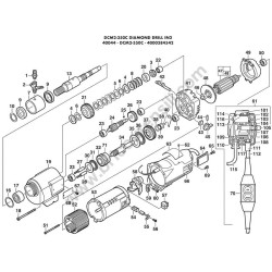
| DCM2-350C CAROTATORE AD UMIDO IN2 Ricambi 40044 - DCM2-350C - 4000384542 |
||
| Pos. | Codice | Descrizione |
| * | 49084220 | LUBRIFICANTE |
| 1 | 42900210 | L AVVITAMENTO |
| 2 | 45800060 | VALVOLA |
| 3 | 06571050 | DADO |
| 4 | 45881140 | RANELLA |
| 5 | 43060160 | DISC |
| 6 | 43060150 | DISC - NON FORNIBILE |
| 7 | 43760051 | BOCCOLA FILETTATA Fuori produzione |
| 8 | 40502150 | MOLLA |
| 9 | 45060635 | GUARNIZIONE |
| 10 | 45888565 | RANELLA |
| 13 | 38506020 | ALBERO Fuori produzione |
| 16 | 34803800 | RING |
| 17 | 02202515 | CUSCINETTO |
| 18 | 06829202 | VITE |
| 19 | 28141870 | CARCASSA |
| 20 | 45361520 | ANELL.DISTANZIATORE |
| 21 | 32753430 | INGRANAGGIO |
| 22 | 02504830 | CUSCINETTO A RULLI |
| 23 | 02041205 | CUSCINETTO |
| 24 | 36663751 | NASELLO Fuori produzione |
| 25 | 06421600 | BLOCCAGGIO |
| 26 | 32401581 | RUOTA DENTATA |
| 27 | 40506300 | MOLLA |
| 28 | 44700100 | ALBERO |
| 30 | 45880520 | RANELLA |
| 31 | 02801800 | CUSCINETTO ASS. |
| 32 | 32100060 | RUOTA DENTATA |
| 34 | 36140720 | NASELLO Fuori produzione |
| 35 | 45880530 | RANELLA |
| 36 | 02805000 | CUSCINETTO ASS. |
| 37 | 32100051 | INGRANAGGI SCATOLA |
| 38 | 45880510 | RANELLA |
| 39 | 02801200 | CUSCINETTO ASS. |
| 40 | 45980090 | SUPPORTO |
| 41 | 14130210 | CUSCINETTO ZOLLA |
| 42 | 30150272 | LEVA INTERRUTTORE |
| 43 | 43440580 | GUARNIZIONE |
| 44 | 06650840 | PERNO |
| 45 | 25600056 | PULSANTE |
| 46 | 4931440556 | CUSCINETTO |
| 47 | 16760325 | INDOTTO COMPLETO |
| 48 | 22840790 | VENTOLA |
| 49 | 42140291 | ANELLO GUIDA ARIA |
| 50 | 02041041 | CUSCINETTO |
| 52 | 18740120 | CAMPO ELLETRICO |
| 53 | 23161410 | MODUL ISOLAZIONE |
| 54 | 22200680 | PORTA CARBONE |
| 55 | 22180706 | CARBONCINO |
| 57 | 22560470 | TERMINAL Fuori produzione |
| 58 | 22380140 | BLOCCAGGIO |
| 59 | 31170200 | BLOC Fuori produzione |
| 61 | 23370160 | DISPOS.D.REGOLAZ. |
| 63 | 12991815 | DEI DATI D.FUNZION. |
| 64 | 22320350 | RIVESTIMENTO CARB |
| 66 | 28506363 | CARCASSA |
| 68 | 12983020 | INSTRUCTION PLATE Fuori produzione |
| 70 | 4931472579 | SERIE DE CAVO |
| 71 | 45360225 | ANELL.DISTANZIATORE |
| 101 | 22680200 | SWITCH COVER |
| 102 | 23661430 | INTERRUTTORE |
| 103 | 23949915 | SET DI CAVO Fuori produzione |
| 104 | 22360150 | SERIE DE CAVO |
| 105 | 22680210 | LEVA INTERRUTORE |
| 106 | 22330430 | CONDENSATORE Fuori produzione |
| 107 | 22740051 | GRUPPO ELETTRONICO Fuori produzione |
| 108 | 22120200 | LEVA INTERRUTORE |
| 110 | 31170155 | BLOC |
| 111 | 44760140 | FERMACAVO |
| 112 | 22644075 | CAVO |
| 113 | 22680190 | COPERCHIO |
| 115 | 22645050 | CAVO ALIMENTAZIONE Fuori produzione |
| 117 | 22560480 | MORSETTO Fuori produzione |
Scheda tecnica
Potrebbe anche piacerti