(modificale nel modulo Rassicurazioni cliente)
(modificale nel modulo Rassicurazioni cliente)
(modificale nel modulo Rassicurazioni cliente)
Ripara la tua Troncatrice Radiale HIKOKI C12RSH3. Tutti i ricambi sono originali e possono essere forniti a prezzi bassi e scontati. I nostri ricambi sono garantiti al 100%
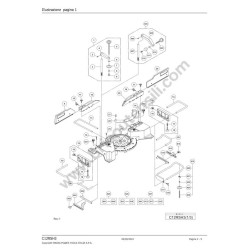
Nella tabella seguente scegliete il modello della Troncatrice ed i relativi codici.![]()
| HITACHI Ricambi per C12RSH3 Pag.1 |
||
| Pos. | Codice | Descrizione |
| 1 | 339624 | REGOLATORE COMPLETO INCLUD.2-8 |
| 3 | 339626 | ALBERO |
| 5 | 339625 | MANOPOLA DI FISSAGGIO |
| 6 | 996722 | RONDELLA |
| 7 | 322047 | PIASTRA |
| 10 | 322959 | WING BOLT M6X22 |
| 17 | 998852 | |
| 601 | 960017 | KNOB BOLT M6X32 |
| 602 | 301806 | GALLETTO M6X15 |
| 604 | 321390 | CROWN MOLDING STOPPER HOLDER |
| 606 | 307956 | INCLUD.606-612 |
| 607 | 339626 | ALBERO |
| 611 | 964851 | ELEMENTO IN GOMMA |
| 613 | 960017 | KNOB BOLT M6X32 |
| 614 | 321390 | CROWN MOLDING STOPPER HOLDER |
| 616 | 301806 | GALLETTO M6X15 |
| 617 | 974561 | FERMO C12LCH |
| 620 | 321549 | SUPPORTO INCLUD.620-624 |
| 623 | 322047 | PIASTRA |
| Pag.2 | ||
| Pos. | Codice | Descrizione |
| 50 | 949429 | RONDELLA PER BULLONE M4 |
| 51 | 948614 | NYLON CLIP FOR SWISS,GBR,ESP |
| 52 | 380826 | INCLUD.53.54.59 |
| 54 | 323606 | TAPPO |
| 56 | 324418 | VITE BLOCCO C12RSH |
| 57 | 947859 | MOLLA DI FERMO *DARE 996224 |
| 59 | 334458 | SUPPORTO ASSIALE |
| 62 | 324414 | BRONZINA |
| 66 | 949429 | RONDELLA PER BULLONE M4 |
| 69 | 872645 | O-RING P.9 |
| 76 | 324420 | SPINA A C12RSH |
| 78 | 324421 | TASTO |
| 82 | 324401 | ALBERO (B) |
| 83 | 324402 | MOLLA B C12RSH |
| 84 | 318927 | INDICATOR (A) |
| 90 | 339620 | MOLLA FRIZIONE |
| 91 | 339621 | VITE FRIZIONE |
| 95 | 324400 | PIASTRA C12RSH |
| 97 | 983564 | PERNO |
| 98 | 321339 | ALBERO LEVA |
| 104 | 319541 | SEAL LOCK HEX. SOCKET SET SCREW M5X6 |
| 105 | 946362 | CHIAVETTA DI BLOCCAGGIO |
| Pag.3 | ||
| Pos. | Codice | Descrizione |
| 121 | 945161 | COPERCHIO SPAZZOLA |
| 122 | 999065 | SPAZZOLE (1 PAIO) 2 FOR 220V-240V |
| 124 | 339643 | CARCASSA 1 INCLUD.125.126 |
| 125 | 938241 | PORTASPAZZOLA |
| 126 | 938477 | GRANO M5X8 T.E.I. |
| 128 | 340925E | STATORE 1 INCLUD.129 |
| 129 | 937623 | TERMINALE |
| 130 | 339734 | GUARNIZIONE |
| 131 | 339642 | GUIDA VENTOLA |
| 132 | 361021C | INDOTTO 1 INCLUD.133-135 |
| 133 | 6000VV | CUSCINETTO A SFERE 6000VV |
| 134 | 6201VV | CUSCINETTO A SFERE 6201VV |
| 138 | 319503 | INTERRUTTORE 1 EXCEPT FOR USA.CAN |
| 140 | 500247Z | 1 (CORD ARMOR D10.1) |
| 144 | 938051 | MANICOTTO SALVACAVO D.10,1 |
| 145 | 937631 | MORSETTO SERRAFILI |
| 146 | 334379 | TOROIDE 1 EXCEPT FOR USA.CAN |
| 147 | 324458 | INTERNAL WIRE 1 EXCEPT FOR USA.CAN |
| 149 | 959141 | GIUNTO |
| 150 | 334380 | 1 EXCEPT FORGBR(110V).TPE.USA.CAN. |
| 151 | 975144 | CABLE TIE 2 FOREUROPE.GBR.AUS.NZL.SAF |
| 152 | 324427 | CINGHIA C12RSH |
| 153 | 988821 | MOLLA |
| 154 | 307732 | STOPPER PIN |
| 155 | 339641 | PIGNONE |
| 157 | 983545 | PERNO |
| 158 | 325259 | SUPPORTO CUSCINETTI |
| 160 | 961468 | BULLONE MANOPOLA |
| 166 | 324388 | BOCCOLA C12RSH |
| 167 | 310898 | MOLLA C12RSH |
| 170 | 606ZZM | CUSCINETTO A SFERE 606ZZM |
| 171 | 949455 | RONDELLA GROWER M6 |
| 172 | 949425 | RONDELLA PIANA M6 |
| 173 | 339648 | FERMO GUIDA |
Scheda tecnica
Potrebbe anche piacerti