(modificale nel modulo Rassicurazioni cliente)
(modificale nel modulo Rassicurazioni cliente)
(modificale nel modulo Rassicurazioni cliente)
ai prezzi più competitivi del web, siamo un centro di assistenza con servizio di riparazione in grado di consigliarti di acquistare il ricambio più adatto per risolvere rapidamente eventuali problemi di manutenzione o riparazione della Motosega PS460.
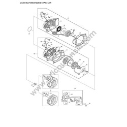
Nella tabella seguente, cercate il modello della Motosega ed il rispettivo codice del ricambio.![]()
| MOTOSEGA DOLMAR PS460 | ||
| Pag.1 | ||
| Pos. | Codice | Descrizione |
| 1 | 181114111 | GRUPPO SERBATOIO CARBURANTE ROSSO |
| D10 | INC. 2-6,8-12,15,17,18 | |
| 2 | 181117050 | GUASTO ESTERNO IMPUGNATURA |
| 2-1 | 450851-5 | GUASTO ESTERNO IMPUGNATURA |
| 3 | 181117132 | LEVA DI FERMO |
| 4 | 181117031 | MOLLA |
| 5 | 181117081 | BILANCIERE |
| 6 | 181117111 | MOLLA |
| 8 | 935930240 | PERNO CILINDRICO 3X24 |
| 8-1 | 268233-5 | PERNO 3 |
| 9 | 181117120 | LEVA ACCELERATORE |
| 9-1 | 181117121 | LEVA ACCELERATORE |
| 10 | 957114061 | VALVOLA ARIA COMPLETA |
| 11 | 913455204 | VITE AUTOFILETTANTE H.L. 5,5X20 |
| 11-1 | 266475-5 | VITE AUTOFILETTANTE H.L. 5,5X20 |
| 12 | 181114065 | TUBO CARBURANTE |
| 13 | 163499-1 | TESTA DI ASPIRAZIONE |
| C10 | 010114020 | KIT DI RICAMBIO, FILTRO (ELEMENTO IN FELTRO) |
| 13-1 | 010114200 | GRUPPO FILTRO CARBURANTE |
| 15 | 181114202 | TAPPO SERBATOIO COMPLETO |
| D10 | INC. 16 | |
| 15-1 | 168507-3 | TAPPO SERBATOIO COMPLETO |
| D10 | INC. 16 | |
| 16 | 213080-9 | ANELLO DI TENUTA 29,5 |
| 17 | 181114301 | MOLLA DI SMORZAMENTO, COMPLETA |
| 18 | 181114301 | MOLLA DI SMORZAMENTO, COMPLETA |
| 19 | 181310200 | MANIGLIA ANTERIORE |
| 20 | 913455204 | VITE AUTOFILETTANTE H.L. 5,5X20 |
| 20-1 | 266475-5 | VITE AUTOFILETTANTE H.L. 5,5X20 |
| 21 | 913455164 | VITE AUTOFILETTANTE H.L. 5,5X16 |
| 21-1 | 266478-9 | VITE AUTOFILETTANTE H.L. 5,5X16 |
| 22 | 181114051 | COPERTURA MANIGLIA DOLMAR ROSSA |
| 23 | 908006205 | BULLONE A TESTA CAVA H.L. M6X20 |
| 23-1 | 266479-7 | BULLONE A TESTA CAVA H.L. M6X20 |
| 24 | 913455204 | VITE AUTOFILETTANTE H.L. 5,5X20 |
| 24-1 | 266475-5 | VITE AUTOFILETTANTE H.L. 5,5X20 |
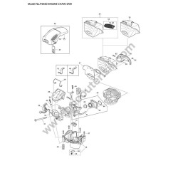
| 26 | 181118261 | COPERTURA ELEMENTO FILTRO ARIA |
| D10 | INC. 27 | |
| 26-1 | 181118241 | COPERTURA ELEMENTO FILTRO ARIA |
| D10 | INC. 27,70 | |
| 26-2 | 181118242 | COPERTURA ELEMENTO FILTRO ARIA |
| D10 | INC. 27,70 | |
| 27 | 181118060 | PIASTRA ANTIGHIACCIO ESTIVA |
| 28 | 181173090 | ELEMENTO FILTRO ARIA NYLON ME SH |
| 28A_ | 181173240 | ELEMENTO FILTRO ARIA FINE NYLO N |
| 028B_ | 181173190 | ELEMENTO FILTRO ARIA IN PILE |
| 29 | 325593-9 | CLIP |
| 30 | 181171011 | TUBO DI ASPIRAZIONE ARIA |
| 31 | 908505555 | BULLONE A TESTA CAVA H.L. M5X55 |
| 31-1 | 266480-2 | BULLONE A TESTA CAVA H.L. M5X55 |
| 32 | 181155020 | LEVA ARRESTO MOTORE |
| 32-1 | 181155070 | LEVA ARRESTO MOTORE |
| 33 | 970311550 | CAVO DI TERRA |
| 33-1 | 970311580 | CAVO DI TERRA |
| 34 | 913455164 | VITE AUTOFILETTANTE H.L. 5,5X16 |
| 34-1 | 266478-9 | VITE AUTOFILETTANTE H.L. 5,5X16 |
| 36 | 181131103 | ASSE ALLOGGIAMENTO CARBURATORE ROSSO |
| D10 | ||
| 36-1 | 181131160 | ASSE ALLOGGIAMENTO CARBURATORE ROSSO |
| 37 | 908805205 | BULLONE A TESTA CAVA H.L. M5X20 |
| 37-1 | 266472-1 | BULLONE A TESTA CAVA TORX M5X20 |
| 38 | 038118110 | ALETTA IN GOMMA |
| 39 | 938650062 | RIVET |
| 40 | 181171150 | SET COLLETTORE DI ASPIRAZIONE |
| D10 | ||
| 40-1 | 181171160 | SET COLLETTORE DI ASPIRAZIONE |
| D10 | ||
| 41 | 181131090 | TUBO FLESSIBILE RESISTENTE ALL'OLIO |
| 42 | 181131040 | COLLETTORE DI ASPIRAZIONE |
| 42-1 | 181131041 | TUBO FLESSIBILE DI ASPIRAZIONE |
| 44 | 181131070 | ANELLO DI MOLLA |
| 44-1 | 233971-8 | ANELLO DI MOLLA |
| 45 | 913455164 | VITE AUTOFILETTANTE H.L. 5,5X16 |
| 45-1 | 266478-9 | VITE AUTOFILETTANTE H.L. 5,5X16 |
| 46 | 181155010 | MOLLA DI CONTATTO |
| 47 | 181155030 | GUIDA DI REGOLAZIONE |
| 47-1 | 181155080 | GUIDA DI REGOLAZIONE |
| 48 | 913455164 | VITE AUTOFILETTANTE H.L. 5,5X16 |
| 48-1 | 266478-9 | VITE AUTOFILETTANTE H.L. 5,5X16 |
| 49 | 928405000 | RONDELLA ELASTICA 5 |
| 49-1 | 267821-5 | RONDELLA ELASTICA 5 |
| 50 | 980115961 | ETICHETTA |
| 50-1 | 816917-5 | ETICHETTA INDICAZIONE |
| 53 | 181174102 | MARMITTA |
| 57 | 181174062 | PIASTRA ISOLANTE TERMICO |
| 58 | 181174050 | GUARNIZIONE DCS4600S-5000 |
| 59 | 908005205 | BULLONE A TESTA CAVA H.L. M5X20 |
| 59-1 | 266476-3 | BULLONE A TESTA CAVA H.L. M5X20 |
| 60 | 181174091 | COPERTURA MARMITTA |
| 61 | 908005095 | BULLONE A TESTA CAVA H.L. M5X9 |
| 61-1 | 266474-7 | BULLONE A TESTA CAVA H.L. M5X9 |
| 62 | 908805205 | BULLONE A TESTA CAVA H.L. M5X20 |
| 62-1 | 266472-1 | BULLONE A TESTA CAVA TORX M5X20 |
| 63 | 346413-4 | BUSSOLA 17 |
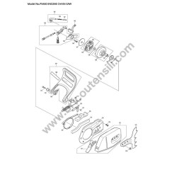
| 65 | 179130215 | SET CILINDRO/PISTONE PER DEC |
| D10 | INC. 66,74 | |
| 66 | 181132064 | SET PISTONE, FASCIA E SPINOTTO |
| D10 | INC. 67-69 | |
| 67 | 180132080 | FASCIA 43MM |
| 68 | 181132090 | SPINOTTO |
| 69 | 181132050 | ANELLO DI SICUREZZA 10 |
| 69-1 | 181132050 | ANELLO DI SICUREZZA 10 |
| 70 | 181118070 | TAPPO DI SMOLTIPLICAZIONE IN GOMMA |
| 70-1 | 424173-9 | TAPPO DI SMOLTIPLICAZIONE |
| 72 | 908805235 | BULLONE A TESTA CAVA H.L. M5X23 |
| 72-1 | 266473-9 | H.L. BULLONE A TESTA INCASSATA M5X23 |
| 73 | 181114401 | MOLLA DI SMORZAMENTO, COMPLETA |
| 74 | 181131131 | GUARNIZIONE CILINDRO |
| 74-1 | 181131133 | GUARNIZIONE CILINDRO |
| 74-2 | 181131134 | GUARNIZIONE CILINDRO |
| 75 | 181120100 | ALBERO MOTORE COMPLETA |
| 75-1 | 185120200 | ALBERO MOTORE COMPLETA |
| 75-2 | 143395-9 | ALBERO MOTORE COMPLETA |
| 76 | 962210103 | GABBIA RULLINI 10X13X12,5 |
| 77 | 211154-0 | CUSCINETTO A SFERE 6202 |
| 78 | 960123159 | CUSCINETTO 6203 C3 |
| C10 | 962900065 | PARAOLIO |
| 78-1 | 211250-4 | CUSCINETTO A SFERE 1514 |
| 79 | 962900156 | PARAOLIO |
| 79-1 | 213141-5 | PARAOLIO 12 |
| 80 | 179111153 | ASSE CARTER MOTORE SINISTRO ROSSO |
| D10 | ||
| 80-1 | 181111155 | ASSE CARTER MOTORE SINISTRO ROSSO |
| D10 | ||
| 81 | 179111141 | ASSE CARTER MOTORE DESTRO ROSSO |
| D10 | ||
| 81-1 | 181111142 | ASSE CARTER MOTORE DESTRO ROSSO |
| D10 | ||
| 82 | 181111061 | GUARNIZIONE PER PS-460/500 |
| 83 | 170114100 | TAPPO SERBATOIO COMPLETO |
| D10 | ||
| 83-1 | 168508-1 | TAPPO SERBATOIO COMPLETO |
| D10 | ||
| 84 | 963225030 | ANELLO DI TENUTA |
| 84-1 | 213355-6 | ANELLO DI TENUTA 25 |
| 85 | 181118050 | FERMACAVO IN ACCIAIO |
| 86 | 908006205 | BULLONE A TESTA ESAGONALE M6X20 |
| 86-1 | 266479-7 | BULLONE A TESTA ESAGONALE M6X20 |
| 87 | 908805205 | BULLONE A TESTA ESAGONALE M5X20 |
| 87-1 | 266472-1 | BULLONE A TESTA ESAGONALE TORX M5X20 |
| 88 | 181111230 | TAMPONE IN GOMMA |
| 89 | 936430160 | PERNO 3X16 |
| 89-1 | 258038-1 | PERNO DI BLOCCAGGIO |
| 90 | 181111230 | TAMPONE IN GOMMA |
| 91 | 908805205 | BULLONE A TESTA ESAGONALE BULLONE M5X20 |
| 91-1 | 266472-1 | BULLONE A TESTA INCASSATA TORX M5X20 |
| 92 | 908005205 | BULLONE A TESTA INCASSATA H.L. M5X20 |
| 92-1 | 266476-3 | BULLONE A TESTA INCASSATA H.L. M5X20 |
| 93 | 181111050 | FERMO CATENA |
| 93-1 | 181111051 | FERMO CATENA |
| 94 | 908006205 | BULLONE A TESTA INCASSATA H.L. M6X20 |
| 94-1 | 266479-7 | BULLONE A TESTA INCASSATA H.L. M6X20 |
| 95 | 905808210 | BULLONE BARRA GUIDA M8X21 |
| 96 | 181250011 | BARRA SPIKE |
| 97 | 908805205 | BULLONE A TESTA INCASSATA H.L. M5X20 |
| 97-1 | 266472-1 | BULLONE A TESTA INCASSATA TORX M5X20 |
| 98 | 010245030 | VALVOLA DI SFIATO |
| 98-1 | 168504-9 | VALVOLA DI SFIATO |
| 100 | 181213300 | TENSIONE CATENA COMPLETA |
| D10 | ||
| 101 | 181213230 | VITE DI TENSIONE |
| 101-1 | 227743-1 | INGRANAGGIO ELICOIDALE 11 |
| 102 | 181213240 | SLITTA DI TENSIONE |
| 102-1 | 181213241 | TENSIONE SLIDE |
| 103 | 181213250 | VITE DI REGOLAZIONE |
| 103-1 | 227744-9 | INGRANAGGIO ELICOIDALE 18 |
| 104 | 452667-4 | COPERCHIO INGRANAGGIO PROFESSIONALE |
| 105 | 181213260 | CUSCINETTO VITE DI TENSIONE |
| 106 | 963207020 | ANELLO DI TENSIONE |
| 107 | 908705125 | BULLONE A TESTA CAVA H.L. M5X12 |
| 107-1 | 266484-4 | BULLONE A TESTA CAVA H.L. M5X12 |
| 112 | 181131140 | BUSSOLA IN GOMMA |
| 113 | 181117094 | FERMACAVO DI FERMO |
| 114 | 181117041 | CAVO DI CONTROLLO DELL'ACCELERATORE |
| 115 | 181160101 | ASSY MOTORINO DI AVVIAMENTO ROSSO |
| D10 | ||
| 116 | 181112021 | ALLOGGIAMENTO MOTORINO DI AVVIAMENTO ROSSO |
| 117 | 980115190 | ETICHETTA PS-460 |
| 118 | 908805205 | BULLONE A TESTA CAVA H.L. M5X20 |
| 119 | 001161020 | IMPUGNATURA MOTORINO DI AVVIAMENTO |
| 120 | 108164020 | FUNE MOTORINO DI AVVIAMENTO 3,5 MM (L=0,98 M) |
| 122 | 928405000 | RONDELLA ELASTICA 5 |
| 123 | 181162150 | TAMBURO PER CAVI |
| 124 | 181163020 | MOLLA DI RIAVVOLGIMENTO NELL'ALLOGGIAMENTO |
| 125 | 924605510 | RONDELLA 5,5/18X1,6 |
| 126 | 913455204 | VITE AUTOFILETTANTE H.L. 5,5X20 |
| 127 | 181118041 | PIASTRA GUIDA ARIA |
| 128 | 181143204 | BOBINA DI ACCENSIONE COMPLETA |
| D10 | ||
| 128-1 | 181143206 | BOBINA DI ACCENSIONE COMPLETA |
| D10 | ||
| 128-2 | 181143212 | ACCENSIONE BOBINA COMPLETA |
| D10 | ||
| 128-3 | 181143213 | BOBINA DI ACCENSIONE COMPLETA |
| D10 | INC. 129,131,132 | |
| 128-4 | 181143214 | BOBINA DI ACCENSIONE COMPLETA |
| D10 | ||
| 129 | 181147050 | CAVO DI ACCENSIONE |
| 130 | 195143031 | RONDELLA ISOLANTE |
| 130-1 | 451462-9 | RONDELLA ISOLANTE |
| 131 | 970502110 | TUBO ISOLANTE 6 L=1M |
| 131-1 | 970502120 | TUBO ISOLANTE |
| 132 | 957604260 | CAPPUCCIO CANDELA COMPLETO |
| D10 | ||
| 133 | 168648-5 | CANDELA (BPMR7A) |
| 134 | 908805205 | BULLONE A TESTA CAVA H.L. M5X20 |
| 134-1 | 266472-1 | BULLONE A TESTA CAVA TORX M5X20 |
| 135 | 920208024 | DADO ESAGONALE M8X1 (FILETTATURA FINE) |
| 135-1 | 264107-8 | DADO ESAGONALE M8 |
| 136 | 926208001 | RONDELLA ELASTICA 8 |
| 136-1 | 267822-3 | RONDELLA ELASTICA 8 |
| 137 | 181141104 | GRUPPO VOLANO |
| D10 | INC. 138 | |
| 138 | 181166050 | CRICCHETTO DI AVVIAMENTO CP |
| 140 | 181245251 | POMPA DELL'OLIO COMPLETA |
| D10 | INC,150 | |
| 142 | 181155011 | MOLLA DI CONTATTO |
| 142-1 | 181155060 | MOLLA DI CONTATTO |
| 143 | 181245120 | LINEA DELL'OLIO |
| 143-1 | 424178-9 | TUBO DELL'OLIO |
| 145 | 144274-4 | TUBO COMPLETO |
| D10 | INC. 146,147 | |
| 146 | 231975-4 | MOLLA |
| 147 | 001245020 | STELO DEL TUBO FLESSIBILE |
| 149 | 908705125 | BULLONE A TESTA CAVA H.L. M5X12 |
| 149-1 | 266484-4 | BULLONE A TESTA CAVA H.L. M5X12 |
| 150 | 181245090 | AZIONAMENTO POMPA |
| 150-1 | 450956-1 | AZIONAMENTO POMPA |
| 151 | 267389-1 | RONDELLA PIATTA 12 |
| 152 | 181180300 | GRUPPO FRIZIONE |
| D10 | INC. 153 | |
| 152-1 | 127443-2 | GRUPPO FRIZIONE |
| D10 | INC. 153 | |
| 153 | 232352-3 | MOLLA DI TENSIONE 6 |
| 153-1 | 232352-3 | MOLLA DI TENSIONE 6 |
| 154 | 181224090 | RONDELLA PIATTA 10 |
| 155 | 181213011 | NASTRO DEL FRENO |
| 155-1 | 346029-5 | NASTRO DEL FRENO |
| 156 | 181223312 | TAMBURO FRIZIONE COMPLETO. .325", Z=7 |
| D10 | INC. 157 | |
| 156-1 | 158927-9 | TAMBURO FRIZIONE COMPLETO |
| D10 | INC. 157 | |
| 157 | 962300009 | CUSCINETTO A RULLINI |
| 157-1 | 212082-2 | CUSCINETTO A RULLINI 1012 |
| 159 | 181224081 | RONDELLA 29 |
| 159-1 | 267820-7 | RONDELLA 29 |
| 160 | 927408000 | ANELLO DI ARRESTO E-8 |
| 160-1 | 259045-7 | ANELLO DI ARRESTO E-8 |
| 161 | 927304000 | ANELLO DI ARRESTO E-4 |
| 161-1 | 257934-0 | ANELLO DI ARRESTO E-4 |
| 162 | 185213100 | PIASTRA DI FERMO COMPLETA |
| 163 | 181213023 | MOLLA DI TENSIONE |
| 163-1 | 231870-8 | MOLLA DI TENSIONE 10 |
| 164 | 181213170 | GUIDA PARAMANO, COMPLETA |
| 164-1 | 450926-0 | CASSA DI FERMO |
| 165 | 181213371 | SPUGNA DI SCHIUMA |
| 167 | 181213161 | PARAMANO COMPLETA |
| D10 | ||
| 167-1 | 181213162 | PARAMANO COMPLETA |
| 167-2 | 181213163 | PARAMANO COMPLETA |
| 168 | 810449-4 | ETICHETTA DI ATTENZIONE |
| 169 | 181213310 | DISTANZIALE |
| 170 | 181213320 | BOCCOLA |
| 170-1 | 325604-0 | BOCCOLA |
| 171 | 908805205 | BULLONE A TESTA INCASSATA H.L. M5X20 |
| 171-1 | 266472-1 | BULLONE A TESTA INCASSATA TORX M5X20 |
| 174 | 181213400 | SPUGNA DI SCHIUMA |
| 175 | 957213200 | PARAMANO COMPLETA ROSSO |
| D10 | ||
| 176 | 923208004 | DADO FLANGIATO ESAGONALE M8 (DADO A BARRA) |
| 176-1 | 252145-2 | DADO ESAGONALE CON COLLARE M8 |
| 177 | 957213220 | GUIDA TRUCIOLI |
| 178 | 181213191 | COPRI PIGNONE DCS4600S-5000 |
| 179 | 908105126 | H.L.S. BULLONE A TESTA PIATTA M5X12 |
| 179-1 | 266477-1 | VITE A TESTA C.S. H. M5X12 |
| 182 | 181160155 | ASSE MOTORINO DI AVVIAMENTO ROSSO |
| D10 | ||
| 182-1 | 181160201 | ASSE MOTORINO DI AVVIAMENTO ROSSO |
| D10 | ||
| 182-2 | 123560-6 | DISPOSITIVO DI AVVIAMENTO ROSSO |
| D10 | ||
| 183 | 181112060 | ALLOGGIAMENTO MOTORINO DI AVVIAMENTO ROSSO |
| 183-1 | 140732-8 | ALLOGGIAMENTO VENTOLA COMPLETO |
| 184 | 181118041 | PIASTRA GUIDA ARIA |
| 184-1 | 181118120 | PIASTRA GUIDA ARIA |
| 184-2 | 456685-4 | PIASTRA GUIDA ARIA |
| 185 | 181164010 | IMPUGNATURA MOTORINO DI AVVIAMENTO |
| 185-1 | 452458-3 | IMPUGNATURA MOTORINO DI AVVIAMENTO |
| 186 | 266942-0 | BULLONE A TESTA INCASSATA H.L. M5X20 |
| 187 | 140587-1 | MOLLA DI RIAVVOLGIMENTO COMPLETA |
| 188 | 181162020 | TAMBURO PER CAVI |
| 188-1 | 452224-8 | TAMBURO PER CAVI |
| 189 | 234193-3 | MOLLA EASY START |
| 190 | 181163090 | RUOTA MOTORINO DI AVVIAMENTO |
| 190-1 | 452227-2 | DRIVER EASY START |
| 191 | 181163095 | VITE AUTOFILETTANTE A GRADINI 5X16,5 |
| 191-1 | 266616-3 | VITE |
| 192 | 108164020 | FUNE DI AVVIAMENTO 3,5 MM (L=0,98 M) |
| 194 | 143331-5 | VOLANO COMPLETO |
| D10 | ||
| 195 | 181166100 | CRICCHETTO DI AVVIAMENTO CP |
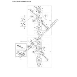
| 200 | 181153100 | CARBURATORE |
| D10 | ||
| 202 | 181153030 | COPERCHIO POMPA |
| D10 | ||
| 203 | 038153360 | VITE |
| 204 | 181153040 | COPERCHIO MEMBRANA |
| 205 | ZJ00000014 | VITE (CON DENTELLATURA) |
| 206 | 181153020 | SET DAIPHRAGM/GUARNIZIONI |
| D10 | ||
| 207 | 181153050 | DIAFRAMMENTE POMPA TEFLON |
| 208 | 038153210 | SFERA DI BLOCCAGGIO |
| 209 | 181153070 | VITE DI ARRESTO DEL MINIMO |
| 210 | 036153040 | SCHERMO |
| 211 | 957153090 | KIT ALBERO ACCELERATORE |
| D10 | ||
| 212 | 957153080 | KIT ALBERO CHOKE |
| D10 | ||
| 213 | 957153070 | PARTI DI CONTROLLO |
| 214 | 028153480 | MOLLA |
| 215 | 181153180 | VITE DI REGOLAZIONE DEL MINIMO |
| 216 | 181153190 | VITE DI REGOLAZIONE PRINCIPALE |
| 217 | 181153220 | RONDELLA |
| 224 | 181153110 | MOLLA |
| 225 | 181153160 | MOLLA |
| 226 | 181153210 | PLUG-WELCH |
| 230 | 038155012 | FERMAGLIO DI FERMO |
| 231 | 965402995 | GUARNIZIONE |
| 250 | 181153301 | CARBURATORE (MERCATO REGOLAMENTATO) |
| D10 | ||
| D20 | ||
| 251 | 181153261 | VITE DI REGOLAZIONE DEL MINIMO L (DD) |
| 252 | 181153271 | VITE DI REGOLAZIONE PRINCIPALE H (DD) |
| 255 | 181153031 | COPERCHIO POMPA |
| 256 | 181153021 | DIAFRAMMENTI E GUARNIZIONI |
| 257 | 181153560 | KIT DI RICOSTRUZIONE |
| D10 | ||
| 258 | 181153570 | KIT ALBERO ACCELERATORE |
| 259 | 181153580 | KIT ALBERO CHOKE |
| 263 | 965604180 | CAPPUCCIO TAPPO MOLLA |
| 263-1 | 234358-7 | MOLLA TERMINALE |
| 264 | 928405000 | RONDELLA ELASTICA 5 |
| 264-1 | 267821-5 | RONDELLA ELASTICA 5 |
| 303 | 038153360 | VITE |
| 304 | 181153040 | COPERCHIO DIAFRAMMENTI |
| 305 | ZJ00000014 | VITE (CON DENTELLATURA) |
| 326 | 181153210 | PLUG-WELCH |
| 330 | 038155012 | FERMACAPELLI DI FISSAGGIO |
| 331 | 965402995 | GUARNIZIONE |
| A41 | 957004011 | UTENSILE COMPLETO |
| D10 | ||
| A42 | 944500795 | PULITORE PER ALETTE CILINDRO |
| A43 | 782033-4 | CHIAVE UNIVERSALE 13/19 |
| A44 | 940827000 | CHIAVE ANGOLARE ESALOBATA T27 |
| A44-1 | 782025-3 | CHIAVE ESALOBATA 27 |
| A45 | 783012-5 | CACCIAVITE |
| A46 | 950004002 | BUSTA DI PLASTICA |
| A46-1 | 831340-3 | BORSA PER ATTREZZI |
| 156 | 181223322 | TAMBURO FRIZIONE COMPLETO 3/8", Z=7 |
Scheda tecnica
Potrebbe anche piacerti