
(modificale nel modulo Rassicurazioni cliente)
(modificale nel modulo Rassicurazioni cliente)
(modificale nel modulo Rassicurazioni cliente)
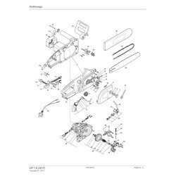
Ricambi originali Castor per la sostituzione di parti danneggiate o la riparazione della Elettrosega CP 1.8 (2017) 292614001/ALP.
Nella tabella seguente, cercate il modello della Motosega ed il rispettivo codice del ricambio.
| ALPINA CP 1.8 (2017) 292614001/ALP | ||
| Pos. | Codice | Descrizione |
| 1 | 118800421/0 | Dado |
| 2 | 118800468/0 | Dado |
| 3 | 118800445/0 | Boccola |
| 4 | 118800397/0 | Coperchio Catena |
| 5 | 118800466/0 | Anello Elastico |
| 6 | 118800413/0 | Pignone Catena |
| 7 | 118800446/0 | Molla |
| 8 | 118800462/0 | Assieme Serbatoio Olio |
| 9 | 118800460/0 | Assieme Tappo Olio |
| 10 | 118800476/0 | Vite |
| 11 | 118800396/1 | KIT CHASSIS NERO DESTRO+SINISTRO |
| 14 | 118800426/0 | Lamierino Base Barra |
| 15 | 118800432/0 | Vite |
| 16 | 118800479/0 | Rondella |
| 17 | 118800433/0 | Dado |
| 18 | 118800435/0 | Anello Di Tenuta |
| 24 | 118800399/0 | Parapolvere |
| 25 | 118800463/0 | Assieme Ruota Dentata |
| 27 | 118800407/0 | Albero |
| 28 | 118800447/0 | Molla |
| 29 | 118800406/0 | Giunto Albero |
| 30 | 118800412/0 | Ruota Dentata |
| 36 | 118805058/0 | Motore Elettrico 1800W |
| 46 | 118800453/0 | Spazzole |
| 49 | 118800461/0 | Assieme Pompa Olio |
| 50 | 118800405/0 | Tubo Mandata Olio |
| 51 | 118800477/0 | Vite |
| 52 | 118800438/0 | Staffa |
| 54 | 118800480/0 | Raccordo Tubi |
| 58 | 118800464/0 | Asta |
| 59 | 118800403/0 | Leva |
| 60 | 118800400/0 | Micro Interruttore |
| 61 | 118800423/0 | Piastrina |
| 62 | 118800425/0 | Piastrina |
| 64 | 118800414/0 | Asta Freno |
| 65 | 118800448/0 | Molla |
| 66 | 118800481/0 | Piastrina |
| 71 | 118800404/0 | Asta |
| 72 | 118800401/0 | Interruttore |
| 73 | 118800439/0 | Leva Comando Interruttore |
| 76 | 118800440/0 | Pulsante |
| 77 | 118800449/0 | Molla |
| 78 | 118800408/0 | Perno |
| 79 | 118800410/0 | Puleggia |
| 80 | 118800422/1 | Paramano |
| 81 | 118800430/0 | Vite |
| 82 | 118800394/0 | Cuffia Motore |
| 85 | 118800443/0 | Passacavo Alimentazione |
| 86 | 118800459/0 | Assieme Cavo Alimentazione |
| 87 | 118800452/0 | Condensatore |
| 93 | 118800434/0 | Gommino |
| 95 | 118800127/0 | Barra Guida 14"-3/8"-0,050" |
| 96 | 118801743/0 | Catena 14"-3/8"-0,050"-52X |
| 97 | 118801495/0 | Wrench |
| 98 | 4181297 | Copribarra 14inch |
Scheda tecnica
Potrebbe anche piacerti