- Solo online

(modificale nel modulo Rassicurazioni cliente)
(modificale nel modulo Rassicurazioni cliente)
(modificale nel modulo Rassicurazioni cliente)
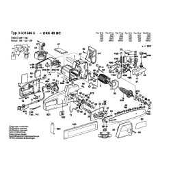
Ricambi originali Bosch per la sostituzione o la riparazione di parti danneggiate od usurate della Elettrosega GKE 40 BC - 0601586803.
Nella tabella seguente, cercate il modello dell' Elettrosega ed il rispettivo codice del ricambio.
| Elettrosega GKE 40 BC/0 601 586 803 | ||
| Pos. | Codice | Descrizione |
| 1 | 3605108103 | Carcassa Del Motore BLU |
| 2 | 1604220357 | Espansione Polare 220-240V |
| 6 | 1600703025 | Beccuccio Ø9,6-Ø10,2x70 MM |
| 7 | 2601035001 | Portacavo |
| 9 | 1601110483 | Targa di fabbricazione |
| 12 | 1607328028 | Filtro Di Soppressione |
| 13 | 3600905135 | Cuscinetto Rigido A Sfere 607-2Z |
| 14 | 3600905136 | Cuscinetto Rigido A Sfere |
| 16 | 1604336024 | Portaspazola |
| 20 | 2603410001 | Vite a Testa Cilindrica M3x6,5-4.8 |
| 23 | 3605500084 | Coperchio NERO |
| 24 | 3602311018 | Scudo |
| 26 | 3605500037 | Cuffia Di Protezione |
| 27 | 3601012000 | Sbarra Di Copertura |
| 28 | 1600502011 | Spessore |
| 30 | 3600591003 | De Flettore Arua |
| 32 | 3600190007 | Gola Piatta |
| 33 | 1600206026 | Spessore |
| 34 | 1600290016 | Guarnizione Tenuta Radiale |
| 35 | 1600300090 | Spessore |
| 36 | 3606317021 | Ruota Dentata Frontale Z=41 |
| 37 | 1600910018 | Cuscinetto a rullini Ø8xØ12x8 MM |
| 38 | 3603124011 | Albero di trasmissione |
| 39 | 3600323000 | Bussola A Collare - NON FORNIBILE |
| 41 | 2916650903 | Anello Di ritenuta DIN 471-12x1-FSTM |
| 42 | 3600283034 | Guarnizione Tenuta Radial 8X12X3 |
| 43 | 3607030320 | Serbatoio Dell'olio |
| 47 | 3603121004 | Tirante Filettato |
| 48 | 3601990001 | Leva Oscillante |
| 55 | 3604651002 | Molla Di Richiamo |
| 56 | 3604431018 | Cavo Di Collegamento L=420 MM BLU |
| 57 | 3604431012 | Cavo Di Collegamento L=180 MM BIANCO - NON FORNIBILE |
| 58 | 1604477005 | Spina Piatta |
| 61 | 2915011007 | Dado Esagonale DIN 934-M6-8-A |
| 62 | 3603414026 | Viti A Testa Bombata DIN 7981-ST3,9x16-C-H |
| 63 | 3603410001 | Vite a Testa Cilindrica |
| 64 | 2910141203 | Vite cilindrica esagonal DIN 912-M6x25-8.8 |
| 67 | 2914201506 | Vite A Testa Svasata 4x18 MM,TORX T20 |
| 68 | 2914411403 | Vite Con Filetto Scan. DIN 7500-CM 5x12-ST |
| 69 | 3600000006 | Piastra Di Copertura |
| 71 | 3600703001 | Tubo Flessibile - NON FORNIBILE |
| 72 | 1903230007 | Sfera DIN 5401-4 MM-III-ST |
| 74 | 3604431013 | Cavo Di Collegamento L=260 MM BIANCO - NON FORNIBILE |
| 75 | 3604630000 | Molla Di Compressione |
| 78 | 1907950006 | Cacciavite Ad Angolo DIN 911-SW5 NERO |
| 79 | 3601119077 | Targhetta Indicatrice ATTENZIONE |
| 80 | 3601110241 | Targhetta Indicatrice |
| 87 | 1600101023 | Rondella piana 0,5 MM SPESSORE |
| 88 | 3603121003 | Perno Di Fissaggio |
| 90 | 2914552107 | Vite Con Microcapsula DIN 84-AM4x12-8.8 |
| 90 | 2910211006 | Vite Autofilettante DIN 7971-BZ2,9x13 |
| 91 | 3600210015 | O-ring 4,0x1,0 MM |
| 92 | 3600301007 | Boccola Sinerizzata 14 MM |
| 93 | 3607218001 | Regolatore velocità 230-240V |
| 94 | 3604438005 | Cavo Di Collegamento L=300 MM GRIGIO |
| 95 | 3604438004 | Cavo Di Collegamento L=300 MM BLU - NON FORNIBILE |
| 96 | 3604438006 | Cavo Di Collegamento L=420 MM BIANCO |
| 100 | 1601110310 | Targhetta Indicatrice |
| 199 | 1601110286 | Targhetta Indicatrice |
| 650 | 3605500038 | Cuffia Di Protezione NERO |
| 745 | 3602317011 | Rotaia Di Guida 400 MM |
| 746 | 3604730008 | Catena Per Segatrice 400 MM |
| 804 | 1607200107 | Interrrutore Apre Chiude |
| 816/30 | 1607014129 | Serie Spazzole |
| 816/40 | 2604652008 | Molla A Spirale |
| 821 | 3607031214 | Guscio Carcassa |
| 825 | 3605500082 | Coperchio D'ingranaggio |
| 830 | 3604010050 | Indotto 220-240V |
| 835 | 1614460026 | Linea Di Collegamento EU 4,15m 2 x 1,0mm H07 RN-F |
| 840 | 3607031199 | Ruota Per Catene |
| 844 | 3603317002 | Coperchio Di Serbatoio |
| 853 | 3607031182 | Dispos Impianto Frenante |
| 873 | 3606317031 | Albero Con Ruota Dentata Z=38 |
| 888 | 1601106032 | Targhetta 26x52 MM |
Scheda tecnica
Potrebbe anche piacerti