- Solo online

(modificale nel modulo Rassicurazioni cliente)
(modificale nel modulo Rassicurazioni cliente)
(modificale nel modulo Rassicurazioni cliente)
Distribuzione e Vendita di Ricambi Originali Alpina-Stiga-Castelgarden-Castor-Mountfield. Garantiamo prezzi bassi e un servizio di Assistenza Tecnica Autorizzato con riparazione professionale in grado di consigliarti l'acquisto del ricambio più adatto a risolvere rapidamente ogni problema di manutenzione del Trattorino ALPINA K 90 (2010) 2T0320221/10.
Nella tabella seguente, cercate il modello dello Spazzaneve ed il rispettivo codice del ricambio.
| ALPINA K 90 (2010) 2T0320221/10 | ||
| Telaio Low End Pag.1 | ||
| 2 | 382774253/0 | Staffa |
| 3 | 112735121/0 | Vite |
| 4 | 325785243/1 | Supp. Cruscotto Sinistro |
| 5 | 325785245/0 | Supp. Cruscotto Destro |
| 6 | 112818690/0 | Vite |
| 7 | 112293201/0 | Dado |
| 8 | 382785151/1 | Supp. Cruscotto Posteriore |
| 9 | 112735110/0 | Vite |
| 10 | 325785255/0 | Supporto Cruscotto Centrale |
| 11 | 112735110/0 | Vite |
| 12 | 112815200/0 | Vite |
| 13 | 112292102/0 | Dado |
| 14 | 325785241/0 | Supporto |
| 15 | 112815200/0 | Vite |
| 16 | 112292102/0 | Dado |
| 17 | 382785153/1 | Supp. Cruscotto Anteriore |
| 18 | 112815200/0 | Vite |
| 19 | 112292102/0 | Dado |
| 31 | 325785249/0 | Supporto Sedile |
| 32 | 112815200/0 | Vite |
| 33 | 112292102/0 | Dado |
| 34 | 325785257/0 | Supporto Sedile To 31-August-2008 |
| 34 | 325785257/1 | Supporto Sedile From 01-September-2008 |
| 35 | 112818690/0 | Vite |
| 36 | 112293201/0 | Dado |
| 37 | 325755039/0 | Squadretta |
| 38 | 112792611/0 | Vite |
| 39 | 112293201/0 | Dado |
| 40 | 122524970/2 | Perno Fulcro |
| 41 | 112155010/0 | Dado |
| 42 | 325755043/0 | Squadretta |
| 43 | 325430253/0 | Molla |
| 44 | 112789000/0 | Vite |
| 45 | 112154330/0 | Dado |
| 46 | 125430257/0 | Molla |
| 47 | 112523070/0 | Rondella |
| 48 | 112760515/0 | Vite |
| 49 | 122671653/0 | Rondella |
| 50 | 112360425/0 | Dado |
| 51 | 325122000/2 | Cappuccio |
| 52 | 382547041/0 | Piastra Posteriore |
| 53 | 112792611/0 | Vite |
| 54 | 112293201/0 | Dado |
| 55 | 325650119/0 | Rinforzo Piastra |
| 56 | 112792611/0 | Vite |
| 57 | 112293201/0 | Dado |
| 58 | 112818690/0 | Vite |
| 59 | 112293201/0 | Dado |
| 60 | 127430554/0 | Molla |
| 61 | 112735110/0 | Vite |
| 83 | 112792611/0 | Vite |
| 84 | 112293201/0 | Dado |
| 88 | 382510079/0 | Supporto Pedana Sinistra |
| 89 | 382510077/0 | Supporto Pedana Destra |
| 94 | 112815200/0 | Vite |
| 95 | 112292102/0 | Dado |
| Carrozzeria Pag.2 | ||
| 1 | 182076832/0 | Cofano Giallo |
| 2 | 125547104/0 | Piastrina Gialla |
| 3 | 125485001/0 | Parabola Fari |
| 4 | 125410865/0 | Mascherina |
| 5 | 125430215/0 | Molla Aggancio To 31-August-2010 |
| 5 | 125430215/1 | Molla Aggancio From 01-September-2010 |
| 6 | 112728450/0 | Vite |
| 7 | 325108028/0 | Convogliatore |
| 8 | 112728686/0 | Vite |
| 21 | 125510039/0 | Perno |
| 22 | 112436050/0 | Piastrina |
| 23 | 325547089/0 | Piastrina To 31-August-2010 |
| 23 | 325547089/1 | Piastrina Destra From 01-September-2010 |
| 24 | 325547091/0 | Piastrina To 31-August-2010 |
| 24 | 325547091/1 | Piastrina Sinistra From 01-September-2010 |
| 25 | 112731580/0 | Vite |
| 26 | 382869031/0 | Protezione Silenziatore |
| 28 | 112734995/0 | Vite |
| 31 | 325599008/0 | Profilo Cruscotto Destro |
| 32 | 325599009/0 | Supp. Cruscotto Sinistro |
| 33 | 112815221/0 | Vite |
| 34 | 112521330/0 | Rondella |
| 35 | 112154510/0 | Dado |
| 36 | 325120189/0 | Cruscotto |
| 37 | 112728440/0 | Vite |
| 38 | 112735402/0 | Vite |
| 39 | 125260000/0 | Gommino |
| 40 | 325600074/0 | Protezione Scheda |
| 41 | 112735402/0 | Vite |
| 42 | 325547181/0 | Piastrina |
| 91 | 325110365/0 | Copertura Centrale, Giallo |
| 93 | 125580020/0 | Piolo |
| 94 | 325110323/0 | Copertura Ruote Giallo |
| 95 | 112735402/0 | Vite |
| 96 | 112735402/0 | Vite |
| 97 | 325755041/0 | Squadretta |
| 98 | 112728686/0 | Vite |
| 99 | 112735110/0 | Vite |
| Sterzo 13" Pag.3 | ||
| 1 | 325038004/0 | Boccola |
| 2 | 125520006/1 | Piantone Sterzo |
| 3 | 127570050/0 | Pignone |
| 4 | 112622650/0 | Spina |
| 5 | 325743000/0 | Snodo |
| 6 | 112521370/0 | Rondella |
| 7 | 112436030/0 | Piastrina |
| 8 | 325785213/0 | Supporto Snodo Sterzo To 31-August-2010 |
| 8 | 325785213/1 | Supporto From 01-September-2010 |
| 9 | 112729601/0 | Vite To 31-August-2003 |
| 9 | 112729601/1 | Vite From 01-September-2003 |
| 12 | 112379511/0 | Ingrassatore |
| 13 | 325040624/0 | Boccola |
| 16 | 125510092/0 | Perno |
| 17 | 125670019/0 | Rondella |
| 18 | 325735513/0 | Settore Sterzo |
| 19 | 112523080/0 | Rondella |
| 20 | 112155020/0 | Dado |
| 21 | 325318205/0 | Leva |
| 22 | 112523080/0 | Rondella |
| 23 | 112794985/0 | Vite |
| 24 | 325743000/0 | Snodo |
| 25 | 325785213/0 | Supporto Snodo Sterzo To 31-August-2010 |
| 25 | 325785213/1 | Supporto From 01-September-2010 |
| 26 | 112791213/0 | Vite To 31-August-2003 |
| 26 | 112791213/1 | Vite From 01-September-2003 |
| 27 | 112521330/0 | Rondella |
| 28 | 112154510/0 | Dado |
| 29 | 382000538/1 | Asta Comando Sterzo |
| 30 | 112523070/0 | Rondella |
| 31 | 112155010/0 | Dado |
| 41 | 382034021/1 | Bilanciere Con Boccola Ed Ingrassatore |
| 42 | 325040622/0 | Boccola |
| 43 | 112379511/0 | Ingrassatore |
| 44 | 125160016/0 | Distanziale To 31-August-2013 |
| 44 | 125160016/1 | Distanziale From 01-September-2013 |
| 45 | 112692695/0 | Vite |
| 46 | 112523100/0 | Rondella |
| 47 | 112587100/0 | Grower |
| 48 | 112295300/0 | Dado |
| 49 | 382230363/0 | Fusello Destro |
| 50 | 382230365/0 | Fusello Sinistro |
| 51 | 112001000/0 | Anello Benzing |
| 52 | 325743000/0 | Snodo |
| 53 | 325785213/0 | Supporto Snodo Sterzo To 31-August-2010 |
| 53 | 325785213/1 | Supporto From 01-September-2010 |
| 54 | 112791213/0 | Vite To 31-August-2003 |
| 54 | 112791213/1 | Vite From 01-September-2003 |
| 55 | 112521330/0 | Rondella |
| 56 | 112154510/0 | Dado |
| 57 | 125840022/0 | Tirante |
| 58 | 125510096/0 | Perno |
| 59 | 112295200/0 | Dado |
| 60 | 112156602/0 | Dado |
| 61 | 112000956/0 | Anello Benzing |
| Comando Freno e Comando Cambio Pag.4 | ||
| 1 | 382500027/1 | Pedale |
| 2 | 125110269/0 | Copristaffa |
| 3 | 327546015/1 | Piastrina |
| 4 | 112729601/0 | Vite To 31-August-2003 |
| 4 | 112729601/1 | Vite From 01-September-2003 |
| 5 | 382000541/1 | Asta |
| 6 | 112523040/0 | Rondella |
| 7 | 112154510/0 | Dado |
| 8 | 112521350/0 | Rondella |
| 9 | 112436050/0 | Piastrina |
| 10 | 325785261/0 | Supporto |
| 11 | 112815200/0 | Vite |
| 12 | 112292102/0 | Dado |
| 13 | 382000531/0 | Asta |
| 14 | 122524970/2 | Perno Fulcro |
| 15 | 112155000/0 | Dado |
| 16 | 125430213/0 | Molla |
| 17 | 325207172/0 | Piastrina |
| 31 | 125510035/0 | Perno |
| 32 | 382774247/0 | Staffa |
| 33 | 322672152/0 | Rondella Antifrizione |
| 34 | 112523060/0 | Rondella |
| 35 | 112155010/0 | Dado |
| 36 | 382318215/0 | Leva |
| 37 | 125394510/0 | Manopola |
| 38 | 125430258/0 | Molla |
| 39 | 112692050/0 | Vite |
| 40 | 112155000/0 | Dado |
| 41 | 382000545/0 | Asta |
| 43 | 112155000/0 | Dado |
| 44 | 325318169/0 | Leva |
| 45 | 112521340/0 | Rondella |
| 46 | 124487997/0 | Coppiglia |
| 47 | 112735520/0 | Vite |
| 48 | 112540040/0 | Rondella |
| 49 | 322680009/0 | Rondella |
| 50 | 114361447/0 | Etichetta |
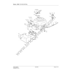
| Motore B&S 11,5-12,5-13,5 Hp Pag.5 | ||
| 2 | 325869057/0 | Tubo Carburante |
| 3 | 118375051/1 | Fascetta |
| 4 | 118738224/0 | Tubo Raccordo Scarico |
| 5 | 112583500/0 | Grower |
| 6 | 112735530/0 | Vite |
| 7 | 112691115/0 | Vite |
| 8 | 112540260/0 | Rosetta Dentellata |
| 9 | 112154210/0 | Dado |
| 10 | 125598050/0 | Prolunga Scarico Olio |
| 11 | 118737849/0 | Tappo |
| 12 | 118401001/1 | Guarnizione |
| 14 | 112793102/0 | Vite |
| 15 | 112540260/0 | Rosetta Dentellata |
| 16 | 182750010/0 | Silenziatore |
| 17 | 112360425/0 | Dado |
| 18 | 382598009/1 | Protezione Silenziatore To 31-August-2003 |
| 18 | 382598009/2 | Protezione Silenziatore From 01-September-2003 |
| 19 | 112792611/0 | Vite |
| 20 | 112583500/0 | Grower |
| 24 | 112154210/0 | Dado |
| 25 | 112691100/0 | Vite |
| 41 | 112791213/0 | Vite To 31-August-2003 |
| 41 | 112791213/1 | Vite From 01-September-2003 |
| 42 | 112292102/0 | Dado |
| 43 | 118736110/0 | Relé Avviamento |
| 44 | 112360352/0 | Dado |
| 45 | 118564864/1 | Cappuccio |
| 46 | 125065017/0 | Cavo Relé Avv. |
| 61 | 182000200/1 | Cavo Acceleratore |
| 62 | 125943012/0 | Vite |
| 64 | 125394501/0 | Manopola |
| 65 | 112726388/0 | Vite |
| 66 | 112290800/0 | Dado |
| Gruppo Trasmissione con Frizione Pag.6 | ||
| 1 | 118399061/0 | Frizione To 31-August-2007 |
| 1 | 118399063/0 | Frizione From 01-September-2007 |
| 2 | 112737320/0 | Vite |
| 3 | 112543000/0 | Rondella |
| 4 | 122430216/0 | Molla Tensionamento To 31-August-2010 |
| 4 | 122430216/1 | Molla From 01-September-2010 |
| 5 | 125601567/0 | Puleggia |
| 6 | 125160021/0 | Distanziale |
| 7 | 382318217/0 | Leva |
| 8 | 112691115/0 | Vite |
| 9 | 112523060/0 | Rondella |
| 10 | 327670055/0 | Rondella Antifrizione |
| 11 | 125510087/0 | Perno |
| 12 | 112523060/0 | Rondella |
| 13 | 112155000/0 | Dado |
| 14 | 125601554/0 | Puleggia |
| 15 | 112523060/0 | Rondella |
| 16 | 112155000/0 | Dado |
| 17 | 125430260/0 | Molla |
| 18 | 325755049/0 | Squadretta |
| 19 | 125840005/0 | Tirante |
| 20 | 112293200/0 | Dado |
| 21 | 112818690/0 | Vite |
| 22 | 112293201/0 | Dado |
| 23 | 382820013/0 | Ass. Tirante |
| 24 | 112155000/0 | Dado |
| 25 | 125510063/0 | Perno |
| 26 | 325670011/0 | Rondella Antifrizione |
| 27 | 112155000/0 | Dado |
| 28 | 112521350/0 | Rondella |
| 29 | 112604899/0 | Fissatore A Corona |
| 30 | 135062012/0 | Cinghia |
| 31 | 119410610/0 | Micro Interruttore |
| 32 | 125065026/0 | Cavo |
| 41 | 125510100/0 | Perno |
| 42 | 112691800/0 | Vite |
| 43 | 125601555/0 | Puleggia |
| 44 | 112523060/0 | Rondella |
| 45 | 112155000/0 | Dado |
| 46 | 125160014/1 | Distanziale |
| 47 | 125160018/1 | Distanziale |
| 48 | 112691200/0 | Vite |
| 49 | 112691100/0 | Vite |
| 50 | 125601588/0 | Puleggia |
| 51 | 122671653/0 | Rondella |
| 52 | 112155000/0 | Dado |
| 53 | 118400912/0 | Asse Posteriore (Dana 4360-211) |
| 54 | 112691900/0 | Vite |
| 55 | 112154210/0 | Dado |
| 56 | 325774247/0 | Staffa |
| 57 | 112735150/0 | Vite |
| 58 | 112792611/0 | Vite |
| 59 | 112293201/0 | Dado |
| 60 | 182601509/0 | Puleggia |
| 61 | 112139430/0 | Linguetta |
| 62 | 112608950/0 | Seeger |
| 63 | 125270321/0 | Guida Cinghia |
| 64 | 112523040/0 | Rondella |
| 65 | 112292102/0 | Dado |
| 66 | 125160034/0 | Distanziale |
| 67 | 112521410/0 | Rondella |
| 71 | 125580030/0 | Piolo Guidacinghia |
| 72 | 112523060/0 | Rondella |
| 73 | 112360425/0 | Dado |
| Sollevamento Piatto di Taglio Pag.7 | ||
| 1 | 382774249/0 | Staffa |
| 2 | 382318219/0 | Leva |
| 3 | 125394508/0 | Manopola |
| 4 | 112674700/0 | Vite |
| 5 | 112154510/0 | Dado |
| 6 | 325650113/0 | Piastrina |
| 7 | 112818690/0 | Vite |
| 8 | 112155000/0 | Dado |
| 9 | 122041980/0 | Boccola |
| 10 | 112523060/0 | Rondella |
| 11 | 112691600/0 | Vite |
| 12 | 112155000/0 | Dado |
| 13 | 125430259/0 | Molla |
| 14 | 325735511/0 | Settore |
| 15 | 112818690/0 | Vite |
| 16 | 112293201/0 | Dado |
| 17 | 382000387/0 | Asse |
| 18 | 325547041/0 | Piastrina Sinistra |
| 19 | 112731601/0 | Vite |
| 20 | 382000536/0 | Asta |
| 21 | 325670011/0 | Rondella Antifrizione |
| 22 | 124487998/0 | Coppiglia |
| 23 | 325670008/1 | Rondella |
| 24 | 112436050/0 | Piastrina |
| 25 | 122446402/0 | Molla |
| 26 | 112792410/0 | Vite |
| 27 | 112292102/0 | Dado |
| 28 | 382000537/0 | Asta Collegamento |
| 29 | 325670008/1 | Rondella |
| 30 | 112156602/0 | Dado |
| 31 | 124487998/0 | Coppiglia |
| 32 | 125840025/0 | Tirante |
| 33 | 325670008/1 | Rondella |
| 34 | 124487998/0 | Coppiglia |
| 35 | 125510090/0 | Perno |
| 36 | 112295200/0 | Dado |
| 37 | 112156602/0 | Dado |
| 38 | 325670008/1 | Rondella |
| 39 | 112156602/0 | Dado |
| 41 | 382000385/0 | Asse |
| 42 | 327546015/1 | Piastrina |
| 43 | 112731350/0 | Vite |
| 44 | 125840024/0 | Tirante |
| 45 | 325670008/1 | Rondella |
| 46 | 124487998/0 | Coppiglia |
| 47 | 125510098/0 | Perno |
| 48 | 112295200/0 | Dado |
| 49 | 112156602/0 | Dado |
| 50 | 325670008/1 | Rondella |
| 51 | 112156602/0 | Dado |
| 52 | 125840025/0 | Tirante |
| 53 | 325670008/1 | Rondella |
| 54 | 124487998/0 | Coppiglia |
| 55 | 125510090/0 | Perno |
| 56 | 112295200/0 | Dado |
| 57 | 112156602/0 | Dado |
| 58 | 325670008/1 | Rondella |
| 59 | 112156602/0 | Dado |
| Protezione e Convogliatore Pag.8 | ||
| 1 | 325060111/0 | Carter Protezione Cinghia Dx |
| 2 | 125580007/0 | Piolo Guidacinghia |
| 3 | 112155000/0 | Dado |
| 4 | 112293201/0 | Dado |
| 5 | 112735110/0 | Vite |
| 6 | 325060112/0 | Carter Protezione Cinghia Sx |
| 7 | 112735110/0 | Vite |
| 8 | 382270301/0 | Guida Cinghia |
| 9 | 112293201/0 | Dado |
| 10 | 112155000/0 | Dado |
| 11 | 125033060/0 | Attacco Lavaggio Piatto |
| 12 | 119035000/0 | Anello Or |
| 13 | 112500030/0 | Rivetto |
| 31 | 382108008/0 | Convogliatore |
| 33 | 325774373/0 | Staffa |
| Piatto di Taglio Pag.9 | ||
| 1 | 382564075/0 | Piatto Di Taglio Nero |
| 2 | 382207202/0 | Ass. Flangia Sinistra |
| 3 | 125020802/0 | Albero |
| 5 | 119216032/0 | Cuscinetto To 31-August-2010 |
| 5 | 119216047/0 | Cuscinetto From 01-September-2010 |
| 6 | 325160501/0 | Disco Parapolvere |
| 7 | 112609260/0 | Seeger |
| 8 | 382207203/0 | Ass. Flangia Destra |
| 9 | 125020803/0 | Albero Lama Secondario |
| 11 | 119216032/0 | Cuscinetto To 31-August-2010 |
| 11 | 119216047/0 | Cuscinetto From 01-September-2010 |
| 12 | 325160501/0 | Disco Parapolvere |
| 13 | 112609260/0 | Seeger |
| 14 | 112139480/0 | Linguetta |
| 15 | 112818700/0 | Vite To 31-August-2016 |
| 15 | 9959-0825-16 | Vite From 01-September-2016 |
| 16 | 112154210/0 | Dado |
| 17 | 125601563/0 | Puleggia |
| 18 | 125670007/0 | Rondella |
| 19 | 112583500/0 | Grower |
| 20 | 112793102/0 | Vite |
| 21 | 125160007/0 | Distanziale To 31-August-2010 |
| 21 | 125160007/1 | Distanziale From 01-September-2010 To 31-August-2013 |
| 21 | 125160079/0 | Distanziale From 01-September-2013 |
| 22 | 125670007/0 | Rondella |
| 23 | 125601555/0 | Puleggia To 31-August-2013 |
| 23 | 325601599/0 | Puleggia From 01-September-2013 |
| 24 | 112691115/0 | Vite |
| 25 | 112523060/0 | Rondella |
| 26 | 112155000/0 | Dado |
| 27 | 135061508/0 | Cinghia Trasmissione |
| 31 | 382318141/2 | Leva |
| 32 | 112691700/0 | Vite |
| 33 | 112523070/0 | Rondella |
| 34 | 322672152/0 | Rondella Antifrizione |
| 35 | 112155000/0 | Dado |
| 36 | 125601564/0 | Puleggia To 31-August-2013 |
| 36 | 125601564/1 | Puleggia From 01-September-2013 |
| 37 | 119216033/1 | Cuscinetto To 31-August-2010 |
| 37 | 119216048/0 | Cuscinetto From 01-September-2010 |
| 38 | 112610800/0 | Anello Elastico |
| 39 | 112609200/0 | Seeger |
| 40 | 382004618/0 | Filo |
| 41 | 382774215/2 | Staffa To 31-August-2010 |
| 41 | 382774215/3 | Staffa From 01-September-2010 |
| 42 | 112792611/0 | Vite |
| 43 | 112293201/0 | Dado |
| 51 | 112139100/0 | Linguetta |
| 52 | 1134-9159-01 | Mozzo Coltello Stiga Packed into 125463200/0 |
| 52 | 125463200/0 | Mozzo Coltello |
| 53 | 182004352/0 | Lama Destra Mulching |
| 54 | 181004346/3 | Lama Sinistra Mulching |
| 55 | 182004354/0 | Lama Destra Mulching, Alettato |
| 56 | 182004345/1 | Coltello Destro, Alettato |
| 57 | 122160400/0 | Disco Elastico |
| 58 | 112523080/0 | Rondella |
| 59 | 112735695/1 | Vite |
| 60 | 112735694/0 | Vite |
| 61 | 382000535/0 | Asta Bilanciere To 31-August-2015 |
| 61 | 382000535/0LC | Asta Bilanciere From 01-September-2015 |
| 62 | 382000533/0 | Asta Bilanciere |
| 63 | 325670008/1 | Rondella |
| 64 | 112156602/0 | Dado |
| 65 | 325670008/1 | Rondella |
| 66 | 124487998/0 | Coppiglia |
| 67 | 182004353/0 | Lama Sinistra, Alettata Mulching |
| 68 | 182004344/1 | Coltello Sinistro, Alettato |
| 69 | 1134-9223-01 | Lame Mulching, Destra e Sinistra Stiga Packed into 181004346/3 + 182004352/0 |
| 70 | 1134-9222-01 | Lame Alettate Mulching, Destra e Sinistra Stiga Packed into 182004353/0 + 182004354/0 |
| 71 | 1134-9224-01 | Lame Alettate, Destra e Sinistra Stiga Packed into 182004344/1 + 182004345/1 |
| Sacco di raccolta Low End 260 Lt Pag.10 | ||
| 1 | 325785277/0 | Supporto |
| 2 | 112293201/0 | Dado |
| 3 | 112818690/0 | Vite |
| 11 | 325755031/1 | Squadretta From 01-September-2010 |
| 12 | 112789000/0 | Vite |
| 13 | 325774315/0 | Staffa To 31-August-2010 |
| 13 | 325774315/1 | Staffa From 01-September-2010 |
| 14 | 125510080/0 | Perno To 31-August-2010 |
| 14 | 125510080/1 | Perno From 01-September-2010 |
| 15 | 112292102/0 | Dado |
| 16 | 122450432/0 | Molla |
| 17 | 112154330/0 | Dado |
| 21 | 382800110/0 | Telaio Bocca Sacco |
| 22 | 182105974/0 | Confezione Sacco |
| 23 | 382180047/0 | Vite |
| 31 | 382110273/0 | Ass. Copertura Sacco + Maniglia |
| 32 | 127394000/0 | Maniglia |
| 33 | 112789020/0 | Vite |
| 34 | 112523020/0 | Rondella |
| 35 | 112154330/0 | Dado |
| 41 | 125600041/0 | Grassc.Full Micro Protection Tcj-F |
| 42 | 125600042/0 | Grasscatcher Micro Prot Cover |
| 43 | 125318124/0 | Leva Comando Micro |
| 44 | 112400030/0 | Perno |
| 45 | 325785272/0 | Protezione Micro |
| 46 | 112728510/0 | Vite |
| 47 | 125600048/0 | Coperchio Protezione Micro Sacco Pieno |
| 48 | 112735110/0 | Vite |
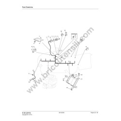
| Parti Elettriche Pag.11 | ||
| 1 | 182040143/0 | Cablaggio To 31-August-2009 |
| 1 | 182040153/0 | Cablaggio From 01-September-2009 To 31-August-2014 |
| 1 | 182040201/0 | Cablaggio - ISO From 01-September-2014 |
| 2 | 118450072/0 | Interruttore Avviamento |
| 3 | 118550136/0 | Distanziale |
| 4 | 118550135/0 | Rondella |
| 5 | 118400862/0 | Ghiera |
| 6 | 118210022/0 | Chiave Avviamento |
| 7 | 112727810/0 | Vite |
| 8 | 133320506/0 | Fermacavo |
| 9 | 125722430/0 | Scheda Elettronica To 31-August-2007 |
| 9 | 125722430/1 | Scheda Elettronica (1 Led) From 01-September-2007 To 31-August-2014 |
| 9 | 125722443/0 | Scheda Elettronica (1 Led) From 01-September-2014 |
| 10 | 133215000/0 | Coperchio |
| 11 | 133340036/0 | Fusibile 25 A |
| 11 | 133340040/0 | Fusibile 10 A |
| 12 | 133500007/0 | Portafusibile |
| 13 | 119410606/0 | Micro Interruttore To 31-August-2009 |
| 13 | 119410613/0 | Micro Interruttore From 01-September-2010 To 31-August-2019 |
| 13 | 119410615/0 | Micro Interruttore From 01-September-2009 To 31-August-2010 |
| 13 | 119410622/1 | Micro Interruttore From 01-September-2019 |
| 14 | 119410605/1 | Micro Interruttore |
| 15 | 325256250/0 | Ghiera |
| 16 | 325605003/0 | Pulsante Retromarcia |
| 24 | 182040070/0 | Cablaggio Portalampade for Lamp Version |
| 25 | 133500030/0 | Portalampade |
| 26 | 118459100/0 | Lampada |
| 27 | 118450073/0 | Interruttore Frizione Red |
| 28 | 118450060/1 | Interuttore Fari To 31-August-2016 |
| 28 | 118450060/1LC | Interuttore Fari From 01-September-2016 To 26-June-2019 |
| 28 | 118450084/0 | Interuttore Fari From 27-June-2019 |
| 31 | 118120002/1 | Batteria To 31-August-2016 |
| 31 | 118120007/0 | Batteria From 01-September-2016 |
| 33 | 118564861/1 | Cappuccio To 31-August-2017 |
| 33 | 118564861/2 | Cappuccio From 01-September-2017 |
| 35 | 133320506/0 | Fermacavo |
| 36 | 327772099/1 | Staffa |
| 37 | 382785191/0 | Supporto Batteria |
| 38 | 112155000/0 | Dado |
| Accessori a Richiesta Pag.12 | ||
| 2 | 382869035/0 | Tubo Di Aggancio |
| 3 | 125510022/0 | Perno To 31-August-2012 |
| 3 | 125510022/1 | Perno From 01-September-2012 |
| 4 | 124487998/0 | Coppiglia |
| 5 | 382180062/0 | Dotazione Viteria |
| 23 | 112760520/0 | Vite |
| 24 | 112155000/0 | Dado |
| 42 | 125510021/1 | Perno |
| 43 | 124487999/0 | Coppiglia |
| 51 | 182180050/0 | Carica Batteria To 31-August-2009 |
| 51 | 182180090/0 | Carica Batteria 12V 1A - CE Plugg From 01-September-2009 |
| 72 | 325140093/0 | Deflettore |
| 73 | 325394007/0 | Manico |
| 74 | 125510077/0 | Perno |
| 75 | 125430245/0 | Molla |
| 76 | 112735410/0 | Vite |
| 77 | 325280000/1 | Impugnatura |
| 78 | 125840011/1 | Tirante |
| 79 | 125253004/0 | Gancio Fissaggio Kit Mulching |
| Etichette Pag.13 | ||
| 1 | 114361440/0 | Etichetta |
| 2 | 125420019/0 | Etichetta To 31-August-2014 |
| 2 | 125420024/0 | Etichetta From 01-September-2014 |
| 3 | 125420018/0 | Etichetta |
| 4 | 114361438/0 | Etichetta |
| 5 | 114361439/0 | Etichetta |
| 6 | 114361452/0 | Etichetta |
| 7 | 114356699/1 | Etichetta Pericolo Piatto |
| 10 | 114361441/0 | Etichetta |
| 11 | 114361553/0 | Etichetta Prescrizioni To 31-August-2009 |
| 11 | 114361553/1 | Etichetta Prescrizioni From 01-September-2009 |
| 12 | 125420020/0 | Etichetta |
| 13 | 114364616/0 | Etichetta |
| Serbatoio 4-5 Lt Pag.14 | ||
| 1 | 325735124/0 | Serbatoio Benzina |
| 2 | 125795001/1 | Tappo |
| 3 | 325785291/0 | Supporto |
| 4 | 112789195/0 | Vite |
| 5 | 112581500/0 | Grower |
| 6 | 112437503/0 | Piastrina |
| 7 | 325785289/0 | Supporto |
| 8 | 112735403/0 | Vite |
| 11 | 325207176/0 | Vaschetta |
| Sedile e Volante Pag.15 | ||
| 1 | 125961201/0 | Volante |
| 2 | 325120230/0 | Copertura |
| 3 | 112620299/0 | Spina Elastica |
| 11 | 325547033/1 | Piastra Sedile |
| 12 | 125430223/2 | Molla |
| 13 | 112789000/0 | Vite |
| 14 | 112154330/0 | Dado |
| 15 | 327063021/1 | Camma |
| 16 | 112789100/0 | Vite |
| 17 | 112523020/0 | Rondella |
| 18 | 112154330/0 | Dado |
| 19 | 125722470/0 | Sedile |
| 20 | 112793101/0 | Vite |
| 21 | 112583500/0 | Grower |
| 22 | 112523060/0 | Rondella |
| Ruote Pag.16 | ||
| 1 | 382680002/2 | Ruota Anteriore To 31-August-2008 |
| 1 | 382680005/1 | Ruota Anteriore |
| 2 | 182000590/1 | Cerchio Ruota |
| 3 | 125122200/2 | Cuscinetto |
| 4 | 125590000/0 | Pneumatico Anteriore To 31-August-2008 |
| 4 | 125590002/0 | Pneumatico Deli Tire 13x5.00-6 PR2 TL S365 |
| 5 | 125950000/0 | Valvola |
| 6 | 125670005/1 | Rondella |
| 7 | 112001000/0 | Anello Benzing |
| 8 | 122110230/0 | Coprimozzo |
| 11 | 382680003/0 | Ruota Posteriore |
| 11 | 382680006/0 | Ass. Ruota Posteriore |
| 12 | 182000592/0 | Cerchio Ruota Posteriore |
| 13 | 125590001/0 | Pneumatico Posteriore |
| 13 | 125590003/0 | Pneumatico Deli Tire 160/50-8 |
| 14 | 125950000/0 | Valvola |
| 15 | 125670005/1 | Rondella |
| 16 | 112001010/0 | Anello Benzing |
| 17 | 122110230/0 | Coprimozzo |
| Trasmissione Pag.17 | ||
| 1 | F000-5962-AC | Housing, Upper |
| 2 | F000-1919-00 | Vite |
| 3 | F000-5947-00 | Sfera |
| 4 | F000-5948-00 | Molla |
| 5 | F000-5950-00 | Cover, Detent |
| 6 | F084-0052-00 | Vite |
| 7 | F000-7010-00 | V-Ring |
| 8 | F000-6517-00 | Assy, Kit, Shifter |
| 9 | F000-1106-00 | Ring, Retaining |
| 10 | F000-4689-00 | Assy, Kit, Shim, .625 Shaft |
| 11 | F000-3876-00 | Rondella |
| 12 | F000-1746-00 | Chiavetta Volano |
| 13 | F000-6595-00 | Assy, Kit, Input Shaft |
| 14 | F000-5620-00 | Pinion, Bevel, 12T |
| 15 | F000-3624-00 | Ring, Retaining |
| 16 | F000-3625-00 | Chain, 24 Pitches |
| 17 | F000-5510-00 | Bearing, Flange |
| 18 | F000-5627-00 | Gear, Spur, 12T |
| 19 | F000-5303-00 | Collar, Clutch |
| 20 | F000-4758-00 | Assy, Kit, Clutch Chiaves |
| 21 | F000-5737-00 | Shaft, Intermediate |
| 22 | F000-1375-00 | Chiavetta Volano |
| 23 | F000-3627-00 | Ring, Retaining |
| 24 | F000-3830-00 | Ruota Dentata, 18T |
| 25 | F000-3841-00 | Distanziale |
| 26 | F000-5365-00 | Gear, Spur, 37T |
| 27 | F000-3867-00 | Gear, Spur, 30T |
| 28 | F000-5014-00 | Gear, Spur, 27T |
| 29 | F000-3783-00 | Gear, Spur, 25T |
| 30 | F000-5202-00 | Gear, Spur, 19T |
| 31 | F000-5027-00 | Distanziale |
| 32 | F000-3628-00 | Rondella |
| 33 | F000-5511-00 | Bearing, Flange |
| 34 | F000-5508-00 | Seal, Oil |
| 35 | F000-1425-00 | Rondella |
| 36 | F000-6358-00 | Assy, Gear, Comb., 12T & 30T |
| 37 | F000-3967-00 | Shaft, Idler |
| 38 | F000-7003-00 | Gear, Bevel, 36T |
| 39 | F000-3630-00 | Distanziale |
| 40 | F000-3645-00 | Ruota Dentata, 9T |
| 41 | F000-5016-00 | Distanziale |
| 42 | F000-5015-00 | Albero Trasmissione |
| 43 | F000-5364-00 | Gear, Spur, 12T |
| 44 | F000-3866-00 | Gear, Spur, 20T |
| 45 | F000-5013-00 | Gear, Spur, 23T |
| 46 | F000-3719-00 | Gear, Spur, 25T |
| 47 | F000-3683-00 | Gear, Spur, 31T |
| 48 | F000-3714-00 | Distanziale |
| 49 | F000-1145-00 | Rondella |
| 50 | F000-5130-00 | Rondella |
| 51 | F000-3184-00 | Rondella |
| 52 | F000-7070-10 | Asse Ruote Sinistro |
| 53 | F000-5622-00 | Gear, Miter, 12T, Splined |
| 54 | F000-5270-00 | Ring, Retaining |
| 55 | F000-3839-00 | Gear, Spur, 32T |
| 56 | F000-3919-00 | Shaft, Cross |
| 57 | F000-5623-00 | Gear, Miter, 12T, Idler |
| 58 | F000-7070-20 | Asse Ruote Destro |
| 59 | F000-4691-00 | Assy, Kit, Shim, .750 Shaft |
| 60 | F000-5304-R0 | Housing, Lower |
| 61 | F000-7109-00 | Puck, Friction |
| 62 | F000-5960-00 | Disc, Brake |
| 63 | F000-3758-00 | Distanziale |
| 64 | F000-5554-00 | Freno |
| 65 | F000-3843-00 | Vite senza testa (Grano) |
| 66 | F000-7026-00 | Lever, Actuating |
| 67 | F000-3760-00 | Rondella |
| 68 | F000-5555-00 | Bracket, Anti-Rotation |
| 69 | F000-5562-00 | Vite |
| 70 | F000-3847-00 | Dado |
| 71 | 119410610/0 | Micro Interruttore |
Scheda tecnica
Potrebbe anche piacerti