
(modificale nel modulo Rassicurazioni cliente)
(modificale nel modulo Rassicurazioni cliente)
(modificale nel modulo Rassicurazioni cliente)
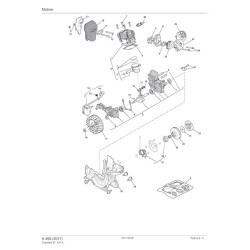
Ricambi originali Alpina per la sostituzione o la riparazione di parti danneggiate della Motosega A 400 (2011) 222116000/09.
Nella tabella seguente, cercate il modello della Motosega ed il rispettivo codice del ricambio.![]()
| ALPINA A 400 (2011) 222116000/09 pag.1 | ||
| Pos. | Codice | Descrizione |
| 1 | 183878032/0 | Vite |
| 2 | 183070006/0 | Ass. Cilindro - Pistone |
| 3 | 183590006/0 | Ass. Pistone |
| 4 | 183303515/0 | Fascia Elastica |
| 5 | 183275300/0 | Short Block Motore |
| 6 | 119035154/0 | Anello Di Tenuta |
| 7 | 119035155/0 | Anello Di Tenuta |
| 8 | 123878031/0 | Vite |
| 9 | 183303508/0 | Kit Guarnizioni Cilindro |
| 10 | 123652504/0 | Rondella |
| 11 | 123235002/0 | Gabbia A Rulli |
| 12 | 2432040 | Dado |
| 13 | 123140056/0 | Deflettore |
| 14 | 183740001/0 | Ass. Silenziatore |
| 15 | 123878028/0 | Vite |
| 16 | 123044003/0 | Bobina Elettronica |
| 17 | 183880003/0 | Ass. Volano |
| 18 | 112154200/0 | Dado |
| 19 | 123072000/0 | Linguetta Volano |
| 20 | 123051000/0 | Candela |
| 21 | 123073504/0 | Collettore Aspirazione |
| 22 | 123054017/0 | Carburatore |
| 23 | 123073505/0 | Collettore Filtro Aria |
| 24 | 123878019/0 | Vite |
| 25 | 123220004/0 | Filtro Aria - NON FORNIBILE |
| 26 | 123878033/0 | Vite |
| 27 | 183594504/0 | Ass. Pompa Olio 118550607/0 + 118550606/0 |
| 28 | 123878030/0 | Vite |
| 29 | 123235001/0 | Gabbia A Rulli |
| 30 | 123050004/0 | Ass. Campana Frizione |
| 31 | 123657008/0 | Rondella |
| 32 | 183215002/0 | Ass. Frizione |
| 33 | 3657050 | Molla Attacco Candela |
| 34 | 3748880 | Cappuccio Candela |
| 35 | 123057004/0 | Carter Motore |
| 36 | 183303510/0 | Fermacatena |
| ALPINA A 400 (2011) 222116000/09 pag.2 | ||
| 41 | 183300014/0 | Ass. Impugnatura |
| 42 | 123303001/0 | Interruttore |
| 43 | 183790005/0 | Ass. Tappo Olio |
| 44 | 183520001/0 | Ass. Pescante Miscela |
| 45 | 183790004/0 | Ass. Tappo Mix |
| 46 | 123315069/0 | Leva Acceleratore |
| 48 | 123066010/0 | Cavo Acceleratore |
| 49 | 123315070/0 | Leva Di Sicurezza |
| 50 | 6980242 | Primer |
| 51 | 123065020/0 | Cavo Massa |
| 52 | 123065021/0 | Cavo Di Stop |
| 53 | 183430550/0 | Ass. Molle |
| 54 | 3749437 | Impugnatura Avviamento |
| 55 | 183058015/1 | Ass. Avviatore Giallo From 01-september-2010 |
| 56 | 123105002/0 | Corrimano |
| 57 | 123087013/0 | Copricilindro Giallo |
| 58 | 123593504/0 | Pomello |
| 59 | 123160053/0 | Boccola |
| 60 | 123202001/0 | Gommino Leva Aria |
| 61 | 123315068/0 | Leva Aria |
| 63 | 123120006/0 | Dado |
| 64 | 123900351/0 | Barra Guida 16inch |
| 65 | 4113705 | Catena 16inch |
| 66 | 4181307 | Copribarra 16inch |
| 67 | 183604000/0 | Puleggia Avviamento |
| 68 | 123430604/0 | Molla Avviamento |
| 69 | 123445267/0 | Mozzo Dentato |
| 70 | 123878108/0 | Vite |
Scheda tecnica
Potrebbe anche piacerti