- Solo online

(modificale nel modulo Rassicurazioni cliente)
(modificale nel modulo Rassicurazioni cliente)
(modificale nel modulo Rassicurazioni cliente)
Distribuiamo i ricambi originali Alpina per Spazzaneve a Motore AS 62 (2014) 18-2867-42, disponiamo di tutte le informazioni sulla riparazione, l'esploso, l'elenco delle parti di ricambio ed effettuiamo la loro riparazione rendendoli nuovamente funzionanti come nuovi.
Ripara il tuo Spazzaneve a Motore AS 62. Tutti i ricambi sono originali e possono essere forniti a prezzi scontati. I nostri ricambi sono ricambi originali garantiti
Nella tabella seguente, cercate il modello dello Spazzaneve ed il rispettivo codice del ricambio.![]()
| ALPINA AS 62 (2014) 18-2867-42 Codice Omologazione ST601 | ||
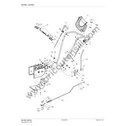
| Handle, Controls | ||
| Pos. | Codice | Descrizione |
| 1 | 1811-2557-01 | Handle |
| 2 | 9747-0831-02 | Dado Autobloccante |
| 3 | 1811-2567-01 | Leva Frizione, Destra As seen from front |
| 4 | 1811-2472-01 | Rubber Cap |
| 5 | 112691200/0 | Vite From 01-September-2012 |
| 5 | 9997-0845-12 | Vite To 31-August-2012 |
| 6 | 1811-2570-01 | Cruscotto Giallo STIGA |
| 6 | 1811-2570-02 | Cruscotto Bianco ALPINA |
| 7 | 1811-2400-01 | Vite |
| 8 | 1811-2458-01 | Asta Regolazione |
| 9 | 9799-0531-02 | Dado |
| 10 | 1811-2456-01 | Cavo L = 105 cm From 01-September-2007 To 31-August-2010 |
| 10 | 1811-2585-01 | Cavo L = 105 cm From 01-September-2011 To 31-August-2012 |
| 11 | 1811-2566-01 | Leva Frizione, Sinistra As seen from front |
| 13 | 9747-0831-02 | Dado Autobloccante |
| 14 | 1811-2587-01 | Cavo L = 117,5 cm From 01-September-2011 To 31-August-2012 |
| 15 | 9787-0831-32 | Dado |
| 16 | 1811-2468-01 | Eye Bolt |
| 17 | 1811-2469-01 | Rubber Sleeve |
| 18 | 1811-2563-01 | Gear lever |
| 19 | 9739-0631-22 | Dado |
| 20 | 9997-0620-16 | Vite |
| 21 | 9739-0631-22 | Dado |
| 22 | 9997-0620-16 | Vite |
| 23 | 1811-2482-01 | Gear Rod - NON FORNIBILE |
| 24 | 112791500/0 | Vite From 01-September-2015 |
| 24 | 9997-0625-16 | Vite To 31-August-2015 |
| 25 | 112154510/0 | Dado From 01-September-2014 |
| 25 | 9747-0631-02 | Dado Autobloccante To 31-August-2015 |
| 26 | 9997-0635-12 | Vite |
| 27 | 1811-2565-01 | Gear select plate |
| 28 | 9997-0840-16 | Vite |
| 29 | 1811-2453-01 | Rondella |
| 30 | 9699-0062-02 | Rondella |
| 31 | 9997-0820-16 | Vite |
| 46 | 1811-2476-01 | Shoulder Bolt |
| 47 | 1811-2440-01 | Wire Pulley |
| 48 | 1811-2439-01 | Bracket-Yellow |
| 49 | 9699-0025-02 | Rondella |
| 50 | 9997-0612-16 | Vite |
| 51 | 9739-0631-22 | Dado |
| 52 | 1811-2437-01 | Bracket-Yellow |
| 53 | 1811-2440-01 | Wire Pulley |
| 54 | 9997-0612-16 | Vite |
| 55 | 9699-0025-02 | Rondella |
| 56 | 9747-0831-02 | Dado Autobloccante |
| 57 | 9699-0028-02 | Rondella |
| 58 | 1811-2487-01 | Telaio Giallo From 01-September-2007 To 31-August-2010 |
| 58 | 1811-2588-01 | Chassis-yellow From 01-September-2011 To 31-August-2012 |
| 58 | 1811-2595-01 | Telaio Giallo STIGA From 01-September-2012 To 31-August-2013 |
| 58 | 1811-2595-02 | Chassis-white ALPINA From 01-September-2012 To 31-August-2013 |
| 59 | 9747-0631-02 | Dado Autobloccante From 01-September-2011 To 31-August-2012 |
| 62 | 9699-0025-02 | Rondella From 01-September-2011 To 31-August-2012 |
| 63 | 9997-0610-16 | Vite |
| 64 | 9699-0025-02 | Rondella |
| 65 | 1811-2442-01 | Grip |
| 66 | 9997-0610-16 | Vite |
| 67 | 9699-0025-02 | Rondella |
| 68 | 1811-2486-01 | Bottom plate-yell |
| 69 | 9699-0025-02 | Rondella |
| 70 | 9997-0610-16 | Vite |
| 127 | 9699-0035-02 | Rondella From 01-September-2011 To 31-August-2012 |
| 141 | 1811-2467-01 | Crank |
| 142 | 1811-2431-01 | Boccola |
| 143 | 9599-0054-02 | Split Pin |
| 144 | 9898-0820-16 | Vite |
| 145 | 1811-2430-01 | Bracket-Yellow |
| 146 | 9747-0831-02 | Dado Autobloccante |
| 147 | 9699-0056-02 | Rondella |
| 193 | 9699-0072-02 | Rondella |
| 216 | 9699-0029-02 | Rondella |
| Engine, Belts | ||
| 32 | 1811-2452-01 | Albero Ruota |
| 33 | 1811-2421-01 | Gear |
| 34 | 1811-2416-01 | Chiavetta |
| 35 | 9595-0212-00 | Locating Pin |
| 36 | 1811-2550-01 | Albero Ruota |
| 37 | 1811-2478-01 | Spring Pin |
| 38 | 1811-2407-01 | Rondella |
| 39 | 1811-2541-01 | Assieme Ruota 15" |
| 40 | 118550657/0 | Motore Lc170 (El.Start) Electric starter - Not for B&S Models |
| 41 | 9997-0610-16 | Vite |
| 42 | 9699-0025-02 | Rondella |
| 43 | 1811-2455-01 | Carter Cinghia |
| 44 | 9747-0831-02 | Dado Autobloccante |
| 45 | 9699-0028-02 | Rondella |
| 59 | 112154510/0 | Dado From 01-September-2014 |
| 59 | 9747-0631-02 | Dado Autobloccante To 31-August-2014 |
| 60 | 9997-0630-12 | Vite L = 30 mm |
| 61 | 9997-0620-16 | Vite L = 20 mm |
| 62 | 9699-0025-02 | Rondella |
| 71 | 112154510/0 | Dado From 01-September-2014 |
| 71 | 9747-0631-02 | Dado Autobloccante To 31-August-2014 |
| 72 | 1811-2470-01 | Tension Arm From 01-September-2011 To 31-August-2012 |
| 72 | 1811-2594-01 | Tension Arm From 01-September-2012 To 31-August-2013 |
| 73 | 1811-2559-01 | Rondella |
| 74 | 9997-0820-16 | Vite |
| 75 | 1811-2555-01 | Molla |
| 76 | 1811-2575-01 | Rondella |
| 77 | 9997-0812-16 | Vite |
| 78 | 9699-0028-02 | Rondella |
| 79 | 1811-2593-01 | Tension Pulley |
| 80 | 1811-2427-01 | Rondella |
| 81 | 112793701/0 | Vite From 01-September-2016 |
| 81 | 9997-0830-16 | Vite To 31-August-2016 |
| 82 | 1811-2473-01 | Puleggia |
| 83 | 1811-2542-01 | Plain Cushion |
| 84 | 9987-5125-16 | Vite |
| 85 | 1811-2560-01 | Puleggia |
| 86 | 1811-2578-01 | Cinghia L = 885 |
| 87 | 1811-2410-01 | Cinghia |
| 88 | 9997-0816-16 | Vite |
| 89 | 9699-0122-02 | Rondella |
| 90 | 1811-2411-01 | Cuscinetto |
| 92 | 1811-2423-01 | Hex Shaft |
| 93 | 1811-2435-01 | Hub |
| 94 | 9997-0612-16 | Vite |
| 95 | 1811-2584-01 | Friction ring |
| 96 | 1811-2433-01 | Ruota Frizione |
| 97 | 9997-0612-16 | Vite |
| 98 | 1811-2434-01 | Gear Selector Hub |
| 99 | 1811-2412-01 | Lock Ring |
| 100 | 1811-2413-01 | Cuscinetto |
| 101 | 9699-0035-02 | Rondella |
| 102 | 9747-1031-02 | Dado Autobloccante |
| 103 | 1811-2420-01 | Staffa |
| 104 | 9997-0610-16 | Vite |
| 105 | 1811-2465-01 | Gear Lever |
| 106 | 1811-2428-01 | Puleggia |
| 107 | 1811-2429-01 | Albero |
| 108 | 1811-2414-01 | Cuscinetto |
| 109 | 1811-2424-01 | Supporto |
| 110 | 9599-0054-02 | Split Pin |
| 111 | 9747-1031-02 | Dado Autobloccante |
| 112 | 1811-2483-01 | Molla |
| 113 | 1811-2489-01 | Collar |
| 114 | 9699-0037-02 | Rondella |
| 184 | 1811-2477-01 | Rondella |
| 215 | 9650-0019-04 | Anello Elastico |
| 218 | 9699-0037-02 | Rondella |
| 219 | 1811-2581-01 | Chiave |
| 220 | 1811-2592-01 | Therm. Insulated Shroud |
| 221 | 9699-0076-02 | Rondella |
| Housing, Chute | ||
| 57 | 9699-0028-02 | Rondella From 01-September-2011 To 31-August-2012 |
| 115 | 112154510/0 | Dado From 01-September-2014 |
| 115 | 9747-0631-02 | Dado Autobloccante To 31-August-2014 |
| 116 | 1811-2438-01 | Bracket-Yellow |
| 117 | 9699-0025-02 | Rondella |
| 118 | 9997-0610-16 | Vite |
| 119 | 1811-2440-01 | Wire Pulley |
| 120 | 1811-2476-01 | Shoulder Bolt |
| 121 | 1811-2425-01 | Tension Roller W.Bearing |
| 122 | 1811-2426-01 | Distanziale |
| 123 | 9997-0845-12 | Vite |
| 124 | 1811-2427-01 | Rondella |
| 125 | 9747-0831-02 | Dado Autobloccante |
| 126 | 9747-1031-02 | Dado Autobloccante |
| 127 | 9699-0035-02 | Rondella |
| 128 | 1811-2448-01 | Tension Arm |
| 129 | 1811-2457-01 | Molla |
| 130 | 1811-2475-01 | Vite |
| 131 | 1811-2462-01 | Molla |
| 132 | 9699-0028-02 | Rondella |
| 133 | 9747-0831-02 | Dado Autobloccante |
| 148 | 9747-0831-02 | Dado Autobloccante |
| 149 | 9898-0820-16 | Vite |
| 150 | 9747-0831-02 | Dado Autobloccante |
| 151 | 1811-2549-01 | Shave Plate (62 Cm) |
| 152 | 9898-0820-16 | Vite |
| 153 | 9699-0056-02 | Rondella |
| 154 | 9747-0831-02 | Dado Autobloccante |
| 155 | 9699-0056-02 | Rondella |
| 156 | 1811-2568-01 | Skid |
| 157 | 1811-2590-02 | Auger housing-white ALPINA From 01-September-2012 To 31-August-2013 |
| 186 | 9898-0820-16 | Vite |
| 187 | 9699-0056-02 | Rondella |
| 188 | 9747-0831-02 | Dado Autobloccante |
| 189 | 112154510/0 | Dado From 01-September-2014 |
| 189 | 9747-0631-02 | Dado Autobloccante To 31-August-2014 |
| 190 | 9997-0616-16 | Vite |
| 191 | 112154510/0 | Dado From 01-September-2014 |
| 191 | 9747-0631-02 | Dado Autobloccante To 31-August-2014 |
| 192 | 1811-2445-01 | Rondella |
| 194 | 1811-2551-01 | Vite |
| 195 | 9747-0831-02 | Dado Autobloccante |
| 196 | 1811-2498-01 | Manopola |
| 197 | 9898-0825-16 | Vite |
| 198 | 1811-2571-01 | Chute |
| 199 | 9997-0620-16 | Vite |
| 200 | 1811-2461-01 | Molla |
| 201 | 112154510/0 | Dado From 01-September-2014 |
| 201 | 9747-0631-02 | Dado Autobloccante To 31-August-2014 |
| 202 | 1811-2432-01 | Chute Guard |
| 203 | 1811-2500-01 | Cleaner Stick |
| 204 | 9898-0820-16 | Vite |
| 205 | 1811-2572-01 | Cleaner Stick Bracket |
| 214 | 1811-2547-01 | Rubber block |
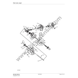
| Gear case, Auger | ||
| 12 | 9997-0510-16 | Vite |
| 133 | 9747-0831-02 | Dado Autobloccante From 01-September-2011 To 31-August-2012 |
| 134 | 9997-0820-16 | Vite |
| 135 | 9699-0056-02 | Rondella |
| 136 | 1811-2556-01 | Puleggia |
| 137 | 9747-0831-02 | Dado Autobloccante |
| 138 | 1811-2422-01 | Bearing Cover |
| 139 | 9600-0170-00 | Chiavetta |
| 140 | 1811-2415-01 | Cuscinetto |
| 158 | 1811-2552-01 | Output Shaft (62 Cm) |
| 159 | 1811-2416-01 | Chiavetta |
| 160 | 9747-0831-02 | Dado Autobloccante |
| 161 | 1811-9012-01 | Shear bolt kit Pos 160 incl. |
| 162 | 1811-2561-01 | Auger-LH As seen from front |
| 163 | 1811-2443-01 | Shaft Bushing - NON FORNIBILE |
| 164 | 1811-2418-01 | Rondella |
| 165 | 1811-2444-01 | Shaft Bushing |
| 166 | 1811-2449-01 | Bearing Cover |
| 167 | 9699-0028-02 | Rondella |
| 168 | 9997-0812-16 | Vite |
| 169 | 1811-2562-01 | Auger-Rh As seen from front |
| 170 | 9997-0620-16 | Vite |
| 171 | 9683-0025-02 | Rondella |
| 172 | 9699-0025-02 | Rondella |
| 173 | 1811-2463-01 | Worm Gear |
| 174 | 1811-2484-01 | Gear Housing, Right As seen from front |
| 175 | 1811-2490-01 | Boccola |
| 176 | 1811-2443-01 | Shaft Bushing - NON FORNIBILE |
| 177 | 1811-2485-01 | Gear housing-LH As seen from front |
| 178 | 1811-2402-01 | Cuscinetto |
| 179 | 1811-2454-01 | Fan Shaft Ø = 20 mm |
| 180 | 1811-2403-01 | Cuscinetto |
| 181 | 1811-2404-01 | Thrust Bearing |
| 182 | 1811-2405-01 | Anello Di Tenuta 32 x 20 x 6 mm |
| 183 | 112645710/0 | Spina Elastica From 01-September-2012 |
| 183 | 9595-0258-00 | Locating Pin To 31-August-2012 |
| 184 | 1811-2477-01 | Rondella |
| 185 | 1811-2419-01 | Ventola |
| 186 | 1811-2569-01 | Guarnizione |
| 207 | 112791500/0 | Vite From 01-September-2015 |
| 207 | 9997-0625-16 | Vite To 31-August-2015 |
| 210 | 1811-2544-01 | Grease filling joint |
| 211 | 1811-2545-01 | Guarnizione |
| 217 | 1811-2580-01 | Anello Di Tenuta 30 x 19 x 7 mm |
| Etichette | ||
| 3 | 1811-2583-02 | Kit Etichette Alpina AS 56A |
| 4 | 1811-2582-02 | Kit Etichette Alpina AS 62A |
| Cylinder Head & Complete Engine | ||
| 1 | 118550780/1 | Bullone |
| 2 | 118550462/0 | Cuscinetto A Sfere |
| 3 | 118550459/0 | Albero Regolatore |
| 4 | 118550458/0 | Assieme Regolatore |
| 5 | 118550621/0 | Assieme Guarnizioni Motore |
| 10 | 118550521/0 | Assieme Testa Cilindro |
| 11 | 118550626/0 | Hardware Kit, Cyl.Head |
| 12 | 118550627/0 | Copertura Testa Cilindro |
| 13 | 9400-0244-00 | Candela |
| 20 | 118550622/0 | Piastrina |
| 21 | 118550472/0 | Assieme Valvola Aspirazione |
| 22 | 118550473/0 | Assieme Valvola Scarico |
| 23 | 118550474/0 | Asta |
| 24 | 118550623/0 | Alzavalvole |
| 25 | 118550624/0 | Albero Camme |
| 26 | 118550625/0 | Valvola |
| 27 | 118550657/0 | Motore Lc170 (El.Start) Electric starter |
| Starter | ||
| 1 | 118550615/0 | Assieme Fasce Elastiche |
| 2 | 118550614/0 | Assieme Pistone |
| 3 | 118550786/0 | Spinotto Pistone |
| 4 | 118550617/0 | Albero Motore |
| 5 | 118550288/0 | Chiavetta Volano |
| 10 | 118550619/0 | Assieme Carter |
| 11 | 118550621/0 | Assieme Guarnizioni Motore |
| 12 | 118550462/0 | Cuscinetto A Sfere |
| 13 | 118550620/0 | Tappo |
| 20 | 118550628/1 | Assieme Avviamento From 01-September-2017 |
| 20 | 118550789/0 | Starter Assy To 31-August-2017 |
| Flywheel | ||
| 1 | 118550634/0 | Bobina elettronica - Coil Assy., Ignition |
| 2 | 118550633/0 | Tappo Inkl. pos 2 |
| 3 | 118550635/0 | Assieme Volano e Ventola - Cooling Fan Assy |
| 4 | 118550489/0 | Assieme Volano Manual start |
| 4 | 118550735/0 | Assieme Volano Electric start |
| 5 | 118550638/0 | Ignition Switch |
| 6 | 118550639/0 | Chiave |
| 10 | 118550640/0 | Assieme Motorino Avviamento |
| 20 | 118550636/0 | Holder Assy, Starting Box |
| Carburator | ||
| 1 | 118550648/0 | Interruttore |
| 2 | 118550500/0 | Attacco Serbatoio |
| 3 | 118550649/0 | Serbatoio To 31-August-2017 |
| 3 | 118551311/0 | Serbatoio Benzina From 01-September-2017 |
| 4 | 118550650/0 | Tappo |
| 5 | 118550651/0 | Filtro Carburante |
| 6 | 118550652/0 | Oil Fill Cap Assy |
| 7 | 118550734/0 | Coperchio Serbatoio Posteriore |
| 10 | 118550653/0 | Carburatore To 31-August-2013 |
| 10 | 118550780/0 | Carburatore From 01-September-2013 |
| 11 | 118550482/0 | Distanziale |
| 12 | 118550654/0 | Pompa Aria Carburatore |
| 13 | 118550621/0 | Assieme Guarnizioni Motore |
| 14 | 118550484/0 | Isolante |
| 15 | 118550854/0 | Leva Comando Acc. |
| 16 | 118550805/0 | Vite |
| 17 | 9739-0631-22 | Dado |
| 18 | 118550853/0 | Molla |
| 21 | 118550493/0 | Leva Comado Aria |
| 22 | 118550492/0 | Molla |
| 25 | 118551319/0 | Manopola |
| 26 | 118551315/0 | Comando Acceleratore |
| 27 | 118550869/0 | Vite |
| 28 | 118550399/0 | Micro Interruttore |
| 29 | 118551337/0 | Vite |
| Muffler | ||
| 1 | 118550646/1 | Protezione Silenziatore - NON FORNIBILE |
| 2 | 118550647/0 | Assieme Silenziatore |
| 6 | 118550886/0 | Leva Aria From 01-September-2013 |
| 10 | 118550643/0 | Leva Aria To 31-August-2012 |
| 11 | 118550644/0 | Assieme Filtro Aria From 01-September-2013 |
| 11 | 118550813/0 | Filtro Aria To 31-August-2012 - NON FORNIBILE |
| 12 | 118550645/0 | Comando Starter |
| 20 | 118550655/0 | Engine Cover Kit |
| 30 | 118550637/0 | Shroud Assy |
Scheda tecnica
Potrebbe anche piacerti