
(modificale nel modulo Rassicurazioni cliente)
(modificale nel modulo Rassicurazioni cliente)
(modificale nel modulo Rassicurazioni cliente)
Ricambi originali Alpina per la sostituzione di componenti usurati o la riparazione di parti danneggiate della Motosega P 402 S (2010) 223614000/08.
Nella tabella seguente, cercate il modello della Motosega ed il rispettivo codice del ricambio.
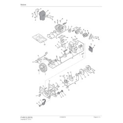
| ALPINA P 402 S (2010) 223614000/08 - MOTORE Pag.1 | ||
| Pos. | Codice | Descrizione |
| 1 | 123120004/0 | Dado |
| 2 | 383880002/0 | Ass. Volano |
| 3 | 6995281 | Carter Motore |
| 4 | 6995278 | Anello Di Tenuta |
| 5 | 6995277 | Cuscinetto |
| 7 | 6995255 | Anello Elastico |
| 8 | 6995257 | Anello Di Tenuta |
| 9 | 6995028 | Prigioniero Barra |
| 10 | 6995276 | Vite |
| 11 | 6995314 | Albero Motore |
| 12 | 6995265 | Rondella |
| 13 | 6995304 | Cuscinetto |
| 14 | 6995256 | Fermo Spinotto |
| 15 | 6995313 | Spinotto Pistone |
| 16 | 6995287 | Pistone |
| 17 | 6995258 | Fascia Elastica |
| 19 | 6995284 | Ass. Cilindro |
| 20 | 123878020/0 | Vite |
| 21 | 6995320 | Coperchio |
| 22 | 6995322 | Guarnizione |
| 23 | 6995321 | Coperchio |
| 24 | 123051000/0 | Candela |
| 25 | 6995319 | Vite |
| 26 | 123878021/0 | Vite |
| 27 | 383044000/0 | Bobina Elettronica |
| 30 | 123878028/0 | Vite |
| 31 | 123280012/0 | Guarnizione |
| 32 | 183740000/0 | Ass. Silenziatore |
| 33 | 323140055/0 | Deflettore |
| 34 | 123878022/0 | Vite |
| 35 | 2432040 | Dado |
| 41 | 123280015/0 | Guarnizione Cilindro |
| 43 | 383073500/0 | Collettore Aspirazione |
| 44 | 123280011/0 | Guarnizione Carburatore |
| 45 | 123054015/0 | Carburatore |
| 46 | 123878024/0 | Vite |
| 47 | 323073503/0 | Collettore Aria |
| 48 | 123878019/0 | Vite |
| 49 | 323275015/0 | Guarnizione |
| 50 | 383215001/0 | Ass. Frizione |
| 51 | 123430566/0 | Molla |
| 52 | 323657006/0 | Rasamento Campana |
| 53 | 323050003/0 | Ass.Campana Frizione |
| 54 | 123235000/0 | Cuscinetto |
| 55 | 383594502/0 | Ass. Pompa Olio |
| 56 | 323878026/0 | Vite Senza Fine |
| 57 | 123878021/0 | Vite |
| 58 | 323109524/0 | Coperchio Pompa |
| 59 | 123878021/0 | Vite |
| 60 | 323867005/0 | Tubo |
| 61 | 323867004/0 | Tubo Pescante Olio |
| 62 | 323220002/0 | Filtro Olio |
| 63 | 323652503/0 | Rondella |
| 71 | 123878022/0 | Vite |
| 72 | 123878024/0 | Vite |
| 73 | 323057003/0 | Carter Motore |
| 74 | 323790010/0 | Tappo |
| 75 | 123878024/0 | Vite |
| 76 | 323275008/0 | Gommino Antivibrante |
| 77 | 323275009/0 | Gommino Antivibrante |
| 78 | 323790011/0 | Tappo |
| 81 | 323202000/0 | Fermacatena |
| 82 | 123878018/0 | Vite |
| 83 | 123878020/0 | Vite |
| 84 | 323311005/0 | Piastrina |
| 100 | 6995283 | Serie Guarnizioni |
| ALPINA P 402 S (2010) 223614000/08 - CARROZZERIA Pag.2 | ||
| 1 | 123878024/0 | Vite |
| 2 | 383058018/0 | Ass. Avviatore Giallo |
| 3 | 323044211/0 | Gommino Passacavo |
| 4 | 323300004/0 | Impugnatura Avviamento |
| 5 | 123234002/0 | Fune Avviamento |
| 6 | 123430577/0 | Molla Avviamento |
| 7 | 323604003/0 | Puleggia Avviamento |
| 8 | 3613420 | Rondella |
| 9 | 123878024/0 | Vite |
| 10 | 323107503/0 | Convogliatore Aria |
| 15 | 383300015/0 | Ass. Impugnatura |
| 16 | 123430567/0 | Molla |
| 17 | 323315063/0 | Leva Acceleratore |
| 21 | 123835001/0 | Tirante Acceleratore |
| 22 | 323315064/0 | Leva Di Sicurezza |
| 23 | 323109520/0 | Parte Superiore Impugnatura |
| 24 | 123878025/0 | Vite |
| 25 | 323790009/0 | Tappo |
| 26 | 383790003/0 | Tappo Olio |
| 28 | 3210970 | Interruttore Stop |
| 29 | 123065018/0 | Cavo Di Stop |
| 30 | 123065017/0 | Cavo Massa |
| 31 | 323275013/0 | Gommino |
| 32 | 383790002/0 | Ass. Tappo Mix |
| 33 | 323867003/0 | Tubo Pescante Miscela |
| 34 | 183520000/0 | Ass. Pescante Miscela |
| 35 | 323275011/0 | Gommino Passatubi |
| 36 | 183875001/0 | Ass. Valvola Sfiato |
| 38 | 123878024/0 | Vite |
| 39 | 123430568/0 | Molla |
| 40 | 123878022/0 | Vite |
| 41 | 123878024/0 | Vite |
| 42 | 323208402/0 | Piastrina |
| 43 | 123430569/0 | Molla |
| 44 | 123878024/0 | Vite |
| 45 | 123878024/0 | Vite |
| 46 | 323087005/1 | Copricilindro Giallo |
| 47 | 323653500/0 | Tappo |
| 49 | 323796006/0 | Gommino |
| 50 | 323796007/0 | Gommino Leva Aria |
| 51 | 323315065/0 | Leva Aria |
| 52 | 383220000/0 | Filtro Aria |
| 53 | 323090019/0 | Coprifiltro Giallo |
| 54 | 383593501/0 | Ass. Pomello |
| 61 | 123878025/0 | Vite |
| 62 | 323105001/0 | Corrimano |
| 65 | 123900115/0 | Barra Guida 13inch 13" 13" 325" .050" (1.3 mm) |
| 66 | 4113710 | Catena 13inch 13" 325" .050" (1.3 mm) - 56E |
| 71 | 383059013/0 | Ass. Carter Frizione Giallo |
| 72 | 123878023/0 | Vite |
| 73 | 323109525/0 | Coperchio Molla Freno |
| 74 | 112154320/0 | Dado |
| 75 | 123657007/0 | Rondella |
| 76 | 123430573/0 | Molla |
| 77 | 123753001/0 | Spina |
| 78 | 383315051/0 | Leva Sgancio Freno |
| 79 | 123044213/0 | Boccola |
| 80 | 123430572/0 | Molla |
| 81 | 323080001/0 | Contrappeso |
| 82 | 123044213/0 | Boccola |
| 83 | 123878017/0 | Vite |
| 84 | 323670001/0 | Piastrina |
| 85 | 123430573/0 | Molla |
| 86 | 123430565/0 | Molla Freno |
| 87 | 323315067/0 | Leva Aggancio Freno |
| 88 | 123753000/0 | Rullino |
| 89 | 323448003/0 | Nastro Freno |
| 94 | 323311006/0 | Lamierino Base Barra Esterno |
| 95 | 123878023/0 | Vite |
| 96 | 2670270 | Dado |
| 97 | 123878029/0 | Vite |
| 98 | 112000910/0 | Anello Elastico |
| 99 | 3614310 | Tassello Tendicatena |
| 100 | 4181297 | Copribarra 14inch |
Scheda tecnica
Potrebbe anche piacerti