
(modificale nel modulo Rassicurazioni cliente)
(modificale nel modulo Rassicurazioni cliente)
(modificale nel modulo Rassicurazioni cliente)
Per una corretta manutenzione e riparazione del tuo Rasaerba a Miscela AL5 41 A - 2L0431044/A21 - 2022 è consigliabile acquistare solo ricambi originali. Acquista pezzi di ricambio Alpina a prezzi scontati in tutta sicurezza. Apri il PDF presente nella pagina per vedere tutti i componenti del rasaerba. Vivi il tuo giardino prendendoti cura del prato.
Nella tabella seguente trovate la posizione ed il codice del ricambio aprendo il file PDF presente in pagina.
| Rasaerba AL5 41 A - 2L0431044/A21 Chassis pag.1 | ||
| Pos. | Codice | Descrizione |
| 1 | 381005195/2 | Staffa Destra |
| 2 | 381005197/2 | Staffa Sinistra |
| 3 | 112727802/0 | Vite |
| 4 | 322545213/0 | Piastrina |
| 5 | 322600310/0 | Sportello |
| 6 | 322108329/0 | Convogliatore Posteriore |
| 7 | 112728697/0 | Vite |
| 8 | 322060241/1 | Carter Cinghia |
| 9 | 112728903/0 | Vite |
| 10 | 322140249/0 | Deflettore Mulching |
| 11 | 381005026/0 | Chassis Grigio |
| 12 | 322820077/1 | Tappo |
| 13 | 119035000/0 | Anello Or |
| 14 | 112728450/0 | Vite |
| 15 | 322034002/0 | Attacco Acqua Lavaggio |
| Rasaerba AL5 41 A - 2L0431044/A21 Regolazione Altezza di Taglio pag.2 | ||
| 1 | 381302937/0 | Asse Ruote Anteriore |
| 1 | 381302937/1 | Asse Ruote Anteriore |
| 2 | 322785305/1 | Supporto |
| 3 | 112728697/0 | Vite |
| 4 | 322869731/0 | Asta Comando Regolazione Altezza |
| 4 | 322869731/1 | Asta Comando Regolazione Altezza |
| 5 | 122519823/0 | Perno |
| 6 | 112436050/0 | Piastrina |
| 7 | 122450494/0 | Molla |
| 8 | 381302855/1 | Asse Ruote Posteriore |
| 8 | 381302855/2 | Asse Ruote Posteriore |
| 9 | 381003356/0 | Leva Regolazione Altezza |
| 9 | 381003356/1 | Leva Regolazione Altezza |
| 10 | 122534131/0 | Perno |
| 11 | 122446192/0 | Molla |
| 12 | 112154510/0 | Dado |
| 13 | 322785500/0 | Supporto |
| Rasaerba AL5 41 A - 2L0431044/A21 Mascherina pag.3 | ||
| 1 | 112735410/0 | Vite |
| 2 | 322226312/0 | Frontalino Nero |
| 3 | 322393780/0 | Maniglia Anteriore |
| Rasaerba AL5 41 A - 2L0431044/A21 Manico, Parte Inferiore pag.4 | ||
| 1 | 381006737/0 | Manico, Parte Inferiore Nero |
| 2 | 112155000/0 | Dado |
| 3 | 112521350/0 | Rondella |
| 4 | 112369500/0 | Disco Elastico |
| 5 | 112760605/0 | Vite |
| 6 | 381008691/0 | Dotazione Viteria |
| 7 | 133320504/0 | Fermacavo |
| 8 | 118390020/0 | Fermacavo |
| Rasaerba AL5 41 A - 2L0431044/A21 Manico, Parte Superiore pag.5 | ||
| 1 | 381007571/2 | Manico, Parte Sup. Nero con impugantura in spugna |
| 2 | 122430313/0 | Molla Guida |
| 3 | 112521330/0 | Rondella |
| 4 | 112154510/0 | Dado |
| 5 | 118390020/0 | Fermacavo |
| 6 | 181003363/1 | Leva Freno Motore Nera |
| 7 | 181030054/0 | Cavo Freno Motore |
| 8 | 112727783/0 | Vite |
| 9 | 112154510/0 | Dado |
| 12 | 322551640/0 | Piastrina Fissaggio Cavi |
| 12 | 322551685/0 | Piastrina Fissaggio Cavi ø22 |
| Rasaerba AL5 41 A - 2L0431044/A21 Ruote e Coprimozzi pag.6 | ||
| 1 | 381007416/3 | Ruota Ø 200 |
| 2 | 119216035/0 | Cuscinetto |
| 3 | 112521350/0 | Rondella |
| 4 | 112155000/0 | Dado |
| 5 | 322110643/0 | Coprimozzo Grigio |
| 6 | 381007484/2 | Ruota Ø 200 |
| 7 | 112728706/0 | Vite |
| 8 | 322120114/0 | Corona Trascinamento |
| 9 | 322600145/0 | Protezione Ruota |
| 10 | 322600239/0 | Protezione Ruota |
| Rasaerba AL5 41 A - 2L0431044/A21 Coltello (Lama) pag.7 | ||
| 1 | 112735108/1 | Vite |
| 2 | 1111-9168-01 | Guida Lama |
| 2 | 122463012/4 | Mozzo, Albero Motore Ø 22.2 |
| 3 | 1111-9142-02 | Lama Mulching |
| 3 | 181004341/3 | Lama Mulching |
| 4 | 122160400/0 | Disco Elastico |
| 5 | 112523080/0 | Rondella |
| 6 | 112735698/0 | Vite |
| 7 | 112139100/0 | Linguetta a Disco |
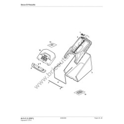
| Rasaerba AL5 41 A - 2L0431044/A21 Sacco Di Raccolta pag.8 | ||
| 1 | 322486497/0 | Sportello |
| 2 | 322486496/0 | Sacco, Parte Superiore |
| 3 | 181102422/0 | Sacco, Tela Nero |
| 5 | 122450479/0 | Molla |
| 6 | 122608525/1 | Rinforzo Inferiore |
| 6 | 122608525/2 | Rinforzo Inferiore |
| 7 | 122517884/0 | Perno |
| 8 | 322109594/0 | Supporto Fulcro Parasassi Nero |
| 9 | 112728697/0 | Vite |
| 10 | 322600355/1 | Parasassi Nero |
| 12 | 381008735/0 | Dotazione Piolino in Plastica |
| 13 | 381008639/0 | Dotazione Viteria |
| Rasaerba AL5 41 A - 2L0431044/A21 Motore - Carburatore, Serbatoio pag.9 | ||
| 2 | 112292102/0 | Dado |
| 3 | 118551467/0 | Ass. Avviatore |
| 4 | 118551619/0 | Impugnatura Avviamento |
| 5 | 118550779/0 | Fune avviamento |
| 6 | 118551621/0 | Molla Avviamento |
| 7 | 118551620/0 | Puleggia Avviamento |
| 8 | 118551626/0 | Molla |
| 9 | 118551622/0 | Cricchetto Avviamento |
| 10 | 118551625/0 | Molla |
| 11 | 118551623/0 | Coperchio |
| 13 | 118551624/0 | Perno Puleggia |
| 14 | 118550908/0 | Convogliatore Aria |
| 15 | 118550907/0 | Perno |
| 16 | 118550906/0 | Perno |
| 17 | 112791500/0 | Vite |
| 18 | 118551475/0 | Bobina Elettronica |
| 20 | 9400-0244-00 | Candela |
| 21 | 112789000/0 | Vite |
| 22 | 118551456/0 | Comando Starter |
| 23 | 118551459/0 | Astina |
| 24 | 118551352/0 | Fermo |
| 25 | 118551489/0 | Carburatore |
| 26 | 118550930/0 | Prigioniero |
| 27 | 118550929/0 | Guarnizione |
| 28 | 118550928/0 | Distanziale Termico |
| 29 | 118550927/0 | Guarnizione |
| 30 | 118550924/0 | Guarnizione |
| 31 | 118551461/0 | Ass. Filtro Aria |
| 32 | 118550946/0 | Elemento Filtrante |
| 33 | 118550945/0 | Elemento Filtrante |
| 34 | 118550944/0 | Coperchio Filtro Aria |
| 35 | 112292102/0 | Dado |
| 36 | 118551481/0 | Tubo Carburante |
| 37 | 118550918/0 | Fascetta Stringitubo |
| 38 | 118550314/0 | Filtro Carburante |
| 39 | 118551454/0 | Serbatoio |
| 40 | 118550943/0 | Tappo Serbatoio |
| 41 | 112792099/0 | Vite |
| 42 | 118550920/0 | Tubo Sfiato |
| 43 | 118550933/0 | Leva Comando Acc. |
| 44 | 118550931/0 | Piastrina |
| 45 | 112789000/0 | Vite |
| 46 | 118550932/0 | Molla |
| 47 | 118550805/0 | Vite |
| 48 | 118550806/0 | Dado |
| 49 | 118550925/0 | Astina Acceleratore |
| 50 | 118550898/0 | Guarnizione Silenziatore |
| 51 | 118551464/0 | Silenziatore |
| 52 | 112792425/0 | Vite |
| 53 | 118550900/0 | Protezione Silenziatore |
| 54 | 118551277/0 | Bullone |
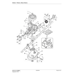
| Rasaerba AL5 41 A - 2L0431044/A21 Motore - Pistone, Albero Motore pag.10 | ||
| 1 | 118550336/0 | Dado |
| 2 | 118550905/0 | Ass. Volano C/Masse |
| 3 | 118551277/0 | Bullone |
| 4 | 112791500/0 | Vite |
| 5 | 118551483/0 | Ass. Freno Volano |
| 6 | 118550911/0 | Molla |
| 7 | 118550300/0 | Anello Di Tenuta |
| 9 | 112789000/0 | Vite |
| 10 | 118550904/0 | Coperchio |
| 11 | 118550903/0 | Guarnizione Sfiato Olio |
| 12 | 118550902/0 | Valvola |
| 13 | 118551488/0 | Ass. Albero Motore |
| 14 | 118550288/0 | Chiavetta Volano |
| 15 | 118550283/0 | Rondella |
| 16 | 118550890/0 | Albero Camme |
| 18 | 112789000/0 | Vite |
| 19 | 118550888/0 | Ass. Regolatore |
| 20 | 118550936/0 | Albero Regolatore |
| 21 | 118550666/0 | Rondella |
| 22 | 118550935/0 | Anello Di Tenuta |
| 23 | 118550856/0 | Coppiglia |
| 24 | 118550379/0 | Anello Di Tenuta |
| 25 | 118551209/0 | Carter Motore |
| 26 | 118550887/0 | Ass. Tappo Olio |
| 27 | 112791500/0 | Vite |
| 28 | 118551276/0 | Bullone |
| 29 | 118550891/0 | Coperchio Valvole |
| 30 | 118550892/0 | Guarnizione |
| 31 | 118550893/0 | Set Bilancieri Valvole |
| 32 | 118550894/0 | Piastrina |
| 33 | 118550895/0 | Fermo |
| 34 | 118550896/0 | Molla |
| 35 | 118550910/0 | Ass. Valvola Aspirazione + Scarico |
| 36 | 118550291/0 | Ass. Alzavalvole |
| 37 | 118550912/0 | Asta Di Punteria |
| 38 | 118551482/0 | Pistone |
| 39 | 118551445/0 | Ass. Fasce Elastiche |
| 40 | 118550915/0 | Spinotto Pistone |
| 41 | 118550914/0 | Fermo Spinotto |
| 42 | 118551487/0 | Ass. Biella Motore |
| 43 | 118551223/0 | Vite senza testa (Grano) |
| 45 | 118550940/0 | Ass. Guarnizioni Motore |
| Rasaerba AL5 41 A - 2L0431044/A21 Capottine Motore pag.11 | ||
| 1 | 322055629/0 | Capottina Grigia |
| 2 | 322055630/0 | Cuffia, Gialla |
| 3 | 322055627/0 | Capottina Grigia |
Scheda tecnica
Potrebbe anche piacerti