
(modificale nel modulo Rassicurazioni cliente)
(modificale nel modulo Rassicurazioni cliente)
(modificale nel modulo Rassicurazioni cliente)
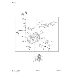
Ricambi originali Alpina per la sostituzione o la riparazione di parti danneggiate della Motosega AC 27 T (2019) 240271000/A18.
Nella tabella seguente, cercate il modello della Motosega ed il rispettivo codice del ricambio.![]()
| ALPINA AC 27 T (2019) 240271000/A18 pag.1 | ||
| Pos. | Codice | Descrizione |
| 1 | 123790022/0 | Tappo |
| 2 | 123878093/0 | Vite |
| 3 | 123275027/0 | Gommino Antivibrante |
| 4 | 118804780/0 | Maniglia |
| 5 | 118800189/0 | Vite |
| 6 | 118804231/0 | Primer |
| 7 | 118804781/0 | Tubo Carburante per Primer |
| 8 | 123878121/0 | Vite |
| 9 | 118804683/0 | Copertura Molla |
| 10 | 118804851/0 | Vite Fissaggio Molla |
| 11 | 118804685/0 | Molla |
| 12 | 118804782/0 | Leva Di Sicurezza |
| 13 | 118800256/0 | Raccordo |
| 14 | 118804694/0 | Tubo Carburante |
| 15 | 118804783/0 | Molla Acceleratore |
| 16 | 118804784/0 | Leva Acceleratore |
| 17 | 118804785/0 | Impugnatura |
| 18 | 118804786/0 | Astina Acceleratore |
| 19 | 118804842/0 | Copertura Impugnatura Bianca |
| 20 | 112728124/0 | Vite |
| 156 | 2312020 | Rondella |
| 157 | 118805121/0 | Assieme Impugnatura Yellow |
| 158 | 118805122/0 | Spring Assy Kit of 3 pcs |
| ALPINA AC 27 T (2019) 240271000/A18 pag.2 | ||
| 20 | 112728124/0 | Vite |
| 33 | 123878021/0 | Vite |
| 60 | 123753000/0 | Rullino |
| 65 | 112727815/0 | Vite |
| 104 | 118804749/0 | Tubo Mandata Olio |
| 105 | 118804750/0 | Pompa Olio |
| 106 | 118804751/0 | Copertura Pompa Olio |
| 107 | 118550608/0 | Rondella |
| 108 | 118804752/0 | Vite Senza Fine |
| 109 | 118804753/0 | Campana Frizione 3/8 |
| 110 | 123235001/0 | Gabbia A Rulli |
| 111 | 118804818/0 | Rondella |
| 112 | 118804758/0 | Frizione |
| 116 | 118804806/0 | Rondella |
| 117 | 118804755/0 | Molla per Paramano |
| 118 | 118804798/0 | Paramano |
| 119 | 118804757/0 | Vite Paramano |
| 120 | 118805040/0 | Assieme Carter Frizione Giallo |
| 121 | 123878121/0 | Vite |
| 122 | 118804880/0 | Coperchio Molla Freno |
| 123 | 118804760/0 | Boccola |
| 124 | 118804761/0 | Molla Freno Catena |
| 125 | 118804762/0 | Piastrina Base Molla |
| 126 | 118804763/0 | Nastro Freno |
| 132 | 118804764/0 | Lamierino Base Barra |
| 133 | 118804765/0 | Ingranaggio Tendicatena |
| 134 | 118804766/0 | Base Ingranaggio Tendicatena |
| 135 | 118804767/0 | Ingranaggio Regolazione Tendicatena |
| 136 | 118804768/0 | Tassello Tendicatena |
| 137 | 118804769/0 | Vite Tendicatena |
| 138 | 118804840/0 | Assieme Coperchio Frizione Bianco |
| 139 | 118804841/0 | Assieme Starter Bianco Rope 2.6x840mm |
| 140 | 118804772/0 | Impugnatura Starter |
| 142 | 118804773/0 | Gommino |
| 146 | 118804775/0 | Puleggia Avviamento |
| 147 | 118804776/0 | Molla Aggancio Avviatore |
| 148 | 118804777/0 | Aggancio Avviatore |
| 149 | 118804807/0 | Vite |
| 150 | 118804778/0 | Convlogliatore Aria |
| 151 | 112154220/0 | Dado |
| 152 | 118800959/0 | Chiavetta |
| 153 | 118804779/0 | Assieme Volano Magnete |
| 154 | 123900360/0 | Barra 10"-3/8"-0,050" |
| 155 | 1519-9110-02 | Catena 10"-3/8"-0,050"-40E |
| 164 | 118804810/0 | Assieme Leva Sgancio Freno |
| 165 | 118804811/0 | Assieme Molla Avviamento |
| 166 | 118805124/0 | Assieme Ingranaggio Tendicatena |
| 171 | 114370309/0 | Etichetta |
| ALPINA AC 27 T (2019) 240271000/A18 pag.3 | ||
| 31 | 2132510 | Vite |
| 32 | 118804708/0 | Bobina Elettronica |
| 33 | 123878021/0 | Vite |
| 34 | 118804709/0 | Anello Di Supporto |
| 35 | 118804710/0 | Collettore Aspirazione |
| 36 | 118804711/0 | Guarnizione Collettore Aspirazione |
| 38 | 1911-9221-01 | Candela |
| 39 | 118805034/0 | Guarnizione Silenziatore |
| 40 | 118805035/0 | Silenziatore |
| 41 | 118805036/0 | Coperchio Silenziatore |
| 42 | 112581500/0 | Grower |
| 43 | 118805037/0 | Vite |
| 44 | 118804717/0 | Guarnizione Cilindro |
| 45 | 118804350/0 | Anello Di Tenuta |
| 46 | 118804718/0 | Carter Sinistro Albero Motore |
| 47 | 3112240 | Gabbia A Rulli |
| 48 | 2135040 | Vite |
| 50 | 118805043/0 | Contrappeso Albero Motore |
| 51 | 118805044/0 | Molla Contrappeso |
| 52 | 118804719/0 | Albero Motore |
| 53 | 123652505/0 | Rondella |
| 54 | 123235008/0 | Astuccio A Rulli |
| 55 | 118804722/0 | Fermo Spinotto Pistone |
| 56 | 118804723/0 | Spinotto Pistone |
| 58 | 118805038/0 | Fascia Elastica |
| 59 | 118804726/0 | Gurnizione Carter Albero Motore |
| 60 | 123753000/0 | Rullino |
| 61 | 118804729/0 | Carter Destro Albero Motore |
| 62 | 112727795/0 | Vite |
| 162 | 118804816/1 | Assieme Pistone |
| 163 | 118804817/1 | Assieme Cilindro-Pistone |
| 164 | 118805053/0 | Short Block Motore |
| ALPINA AC 27 T (2019) 240271000/A18 pag.4 | ||
| 5 | 118800189/0 | Vite |
| 8 | 123878121/0 | Vite |
| 62 | 112735654/0 | Vite |
| 63 | 112727795/0 | Vite |
| 64 | 118804796/0 | Convogliatore Aria |
| 65 | 118804797/0 | Piastra Di Supporto |
| 66 | 112727815/0 | Vite |
| 67 | 118804730/0 | Protezione Paracalore |
| 68 | 118804252/0 | Assieme Tappo Serbatoio Olio |
| 72 | 118805039/0 | Base Assembly |
| 73 | 118804813/0 | Copertura Cavi |
| 74 | 118804802/0 | Interruttore |
| 77 | 118804733/0 | Fermacavo |
| 78 | 118804734/0 | Carter |
| 79 | 118804735/0 | O-Ring |
| 80 | 118804736/0 | Ugello |
| 81 | 118804801/0 | Assieme Valvola Di Sfiato |
| 85 | 118804737/0 | Gommino Base Valvola Sfiato |
| 89 | 118804815/0 | Tubo Isolante |
| 90 | 118804741/0 | Tubo Corrugato |
| 91 | 118804740/0 | Filtro Carburante |
| 92 | 118804234/0 | Clip |
| 93 | 118804742/0 | Tappo |
| 94 | 118804743/0 | Arpione |
| 95 | 118804744/0 | Lamierino Base Barra Interno |
| 96 | 118804745/0 | Vite Guida |
| 97 | 118804746/0 | Fermacatena |
| 98 | 118804800/0 | Assieme Filtro Olio |
| 101 | 118804853/0 | Molla tubo olio |
| 102 | 118804747/0 | Tubo Olio |
| 103 | 118804839/0 | Protezione Silenziatore Bianco |
| 166 | 118804820/0 | Assieme Tubo Carburante |
| 169 | 118804966/0 | Assieme Cavi Elettrici |
| 170 | 118805123/0 | Assieme Filtro Olio |
| ALPINA AC 27 T (2019) 240271000/A18 pag.5 | ||
| 21 | 118804700/0 | Manopola Fissaggio Cover Filtro |
| 22 | 118800258/0 | Rondella |
| 23 | 118804843/0 | Copertura Filtro Aria Bianco |
| 24 | 118804789/0 | Filtro Aria |
| 25 | 2135110 | Vite |
| 26 | 118804790/0 | Convogliatore Aria |
| 27 | 118804791/0 | Base Filtro Aria |
| 28 | 118804792/0 | Carburatore |
| 29 | 2312100 | Rondella |
| 30 | 118804707/0 | Manopola Choke |
| 167 | 118804835/0 | Kit Riparazione Carburatore |
| 168 | 118804836/0 | Kit Guarnizioni Carburatore |
| 169 | 118805052/0 | Yellow |
Scheda tecnica
Potrebbe anche piacerti