
(modificale nel modulo Rassicurazioni cliente)
(modificale nel modulo Rassicurazioni cliente)
(modificale nel modulo Rassicurazioni cliente)
Siamo Distributori di Ricambi originali ALPINA e centro di assistenza autorizzato. Garantiamo prezzi bassi e un servizio di riparazione professionale in grado di consigliarti l'acquisto del ricambio più adatto a risolvere rapidamente ogni problema di manutenzione e riparazione del Rasaerba BL 460/295491044/A19-2019.
Nella tabella seguente, cercate il modello del Rasaerba ed il rispettivo codice del ricambio.
| Rasaerba BL 460/295491044/A19-2019 | ||
| Chassis Pag.1 | ||
| Pos. | Codice | Descrizione |
| 1 | 381004947/0 | Chassis Nero |
| 2 | 322108301/2 | Convogliatore Anteriore |
| 3 | 112728699/0 | Vite |
| 4 | 322108302/0 | Convogliatore Posteriore To 31-August-2017 |
| 4 | 322108392/0 | Convogliatore Posteriore From 01-September-2018 |
| 5 | 112728699/0 | Vite |
| 6 | 322545213/0 | Piastrina |
| 7 | 381005139/0 | Staffa Sinistra |
| 8 | 112727801/0 | Vite |
| 9 | 381005137/0 | Staffa Destra |
| 10 | 322060242/1 | Carter Cinghia |
| 10 | 322060242/2 | Carter Cinghia |
| 11 | 322140239/1 | Mulching Deflector |
| 12 | 112728531/0 | Vite |
| 13 | 322820077/1 | Tappo |
| 14 | 112728450/0 | Vite |
| 15 | 119035000/0 | Anello Or |
| 16 | 322034002/0 | Attacco Acqua Lavaggio |
| 17 | 322055605/0 | Inserto |
| Regolazione Altezza di Taglio Pag.2 | ||
| 1 | 322545189/0 | Piastrina |
| 2 | 322735597/0 | Settore Regolazione Altezza Sinistro |
| 2 | 322735597/1 | Settore Regolazione Altezza |
| 3 | 381005141/0 | Supporto Ruota |
| 3 | 381005159/0 | Supporto Ruota |
| 3 | 381005253/0 | Supporto Ruota |
| 4 | 381003354/0 | Leva Regolazione Altezza |
| 5 | 122519811/0 | Perno |
| 6 | 112521350/0 | Rondella |
| 7 | 112155000/0 | Dado |
| 8 | 322545211/0 | Piastrina |
| 9 | 322735595/0 | Settore Regolazione Altezza Destro |
| 9 | 322735595/1 | Settore Regolazione Altezza |
| 10 | 322600247/0 | Protezione Ruota |
| Manico, Parte Inferiore Pag.3 | ||
| 1 | 381006737/0 | Manico, Parte Inferiore |
| 2 | 112819110/0 | Vite |
| 3 | 122671651/0 | Rondella |
| 4 | 322399840/0 | Manopola Gialla |
| 5 | 112293200/0 | Dado |
| 7 | 112818900/0 | Vite |
| 9 | 322399840/0 | Manopola Gialla |
| 10 | 112293200/0 | Dado |
| 11 | 112155000/0 | Dado |
| 12 | 112521350/0 | Rondella |
| 13 | 112369500/0 | Disco Elastico |
| 14 | 112760605/0 | Vite |
| 15 | 381008692/0 | Dotazione Viteria |
| Manico, Parte Superiore Pag.4 | ||
| 1 | 381006740/0 | Manico, Parte Superiore |
| 2 | 112727783/0 | Vite |
| 3 | 322551640/0 | Piastrina |
| 4 | 112154510/0 | Dado |
| 5 | 181030053/0 | Cavo Freno Motore |
| 6 | 381003394/0 | Leva Freno Motore Gialla |
| 6 | 381003394/1 | Leva Freno Motore Gialla |
| 7 | 112154510/0 | Dado |
| 8 | 112521330/0 | Rondella |
| 9 | 122430313/0 | Molla Guida |
| Ruote e Coprimozzi Pag.5 | ||
| 1 | 381007447/1 | Ruota - Mozzo Lungo |
| 1 | 381007448/0 | Ruota |
| 1 | 381007448/1 | Ruota - Short Lungo |
| 2 | 119216035/0 | Cuscinetto |
| 3 | 322110687/0 | Coprimozzo Grigio |
| 5 | 381007447/1 | Ruota - Mozzo Lungo |
| 5 | 381007448/0 | Ruota |
| 5 | 381007448/1 | Ruota - Short Lungo |
| 6 | 119216035/0 | Cuscinetto |
| 9 | 322110687/0 | Coprimozzo Grigio |
| Coltello (Lama) Pag.6 | ||
| 1 | 112735108/1 | Vite |
| 2 | 122463012/4 | Mozzo, Albero Motore Ø 22.2 |
| 3 | 181004460/0 | Lama Mulching |
| 4 | 322680021/0 | Rondella |
| 5 | 112508128/0 | Disco Elastico |
| 6 | 112735698/0 | Vite |
| 7 | 112139100/0 | Linguetta |
| Sacco Di Raccolta Pag.7 | ||
| 1 | 322785331/0 | Supporto Fulcro Parasassi Nero |
| 2 | 122450464/0 | Molla |
| 3 | 322109556/0 | Copertura Parasassi, Giallo |
| 3 | 322109557/0 | Copertura Parasassi, Grigio |
| 4 | 112728699/0 | Vite |
| 5 | 322600206/1 | Parasassi Nero |
| 5 | 322600214/1 | Parasassi Giallo |
| 5 | 322600216/1 | Parasassi Grigio |
| 6 | 181006409/0 | Telaio Sacco |
| 6 | 181006409/1 | Telaio Sacco |
| 7 | 181002319/0 | Sacco, Tela |
| 8 | 381008163/0 | Ass. Parasassi Nero |
| 8 | 381008164/0 | Ass. Parasassi Giallo |
| 8 | 381008166/0 | Ass. Parasassi Grigio |
| 9 | 381008735/0 | Dotazione Piolino in Plastica |
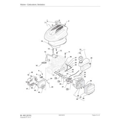
| Motore - Carburatore, Serbatoio Pag.8 | ||
| 2 | 112292102/0 | Dado |
| 3 | 118551467/0 | Ass. Avviatore |
| 4 | 118551362/0 | Impugnatura Avviamento |
| 8 | 112789000/0 | Vite |
| 9 | 118551456/0 | Comando Starter |
| 10 | 118550908/0 | Convogliatore Aria |
| 11 | 118550907/0 | Perno |
| 12 | 118550906/0 | Perno |
| 13 | 112791500/0 | Vite |
| 14 | 118551475/0 | Bobina Elettronica |
| 16 | 9400-0244-00 | Candela |
| 17 | 118550930/0 | Prigioniero |
| 18 | 118550929/0 | Guarnizione |
| 19 | 118550928/0 | Distanziale Termico |
| 20 | 118550927/0 | Guarnizione |
| 21 | 118551489/0 | Carburatore |
| 22 | 118550924/0 | Guarnizione |
| 23 | 118551461/0 | Ass. Filtro Aria |
| 24 | 118551459/0 | Astina |
| 25 | 118551352/0 | Fermo |
| 26 | 118550946/0 | Elemento Filtrante |
| 27 | 118550945/0 | Elemento Filtrante |
| 28 | 118550944/0 | Coperchio Filtro Aria |
| 29 | 112292102/0 | Dado |
| 30 | 118551481/0 | Tubo Carburante |
| 31 | 118550918/0 | Fascetta Stringitubo |
| 32 | 118550314/0 | Filtro Carburante |
| 33 | 118551454/0 | Serbatoio |
| 34 | 118550943/0 | Tappo Serbatoio |
| 35 | 112792099/0 | Vite |
| 36 | 118550920/0 | Tubo Sfiato |
| 37 | 118550933/0 | Leva Comando Acc. |
| 38 | 118550931/0 | Piastrina |
| 39 | 112789000/0 | Vite |
| 40 | 118550932/0 | Molla |
| 41 | 118550805/0 | Vite |
| 42 | 118550806/0 | Dado |
| 43 | 118550925/0 | Astina Acceleratore |
| 44 | 118550898/0 | Guarnizione Silenziatore |
| 45 | 118551464/0 | Silenziatore |
| 46 | 112792425/0 | Vite |
| 47 | 118550900/0 | Protezione Silenziatore |
| 48 | 118551277/0 | Bullone |
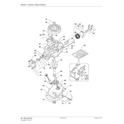
| Motore - Pistone, Albero Motore Pag.9 | ||
| 18 | 118550929/0 | Guarnizione |
| 19 | 118550928/0 | Distanziale Termico |
| 20 | 118550927/0 | Guarnizione |
| 44 | 118550898/0 | Guarnizione Silenziatore |
| 51 | 118550336/0 | Dado |
| 52 | 118550905/0 | Ass. Volano C/Masse |
| 53 | 118551277/0 | Bullone |
| 54 | 112791500/0 | Vite |
| 55 | 118551483/0 | Ass. Freno Volano |
| 56 | 118550911/0 | Molla |
| 57 | 118550300/0 | Anello Di Tenuta |
| 58 | 118550897/0 | Ass. Cilindro |
| 59 | 112789000/0 | Vite |
| 60 | 118550904/0 | Coperchio |
| 61 | 118550903/0 | Guarnizione Sfiato Olio |
| 62 | 118550902/0 | Valvola |
| 63 | 118551488/0 | Ass. Albero Motore |
| 64 | 118550288/0 | Chiavetta Volano |
| 65 | 118550283/0 | Rondella |
| 66 | 118550890/0 | Albero Camme |
| 68 | 112789000/0 | Vite |
| 69 | 118550888/0 | Ass. Regolatore |
| 70 | 118550936/0 | Albero Regolatore |
| 71 | 118550666/0 | Rondella |
| 72 | 118550935/0 | Anello Di Tenuta |
| 73 | 118550856/0 | Coppiglia |
| 74 | 118550379/0 | Anello Di Tenuta |
| 75 | 118551209/0 | Carter Motore |
| 76 | 118550887/0 | Ass. Tappo Olio |
| 77 | 112791500/0 | Vite |
| 78 | 118551276/0 | Bullone |
| 79 | 118550891/0 | Coperchio Valvole |
| 80 | 118550892/0 | Guarnizione |
| 81 | 118550893/0 | Set Bilancieri Valvole |
| 82 | 118550894/0 | Piastrina |
| 83 | 118550895/0 | Fermo |
| 84 | 118550896/0 | Molla |
| 85 | 118550910/0 | Ass. Valvola Aspirazione + Scarico |
| 86 | 118550291/0 | Ass. Alzavalvole |
| 87 | 118550912/0 | Asta Di Punteria |
| 88 | 118551482/0 | Pistone |
| 89 | 118551445/0 | Ass. Fasce Elastiche |
| 90 | 118550915/0 | Spinotto Pistone |
| 91 | 118550914/0 | Fermo Spinotto |
| 92 | 118551487/0 | Ass. Biella Motore |
| 93 | 118551223/0 | Grano |
| 95 | 118550940/0 | Ass. Guarnizioni Motore |
| Capottine Motore Pag.10 | ||
| 1 | 322055629/0 | Capottina Grigia |
| 2 | 322055630/0 | Cuffia, Gialla |
| 3 | 322055627/0 | Capottina Grigia |
Scheda tecnica
Potrebbe anche piacerti