
(modificale nel modulo Rassicurazioni cliente)
(modificale nel modulo Rassicurazioni cliente)
(modificale nel modulo Rassicurazioni cliente)
Ripara il tuo Rasaerba Elettrico BL 320 E/293320064/A14-2019., tutti i pezzi di ricambio sono fornibili a prezzi scontati per la spedizione. I nostri ricambi sono ricambi originali e sono dotati di una garanzia completa.
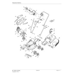
Nella tabella seguente, cercate il modello del Rasaerba ed il rispettivo codice del ricambio.![]()
| Rasaerba BL320E | ||
| Pos. | Codice | Descrizione |
| 1 | 118810075/0 | Manico, Parte Superiore |
| 2 | 118810086/0 | Piastrina Inferiore |
| 3 | 118810087/0 | Piastrina Superiore |
| 4 | 112291000/0 | Dado |
| 5 | 118810083/0 | Gancio |
| 6 | 112735654/0 | Vite |
| 7 | 112728099/1 | Vite |
| 8 | 118810148/0 | Leva |
| 9 | 118810090/0 | Semiinpugnatura Inf. Salvamotore |
| 10 | 118810080/0 | Molla |
| 11 | 118810061/0 | Perno |
| 12 | 112735654/0 | Vite |
| 13 | 118810065/0 | Condensatore |
| 14 | 118810062/0 | Interruttore |
| 15 | 123878020/0 | Vite |
| 16 | 2312100 | Rondella |
| 17 | 118810089/0 | Semiinpugnatura Sup. Salvamotore |
| 18 | 118810147/0 | Pulsante |
| 19 | 112728099/1 | Vite |
| 20 | 118810156/0 | Copertura Grigio |
| 21 | 118810140/0 | Copertura Motore Giallo |
| 23 | 112543001/0 | Rondella |
| 24 | 118810093/0 | Rondella |
| 25 | 118810057/0 | Motore Elettrico |
| 26 | 118810099/0 | Vite |
| 27 | 118810077/0 | Puleggia Motore |
| 28 | 118810092/0 | Cinghia |
| 29 | 118810059/0 | Puleggia |
| 30 | 118810071/0 | Cuscinetto |
| 31 | 118810084/0 | Piastra Motore |
| 32 | 118810069/0 | Cuscinetto |
| 33 | 112000955/0 | Anello Benzing |
| 34 | 118810072/0 | Rondella |
| 35 | 118810064/0 | Compressore |
| 36 | 118810158/0 | Sensore Temperatura |
| 38 | 118810060/0 | Cavo |
| 39 | 118810142/0 | Parasassi Giallo |
| 40 | 118810137/0 | Manopola |
| 41 | 112291000/0 | Dado |
| 42 | 112000930/0 | Anello Benzing |
| 43 | 112727784/0 | Vite |
| 44 | 118810144/0 | Maniglia |
| 45 | 118810146/0 | Parte Inf Maniglia |
| 46 | 118810145/0 | Sacco, Parte Sup |
| 47 | 118810085/0 | Manopolina |
| 48 | 118810143/0 | Sacco, Parte Inf |
| 49 | 118810096/0 | Molla |
| 50 | 118810160/0 | Vite |
| 51 | 118810139/0 | Chassis Grigio |
| 52 | 118810138/0 | Manico, Parte Inferiore |
| 53 | 118810078/0 | Molla |
| 54 | 118810067/0 | Asse Ruote Posteriore |
| 55 | 118810081/0 | Ruota |
| 56 | 118810153/0 | Coprimozzo |
| 57 | 112604898/0 | Fissatore A Corona |
| 58 | 118810066/0 | Asse Ruote Anteriore |
| 59 | 118810002/0 | Lama |
| 60 | 122671651/0 | Rondella |
| 61 | 112793312/0 | Vite |
| 62 | 118810141/0 | Maniglia Frontale, Grigia |
| 63 | 118810170/0 | Dotazione Viteria |
Scheda tecnica
Potrebbe anche piacerti