
(modificale nel modulo Rassicurazioni cliente)
(modificale nel modulo Rassicurazioni cliente)
(modificale nel modulo Rassicurazioni cliente)
Siamo Distributori di Ricambi originali ALPINA a prezzi scontati e un centro di assistenza autorizzato con servizio di riparazione in grado di consigliarti l'acquisto del ricambio più adatto a risolvere rapidamente ogni problema di manutenzione e riparazione del Motozappa TI 36 G/211360040-13-2017.
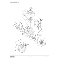
Nella tabella seguente, cercate il modello del Motozappa ed il rispettivo codice del ricambio.
| Motozappa TI 36 G/211360040-13-2017 Pag.1 | ||
| Pos. | Codice | Descrizione |
| 1 | 118550761/0 | Motore |
| 2 | 118802010/0 | Linguetta Volano |
| 3 | 118802042/0 | Vite |
| 4 | 112521360/0 | Rondella |
| 5 | 112530140/0 | Rondella |
| 6 | 118802018/0 | Supporto Motore |
| 7 | 112154210/0 | Dado |
| 8 | 112691115/0 | Vite |
| 9 | 118802020/0 | Carter Cinghia |
| 10 | 112154210/0 | Dado |
| 11 | 112523070/0 | Rondella |
| 12 | 112793102/0 | Vite |
| 13 | 118802015/0 | Puleggia |
| 14 | 118802025/0 | Leva Tendicinghia |
| 15 | 112792611/0 | Vite |
| 16 | 118802014/0 | Molla |
| 17 | 118802037/0 | Coltello |
| 18 | 118802021/0 | Copertura |
| 19 | 112791200/1 | Vite |
| 20 | 118802036/0 | Molla |
| 21 | 112523070/0 | Rondella |
| 22 | 112792611/0 | Vite |
| 23 | 112692395/1 | Vite |
| 24 | 112521360/0 | Rondella |
| 25 | 112156602/0 | Dado |
| 26 | 118802023/0 | Ruota |
| 27 | 118802022/0 | Supporto Ruota |
| 28 | 118802039/0 | Parapolvere |
| 29 | 118802040/0 | Tappo |
| 30 | 118802038/0 | Coltello |
| 32 | 124487998/0 | Coppiglia Beta 2MM |
| 31 | 118802011/0 | Coppiglia a Molla 8MM |
| 33 | 118802024/0 | Supporto |
| 34 | 118802012/0 | Spina |
| 35 | 112692420/0 | Vite |
| 36 | 112155020/0 | Dado |
| 37 | 118802019/0 | Supporto Manico Bianco |
| 38 | 112523070/0 | Rondella |
| 39 | 118802013/0 | Vite |
| 40 | 112154210/0 | Dado |
| 41 | 118802032/0 | Flangia |
| 42 | 112793301/0 | Vite |
| 43 | 118802034/0 | Cavo Acceleratore |
| 44 | 118802035/0 | Protezione Fresa |
| 45 | 118802026/1 | Gruppo Trazione |
| 47 | 118802016/1 | Puleggia |
| 48 | 118802017/0 | Cinghia |
| 49 | 118802028/0 | Cavo Trasmissione |
| 50 | 112154210/0 | Dado |
| 51 | 118802033/0 | Tirante |
| 52 | 118802029/0 | Manico Destro |
| 53 | 118802027/0 | Comando Acceleratore |
| 54 | 2112100 | Vite |
| 55 | 112154510/0 | Dado |
| 56 | 118802041/0 | Maniglia |
| 57 | 118802030/0 | Manico sinistro |
| 58 | 118802031/0 | Impugnatura Manico |
| 59 | 112295301/0 | Dado |
| 60 | 122671659/0 | Rondella |
| 61 | 118850007/0 | Cuscinetto - Comprare 118805076/0 |
| 62 | 118850008/0 | Cuscinetto 6302-2RS |
| 63 | 118803478/0 | Vite Senza Fine |
| 64 | 118850009/0 | Chiavetta 4x6.5x16 |
| 65 | 118850010/0 | Vite - Comprare 118805076/0 |
| 66 | 118850011/0 | Dado - Comprare 118805076/0 |
| 118805076/0 | Assieme Pignone con Vite Senza Fine Comprende le posizioni : 61-62-63-64-65-66 |
|
| 67 | 118850012/0 | Guarnizione |
| 68 | 118850013/0 | Rosetta |
| 69 | 118850014/0 | Rosetta |
| 70 | 118850015/0 | Oil Drain Assy |
| Motore Pag.2 | ||
| 1 | 118550750/0 | Ass. Capottina Avviamento |
| 2 | 118550768/0 | Maniglia Avviatore |
| 3 | 118550766/0 | Fune avviamento |
| 4 | 118550695/0 | Puleggia Avviamento |
| 5 | 118550696/0 | Kit Agganci Avviatore |
| 6 | 118550713/0 | Vite |
| 7 | 118550714/0 | Vite |
| 8 | 112689515/0 | Vite |
| 9 | 118550712/0 | Serbatoio Benzina |
| 10 | 118550747/0 | Tappo Serbatoio |
| 11 | 118550715/0 | Filtro Carburante |
| 12 | 118550716/0 | Tubo Carburante |
| 13 | 118550753/0 | Carburatore |
| 14 | 118550706/0 | Vite |
| 15 | 112292102/0 | Dado |
| 16 | 118550771/0 | Ass. Filtro Aria |
| 17 | 118550748/0 | Filtro Aria |
| 18 | 118550772/0 | Coperchio Filtro Aria |
| 20 | 118550705/0 | Tubo Sfiato |
| 21 | 112292102/0 | Dado |
| 22 | 118550710/0 | Vite |
| 23 | 112735699/0 | Vite |
| 24 | 118550709/0 | Protezione Silenziatore |
| 25 | 118550749/0 | Silenziatore |
| 26 | 118550707/0 | Guarnizione Silenziatore |
| 31 | 118550719/0 | Bobina Elettronica |
| 32 | 112792099/0 | Vite |
| 33 | 118550658/0 | Candela K7RTC |
| 35 | 118550720/0 | Molla |
| 36 | 118550721/0 | Asta Regolatore |
| 37 | 118550751/0 | Molla |
| 38 | 118550761/0 | Motore |
| 41 | 118550717/0 | Dado |
| 42 | 118550757/0 | Coppa Avviamento |
| 43 | 118550756/0 | Ventola Volano |
| 44 | 118550754/0 | Ass. Volano |
| 45 | 112735699/0 | Vite |
| 46 | 118550659/0 | Coperchio |
| 47 | 118550733/0 | Guarnizione Sfiato Olio |
| 48 | 118550660/0 | Filtro Olio |
| 49 | 118550680/0 | Guarnizione |
| 50 | 118550681/0 | Coperchio Valvole |
| 51 | 112735699/0 | Vite |
| 52 | 112791500/0 | Vite |
| 53 | 118550672/0 | Ass. Carter Motore |
| 54 | 118550668/0 | Anello Di Tenuta |
| 55 | 118550745/0 | Ass. Tappo Olio |
| 56 | 118550670/0 | Anello Or |
| 57 | 118550664/0 | Perno |
| 58 | 118550661/0 | Anello Di Tenuta |
| 59 | 118550729/0 | Ass. Testa Cilindro |
| 60 | 118550760/0 | Piastrina |
| 61 | 118550674/0 | Albero Motore |
| 62 | 118550673/0 | Rondella |
| 63 | 118550675/0 | Asta Collegamento |
| 64 | 118550678/0 | Fermo + Spinotto Pistone |
| 65 | 118550677/0 | Ass. Pistone |
| 66 | 118550679/0 | Ass. Fasce Elastiche |
| 67 | 118550682/0 | Albero Camme |
| 68 | 112735699/0 | Vite |
| 69 | 118550662/0 | Ass. Regolatore |
| 70 | 118550665/0 | Albero Regolatore |
| 71 | 118550666/0 | Rondella |
| 72 | 118550671/0 | Guarnizione |
| 73 | 118550723/0 | Supporto Regolazione |
| 74 | 118550726/0 | Vite |
| 75 | 118550722/0 | Dado |
| 76 | 118550667/0 | Coppiglia |
| 77 | 118550683/0 | Alzavalvole |
| 78 | 118550684/0 | Aste Di Punteria |
| 79 | 118550685/0 | Piastrina |
| 80 | 118550686/0 | Vite |
| 81 | 118550687/0 | Bilanciere Valvole |
| 82 | 118550688/0 | Dado |
| 83 | 118550689/0 | Dado |
| 84 | 118550758/0 | Micro Interruttore |
| 85 | 118550755/0 | Acceleratore |
| 86 | 112735699/0 | Vite |
| 87 | 118550759/0 | Molla |
| 89 | 112791500/0 | Vite |
| 90 | 112735699/0 | Vite |
| 91 | 118550692/0 | Ass. Valvola Scarico |
| 92 | 118550691/0 | Ass. Valvola Aspirazione |
| 93 | 118550690/0 | Molla |
| 94 | 118550699/0 | Kit Guarnizioni Carburatore |
| 95 | 118550731/0 | Ass. Guarnizioni Testa Cilindro |
| 96 | 118550730/0 | Ass. Guarnizioni Motore |
Scheda tecnica
Potrebbe anche piacerti