
(modificale nel modulo Rassicurazioni cliente)
(modificale nel modulo Rassicurazioni cliente)
(modificale nel modulo Rassicurazioni cliente)
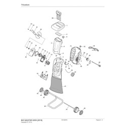
| Shredder BIO MASTER 2200/290000222/ST1-2018 | ||
| # | Part Num. | Description |
| 1 | 118802926/0 | Yellow handle |
| 2 | 118802775/0 | Guard |
| 3 | 118802923/0 | Gray Top Cover |
| 4 | 6981149 | Screw |
| 5 | 118802747/0 | Knob |
| 6 | 118802757/0 | Woodruf |
| 7 | 6981269 | Screw |
| 8 | 118802745/0 | Motor |
| 9 | 118802771/0 | Crankcase Engine |
| 10 | 118810099/0 | Screw |
| 12 | 118802746/0 | Pulley |
| 13 | 3353020 | Ring |
| 14 | 118802774/0 | Pulley |
| 15 | 118802769/0 | Motor Cover |
| 16 | 118802759/0 | Bearing |
| 17 | 118802758/0 | Bearing |
| 18 | 6981425 | Screw |
| 19 | 118802760/0 | Gasket |
| 20 | 118802764/0 | Lower blade |
| 21 | 118802762/1 | Blade |
| 22 | 118802755/0 | Gasket |
| 23 | 112793301/0 | Screw |
| 24 | 118804844/0 | Power cord base |
| 25 | 118804845/0 | Power Cable Cpl |
| 26 | 118804847/0 | Hook Power Cord |
| 27 | 118804846/0 | Cable clamp |
| 28 | 112728099/1 | Screw |
| 29 | 118802900/0 | Yellow frame |
| 30 | 118802766/0 | Pressure Plate |
| 31 | 118802927/0 | Gray Back Cover |
| 32 | 118802750/0 | Switch |
| 33 | 118802752/0 | Starter Cables |
| 34 | 118802751/0 | Micro Security |
| 35 | 118802761/0 | Pin |
| 36 | 118802753/0 | Cable |
| 37 | 118802749/0 | Electronic Board |
| 38 | 6981149 | Screw |
| 39 | 118802754/0 | Filter |
| 40 | 118802909/0 | Wheel Support |
| 41 | 118802756/0 | Axle Wheels |
| 42 | 118802767/0 | Wheel |
| 43 | 118802929/0 | Gray hub cap |
| 44 | 118802217/0 | Pin |
| 45 | 118802773/0 | Tool |
| 46 | 112728519/0 | Screw |
| 47 | 118805063/0 | Bag |
Data sheet
You might also like