
(modificale nel modulo Rassicurazioni cliente)
(modificale nel modulo Rassicurazioni cliente)
(modificale nel modulo Rassicurazioni cliente)
In the following table, look for the model of the Lawnmower and the respective parts of the code.![]()
| Lawnmower Collector 43/295431048/S14-2017 | ||
| Chassis Pag.1 | ||
| # | Part Num. | Description |
| 1 | 381004728/0 | Grey Deck |
| 2 | 322108300/1 | Front Conveyor Assy |
| 3 | 112728699/0 | Screw |
| 4 | 322108302/0 | Rear Conveyor Assy |
| 5 | 112728699/0 | Screw |
| 6 | 322545213/0 | Plate |
| 7 | 381005179/0 | Left Bracket |
| 8 | 112727801/0 | Screw |
| 9 | 381005177/0 | Right Bracket |
| 10 | 322060241/0 | Belt Protection |
| 11 | 322140240/0 | Mulching Deflector |
| 12 | 112728530/0 | Screw |
| 13 | 114367494/2 | Label STIGA logo |
| Height Adjusting Pag.2 | ||
| 1 | 322545189/0 | Plate |
| 2 | 322735597/1 | Sector, Height Adjustment |
| 3 | 381005159/0 | Wheel Support |
| 4 | 381003354/0 | Lever, Height Adjustment |
| 5 | 122519811/0 | Pin |
| 6 | 112521350/0 | Washer |
| 7 | 112155000/0 | Nut |
| 8 | 322545211/0 | Plate |
| 9 | 322735595/1 | Sector, Height Adjustment |
| 10 | 322600247/0 | Protection, Wheel |
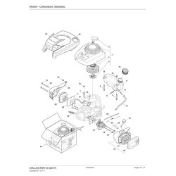
| Handle, Lwer Part Pag.3 | ||
| 1 | 381007537/0 | Handle, Lower Part Yellow |
| 11 | 112155000/0 | Nut |
| 12 | 112521350/0 | Washer |
| 13 | 112369500/0 | Elastic Washer |
| 14 | 112760605/0 | Screw |
| 15 | 381008691/0 | Outfit, Screws |
| Handle, Upper Part Pag.4 | ||
| 1 | 381006753/0 | Handle, Upper Part Yellow |
| 1 | 381006753/1 | Handle, Upper Part Yellow |
| 1 | 381006754/0 | Handle, Upper Part Yellow |
| 1 | 381006754/1 | Handle, Upper Part Yellow |
| 2 | 122430313/0 | Guide Spring |
| 3 | 112521330/0 | Washer |
| 4 | 112154510/0 | Nut |
| 5 | 118390020/0 | Conduit Clip |
| 6 | 181003363/0 | Lever, Engine Brake Black |
| 6 | 181003363/1 | Lever, Engine Brake Black |
| 7 | 181030056/0 | Cable, Thread Engine Brake |
| 8 | 112727783/0 | Screw |
| 9 | 112154510/0 | Nut |
| 12 | 322551640/0 | Plate |
| Wheels and Hub Caps Pag.5 | ||
| 1 | 381007450/1 | Wheel - Short Hub |
| 1 | 381007455/1 | Wheel - Long Hub |
| 2 | 119216035/0 | Bearing |
| 3 | 322110744/0 | Hub Cap Grey |
| 5 | 381007450/1 | Wheel - Short Hub |
| 5 | 381007455/1 | Wheel - Long Hub |
| 6 | 119216035/0 | Bearing |
| 9 | 322110744/0 | Hub Cap Grey |
| Blade Pag.6 | ||
| 1 | 112735109/2 | Screw |
| 2 | 122463012/2 | Blade Boss Ø 22.2 |
| 3 | 1111-9142-01 | Mulching Blade |
| 4 | 122160400/0 | Elastic Disc |
| 5 | 112523080/0 | Washer |
| 5 | 112523080/0 | Screw |
| 6 | 112735698/0 | Key |
| 7 | 112139100/0 | Woodruff key |
| Grass-Catcher Pag.7 | ||
| 1 | 322785331/0 | Black Stone Guard Support |
| 2 | 122450464/0 | Spring |
| 3 | 322109556/0 | Stone Guard Supp. Cover Yellow |
| 4 | 112728699/0 | Screw |
| 5 | 322600214/1 | Stone Guard, Yellow |
| 6 | 322393716/0 | Handle, Grey |
| 7 | 322486387/0 | Grassbox Upper Part, Grey |
| 8 | 322486388/0 | Grassbox Lower Part, Grey |
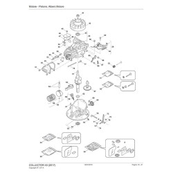
| Engine - Piston, Crankshaft Pag.8 | ||
| 1 | 118550693/0 | Starter Assy Cover |
| 2 | 118550694/0 | Starter Handle |
| 4 | 118550695/0 | Starter Pulley |
| 5 | 118550696/0 | Starter Pawl Set |
| 6 | 118550713/0 | Screw |
| 7 | 118550714/0 | Screw |
| 8 | 112689515/0 | Screw |
| 9 | 118550712/0 | Fuel Tank |
| 10 | 118550711/0 | Fuel Cap |
| 11 | 118550715/0 | Fuel Filter |
| 12 | 118550716/0 | Fuel Pipe |
| 13 | 118550697/0 | Carburetor |
| 14 | 118550706/0 | Screw |
| 15 | 112292102/0 | Nut |
| 16 | 118550702/0 | Air Cleaner Assy |
| 17 | 118550704/0 | Air Filter |
| 18 | 118550703/0 | Air Cleaner Cover |
| 19 | 118550698/0 | Air Purge Pump |
| 20 | 118550705/0 | Breather Fule Pipe |
| 21 | 112292102/0 | Nut |
| 22 | 118550710/0 | Nut |
| 23 | 112735699/0 | Screw |
| 24 | 118550709/0 | Screw |
| 25 | 118550708/0 | Muffler |
| 26 | 118550707/0 | Muffler Gasket |
| 31 | 118550719/0 | Electronic Coil |
| 32 | 112792099/0 | Screw |
| 33 | 118550658/0 | Spark Plug K7RTC |
| 35 | 118550720/0 | Spring |
| 36 | 118550721/0 | Controller rod |
| 38 | 118550732/0 | Engine Assembled |
| 98 | 322055521/0 | Grey Cover |
| 99 | 322055518/0 | Black Cover |
| Engine - Piston, Crankshaft Pag.9 | ||
| 39 | 118550728/0 | Brake assy |
| 40 | 118550727/0 | Spring |
| 41 | 118550717/0 | Nut |
| 42 | 118550718/0 | Flywheel Ass.Y |
| 43 | 118550661/0 | Oil Seal |
| 44 | 118550729/0 | Cylinder Head Assy |
| 45 | 112735699/0 | Screw |
| 46 | 118550659/0 | Cover |
| 47 | 118550733/0 | Gasket, Breath Groove |
| 48 | 118550660/0 | Oil Filter |
| 49 | 118550680/0 | Gasket |
| 50 | 118550681/0 | Cover Comp., Head |
| 51 | 112735699/0 | Screw |
| 52 | 112791500/0 | Screw |
| 53 | 118550672/0 | Crankase Cover Assy |
| 54 | 118550668/0 | Oil Seal |
| 55 | 118550669/0 | Tank Cap |
| 56 | 118550670/0 | O-Ring |
| 57 | 118550664/0 | Pin |
| 61 | 118550674/0 | Crankshaft |
| 62 | 118550673/0 | Washer |
| 63 | 118550675/0 | Connecting Rod Assy |
| 64 | 118550678/0 | Circlip + Piston Pin |
| 65 | 118550677/0 | Piston Assy |
| 66 | 118550679/0 | Piston, Ring Set |
| 67 | 118550682/0 | Camshaft assy |
| 68 | 112735699/0 | Screw |
| 69 | 118550662/0 | Speed Governor Assy |
| 70 | 118550665/0 | Shaft, Governor Arm |
| 71 | 118550666/0 | Washer |
| 72 | 118550671/0 | Gasket |
| 73 | 118550723/0 | Support Governor |
| 74 | 118550726/0 | Screw |
| 75 | 118550722/0 | Nut |
| 76 | 118550667/0 | Cotter Pin |
| 77 | 118550683/0 | Valve Lifter |
| 78 | 118550684/0 | Push Rods |
| 79 | 118550685/0 | Plate |
| 80 | 118550686/0 | Screw |
| 81 | 118550687/0 | Valve Arm |
| 82 | 118550688/0 | Nut |
| 83 | 118550689/0 | Nut |
| 85 | 118550724/0 | Plate |
| 86 | 112735699/0 | Screw |
| 87 | 118550725/0 | Spring |
| 89 | 112791500/0 | Screw |
| 90 | 112735699/0 | Screw |
| 91 | 118550692/0 | Exhaust Valve Assy |
| 92 | 118550691/0 | Intake Valve Assy |
| 93 | 118550690/0 | Spring |
| 94 | 118550699/0 | Carburettor Gasket Set |
| 95 | 118550731/0 | Cylinder Head Gasket Set |
| 96 | 118550730/0 | Engine Gasket Set |
Data sheet
You might also like