(modificale nel modulo Rassicurazioni cliente)
(modificale nel modulo Rassicurazioni cliente)
(modificale nel modulo Rassicurazioni cliente)
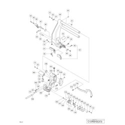
We have the original Spares Hitachi-HIKOKI for Slide Compound Miter Saw C12RSH2, the Repair information, Exploded Diagram, parts list and tool repair that help you need to get your tools running like new again.
In the following table, look for the model of the Miter Saw and theirs spare part.![]()
| Slide Compound Miter Saw C12RSH2 | ||
| # | Part Num. | Description |
| 1 | 339629 | SHAFT (C) D16 |
| 3 | 339633 | TURN TABLE |
| 4 | 324416 | SCALE (B) |
| 6 | 324411 | TABLE INSERT (B) |
| 8 | 324410 | TABLE INSERT (A) |
| 9 | 324401 | SHAFT (B) |
| 11 | 324402 | SPRING (B) |
| 13 | 321329 | INDICATOR |
| 14 | 321342 | SPACER (A) |
| 16 | 321339 | LEVER SHAFT |
| 17 | 334378 | SHAFT (A) |
| 18 | 322283 | SIDE HANDLE |
| 20 | 321417 | SPRING (E) |
| 21 | 322280 | STOPPER (A) |
| 22 | 339624 | VISE ASS'Y |
| 24 | 996722 | WASHER |
| 25 | 322047 | VISE PLATE |
| 29 | 339626 | VISE SHAFT |
| 30 | 339657 | SUB FENCE (B) |
| 33 | 339628 | FENCE (B) |
| 34 | 998834 | HOLDER |
| 36 | 339631 | BASE ASS'Y |
| 37 | 324395 | COVER (B) |
| 38 | 324396 | SHAFT (C) D6 |
| 39 | 321336 | PIN COVER |
| 40 | 324400 | LINER |
| 42 | 321331 | PLATE |
| 44 | 321338 | LEVER |
| 45 | 321340 | SPRING (D) |
| 46 | 339656 | SUB FENCE (A) |
| 47 | 339627 | FENCE (A) |
| 51 | 323606 | BASE RUBBER |
| 52 | 370011 | SCALE (A) |
| 82 | 339732 | HOLDER (A) ASS'Y |
| 84 | 339621 | CLUTCH SCREW |
| 85 | 339620 | CLUTCH SPRING |
| 86 | 339619 | CLAMP LEVER |
| 87 | 339618 | BOLT (LEFT HAND) D10 |
| 88 | 339622 | WASHER |
| 89 | 339623 | LINER (A) |
| 90 | 324420 | SET PIN (A) |
| 91 | 326828 | GUARD |
| 92 | 331845 | GUARD HOLDER |
| 100 | 324415 | BUSHING |
| 101 | 324418 | KNOB BOLT M6X25 |
| 103A | 334458 | SUPPORT |
| 104 | 324414 | BALL BUSHING |
| 105 | 320183 | COVER |
| 106 | 324419 | STOPPER PIN ASS'Y |
| 107 | 872645 | O-RING (P-9) |
| 108 | 324387 | HINGE SHAFT (A) |
| 109 | 324467 | HINGE (A) |
| 110 | 312672 | BASE RUBBER |
| 111 | 319270 | ADJUSTER |
| 113 | 303854 | SPACER |
| 114 | 328522 | LINK |
| 115 | 319267 | SPRING |
| 116 | 319268 | PLATE (B) |
| 117 | 305179 | CLUTCH SPRING |
| 118 | 329863 | LASER MARKER |
| 120 | 319271 | COVER (A) |
| 121 | 322291 | PLATE (A) |
| 123 | 305180 | CLUTCH SCREW |
| 124 | 962614 | ADJUSTING WASHER (B) T0.5 |
| 125 | 319269 | HOLDER (B) |
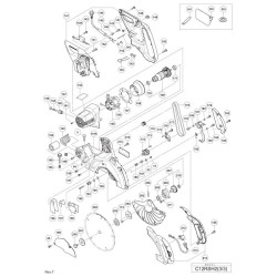
| 141 | 339644 | HANDLE (L).(R) SET |
| 142 | 323978 | POWER SUPPLY BOARD C12LCH * 371121 |
| 145 | 938051 | CORD ARMOR D10.1 |
| 146 | 937631 | CORD CLIP |
| 149 | 319503 | SWITCH (W/COVER) |
| 157 | 339643 | HOUSING ASS'Y |
| 158 | 945161 | BRUSH CAP |
| 159 | 999038 | CARBON BRUSH (1 PAIR) |
| 159 | 999065 | CARBON BRUSH (1 PAIR) |
| 160 | 938241 | BRUSH HOLDER |
| 162 | 324388 | SLEEVE |
| 163 | 310898 | SPRING |
| 164A | 339640 | GEAR CASE |
| 165 | 340925E | STATOR ASS'Y (B) 220V-240V |
| 166 | 937623 | BRUSH TERMINAL |
| 167 | 339734 | END PLATE |
| 168 | 339642 | FAN GUIDE |
| 169 | 361021C | ARMATURE ASS'Y 220V-230V |
| 170 | 6000VV | BALL BEARING 6000VVCMPS2L |
| 171 | 6201VV | BALL BEARING 6201VV |
| 172 | 339641 | PINION SET |
| 174 | 324443 | PULLEY (A) |
| 175 | 983545 | NEEDLE ROLLER |
| 176 | 325259 | BEARING HOLDER (B) |
| 178 | 324427 | BELT (200H10) 16X508 |
| 179 | 307811 | TAPPING SCREW (W/FLANGE) D4X16 (BLACK) |
| 180 | 302757 | SPACER |
| 181 | 328518 | LEVER |
| 182 | 322457 | LEVER SPRING |
| 184 | 339651 | LEVER COVER |
| 186 | 988821 | LOCK SPRING |
| 187 | 307732 | STOPPER PIN |
| 188 | 961468 | KNOB BOLT M6X37 |
| 193 | 606ZZM | BALL BEARING 606VV |
| 196 | 339649 | DUST GUIDE |
| 197 | 339648 | GUIDE HOLDER |
| 198 | 339650 | GUARD (D) |
| 199 | 339653 | SPINDLE COVER |
| 201 | 324633 | WASHER (D) |
| 203 | 328520 | WASHER (C) |
| 204 | 307731 | COVER |
| 205 | 339655 | PROTECTIVE COVER |
| 206 | 328188 | RETURN SPRING (B) |
| 207 | 324438 | SPINDLE ASS'Y |
| 208 | 327694 | BALL BEARING 6003VVCM (NYLON RETAINER) |
| 209 | 324439 | BEARING HOLDER |
| 210 | 608VVM | BALL BEARING 608VVC2PS2L |
| 212 | 324424 | SWITCH (3P FASTON TYPE) W/O LOCK |
| 214 | 339646 | SWITCH HANDLE (L).(R) SET |
| 602 | 974561 | STOPPER |
| 605 | 321549 | HOLDER |
| 607 | 949556 | NUT M6 (10 PCS.) |
| 608 | 322047 | VISE PLATE |
| 612 | 339626 | VISE SHAFT |
| 619 | 301806 | WING BOLT M6X15 |
| 626 | 301806 | WING BOLT M6X15 |
Data sheet
You might also like