- Online only

(modificale nel modulo Rassicurazioni cliente)
(modificale nel modulo Rassicurazioni cliente)
(modificale nel modulo Rassicurazioni cliente)
We have the original Spares Alpina for Snow Throwers AS 62 (2014) 18-2867-42 the Repair information, Exploded Diagram, parts list and tool repair that help you need to get your tools running like new again.
Fix Your Snow Throwers AS 62. All Spares are original and can be supplied at discounted prices. Our Spares are Genuine Parts Guaranteed.
In the following table, look for the model of the Snow Throwers and the respective parts of the code.![]()
| ALPINA AS 62 (2014) 18-2867-42 Codice Omologazione ST601 | ||
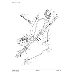
| Handle, Controls | ||
| # | Part Num. | Description |
| 1 | 1811-2557-01 | Handle |
| 2 | 9747-0831-02 | Lock Nut |
| 3 | 1811-2567-01 | Clutch Lever, Right As seen from front |
| 4 | 1811-2472-01 | Rubber Cap |
| 5 | 112691200/0 | Screw From 01-September-2012 |
| 5 | 9997-0845-12 | Screw To 31-August-2012 |
| 6 | 1811-2570-01 | Yellow Dashboard STIGA |
| 6 | 1811-2570-02 | White Dashboard ALPINA |
| 7 | 1811-2400-01 | Screw |
| 8 | 1811-2458-01 | Adjustment Rod |
| 9 | 9799-0531-02 | Nut |
| 10 | 1811-2456-01 | Control Cable L = 105 cm From 01-September-2007 To 31-August-2010 |
| 10 | 1811-2585-01 | Control Cable L = 105 cm From 01-September-2011 To 31-August-2012 |
| 11 | 1811-2566-01 | Clutch Lever, Left As seen from front |
| 13 | 9747-0831-02 | Lock Nut |
| 14 | 1811-2587-01 | Control Cable L = 117.5 cm From 01-September-2011 To 31-August-2012 |
| 15 | 9787-0831-32 | Nut |
| 16 | 1811-2468-01 | Eye Bolt |
| 17 | 1811-2469-01 | Rubber Sleeve |
| 18 | 1811-2563-01 | Gear lever |
| 19 | 9739-0631-22 | Nut |
| 20 | 9997-0620-16 | Screw |
| 21 | 9739-0631-22 | Nut |
| 22 | 9997-0620-16 | Screw |
| 23 | 1811-2482-01 | Gear Rod - NO LONGER AVAILABLE |
| 24 | 112791500/0 | Screw From 01-September-2015 |
| 24 | 9997-0625-16 | Screw To 31-August-2015 |
| 25 | 112154510/0 | Nut From 01-September-2014 |
| 25 | 9747-0631-02 | Lock Nut To 31-August-2015 |
| 26 | 9997-0635-12 | Screw |
| 27 | 1811-2565-01 | Gear select plate |
| 28 | 9997-0840-16 | Screw |
| 29 | 1811-2453-01 | Washer |
| 30 | 9699-0062-02 | Washer |
| 31 | 9997-0820-16 | Screw |
| 46 | 1811-2476-01 | Shoulder Bolt |
| 47 | 1811-2440-01 | Wire Pulley |
| 48 | 1811-2439-01 | Bracket-Yellow |
| 49 | 9699-0025-02 | Washer |
| 50 | 9997-0612-16 | Screw |
| 51 | 9739-0631-22 | Nut |
| 52 | 1811-2437-01 | Bracket-Yellow |
| 53 | 1811-2440-01 | Wire Pulley |
| 54 | 9997-0612-16 | Screw |
| 55 | 9699-0025-02 | Washer |
| 56 | 9747-0831-02 | Lock Nut |
| 57 | 9699-0028-02 | Washer |
| 58 | 1811-2487-01 | Chassis, Yellow From 01-September-2007 To 31-August-2010 |
| 58 | 1811-2588-01 | Chassis, yellow From 01-September-2011 To 31-August-2012 |
| 58 | 1811-2595-01 | Chassis, Yellow STIGA From 01-September-2012 To 31-August-2013 |
| 58 | 1811-2595-02 | Chassis, white ALPINA From 01-September-2012 To 31-August-2013 |
| 59 | 9747-0631-02 | Lock Nut From 01-September-2011 To 31-August-2012 |
| 62 | 9699-0025-02 | Washer From 01-September-2011 To 31-August-2012 |
| 63 | 9997-0610-16 | Screw |
| 64 | 9699-0025-02 | Washer |
| 65 | 1811-2442-01 | Grip |
| 66 | 9997-0610-16 | Screw |
| 67 | 9699-0025-02 | Washer |
| 68 | 1811-2486-01 | Bottom plate-yell |
| 69 | 9699-0025-02 | Washer |
| 70 | 9997-0610-16 | Screw |
| 127 | 9699-0035-02 | Washer From 01-September-2011 To 31-August-2012 |
| 141 | 1811-2467-01 | Crank |
| 142 | 1811-2431-01 | Bushing |
| 143 | 9599-0054-02 | Split Pin |
| 144 | 9898-0820-16 | Screw |
| 145 | 1811-2430-01 | Bracket-Yellow |
| 146 | 9747-0831-02 | Lock Nut |
| 147 | 9699-0056-02 | Washer |
| 193 | 9699-0072-02 | Washer |
| 216 | 9699-0029-02 | Washer |
| Engine, Belts | ||
| 32 | 1811-2452-01 | Wheel Shaft |
| 33 | 1811-2421-01 | Gear |
| 34 | 1811-2416-01 | Key |
| 35 | 9595-0212-00 | Locating Pin |
| 36 | 1811-2550-01 | Wheel Shaft |
| 37 | 1811-2478-01 | Spring Pin |
| 38 | 1811-2407-01 | Flat Washer |
| 39 | 1811-2541-01 | Wheel Assembly 15" |
| 40 | 118550657/0 | Engine Lc170 (El.Start) Electric starter - Not for B&S Models |
| 41 | 9997-0610-16 | Screw |
| 42 | 9699-0025-02 | Washer |
| 43 | 1811-2455-01 | Belt Cover |
| 44 | 9747-0831-02 | Lock Nut |
| 45 | 9699-0028-02 | Washer |
| 59 | 112154510/0 | Nut From 01-September-2014 |
| 59 | 9747-0631-02 | Lock Nut To 31-August-2014 |
| 60 | 9997-0630-12 | Screw L = 30 mm |
| 61 | 9997-0620-16 | Screw L = 20 mm |
| 62 | 9699-0025-02 | Washer |
| 71 | 112154510/0 | Nut From 01-September-2014 |
| 71 | 9747-0631-02 | Lock Nut To 31-August-2014 |
| 72 | 1811-2470-01 | Tension Arm From 01-September-2011 To 31-August-2012 |
| 72 | 1811-2594-01 | Tension Arm From 01-September-2012 To 31-August-2013 |
| 73 | 1811-2559-01 | Washer |
| 74 | 9997-0820-16 | Screw |
| 75 | 1811-2555-01 | Spring |
| 76 | 1811-2575-01 | Washer |
| 77 | 9997-0812-16 | Screw |
| 78 | 9699-0028-02 | Washer |
| 79 | 1811-2593-01 | Tension Pulley |
| 80 | 1811-2427-01 | Washer |
| 81 | 112793701/0 | Screw From 01-September-2016 |
| 81 | 9997-0830-16 | Screw To 31-August-2016 |
| 82 | 1811-2473-01 | Pulley |
| 83 | 1811-2542-01 | Plain Cushion |
| 84 | 9987-5125-16 | Screw |
| 85 | 1811-2560-01 | Pulley |
| 86 | 1811-2578-01 | Belt L = 885 |
| 87 | 1811-2410-01 | Belt |
| 88 | 9997-0816-16 | Screw |
| 89 | 9699-0122-02 | Washer |
| 90 | 1811-2411-01 | Bearing |
| 92 | 1811-2423-01 | Hex Shaft |
| 93 | 1811-2435-01 | Hub |
| 94 | 9997-0612-16 | Screw |
| 95 | 1811-2584-01 | Friction ring |
| 96 | 1811-2433-01 | Friction Wheel |
| 97 | 9997-0612-16 | Screw |
| 98 | 1811-2434-01 | Gear Selector Hub |
| 99 | 1811-2412-01 | Lock Ring |
| 100 | 1811-2413-01 | Bearing |
| 101 | 9699-0035-02 | Washer |
| 102 | 9747-1031-02 | Lock Nut |
| 103 | 1811-2420-01 | Bracket |
| 104 | 9997-0610-16 | Screw |
| 105 | 1811-2465-01 | Gear Lever |
| 106 | 1811-2428-01 | Drive Pulley |
| 107 | 1811-2429-01 | Shaft Bushing |
| 108 | 1811-2414-01 | Bearing |
| 109 | 1811-2424-01 | Bracket |
| 110 | 9599-0054-02 | Split Pin |
| 111 | 9747-1031-02 | Lock Nut |
| 112 | 1811-2483-01 | Spring |
| 113 | 1811-2489-01 | Collar |
| 114 | 9699-0037-02 | Washer |
| 184 | 1811-2477-01 | Washer |
| 215 | 9650-0019-04 | Retainer ring |
| 218 | 9699-0037-02 | Washer |
| 219 | 1811-2581-01 | Key |
| 220 | 1811-2592-01 | Therm. Insulated Shroud |
| 221 | 9699-0076-02 | Washer |
| Housing, Chute | ||
| 57 | 9699-0028-02 | Washer From 01-September-2011 To 31-August-2012 |
| 115 | 112154510/0 | Nut From 01-September-2014 |
| 115 | 9747-0631-02 | Lock Nut To 31-August-2014 |
| 116 | 1811-2438-01 | Bracket-Yellow |
| 117 | 9699-0025-02 | Washer |
| 118 | 9997-0610-16 | Screw |
| 119 | 1811-2440-01 | Wire Pulley |
| 120 | 1811-2476-01 | Shoulder Bolt |
| 121 | 1811-2425-01 | Tension Roller W. Bearing |
| 122 | 1811-2426-01 | Spacer |
| 123 | 9997-0845-12 | Screw |
| 124 | 1811-2427-01 | Washer |
| 125 | 9747-0831-02 | Lock Nut |
| 126 | 9747-1031-02 | Lock Nut |
| 127 | 9699-0035-02 | Washer |
| 128 | 1811-2448-01 | Tension Roller W.Bearing |
| 129 | 1811-2457-01 | Spring |
| 130 | 1811-2475-01 | Screw |
| 131 | 1811-2462-01 | Spring |
| 132 | 9699-0028-02 | Washer |
| 133 | 9747-0831-02 | Lock Nut |
| 148 | 9747-0831-02 | Lock Nut |
| 149 | 9898-0820-16 | Screw |
| 150 | 9747-0831-02 | Lock Nut |
| 151 | 1811-2549-01 | Shave Plate (62 Cm) |
| 152 | 9898-0820-16 | Screw |
| 153 | 9699-0056-02 | Washer |
| 154 | 9747-0831-02 | Lock Nut |
| 155 | 9699-0056-02 | Washer |
| 156 | 1811-2568-01 | Skid |
| 157 | 1811-2590-02 | Auger housing-white ALPINA From 01-September-2012 To 31-August-2013 |
| 186 | 9898-0820-16 | Screw |
| 187 | 9699-0056-02 | Washer |
| 188 | 9747-0831-02 | Lock Nut |
| 189 | 112154510/0 | Nut From 01-September-2014 |
| 189 | 9747-0631-02 | Lock Nut To 31-August-2014 |
| 190 | 9997-0616-16 | Screw |
| 191 | 112154510/0 | Nut From 01-September-2014 |
| 191 | 9747-0631-02 | Lock Nut To 31-August-2014 |
| 192 | 1811-2445-01 | Washer |
| 194 | 1811-2551-01 | Screw |
| 195 | 9747-0831-02 | Lock Nut |
| 196 | 1811-2498-01 | Knob |
| 197 | 9898-0825-16 | Screw |
| 198 | 1811-2571-01 | Chute |
| 199 | 9997-0620-16 | Screw |
| 200 | 1811-2461-01 | Spring |
| 201 | 112154510/0 | Nut From 01-September-2014 |
| 201 | 9747-0631-02 | Lock Nut To 31-August-2014 |
| 202 | 1811-2432-01 | Chute Guard |
| 203 | 1811-2500-01 | Cleaner Stick |
| 204 | 9898-0820-16 | Screw |
| 205 | 1811-2572-01 | Cleaner Stick Bracket |
| 214 | 1811-2547-01 | Rubber block |
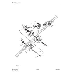
| Gear case, Auger | ||
| 12 | 9997-0510-16 | Screw |
| 133 | 9747-0831-02 | Lock Nut From 01-September-2011 To 31-August-2012 |
| 134 | 9997-0820-16 | Screw |
| 135 | 9699-0056-02 | Washer |
| 136 | 1811-2556-01 | Pulley |
| 137 | 9747-0831-02 | Lock Nut |
| 138 | 1811-2422-01 | Bearing Cover |
| 139 | 9600-0170-00 | Key |
| 140 | 1811-2415-01 | Bearing |
| 158 | 1811-2552-01 | Output Shaft (62 Cm) |
| 159 | 1811-2416-01 | Key |
| 160 | 9747-0831-02 | lock Nut |
| 161 | 1811-9012-01 | Shear bolt kit Pos 160 incl. |
| 162 | 1811-2561-01 | Auger-LH As seen from front |
| 163 | 1811-2443-01 | Shaft Bushing - DISCONTINUED |
| 164 | 1811-2418-01 | Washer |
| 165 | 1811-2444-01 | Shaft Bushing |
| 166 | 1811-2449-01 | Bearing Cover |
| 167 | 9699-0028-02 | Washer |
| 168 | 9997-0812-16 | Screw |
| 169 | 1811-2562-01 | Auger-Rh As seen from front |
| 170 | 9997-0620-16 | Screw |
| 171 | 9683-0025-02 | Washer |
| 172 | 9699-0025-02 | Washer |
| 173 | 1811-2463-01 | Worm Gear |
| 174 | 1811-2484-01 | Gear Housing, Right As seen from front |
| 175 | 1811-2490-01 | Bushing |
| 176 | 1811-2443-01 | Shaft Bushing - DISCONTINUED |
| 177 | 1811-2485-01 | Gear housing-LH As seen from front |
| 178 | 1811-2402-01 | Bearing |
| 179 | 1811-2454-01 | Fan Shaft Ø = 20 mm |
| 180 | 1811-2403-01 | Bearing |
| 181 | 1811-2404-01 | Thrust Bearing |
| 182 | 1811-2405-01 | Seal Ring 32 x 20 x 6 mm |
| 183 | 112645710/0 | Elastic Pin From 01-September-2012 |
| 183 | 9595-0258-00 | Locating Pin To 31-August-2012 |
| 184 | 1811-2477-01 | Washer |
| 185 | 1811-2419-01 | Fan |
| 186 | 1811-2569-01 | Gasket |
| 207 | 112791500/0 | Screw From 01-September-2015 |
| 207 | 9997-0625-16 | Screw To 31-August-2015 |
| 210 | 1811-2544-01 | Grease filling joint |
| 211 | 1811-2545-01 | Gasket |
| 217 | 1811-2580-01 | Seal Ring 30 x 19 x 7 mm |
| Etichette | ||
| 3 | 1811-2583-02 | Alpina AS 56A Label Kit |
| 4 | 1811-2582-02 | Alpina AS 62A Label Kit |
| Cylinder Head & Complete Engine | ||
| 1 | 118550780/1 | Bolt |
| 2 | 118550462/0 | Ball bearing |
| 3 | 118550459/0 | Shaft, Governor Arm |
| 4 | 118550458/0 | Speed Governor Arm |
| 5 | 118550621/0 | Engine Gaskets Set |
| 10 | 118550521/0 | Cylinder Head Assy |
| 11 | 118550626/0 | Hardware Kit, Cyl.Head |
| 12 | 118550627/0 | Cylinder Head Cover |
| 13 | 9400-0244-00 | Spark Plug |
| 20 | 118550622/0 | Plate |
| 21 | 118550472/0 | Intake Valve Ass |
| 22 | 118550473/0 | Exhaust Valve Assy |
| 23 | 118550474/0 | Push Rod |
| 24 | 118550623/0 | Valve lifter |
| 25 | 118550624/0 | Camshaft Ass'y |
| 26 | 118550625/0 | Valve Rocker |
| 27 | 118550657/0 | Lc170 motor (El.Start) Electric starter |
| Starter | ||
| 1 | 118550615/0 | Piston Ring Set |
| 2 | 118550614/0 | Piston assembly |
| 3 | 118550786/0 | Piston pin |
| 4 | 118550617/0 | Crankshaft |
| 5 | 118550288/0 | Woodruff key |
| 10 | 118550619/0 | Case Cover Ass'y |
| 11 | 118550621/0 | Engine Gaskets Set |
| 12 | 118550462/0 | Ball bearing |
| 13 | 118550620/0 | Cap |
| 20 | 118550628/1 | Starter Assy From 01-September-2017 |
| 20 | 118550789/0 | Starter Assy To 31-August-2017 |
| Flywheel | ||
| 1 | 118550634/0 | Ignition Coil Assy., Ignition |
| 2 | 118550633/0 | Inkl cap. pos 2 |
| 3 | 118550635/0 | Cooling Fan Assy |
| 4 | 118550489/0 | Flywheel Ass'y Manual Start |
| 4 | 118550735/0 | Flywheel Ass'y Electric start |
| 5 | 118550638/0 | Ignition Switch |
| 6 | 118550639/0 | Switch Key |
| 10 | 118550640/0 | Starter Motor Assembly |
| 20 | 118550636/0 | Holder, Starting Box Assy |
| Carburator | ||
| 1 | 118550648/0 | Fuel Switch Ass'y |
| 2 | 118550500/0 | Fuel Tank Joint |
| 3 | 118550649/0 | Fuel Tank Ass'y To 31-August-2017 |
| 3 | 118551311/0 | Fuel tank Ass'y From 01-September-2017 |
| 4 | 118550650/0 | Fuel Filler Cap |
| 5 | 118550651/0 | Fuel Filter |
| 6 | 118550652/0 | Oil Fill Cap Assy |
| 7 | 118550734/0 | Cover - Rear |
| 10 | 118550653/0 | Carburetor Ass'y To 31-August-2013 |
| 10 | 118550780/0 | Carburetor Ass'y From 01-September-2013 |
| 11 | 118550482/0 | Spacer |
| 12 | 118550654/0 | Air Pump Ass'y |
| 13 | 118550621/0 | Engine Gaskets Set |
| 14 | 118550484/0 | Carburator Insulator |
| 15 | 118550854/0 | Arm Governor |
| 16 | 118550805/0 | Screw |
| 17 | 9739-0631-22 | Nut |
| 18 | 118550853/0 | Spring |
| 21 | 118550493/0 | Governor Rod |
| 22 | 118550492/0 | Spring |
| 25 | 118551319/0 | Knob |
| 26 | 118551315/0 | Throttle Control Ass'y |
| 27 | 118550869/0 | Screw |
| 28 | 118550399/0 | Micro Switch |
| 29 | 118551337/0 | Screw |
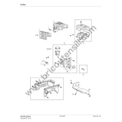
| Muffler | ||
| 1 | 118550646/1 | Muffler Guard - DISCONTINUED |
| 2 | 118550647/0 | Muffler Ass'y |
| 6 | 118550886/0 | Choke lever From 01-September-2013 |
| 10 | 118550643/0 | Choke Lever To 31-August-2012 |
| 11 | 118550644/0 | Air Cleaner Ass'y From 01-September-2013 |
| 11 | 118550813/0 | Air Filter To 31-August-2012 - DISCONTINUED |
| 12 | 118550645/0 | Choke Control |
| 20 | 118550655/0 | Engine Cover Kit |
| 30 | 118550637/0 | Shroud Assy |
Data sheet
You might also like