
(modificale nel modulo Rassicurazioni cliente)
(modificale nel modulo Rassicurazioni cliente)
(modificale nel modulo Rassicurazioni cliente)
authorized service center and original spare parts Worldwide Distributor. We offer low prices and a professional repair service able to advise you for to buy the most suitable spare part to quickly solve any maintenance and repair issues for Chain Saw A 350 (2011) 222016000/09.
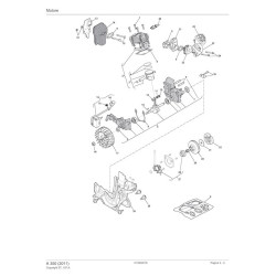
In the following table, look for the model of the Chain Saw and the respective parts of the code.![]()
| ALPINA A 350 (2011) 222016000/09 - ENGINE Pag.1 | ||
| # | Part Num. | Description |
| 1 | 183878032/0 | Screw |
| 2 | 183070002/0 | Cylinder Pistor Assy |
| 3 | 183590002/0 | Piston Assy |
| 4 | 183303509/0 | Piston Ring |
| 5 | 183275300/0 | Short Block Engine |
| 6 | 119035154/0 | Seal Ring |
| 7 | 119035155/0 | Seal Ring |
| 8 | 123878031/0 | Screw |
| 9 | 183303508/0 | Cilynder Gasket Assy |
| 10 | 123652504/0 | Washer |
| 11 | 123235002/0 | Needle Bearing |
| 12 | 2432040 | Nut |
| 13 | 123140056/0 | Deflector |
| 14 | 183740001/0 | Muffler Assy |
| 15 | 123878028/0 | Screw |
| 16 | 123044003/0 | Electronic Coil |
| 17 | 183880003/0 | Flywheel Assy |
| 18 | 112154200/0 | Nut |
| 19 | 123072000/0 | Flywheel Key |
| 20 | 23051000/0 | Spark Plug |
| 21 | 123073504/0 | Intake Manifold |
| 22 | 123054017/0 | Carburettor |
| 23 | 123073505/0 | Intake Manifold Assy |
| 24 | 123878019/0 | Screw |
| 25 | 123220004/0 | Air Filter - NO LONGER AVAILABLE |
| 26 | 123878033/0 | Screw |
| 27 | 183594504/0 | Oil Pump 118550607/0 + 118550606/0 |
| 28 | 123878030/0 | Worm |
| 29 | 123235001/0 | Needle Bearing |
| 30 | 123050004/0 | Clutch Drum |
| 31 | 123657008/0 | Washer |
| 32 | 183215002/0 | Clutch Ass.Y |
| 33a | 183303510/0 | Chain Guard |
| 33 | 3657050 | Spark Plug Spring |
| 34 | 3748880 | Spark Plug Cover |
| 35 | 123057004/0 | Crankase |
| ALPINA A 350 (2011) 222016000/09 - HOUSING Pag.2 | ||
| 41 | 183300014/0 | Handle Assy |
| 42 | 123303001/0 | Switch |
| 43 | 183790005/0 | Tank Cap |
| 44 | 183520001/0 | Intake Filter |
| 45 | 183790004/0 | Fuel Tank-Cap Ass.Y |
| 46 | 123315069/0 | Throttle Lever |
| 48 | 123066010/0 | Cable, Trottle |
| 49 | 123315070/0 | Safety Lever |
| 50 | 6980242 | Primer |
| 51 | 123065020/0 | Earth Cable |
| 52 | 123065021/0 | Stop Wire |
| 53 | 183430550/0 | Shock Absorber Spring Assy |
| 54 | 3749437 | Starter Handle |
| 55 | 183058015/0 | Starter Assy Yellow |
| 55 | 183058029/0 | Starter Assy Black |
| 56 | 123105002/0 | Handle |
| 57 | 123087013/0 | Cylinder Cover Yellow |
| 58 | 123593504/0 | Knob |
| 59 | 123160053/0 | Bushing |
| 60 | 123202001/0 | Grommet |
| 61 | 123315068/0 | Choke Lever |
| 62 | 183059010/0 | Clutch Ho. W/Br. Assy Yellow |
| 63 | 123120006/0 | Nut |
| 64 | 123900351/0 | Guide Bar 16" 16" 3/8" Mini .050" (1.3 mm) |
| 65 | 4113705 | Chain 16" 16" 3/8" .050" (1.3 mm) - 56E |
| 66 | 4181307 | Chain Cover |
| 67 | 183604000/0 | Starter Pulley |
| 68 | 123430604/0 | Starter Spring |
| 69 | 123445267/0 | Starter Cup |
| 70 | 123878108/0 | Screw |
Data sheet
You might also like