
(modificale nel modulo Rassicurazioni cliente)
(modificale nel modulo Rassicurazioni cliente)
(modificale nel modulo Rassicurazioni cliente)
Fix Your BSS18C12ZBL-0 Brushless 1/2" Impact Wrench. All Spares are original and can be supplied at Low and discounted prices. Our Spares are Genuine Parts and Come with a Full Guarantee.
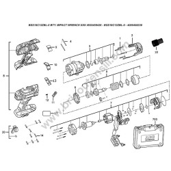
In the following table, look for the model of the Drill Driver and their spare part.![]()
| BSS18C12ZBL-0 BTY. IMPACT WRENCH XXX | ||
| 4935459426 - BSS18C12ZBL-0 - 4000458330 | ||
| Pos. | Codice | Description |
| 1 | 4931461094 | SCREW |
| 2 | 4931461093 | WORK LAMP |
| 3 | 4931461095 | IMPACT BOLT |
| 4 | 4931461099 | PIN |
| 5 | 4931461096 | GEAR BOX KIT |
| 6 | 4931461097 | WORM GEAR WHEEL |
| 7 | 4931472583 | MOTOR ASSEMBLY |
| 8 | 4931461104 | HOUSING |
| 9 | 4931461100 | KNOB |
| 10 | 4931461101 | SWITCH COVER |
| 11 | 4931461103 | TRIGGER |
| 12 | 4931454383 | SPRING |
| 13 | 4931461102 | PUSH-BUTTON |
| 14 | 660031029 | SCREW |
| 17 | 4931461250 | RATING PLATE |
| 18 | 4931443039 | DRIVE GEAR |
| 20 | 4931436204 | CLAMP |
| 700 | 4931461251 | CARRYING CASE - Discontinued |
| Accessories Pag.2 | ||
| 500 | 4935472275 | L 1820S 18 v - 2,0 Ah (Li-on) | SUBCOMPACT |
| 501 | 4935478636 | L1840S 18 v - 4,0 Ah | SUBCOMPACT |
| 502 | 4935478858 | L1820SHD 18 V - 2,0 Ah | Battery HD |
| 503 | 4935478859 | L1840SHD 18 v - 4,0 Ah | Battery HD |
| 504 | 4935478860 | L1850SHD 18 v - 5,0 Ah | Battery HD |
| 505 | 4935480049 | L1860SHD 18 v - 6,0 Ah | Battery HD |
| 506 | 4932464231 | L1890RHD 18 v - 9,0 Ah | Battery HD |
| 507 | 4935472276 | BL18S 18 V | Charger SUBCOMPACT |
| 508 | 4935480052 | BL18C2 18 V | Charger 2 doors |
| 509 | 4935480051 | BL18C6 18 V | Charger 6 doors |
| 510 | 4932464542 | BL1418 18 V | Charger 14.4-18V |
| 511 | 4932451538 | BLK1218 Rapid Charger 12-18V |
| 512 | 4935478932 | SET L 1820S KIT ENERGY 2,0 Ah: Battery + Charger+ bag |
| 512 | 4931427047 | |
| 513 | 4935478944 | SET L 1840SHD KIT ENERGY 4,0 Ah: 1 Battery 4,0 Ah HD + Charger + bag |
| 514 | 4935479809 | SET LL 1840SLK1 KIT ENERGY 4,0 Ah: 2 Batterie 4,0 Ah + Charger + bag |
| 515 | 4935478945 | SET L 1850SHD KIT ENERGY 5,0 AH: 2 Batterie 5,0 Ah HD + Charger + bag |
Data sheet
You might also like