Ricambi Valex per Troncatrice TRL210 DUAL
search
  • Ricambi Valex per Troncatrice TRL210 DUAL
  • Ricambi Valex per Troncatrice TRL210 DUAL

Ricambi Valex per Troncatrice TRL210 DUAL

9,26 €
Tasse incluse

Ricambi Valex per Troncatrice Radiale TRL210 DUAL

Ricambi Originali Valex per la sostituzione di componenti usurati o la riparazione di parti danneggiate della Troncatrice Radiale TRL DUAL - 1390304.

Ripara la tua Troncatrice Radiale, tutti i pezzi di ricambio sono fornibili per una rapida consegna. I nostri ricambi sono ricambi originali e sono dotati di una garanzia completa.
CODICE ARTICOLO: 3000226
Quantità
in 7/10 GG Lavorativi Circa

  Politiche per la sicurezza

(modificale nel modulo Rassicurazioni cliente)

  Politiche per le spedizioni

(modificale nel modulo Rassicurazioni cliente)

  Politiche per i resi

(modificale nel modulo Rassicurazioni cliente)

Ricambi Valex per Troncatrice Radiale TRL210 DUAL

Ricambi Originali Valex per la sostituzione di componenti usurati o la riparazione di parti danneggiate della Troncatrice Radiale TRL DUAL - 1390304.

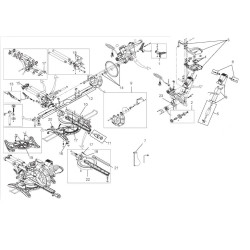
Nella tabella seguente, cercate il modello della Troncatrice ed il ripettivo codice del ricambio.
Valex TRL DUAL - 1390304
TRONCATRICE RADIALE TRL210 DUAL - 1390304
Pos. Descrizione Codice
1 SBLOCCO PROTEZIONE 3000226
2 RIDUTTORE 5030422
3 IMPUGNATURA 3000227
4 INTERRUTTORE 7400573
5 ROTORE 7400574
6 STATORE 7400575
7 SACCHETTO POLVERE 3000239
8 SPAZZOLE 7400576
9 PROTEZIONE LAMA 3000228
10 INSERTO PIANO 3000229
11 MANOPOLA 3000230
12 GUIDA PEZZO 3000231
13 LEVA BLOCCA TESTA 3000232
14 GHIERE 3000233
15 COPERCHIO COLONNE 3000234
16 ANTIVIBRANTE 3000235
17 KIT 3 INDICI 3000237
18 VOLANTINO 3000238
19 BASE 5030423
20 VOLANTINO 3000236
21 ASTA 5030424
22 PIANO GIR. 5030425
23 SUPPORTO POST. 5030426
24 SACCHETTO MINUTERIA 5030427
25 LAMA TAGLIO LEGNO 210/25.4MM Z24 1452786
Tutte le informazioni tecniche dei prodotti in questo catalogo si basano su informazioni tratte da fonti ufficiali, tra cui i siti web del produttore Valex, che riteniamo affidabili. Purtroppo, anche i documenti ufficiali possono contenere errori o errori di stampa - non siamo in grado di confermare che tutti questi dati sono precisi e rappresentino realmente i fatti. La maggior parte dei produttori si riservano il diritto di modificare le caratteristiche dei prodotti o completare le descizioni senza preavviso. Si consiglia vivamente di utilizzare le informazioni pubblicate come informazioni di base soggette alla revisione del marchio Valex. Si prega di chiarire i parametri importanti con un assistente alla vendita al momento dell'acquisto. Tutti i contenuti inclusi in questo catalogo sono di proprietà intellettuale di www.bricoutensili.com. E' vietata qualsiasi pubblicazione o riproduzione (totale o parziale) senza un riferimento alla pagina di origine.
Valex TRL DUAL - 1390304
5 Articoli

Scheda tecnica

SPEDIZIONE IN:
Di Solito Spediti in: 7/10 GIORNI LAVORATIVI CIRCA
VERIFICA CODICE PRODOTTO O S/N:
CONTROLLA IL CODICE DEL TUO UTENSILE PRIMA DEL CHECKOUT
VERIFICA CODICE S/N VALEX:
I CODICI VALEX COMINCIANO CON (14....) E SONO DI 7 CIFRE
Nuovo

Scarica

Potrebbe anche piacerti

Commenti (0)
Ancora nessuna recensione da parte degli utenti.