Distribuzione, Vendita di Ricambi originali e centro di assistenza autorizzato VALEX, prezzi bassi e un servizio di riparazione professionale in grado di consigliarti l'acquisto del ricambio più adatto a risolvere rapidamente ogni problema di manutenzione e riparazione del Compressore Team 10 - 1551559.
Distribuzione, Vendita di Ricambi originali e centro di assistenza autorizzato VALEX, prezzi bassi e un servizio di riparazione professionale in grado di consigliarti l'acquisto del ricambio più adatto a risolvere rapidamente ogni problema di manutenzione e riparazione del Compressore Team 10 - 1551559.
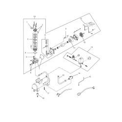
Nella tabella seguente, cercate il modello del Compressore ed il ripettivo codice del ricambio.
Tutte le informazioni tecniche dei prodotti in questo catalogo si basano su informazioni tratte da fonti ufficiali, tra cui i siti web del produttore Valex, che riteniamo affidabili. Purtroppo, anche i documenti ufficiali possono contenere errori o errori di stampa - non siamo in grado di confermare che tutti questi dati sono precisi e rappresentino realmente i fatti. La maggior parte dei produttori si riservano il diritto di modificare le caratteristiche dei prodotti o completare le descizioni senza preavviso. Si consiglia vivamente di utilizzare le informazioni pubblicate come informazioni di base soggette alla revisione del marchio Valex. Si prega di chiarire i parametri importanti con un assistente alla vendita al momento dell'acquisto. Tutti i contenuti inclusi in questo catalogo sono di proprietà intellettuale di www.bricoutensili.com. E' vietata qualsiasi pubblicazione o riproduzione (totale o parziale) senza un riferimento alla pagina di origine.
Team 10 - 1551559
12 Articoli
Scheda tecnica
SPEDIZIONE IN:
Di Solito Spediti in: 7/10 GIORNI LAVORATIVI CIRCA
VERIFICA CODICE PRODOTTO O S/N:
CONTROLLA IL CODICE DEL TUO UTENSILE PRIMA DEL CHECKOUT
VERIFICA CODICE S/N VALEX:
I CODICI VALEX COMINCIANO CON (14....) E SONO DI 7 CIFRE
Distribuzione, Vendita di Ricambi originali e centro di assistenza autorizzato VALEX, prezzi bassi e un servizio di riparazione professionale in grado di consigliarti l'acquisto del ricambio più adatto a risolvere rapidamente ogni problema di manutenzione e riparazione del Compressore Team 10 - 1551559.