(modificale nel modulo Rassicurazioni cliente)
(modificale nel modulo Rassicurazioni cliente)
(modificale nel modulo Rassicurazioni cliente)
Distribuzione, Vendita di Ricambi originali e centro di assistenza autorizzato Hitachi-HIKOKI Tanaka, prezzi bassi e un servizio di riparazione professionale in grado di consigliarti l'acquisto del ricambio più adatto a risolvere rapidamente ogni problema di manutenzione e riparazione del Decespugliatore TBC-262.
Nella tabella seguente, cercate il modello del Decespugliatore ed il rispettivo codice del ricambio.
| DECESPUGLIATORE TANAKA TBC 262 pag.1 | ||
| Pos. | Codice | Descrizione |
| 1 | 500-33411-201 | IMPUGNATURA |
| 2 | 343-37000-200 | ASTA TRASMISSIONE OBSOLETA |
| 3 | 341-33560-801 | TUBOLARE OBSOLETO |
| 4 | 6689513 | BUSSOLA |
| 5 | 506-33576-210 | SUPPORTO |
| 6 | 335-33410-200 | PIASTRINA |
| 7 | 6692874 | BRETELLE |
| 8 | 929-33800-201 | DECALCOMANIA |
| 9 | 923-33700-200 | DECALCOMANIA |
| 10 | 6689285 | PROTEZIONE CAVI |
| 11 | 870-04031-901 | LEVA ACCELERATORE |
| 12 | 178-37005-800 | CAVO |
| 13 | 6687501 | INTERRUTTORE |
| 14 | 640-33210-202 | SUPPORTO |
| 15 | 115-33210-202 | SUPPORTO |
| 16 | 903-32201-200 | FASCETTA |
| 17 | 778-36100-200 | FASCETTA |
| 18 | 925-33013-200 | DECALCOMANIA |
| 19 | 639-33674-200 | GOMMINO |
| 20 | 6694990 | BULLONE |
| 21 | 6695021 | BULLONE |
| 22 | 6684965 | DADO |
| 23 | 6695219 | RONDELLA |
| 24 | 6684639 | RONDELLA |
| 25 | 6684662 | RONDELLA |
| 26 | 6694889 | VITE |
| 28 | 500-33576-200 | IMPUGNATURA OBSOLETA |
| 29 | 503-33411-200 | MANOPOLA |
| 30 | 503-33576-200 | MANOPOLA |
| 31 | 507-33576-200 | SUPPORTO |
| 32 | 508-33576-200 | SUPPORTO |
| 33 | 319-33576-200 | AMMORTIZZATORE |
| 34 | 448-33576-200 | SUPPORTO |
| 35 | 449-33576-200 | SUPPORTO |
| 36 | 176-33576-200 | MOLLA |
| 37 | 6694974 | BULLONE |
| 38 | 6684662 | RONDELLA |
| 39 | 6694869 | VITE |
| 40 | 6685069 | DADO |
| 60 | 748-33564-900 | GANCIO |
| 61 | 885-0162L-800 | CAVO ACCELERATORE |
| DECESPUGLIATORE TANAKA TBC 262 pag.2 | ||
| 1 | 502-37100-201 | MANICO SX |
| 2 | 343-37000-200 | ASTA TRASMISSIONE OBSOLETA |
| 3 | 341-33560-801 | TUBOLARE OBSOLETO |
| 4 | 6689513 | BOCCOLA |
| 5 | 506-37100-201 | SUPPORTO |
| 6 | 6689264 | GANCIO |
| 8 | 929-33800-201 | DECALCOMANIA |
| 10 | 6689285 | PROTEZIONE CAVI |
| 11 | 870-33005-901 | LEVA ACCELERATORE |
| 12 | 178-0162G-800 | CAVO |
| 17 | 6693108 | FASCETTA |
| 20 | 6695079 | VITE |
| 21 | 6695045 | BULLONE |
| 22 | 6684965 | DADO |
| 23 | 6695219 | RONDELLA |
| 25 | 6684662 | RONDELLA |
| 26 | 6694888 | VITE |
| 27 | 885-0162G-800 | CAVO ACCELERATORE |
| 28 | 501-37100-201 | MANIGLIA DX OBSOLETA |
| 29 | 6687624 | MANOPOLA SX |
| 30 | 6691097 | MANOPOLA DX |
| 31 | 5073711020 | SUPPORTO |
| 32 | 5083710020 | SUPPORTO |
| 33 | 319-37100-200 | AMMORTIZZATORE |
| 34 | 6690379 | FERMO |
| 35 | 6690382 | FERMO |
| 36 | 176-33576-200 | MOLLA |
| 37 | 6695047 | BULLONE |
| 38 | 6684662 | RONDELLA |
| 41 | 444-37000-200 | SUPPORTO |
| 42 | 513-37100-201 | SUPPORTO OBSOLETO |
| 43 | 514-37100-201 | SUPPORTO |
| 44 | 499-37100-200 | TAPPINO |
| 45 | 516-37100-200 | RONDELLA |
| 46 | 6695085 | VITE |
| 47 | 6695219 | RONDELLA |
| 48 | 6684662 | RONDELLA |
| 50 | 6695797 | BRETELLE |
| 52 | 880-33564-200 | LEVA ACCELERATORE |
| 53 | 832-33564-200 | MOLLA |
| 54 | 6687512 | BOTTONE D'ARRESTO |
| 55 | 262-33564-200 | CONTATTO |
| 56 | 176-33564-200 | CONTATTO |
| 57 | 6694828 | COPERCHIO |
| 58 | 958-33564-200 | MOLLA |
| 59 | 6694832 | PULSANTE |
| 60 | 6685076 | VITE 5x30 |
| 61 | 6695455 | VITE |
| 62 | 6695173 | DADO |
| DECESPUGLIATORE TANAKA TBC 262 pag.3 | ||
| 1 | 6691036 | IMPUGNATURA |
| 2 | 343-37000-200 | ASTA TRASMISSIONE OBSOLETA |
| 3 | 341-33560-801 | TUBOLARE OBSOLETO |
| 4 | 6689513 | BOCCOLA |
| 5 | 6691128 | SUPPORTO |
| 6 | 6689264 | GANCIO |
| 7 | 6692874 | BRETELLE |
| 8 | 929-33800-201 | DECALCOMANIA |
| 9 | 923-33700-200 | DECALCOMANIA |
| 10 | 504-33412-200 | IMPUGNATURA OBSOLETA |
| 11 | 6696383 | LEVA ACCELERATORE D149568- |
| 12 | 178-37003-800 | CAVO |
| 20 | 6684835 | DADO |
| 21 | 6694994 | BULLONE |
| 22 | 6684965 | DADO |
| 23 | 6695219 | RONDELLA |
| 24 | 6684639 | RONDELLA |
| 25 | 6684662 | RONDELLA |
| 26 | 6694889 | VITE |
| 41 | 880-33564-200 | LEVA ACCELERATORE D149568- |
| 42 | 832-33564-200 | MOLLA D149568- |
| 43 | 6687512 | BOTTONE D'ARRESTO E244276- |
| 43 | 6687512 | BOTTONE D'ARRESTO -E244275 |
| 44 | 262-33564-200 | CONTATTO D149568- |
| 45 | 176-33564-200 | CONTATTO D149568- |
| 46 | 6694828 | COPERCHIO D149568- |
| 47 | 958-33564-200 | MOLLA D149568- |
| 48 | 6694832 | PULSANTE D149568- |
| 49 | 6685076 | VITE D149568- |
| 50 | 6695455 | VITE D149568- |
| 51 | 6695173 | DADO D149568- |
| 60 | 748-33564-900 | GANCIO |
| 61 | 885-0162L-800 | CAVO ACCELERATORE |
| 62 | 6693108 | FASCETTA |
| DECESPUGLIATORE TANAKA TBC 262 pag.4 | ||
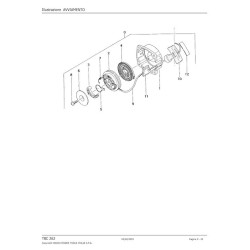
| 0 | 6692979 | AVVIAMENTO COMPLETO |
| 1 | 6693036 | CARTER AVVIAMENTO |
| 2 | 7690125020 | PULEGGIA AVVIAMENTO |
| 3 | 78803131200 | SALTARELLO |
| 4 | 6693110 | MOLLA AVVIAMENTO |
| 5 | 836-06092-200 | MOLLA |
| 6 | 837-06092-200 | PIASTRA |
| 7 | 6693596 | MOLLA |
| 8 | 6694966 | VITE |
| 9 | 783-0162V-200 | CORDA AVVIAMENTO |
| 10 | 6693227 | MANOPOLA AVVIAMENTO |
| 11 | 6693135 | GUIDA CORDA |
| 12 | 795-01620-200 | COPERCHIETTO |
| DECESPUGLIATORE TANAKA TBC 262 pag.5 | ||
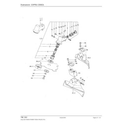
| 0 | 6690586 | CARBURATORE |
| 1 | 575-25010-200 | CORPO POMPA |
| 2 | 577-25007-200 | GUARNIZIONE |
| 3 | 6685213 | MEMBRANA |
| 4 | 6690837 | GUARNIZIONE |
| 5 | 6690827 | MEMBRANA |
| 6 | 6690856 | COPERCHIETTO |
| 7 | 6690768 | ALBERO |
| 8 | 6690905 | MOLLA |
| 9 | 6690924 | VALVOLA |
| 10 | 557-25006-200 | FERMO |
| 11 | 6690690 | VITE REGOLAZIONE |
| 12 | 6690895 | MOLLA |
| 13 | 6690713 | VITE REGOLAZIONE |
| 14 | 6692047 | MOLLA |
| 15 | 462-25006-200 | VITE REGOLAZIONE |
| 16 | 6685297 | MOLLA |
| 17 | 6690870 | MOLLA |
| 18 | 6691943 | SPILLO CONICO |
| 19 | 6685217 | SNODO |
| 20 | 6685219 | SPINA |
| 21 | 6684700 | RETINA FILTRO |
| 22 | 539-25008-200 | GUIDA CAVO |
| 23 | 489-25008-200 | ANELLO |
| 24 | 548-25012-200 | VITE |
| 25 | 6685210 | VITE |
| 26 | 6685218 | VITE |
| 27 | 6690793 | VITE |
| DECESPUGLIATORE TANAKA TBC 262 pag.6 | ||
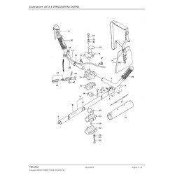
| 1 | 6692770 | PROTEZIONE MARMITTA |
| 2 | 257-0630B-210 | SUPPORTO OBSOLETO |
| 3 | 203-0630B-201 | GOMMINO |
| 4 | 011-01620-200 | COLLARE |
| 5 | 653-01620-200 | SUPPORTO SERBATOIO |
| 6 | 906-0162R-200 | PIASTRINA |
| 7 | 6692227 | GOMMINO |
| 8 | 6684642 | RONDELLA FRIZIONE |
| 9 | 6684643 | MASSA FRIZIONE |
| 10 | 6684644 | MOLLA |
| 11 | 6689637 | RONDELLA FRIZIONE |
| 12 | 6684646 | BULLONE |
| 14 | 289-01620-800 | CAMPANA FRIZIONE |
| 15 | 6695295 | SEEGER C-32 |
| 16 | 6695537 | CUSCINETTO 6002ZZ |
| 17 | 6695285 | SEEGER |
| 18 | 112-01620-200 | CARTER |
| 19 | 331-01620-200 | CARTER FRIZIONE |
| 20 | 198-01046-900 | FASCETTA |
| 21 | 538-01620-201 | SUPPORTO |
| 22 | 599-01620-200 | AMMORTIZZATORE |
| 23 | 176-01620-200 | PIASTRINA OBSOLETA |
| 24 | 539-01620-201 | SUPPORTO |
| 25,1 | 133-01620-201 | PROTEZIONE -D149567 |
| 25,2 | 133-01620-210 | CARTERINO D149568- |
| 26 | 6692731 | GUARNIZIONE MARMITTA D149568- |
| 27,1 | 705-01620-902 | MARMITTA -D149567 |
| 27,2 | 705-01620-910 | MARMITTA D149568- |
| 28,1 | 6692832 | GUARNIZIONE -D149567 |
| 28,2 | 6692832 | GUARNIZIONE D149567- |
| 29,1 | 717-01620-800 | CORPO MARMITTA -D149567 |
| 29,2 | 717-01620-810 | COPERCHIO MARMITTA D149568- |
| 30 | 599-0602K-201 | AMMORTIZZATORE -D149567 |
| 31 | 102-01300-200 | ISOLATORE -D149567 |
| 33 | 6689867 | GUARNIZIONE |
| 34 | 404-01620-801 | COLLETTORE |
| 35 | 6689824 | GUARNIZIONE CARBURATORE |
| 36 | 700-03005-150 | TUBO |
| 38 | 500-33202-205 | TAPPO |
| 39 | 678-00601-201 | TUBO |
| 40 | 6692279 | FILTRO |
| 41 | 6684619 | FERMO |
| 42 | 6691716 | TAPPO SERBATOIO |
| 45 | 870-00741-900 | LEVA ACCELERATORE -D149567 |
| 46 | 183-01300-200 | TARGHETTA -D149567 |
| 47 | 640-33905-200 | SUPPORTO -D149567 |
| 48 | 883-33564-800 | FASCETTA -D149567 |
| 49 | 6687501 | INTERRUTTORE -D149567 |
| 50 | 990-11050-141 | VITE -D149567 |
| 51 | 168-33905-201 | BOTTONE D'ARRESTO -D149567 |
| 52 | 178-0162R-800 | CAVO -D149567 |
| 53 | 6696109 | SERBATOIO BENZINA - NON FORNIBILE |
| 54 | 929-0608A-200 | DECALCOMANIA |
| 55 | 941-01620-200 | CARTERINO E306501- |
| 56 | 652-04200-200 | AMMORTIZZATORE OBSOLETO E306501- |
| 57 | 990-11040-161 | VITE E306501- |
| 57 | 990-11040-141 | VITE -E306500 |
| 58 | 6695211 | RONDELLA |
| 59 | 6685070 | RANELLA |
| 60 | 990-11050-221 | VITE |
| 61 | 6684662 | RONDELLA |
| 62 | 6684661 | RANELLA |
| 63 | 6694885 | VITE 5X12 |
| 64 | 6684662 | RONDELLA |
| 65 | 6684661 | RONDELLA M5 |
| 67 | 6695219 | RONDELLA M6 |
| 68 | 990-33060-181 | BULLONE |
| 69 | 990-21060-221 | VITE 6X22 |
| 70 | 6695219 | RONDELLA M6 |
| 71 | 6694885 | VITE 5X12 |
| 72 | 6684864 | RONDELLA |
| 73 | 6684662 | RONDELLA |
| 74 | 6694916 | VITE |
| 76 | 6695157 | DADO M5 |
| 77 | 990-23050-156 | BULLONE D149567 |
| 77 | 6694865 | VITE M4X12 D149568 |
| 78 | 6685070 | RONDELLA D149568 |
| 78 | 6684662 | RONDELLA D149567 |
| 79,1 | 994-14060-152 | VITE D149568 |
| 79,2 | 6695055 | BULLONE 5X45 |
| 80 | 6684918 | RONDELLA M5 D149568- |
| 80 | 6684639 | RONDELLA M6 D149567 |
| 81 | 990-11040-141 | VITE |
| 82 | 6695211 | RONDELLA |
| 83 | 6685070 | RONDELLA |
| 84 | 990-11050-161 | VITE |
| 85 | 6684662 | RONDELLA |
| 86 | 990-11050-221 | VITE |
| 87 | 6684662 | RONDELLA |
| 88 | 6684864 | RONDELLA |
| 89 | 990-11050-101 | VITE |
| 90 | 6684661 | RONDELLA M5 |
| DECESPUGLIATORE TANAKA TBC 262 pag.7 | ||
| 1,1 | 300-37000-900 | TESTINA COMPLETA -D149567 |
| 1,2 | 300-37000-911 | TESTINA COMPLETA D149568 |
| 3,1 | 300-33410-201 | CARTER TESTINA -D149567 |
| 3,2 | 300-33410-211 | CARTER TESTINA D149568 |
| 4 | 302-37000-200 | PIGNONE |
| 5 | 301-33411-200 | INGRANAGGIO |
| 6 | 6688929 | ALBERO |
| 7 | 6000CM | CUSCINETTO 6000 26MM/OD |
| 8 | 6695527 | CUSCINETTO 6000D 19MM/OD |
| 9 | 6695540 | CUSCINETTO |
| 10 | 6695295 | SEEGER C-32 |
| 11 | 6684821 | SEEGER C-10 |
| 12 | 6695294 | SEEGER D-26 |
| 13 | 324-33410-201 | RONDELLA |
| 14 | 990-51050-203 | BULLONE |
| 15 | 990-23060-121 | BULLONE |
| 16 | 6684965 | DADO M5 |
| 17 | 317-33411-201 | GUARNIZIONE |
| 18 | 926-37000-200 | DECALCOMANIA -E244275 |
| 20,1 | 310-33410-202 | SUPPORTO LAMA -D149567 |
| 20,2 | 6689019 | SUPPORTO LAMA D149568- |
| 21 | 6689044 | SUPPORTO LAMA INFERIORE |
| 22 | 6695238 | RONDELLA |
| 23 | 6689062 | VITE |
| 24 | 6684611 | RANELLA M8 |
| 29 | 445-33578-200 | SUPPORTO -D149567 |
| 30 | 442-33671-201 | SUPPORTO PROTEZIONE LAMA |
| 31,1 | 441-33671-200 | PROTEZIONE LAMA -D149567 |
| 31,2 | 6690224 | PROTEZIONE LAMA D149568- |
| 32 | 990-23060-151 | BULLONE |
| 33 | 6695219 | RONDELLA M6 |
| 35 | 990-11050-161 | VITE -D149567 |
| 37 | 6684661 | RONDELLA M5 |
| 38 | 6684662 | RONDELLA |
| DECESPUGLIATORE TANAKA TBC 262 pag.8 | ||
| 0 | 6690030 | FILTRO ARIA COMPLETO |
| 1 | 424-0602K-201 | COPERCHIO FILTRO |
| 2 | 6690358 | FILTRO ARIA |
| 3 | 6684859 | BOCCOLA |
| 4 | 470-0602K-200 | COLLARE |
| 5 | 528-0602D-200 | PIASTRINA |
| 6 | 423-0602K-200 | CORPO FILTRO -D114148 |
| 6 | 423-0602K-210 | CORPO FILTRO |
| DECESPUGLIATORE TANAKA TBC 262 pag.9 | ||
| 1 | 6685529 | CILINDRO |
| 2 | 6685771 | CANDELA NGK BM6A |
| 3 | 157-04000-900 | CAPPUCCIO CANDELA |
| 4 | 6685720 | GUARNIZIONE |
| 5 | 6684588 | FASCIA PISTONE |
| 6 | 6695857 | PISTONE |
| 7 | 6684591 | SPINOTTO PISTONE |
| 8 | 6686028 | FERMO SPINOTTO |
| 9 | 046-01620-800 | ALBERO MOTORE |
| 10 | 6695589 | CUSCINETTO A RULLI |
| 11 | 6684899 | CHIAVETTA WOODRUFF 3X13X4,5 |
| 12 | 071-02007-20 | SPESSORE 0.05 A RICHIESTA |
| 12 | 6686470 | SPESSORE 0.10 A RICHIESTA |
| 12 | 6686471 | SPESSORE 0.15 A RICHIESTA |
| 12 | 6686472 | SPESSORE 0.20 A RICHIESTA |
| 12 | 6686473 | SPESSORE 0.30 A RICHIESTA |
| 13 | HTR6002C3 | CUSCINETTO 6002C3 |
| 14 | 6684608 | CUSCINETTO 6001 C3 NSK |
| 15 | 6695637 | PARAOLIO UD 15257 |
| 16 | 6684607 | PARAOLIO TB 12227 |
| 17 | 090-00601-205 | GUARNIZIONE |
| 18 | 072-01620-900 | CASSA MOTORE |
| 19 | 6689645 | RONDELLA FRIZIONE |
| 20 | 798-01620-200 | PULEGGIA AVVIAMENTO |
| 21 | 6687409 | VOLANO |
| 22 | 165-01620-200 | SUPPORTO |
| 23 | 167-20757-801 | BOBINA |
| 24 | 904-01620-201 | PIASTRINA |
| 25 | 894-01401-201 | VITE REGISTRO |
| 26 | 159-21401-872 | TRANSISTOR |
| 27 | 173-0162R-800 | CAVO |
| 28 | 255-0608A-200 | PROTEZIONE D149568- |
| 30 | 990-11050-161 | VITE |
| 31 | 6684662 | RONDELLA |
| 32 | 6684612 | DADO M8 |
| 34 | 992-00080-011 | RONDELLA |
| 35 | 6684971 | RONDELLA M8 |
| 36 | 6684612 | DADO M8 |
| 41 | 6684872 | DADO M6 |
| 42 | 6685076 | VITE 5X30 |
| 43 | 6684662 | RONDELLA |
| 44 | 990-11050-161 | VITE |
| 45 | 6684662 | RONDELLA |
| 46 | 990-11040-181 | VITE |
| 47 | 6695211 | RONDELLA |
| 48 | 992-00040-011 | RONDELLA |
| 49 | 990-11040-081 | VITE |
| 50 | 6695211 | RONDELLA |
| 51 | 6694885 | VITE 5X12 |
| 52 | 6684662 | RONDELLA |
Scheda tecnica
Potrebbe anche piacerti