
(modificale nel modulo Rassicurazioni cliente)
(modificale nel modulo Rassicurazioni cliente)
(modificale nel modulo Rassicurazioni cliente)
Siamo Distributori di Ricambi originali STIGA e centro di assistenza autorizzato. Garantiamo prezzi bassi e un servizio di riparazione professionale in grado di consigliarti l'acquisto del ricambio più adatto a risolvere rapidamente ogni problema di manutenzione e riparazione del Rasaerba COMBI 55 SVEQ H (2021) 294557538/ST1
Nella tabella seguente, cercate il modello del Rasaerba ed il rispettivo codice del ricambio.![]()
| STIGA COMBI 55 SVEQ H (2021) 294557538/ST1 | ||
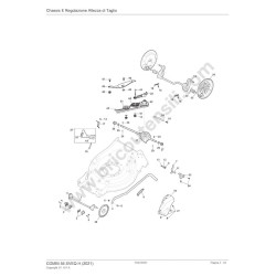
| Chassis E Regolazione Altezza di Taglio Pag.1 | ||
| Pos. | Codice | Descrizione |
| 1 | 381302915/0 | Asse Ruote Anteriore To S/N 20BA2WBH062001 |
| 1 | 381302915/1 | Asse Ruote Anteriore From S/N 20BA2WBH062002 |
| 2 | 322785305/1 | Supporto |
| 3 | 112728697/0 | Vite |
| 4 | 322869693/1 | Asta Regolazione Ruote To S/N 20BA2WBH072227 |
| 4 | 322869693/2 | Asta Comando Ruote From S/N 20BA2WBH072228 |
| 5 | 122519823/0 | Perno |
| 6 | 112000930/0 | Anello Benzing From 04-January-2021 |
| 6 | 112436051/0 | Piastrina To 03-January-2021 |
| 7 | 322778475/0 | Staffa |
| 8 | 122450480/0 | Molla |
| 9 | 122517873/0 | Perno |
| 10 | 322055330/0 | Copertura |
| 11 | 112815270/0 | Vite |
| 12 | 112523040/0 | Rondella |
| 13 | 112154510/0 | Dado |
| 14 | 381302887/0 | Asse Ruote Posteriore To S/N 20BA2WBH072227 |
| 14 | 381302887/1 | Asse Ruote Posteriore From S/N 20BA2WBH072228 |
| 15 | 322545152/0 | Piastrina |
| 16 | 112728697/0 | Vite |
| 17 | 122446192/0 | Molla |
| 18 | 122534131/0 | Perno |
| 19 | 381003418/0 | Leva Regolazione Altezza |
| 20 | 322394527/0 | Griff Black with STIGA Logo |
| 21 | 112728699/0 | Vite |
| 22 | 181003125/0 | Gruppo Trazione |
| 23 | 322778477/0 | Staffa To 31-August-2018 |
| 23 | 322778477/1 | Staffa From 01-September-2018 |
| 24 | 112728704/1 | Vite |
| 25 | 322806647/0 | Staffa - NON FORNIBILE |
| 26 | 119216035/0 | Cuscinetto |
| 27 | 122570134/0 | Pignone Sinistro |
| 28 | 122570133/0 | Pignone Destro |
| 29 | 112608600/0 | Seeger |
| 30 | 122753000/0 | Spina |
| 32 | 322042063/1 | Boccola |
| 33 | 112521371/0 | Rondella |
| 34 | 322600208/0 | Protezione Ruota |
| 35 | 322600145/0 | Protezione Ruota |
| 37 | 381003459/0 | Leva Regolazione Altezza To S/N 20BA2WBH073718 |
| 37 | 381003459/1 | Leva Regolazione Altezza with STIGA Logo Black Knob From S/N 20BA2WBH073719 - NON FORNIBILE |
| 41 | 112523050/0 | Rondella |
| 42 | 135064379/0 | Cinghia |
| 44 | 112674550/0 | Vite |
| 45 | 112154210/0 | Dado |
| 46 | 122671656/0 | Rondella |
| 47 | 112792611/0 | Vite |
| 48 | 112689500/0 | Vite |
| 49 | 322806649/0 | Staffa |
| 50 | 322608567/0 | Rinforzo To S/N 19AA2WBH005321 |
| 50 | 322608567/1 | Rinforzo From S/N 19AA2WBH005322 |
| 51 | 112735120/0 | Vite |
| 60 | 122601914/0 | Puleggia |
| 61 | 122601915/0 | Puleggia |
| 62 | 122601932/0 | Puleggia |
| Mascherina Pag.2 | ||
| 1 | 322500113/0 | Pettine |
| 2 | 381393704/0 | Maniglia |
| 3 | 322226241/0 | Frontalino Grigio |
| 4 | 112735654/0 | Vite |
| 5 | 112728697/0 | Vite |
| 6 | 322393756/0 | Impugnatura Maniglia Anteriore |
| 7 | 114367494/2 | Etichetta Logo STIGA |
| 8 | 381004837/0 | Chassis Grigio Side Discharge To 31-August-2018 |
| 8 | 381004856/0 | Chassis Grigio Side Discharge From 01-September-2018 |
| 9 | 112728210/0 | Vite |
| Manico, Parte Superiore con Sgancio Rapido Pag.3 | ||
| 1 | 381007606/2 | Manico Superiore Giallo con impugnatura gommata Yellow with Sponge Grip |
| 2 | 122430313/0 | Molla Guida Not for models with ION battery |
| 3 | 112521330/0 | Rondella Not for models with ION battery |
| 4 | 112154510/0 | Dado Not for models with ION battery |
| 5 | 118390020/0 | Fermacavo |
| 6 | 181003363/1 | Leva Freno Motore Nera Black |
| 7 | 181030106/0 | Cavo Freno Motore |
| 8 | 381003253/0 | Leva Sgancio Rapido Black To 31-May-2020 |
| 8 | 381103359/1 | Leva Sgancio Rapido Black From 01-June-2020 |
| 9 | 381103350/0 | Leva Sgancio Rapido Black To 31-May-2020 |
| 9 | 381103359/1 | Leva Sgancio Rapido Black From 01-June-2020 |
| 10 | 181003364/0 | Leva Comando Trazione Black |
| 11 | 381030104/0 | Cavo Trazione To 31-May-2021 |
| 11 | 381030104/1 | Cavo Comando Trazione From 01-June-2021 |
| 12 | 322680016/0 | Rondella Fissaggio Manico |
| 13 | 381007600/0 | Manico, Parte Inferiore Giallo Yellow To 31-August-2018 - NON FORNIBILE |
| 13 | 381007600/1 | Manico, Parte Inferiore Giallo Yellow From 01-September-2018 |
| 14 | 322399835/0 | Manopolina Nera |
| 15 | 122131750/0 | Dado |
| Comandi Avviamento Elettrico Pag.4 | ||
| 1 | 112728702/0 | Vite |
| 2 | 133320022/0 | Fascetta Fermacavo |
| 3 | 322076570/1 | Chiave Sicurezza Batteria |
| 4 | 381600406/0 | Interruttore Accensione |
| Variatore di Velocità Pag.5 | ||
| 1 | 322722817/0 | Protezione Esterna |
| 2 | 381007227/0 | Ass. Leva Variatore |
| 3 | 322820086/0 | Tappo |
| 4 | 322722816/0 | Protezione Esterna |
| 5 | 112154510/0 | Dado |
| 6 | 112727786/0 | Vite |
| 7 | 122450487/0 | Molla |
| 8 | 381030117/0 | Cavo Variatore |
| Ruote e Coprimozzi Pag.6 | ||
| 1 | 119216035/0 | Cuscinetto |
| 2 | 381007416/2 | Ruota Ø 200 To S/N 19JA2WBH009252 |
| 2 | 381007416/3 | Ruota Ø 200 From S/N 19JA2WBH009253 |
| 3 | 322110744/0 | Coprimozzo Grigio |
| 4 | 381007417/3 | Ruota Ø 280 |
| 5 | 322110746/0 | Coprimozzo Grigio |
| 6 | 112728706/0 | Vite |
| 7 | 322120115/0 | Corona Trascinamento |
| 8 | 122170845/0 | Distanziale |
| 9 | 381007472/2 | Ruota |
| 9A | 381007472/0 | Ruota |
| Carter Cinghia Pag.7 | ||
| 1 | 381005235/0 | Staffa Destra Grey To 31-August-2017 - NON FORNIBILE |
| 1 | 381005235/1 | Staffa Destra Grey From 01-September-2017 To 31-August-2018 |
| 1 | 381005235/2 | Staffa Destra Grey From 01-September-2018 |
| 2 | 381005237/0 | Staffa Sinistra Grey To 31-August-2017 |
| 2 | 381005237/1 | Staffa Sinistra Grey From 01-September-2017 To 31-August-2018 |
| 2 | 381005237/2 | Staffa Sinistra Grey From 01-September-2018 |
| 3 | 112727801/0 | Vite |
| 4 | 322545213/0 | Piastrina |
| 5 | 322600310/0 | Sportello Not for TR/E models |
| 6 | 381102204/0 | Ass.Convogliatore Posteriore To S/N 19JA2WBH017664 |
| 6 | 381102204/1 | Ass. Convogliatore Posteriore From S/N 19JA2WBH017665 |
| 7 | 112728699/0 | Vite |
| 8 | 322060271/0 | Carter Mulching To 31-August-2015 |
| 8 | 322060271/1 | Carter Mulching From 01-September-2015 To 31-August-2018 |
| 8 | 322060271/2 | Carter Mulching From 01-September-2018 |
| 9 | 112728530/0 | Vite To 31-August-2015 |
| 9 | 112728531/0 | Vite From 01-September-2015 To 31-August-2016 |
| 9 | 112735645/0 | Vite From 01-September-2016 |
| 10 | 112154510/0 | Dado |
| 11 | 112815205/0 | Vite |
| 12 | 112521330/0 | Rondella |
| 13 | 119035000/0 | Anello Or |
| 14 | 112728697/0 | Vite |
| 15 | 322034002/0 | Attacco Acqua Lavaggio |
| 16 | 322140246/0 | Deflettore |
| 18 | 122042073/0 | Bussola From 01-September-2018 |
| Scarico Laterale Pag.8 | ||
| 1 | 322108315/0 | Convogliatore |
| 2 | 322600309/1 | Parasassi Nero Black To 30-November-2018 |
| 2 | 322600309/2 | Parasassi Nero Black From 01-December-2018 |
| 3 | 122450456/0 | Molla To 31-December-2018 |
| 3 | 122450456/1 | Molla From 01-January-2019 |
| 4 | 112604896/0 | Fissatore A Corona |
| 5 | 112727803/0 | Vite |
| 6 | 322806659/0 | Perno Fulcro |
| 7 | 112154510/0 | Dado |
| 8 | 122517869/1 | Perno |
| 9 | 118203853/0 | Cappuccio |
| 10 | 122517876/0 | Perno |
| 11 | 322783013/0 | Sicura |
| 12 | 122450493/0 | Molla |
| 13 | 381008162/0 | Ass. Scarico Laterale To 31-December-2018 |
| 13 | 381008162/1 | Ass. Scarico Laterale From 01-January-2019 |
| Coltello (Lama) Pag.9 | ||
| 1 | 1111-9180-01 | Mozzo Lama Stiga Packed into 122465608/3 |
| 1 | 122465608/3 | Mozzo Con Puleggia, Albero Motore Ø 25 |
| 2 | 181004464/0 | Lama |
| 3 | 122160400/0 | Disco Elastico |
| 4 | 112523080/0 | Rondella |
| 5 | 112735698/0 | Vite |
| 6 | 112139150/0 | Linguetta, Albero Motore Ø 25 |
| 7 | 112735108/1 | Vite |
| Sacco Di Raccolta Pag.10 | ||
| 1 | 181006411/0 | Telaio Sacco To 31-August-2019 |
| 1 | 181006411/1 | Telaio Sacco From 01-September-2019 |
| 2 | 322557177/0 | Piastrina |
| 3 | 112728697/0 | Vite |
| 4 | 122517884/0 | Perno |
| 5 | 181102383/0 | Sacco, Tela Black with STIGA Logo |
| 6 | 381486052/0 | Sacco, Parte Superiore Grigio ST Grey with Grey Indicator |
| 7 | 122450479/0 | Molla |
| 8 | 322600339/0 | Parasassi Giallo |
| 9 | 322109584/0 | Supporto Fulcro Parasassi Giallo |
| 10 | 322486424/0 | Indicatore |
| Motore Honda GCVx 200cc | |||
| Testa Cilindro Pag.11 | |||
| 1 | 118551725/0 | Cilindro | Honda: 12100-Z9L-405 |
| 2 | 118551642/0 | Testa Cilindro Honda: 12311-Z9L-000 | |
| 3 | 118552227/0 | Prigioniero Honda: 90043-Z9L-000 | |
| 4 | Richiedi Preventivo | Honda Spare Parts | Honda: 94301-08140 - DOWEL PIN, 8X14 |
| 5 | Richiedi Preventivo | Honda Spare Parts | Honda: 95701-0601408 - BOLT, FLANGE, 6X14 |
| 6 | Richiedi Preventivo | Honda Spare Parts | Honda: 95701-0802508 - BOLT, FLANGE, 8X25 |
| 7 | Richiedi Preventivo | Honda Spare Parts | Honda: 95701-0804008 - BOLT, FLANGE, 8X40 |
| 8 | 118552279/0 | Candela | Honda: 98079-55846 |
| Carter Motore Pag.12 | |||
| 1 | 118551712/0 | Basamento Motore | Honda: 11100-Z9L-415 |
| 2 | Richiedi Preventivo | Honda Spare Parts | Honda: 15625-ZE6-000 - PACKING, OIL FILLER CAP |
| 3 | 118551912/0 | Tubo Astina Livello Olio | Honda: 15631-Z9L-000 |
| 4 | 118551917/0 | Astina Livello Olio | Honda: 15650-Z9L-000 |
| 5 | Richiedi Preventivo | Honda Spare Parts | Honda: 16508-ZM0-010 - SHAFT COMP., GOVERNOR HOLDER |
| 6 | 118551971/0 | Ass. Regolatore | Honda: 16510-ZM0-010 |
| 7 | Richiedi Preventivo | Honda Spare Parts | Honda: 16511-ZL8-000 - WEIGHT, GOVERNOR |
| 8 | Richiedi Preventivo | Honda Spare Parts | Honda: 16512-ZM0-000 - HOLDER, GOVERNOR WEIGHT |
| 9 | Richiedi Preventivo | Honda Spare Parts | Honda: 16513-ZE1-000 - PIN, GOVERNOR WEIGHT |
| 10 | 118551973/0 | Cursore Regolatore | Honda: 16531-Z1T-000 |
| 11 | 118551977/0 | Astina Regolatore Motore | Honda: 16541-Z9L-000 |
| 12 | Richiedi Preventivo | Honda Spare Parts | Honda: 90013-ZL8-000 - BOLT, FLANGE, 6X14 (CT200) |
| 13 | Richiedi Preventivo | Honda Spare Parts | Honda: 90451-Z1T-000 - WASHER, THRUST, 6MM |
| 14 | 118552244/0 | Clip | Honda: 90602-ZE1-000 |
| 15 | 118552254/0 | Anello Di Tenuta, 28X41.25X6 | Honda: 91202-Z9L-003 |
| 16 | 118552262/0 | Guarnizione Or, 19.1X2.2 | Honda: 91301-Z9L-000 |
| 17 | 118552273/0 | Rondella Piana, 6Mm | Honda: 94101-06800 |
| 18 | Richiedi Preventivo | Honda Spare Parts | Honda: 94251-08000 - PIN, LOCK, 8MM |
| 19 | Richiedi Preventivo | Honda Spare Parts | Honda: 95701-0601408 - BOLT, FLANGE, 6X14 |
| Coperchio Carter Motore Pag.13 | |||
| 1 | 118551717/0 | Carter Sup. Motore | Honda: 11300-Z9L-405 |
| 2 | 118551750/0 | Coperchio | Honda: 12356-Z9L-000 |
| 3 | 118551757/0 | Valvola | Honda: 12377-Z9L-000 |
| 4 | 118552249/0 | Anello Di Tenuta, 25.4X62X6 | Honda: 91201-Z0Y-003 |
| 5 | Richiedi Preventivo | Honda Spare Parts | Honda: 93500-050080A - SCREW, PAN, 5X8 |
| 6 | Richiedi Preventivo | Honda Spare Parts | Honda: 94301-08140 - DOWEL PIN, 8X14 |
| 7 | Richiedi Preventivo | Honda Spare Parts | Honda: 95701-0601408 - BOLT, FLANGE, 6X14 |
| 8 | Richiedi Preventivo | Honda Spare Parts | Honda: 95701-0802508 - BOLT, FLANGE, 8X25 |
| Albero Motore Pag.14 | |||
| 4 | 118551806/0 | Albero Motore | Honda: 13311-Z9L-840 |
| 6 | 118551817/0 | Pignone | Honda: 14311-Z9L-000 |
| 7 | 118552239/0 | Rondella | Honda: 90402-Z9L-000 |
| Pistone/Biella Motore Pag.15 | |||
| 1 | 118551776/0 | Pistone | Honda: 13101-Z9L-000 |
| 2 | 118551785/0 | Spinotto Pistone | Honda: 13111-ZE0-000 |
| 3 | 118551794/0 | Ass. Biella Motore | Honda: 13200-Z9L-000 |
| 4 | Richiedi Preventivo | Honda Spare Parts | Honda: 90001-Z1L-000 - BOLT, CONNECTING ROD |
| 5 | 118552241/0 | Fermo Spinotto | Honda: 90551-ZE0-000 |
| 6 | 118551766/0 | Set Fasce Elastiche | Honda: 13010-Z9L-003 |
| Albero A Camme Pag.16 | |||
| 1 | 118551737/0 | Guarnizione Valvola | Honda: 12209-Z8B-003 |
| 2 | 118551812/0 | Camma | Honda: 14100-Z9L-000 |
| 3 | 118551829/0 | Astina Alzavalvola | Honda: 14410-Z9L-000 |
| 4 | 118551835/0 | Bilanciere | Honda: 14431-Z9L-000 |
| 5 | 118551845/0 | Perno | Honda: 14461-Z9L-000 |
| 6 | 118551852/0 | Valvola Aspirazione | Honda: 14711-Z9L-000 |
| 7 | 118551866/0 | Alzavalvola | Honda: 14731-Z9L-000 |
| 8 | 118551874/0 | Molla Valvola | Honda: 14751-ZL8-000 |
| 9 | 118551875/0 | Fermo Valvola | Honda: 14771-Z0J-000 |
| 10 | 118552217/0 | Perno | Honda: 90001-Z9L-000 |
| 11 | 118552222/0 | Grano Regolazione | Honda: 90012-ZCJ-000 |
| 12 | 118552231/0 | Dado Regolazione Valvola | Honda: 90206-Z6L-000 |
| Avviatore Pag.17 | |||
| 1 | 118551689/0 | Assieme Avviatore | Honda: 28400-Z9L-004 |
| 2 | 118552162/0 | Maniglia Avviatore | Honda: 28461-ZL8-003 |
| 3 | Richiedi Preventivo | Honda Spare Parts | Honda: 28462-Z0L-V71 - ROPE, RECOIL STARTER (LONG TYPE) |
| 4 | Richiedi Preventivo | Honda Spare Parts | Honda: 95701-0601408 - BOLT, FLANGE, 6X14 |
| Convogliatore Ventola Motore Pag.18 | |||
| 1 | 118552056/0 | Gommino | Honda: 17532-Z9L-000 |
| 2 | 118552306/0 | Cover Comp., Fan | Honda: 19610-Z9R-900 - CHIEDI PREVENTIVO |
| 4 | 118552307/0 | Cover, Usb Receptacle | Honda: 37219-Z9R-900 - CHIEDI PREVENTIVO |
| 5 | Richiedi Preventivo | Honda Spare Parts | Honda: 90018-ZE1-000 - BOLT, FLANGE, 6X23 (CT200) |
| Carburatore Pag.19 | |||
| 1 | Richiedi Preventivo | Honda Spare Parts | Honda: 16010-Z9L-811 - GASKET SET |
| 2 | 118551931/0 | Galleggiante Carburatore | Honda: 16013-ZL1-003 |
| 3 | 118551934/0 | Coppetta Carburatore | Honda: 16015-Z9L-811 |
| 4 | Richiedi Preventivo | Honda Spare Parts | Honda: 16016-ZG0-W00 - SCREW SET |
| 5 | 118551937/0 | Set Viteria | Honda: 16028-ZK7-S91 |
| 6 | Richiedi Preventivo | Honda Spare Parts | Honda: 16044-Z9L-811 - CHOKE SET |
| 7 | 118551660/0 | Assieme Carburatore | Honda: 16100-Z9L-811 |
| 8 | Richiedi Preventivo | Honda Spare Parts | Honda: 16155-ZM0-013 - VALVE, FLOAT |
| 9 | Richiedi Preventivo | Honda Spare Parts | Honda: 16166-Z9L-811 - NOZZLE, MAIN |
| 11 | 118551948/0 | Guarnizione, Paracalore | Honda: 16212-Z9L-000 |
| 12 | 118551957/0 | Guarnizione Carburatore | Honda: 16221-Z9L-000 |
| 13 | 118552012/0 | Assieme Controllo Choke | Honda: 16600-Z9L-000 |
| 14 | 118552015/0 | Ass. Termovavola | Honda: 16620-Z9L-003 |
| 15 | Richiedi Preventivo | Honda Spare Parts | Honda: 93500-050061H - SCREW, PAN, 5X6 |
| 16 | Richiedi Preventivo | Honda Spare Parts | Honda: 99101-1240680 - JET, MAIN, #68 |
| Filtro Aria Pag.20 | |||
| 1 | 118551923/0 | Tubo Aspirazione | Honda: 15721-Z9L-000 |
| 3 | 118551671/0 | Filtro Aria | Honda: 17211-Z8B-901 |
| 4 | 118552035/0 | Base Filtro Aria | Honda: 17220-Z9L-000 |
| 6 | 118552039/0 | Guarnizione Filtro Aria | Honda: 17228-Z9L-000 |
| 7 | 118551680/0 | Coperchio Filtro Aria | Honda: 17231-Z9L-000 |
| 8 | Richiedi Preventivo | Honda Spare Parts | Honda: 17238-Z9L-300 - COLLAR, AIR CLEANER |
| 8 | Richiedi Preventivo | Honda Spare Parts | Honda: 17238-ZG9-M00 - COLLAR, AIR CLEANER |
| 9 | Richiedi Preventivo | Honda Spare Parts | Honda: 94050-06000 - NUT, FLANGE, 6MM |
| Marmitta Pag.21 | |||
| 2 | 118552078/0 | Ass. Silenziatore | Honda: 18310-Z9L-000 |
| 3 | 118552081/0 | Protezione Silenziatore | Honda: 18320-Z9L-000 |
| 5 | 118552219/0 | Bullone Silenziatore, M6X79 | Honda: 90004-ZL8-000 |
| 6 | Richiedi Preventivo | Honda Spare Parts | Honda: 90018-ZE1-000 - BOLT, FLANGE, 6X23 (CT200) |
| 8 | 118552087/0 | Guarnizione Silenziatore | Honda: 18381-ZL8-305 |
| Serbatoio Benzina Pag.22 | |||
| 2 | 118552021/0 | Rubinetto Benzina | Honda: 16950-Z0Y-003 |
| 4 | 118552023/0 | Filtro Benzina | Honda: 16952-Z9R-000 |
| 5 | Richiedi Preventivo | Honda Spare Parts | Honda: 16961-Z9L-000 - STAY, FUEL COCK |
| 6 | 118552050/0 | Serbatoio Benzina | Honda: 17511-Z9L-800 |
| 7 | 118552056/0 | Gommino | Honda: 17532-Z9L-000 |
| 8 | 118552059/0 | Gommino | Honda: 17533-Z9L-000 |
| 9 | 118552063/0 | Supporto Serbatoio | Honda: 17561-Z9L-000 |
| 10 | 118551682/0 | Ass. Tappo Serbatoio | Honda: 17620-Z9L-800 |
| 11 | Richiedi Preventivo | Honda Spare Parts | Honda: 17622-888-010 - SPONGE, FUEL CAP BREATHER |
| 14 | Richiedi Preventivo | Honda Spare Parts | Honda: 90014-952-000 - BOLT, FLANGE, 6X14 (CT200) |
| 17 | Richiedi Preventivo | Honda Spare Parts | Honda: 93913-25220 - SCREW, TAPPING, 5X12 (PO) |
| 18 | Richiedi Preventivo | Honda Spare Parts | Honda: 95001-4511040 - TUBE, FUEL, 4.5X110 (95001-45001-60M) |
| 19 | Richiedi Preventivo | Honda Spare Parts | Honda: 95001-7516040 - TUBE, FUEL, 7.3X160 (95001-75001-60M) |
| 20 | Richiedi Preventivo | Honda Spare Parts | Honda: 95002-02080 - CLIP, TUBE (B8) |
| 22 | Richiedi Preventivo | Honda Spare Parts | Honda: 95002-02120 - CLIP, TUBE (B12) |
| Volano Motore Pag.23 | |||
| 1 | 118551807/0 | Chiavetta Volano, 25X18 | Honda: 13331-Z8B-900 |
| 4 | 118552308/0 | Flywheel Comp. | Honda: 31110-Z9R-901 - CHIEDI PREVENTIVO |
| 6 | Richiedi Preventivo | Honda Spare Parts | Honda: 35120-Z9L-811 - SWITCH ASSY., ENGINE STOP |
| 7 | 118552309/0 | Brake Assy. | Honda: 75100-Z9L-810 - CHIEDI PREVENTIVO |
| 8 | 118552213/0 | Molla, Leva Freno | Honda: 75113-Z9L-020 |
| 9 | Richiedi Preventivo | Honda Spare Parts | Honda: 90018-ZE1-000 - BOLT, FLANGE, 6X23 (CT200) |
| 10 | Richiedi Preventivo | Honda Spare Parts | Honda: 90213-Z9L-000 - NUT, FLANGE, 14MM |
| 12 | Richiedi Preventivo | Honda Spare Parts | Honda: 93892-0401200 - SCREW-WASHER, 4X12 |
| 13 | Richiedi Preventivo | Honda Spare Parts | Honda: 94103-04000 - WASHER, PLAIN, 4MM |
| 14 | Richiedi Preventivo | Honda Spare Parts | Honda: 95701-0601408 - BOLT, FLANGE, 6X14 |
| 15 | Richiedi Preventivo | Honda Spare Parts | Honda: 95701-0602208 - BOLT, FLANGE, 6X22 |
| 16 | 118552310/0 | Coil Assy., Ignition | Honda: 30500-Z9R-901 - CHIEDI PREVENTIVO |
| 17 | Richiedi Preventivo | Honda Spare Parts | Honda: 30520-Z9M-000 - CLIP, HIGH TENSION CORD |
| 18 | Richiedi Preventivo | Honda Spare Parts | Honda: 90015-883-000 - BOLT, FLANGE, 6X28 (CT200) |
| Comando Acceleratore Pag.24 | |||
| 1 | 118551981/0 | Leva Regolatore | Honda: 16551-Z9L-000 |
| 2 | 118551987/0 | Astina Regolatore Motore | Honda: 16555-Z9L-000 |
| 3 | 118551996/0 | Molla Regolatore | Honda: 16561-Z9P-000 |
| 4 | 118552001/0 | Molla Di Ritorno Acceleratore | Honda: 16562-Z9L-000 |
| 16 | Richiedi Preventivo | Honda Spare Parts | Honda: 90015-ZE5-010 - BOLT, GOVERNOR ARM |
| 20 | Richiedi Preventivo | Honda Spare Parts | Honda: 94050-06000 - NUT, FLANGE, 6MM |
| Motorino di Avviamento Pag.25 | |||
| 1 | 118552311/0 | Motor Assy., Starter | Honda: 31200-Z9M-003 - CHIEDI PREVENTIVO |
| 2 | Richiedi Preventivo | Honda Spare Parts | Honda: 90001-Z0L-820 - BOLT, SPECIAL, 6MM |
| 3 | Richiedi Preventivo | Honda Spare Parts | Honda: 90620-SB2-003 - BAND, WIRE HARNESS |
| Cablaggio Elettrico Pag.26 | |||
| 1 | 118552312/0 | Battery Unit | Honda: 31500-Z9R-901 - CHIEDI PREVENTIVO |
| 2 | Richiedi Preventivo | Honda Spare Parts | Honda: 31512-ZG3-000 - GROMMET, CORD |
| 3 | 118552313/0 | Harness Assy., Sub Wire | Honda: 32105-Z9R-900 - CHIEDI PREVENTIVO |
| 4 | 118552314/0 | Harness Assy., Engine Wire (Sel) (Zone) | Honda: 32110-Z9R-900 - CHIEDI PREVENTIVO |
| 5 | 118552315/0 | Lamp Assy., Indication | Honda: 37210-Z9R-902 - CHIEDI PREVENTIVO |
| 7 | Richiedi Preventivo | Honda Spare Parts | Honda: 91541-S0A-003 - CLIP, HARNESS BAND (BLACK) (145MM) |
| 8 | Richiedi Preventivo | Honda Spare Parts | Honda: 93500-050080A - SCREW, PAN, 5X8 |
| 9 | Richiedi Preventivo | Honda Spare Parts | Honda: 95701-0601408 - BOLT, FLANGE, 6X14 |
Scheda tecnica
Potrebbe anche piacerti