
(modificale nel modulo Rassicurazioni cliente)
(modificale nel modulo Rassicurazioni cliente)
(modificale nel modulo Rassicurazioni cliente)
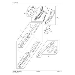
Ricambi originali Stiga per la sostituzione di parti o la riparazione del Potatore e Tagliasiepi Multifunzione a Batteria SMT 48 AE (2019) 277340108/ST1.
Nella tabella seguente, cercate il modello del Decespugliatore ed il rispettivo codice del ricambio.
| STIGA SMT 48 AE (2019) 277340108/ST1 - pag.1 | ||
| Pos. | Codice | Descrizione |
| 1 | 118803228/0 | Molla |
| 2 | 118803442/0 | Pulsante Giallo |
| 3 | 118803461/0 | Pulsante Giallo |
| 4 | 118803304/0 | Blocco Serraggio |
| 5 | 118803472/1 | Micro Interruttore |
| 8 | 118803268/0 | Connettore sostituito da 118805009/0 |
| 9 | 118803313/0 | Connettore |
| 10 | 118803437/0 | Tappo |
| 11 | 118803380/0 | Assieme Impugnatura |
| 12 | 118804173/0 | Retaining plate - Grey |
| 13 | 118804114/0 | Tubo Termorestringibile |
| 14 | 118804143/0 | Filo Rosso |
| 15 | 118804144/0 | Filo Nero |
| 16 | 112735645/0 | Vite |
| 17 | 118804166/0 | Tubo |
| 18 | 118804150/0 | Anello Fermo Posizione |
| 19 | 118804148/0 | Tubo |
| 22 | 118804145/0 | Straps components |
| 23 | 118804165/0 | Fast tripping connectors |
| 24 | 118804162/0 | Circuito Elettrico |
| 25 | 118803335/0 | Anello |
| 26 | 118804175/0 | Spugna |
| 27 | 118804891/0 | Leva di Serraggio |
| 28 | 118804892/0 | Inserto di Serraggio |
| 29 | 118804156/0 | Rubber mat |
| 30 | 118804149/0 | Shoulder strap tube locks |
| 31 | 2135130 | Vite |
| 32 | 118803431/0 | Morsetto |
| 33 | 118803309/0 | Connettore |
| 34 | 118803262/1 | Terminale |
| 40 | 118805007/0 | Kit Attacco Bretella |
| 41 | 118805009/0 | Kit Giunto Manico |
| 42 | 118805010/0 | Assieme Tubo Manico |
| 43 | 118810687/0 | Assieme Bretella |
| 44 | 118810859/0 | Kit Parti Impugnatura |
| 45 | 118810856/0 | Assieme PCB ed Elettronica |
| STIGA SMT 48 AE (2019) 277340108/ST1 - pag.2 | ||
| 1 | 118803456/0 | Pomello Giallo |
| 2 | 118803451/0 | Coperchio Catena |
| 3 | 118804147/0 | Rondella |
| 4 | 118804155/0 | Steel Block |
| 5 | 1519-9160-02 | Catena 8"-3/8"-0,050"-33E Stiga Pack |
| 6 | 118804540/0 | Barra Guida 8"-3/8" |
| 7 | 323085000/0 | Copribarra |
| 8 | 118803378/0 | Assieme Carter |
| 10 | 118803421/0 | Tappo Olio |
| 11 | 118803327/0 | Rondella |
| 12 | 118803316/0 | Assieme Serbatoio Olio |
| 13 | 118804154/0 | Gabbia A Rulli |
| 16 | 118803375/0 | Assieme Pompa Olio |
| 17 | 112727810/0 | Vite |
| 19 | 112735651/0 | Vite |
| 20 | 118803357/0 | Circuito Elettrico |
| 21 | 118804152/0 | Gommino Antivibrante |
| 22 | 118803368/0 | Motore 48V - NON FORNIBILE |
| 23 | 112154510/0 | Dado |
| 26 | 118803431/0 | Morsetto |
| 27 | 118803309/0 | Connettore |
| 28 | 118803262/1 | Terminale |
| 29 | 118803246/0 | Cuscinetto |
| 30 | 118804151/0 | Camma |
| 33 | 118804146/0 | Waveform mat |
| 34 | 112608600/0 | Seeger |
| 35 | 118804158/0 | circular |
| 36 | 118804157/0 | Cylindrical magnetic ring |
| 37 | 118804159/0 | Common mode circular |
| 38 | 118803249/0 | Ingranaggio |
| 39 | 118810453/0 | Ruota Dentata |
| 40 | 118803335/0 | Anello |
| 41 | 118850046/0 | Magnete ad anello |
| 42 | 118803272/0 | Lamierino Base Barra |
| 43 | 112728449/0 | Vite Tsp AF 2,9x9 |
| 44 | 118804161/0 | Tension screw |
| 45 | 118803394/0 | Vite |
| 46 | 118803395/0 | Tubo |
| 47 | 118804142/0 | Circlip |
| 48 | 118804153/0 | Rondella |
| 49 | 112727793/0 | Vite |
| 50 | 123878021/0 | Vite |
| 51 | 118805009/0 | Kit Giunto Manico |
| 52 | 118810849/0 | Assieme Ingranaggi |
| 53 | 118810850/0 | Assieme Motore - NON FORNIBILE |
| 54 | 118805004/0 | Assieme Serbatoio olio |
| 55 | 118810694/0 | Assieme Coperchio Catena Giallo |
| 56 | 118805006/0 | Kit Tendicatena |
| 57 | 118803268/0 | Connettore sostituita da 118805009/0 |
| 58 | 118803313/0 | Connettore |
| 59 | 118804150/0 | Anello Fermo Posizione |
| 60 | 118803437/0 | Tappo |
| STIGA SMT 48 AE (2019) 277340108/ST1 - pag.3 | ||
| 1 | 118803262/0 | Inserto |
| 2 | 118803309/0 | Connettore |
| 3 | 118803431/0 | Morsetto |
| 4 | 118803395/0 | Tubo |
| 5 | 118803412/0 | Carter Destro |
| 6 | 118803408/0 | Carter Sinistro |
| 7 | 118803390/0 | Motore E Lama - NON FORNIBILE |
| 8 | 118803363/0 | Leva Rotazione Giallo |
| 9 | 118803315/0 | Coprilama |
| 10 | 118803414/0 | Tappo |
| 11 | 118804163/0 | Assieme Attacco Grigio - NON FORNIBILE |
| 12 | 112154510/0 | Dado |
| 13 | 112727793/0 | Vite |
| STIGA SMT 48 AE (2019) 277340108/ST1 - pag.4 | ||
| 1 | 270482518/S15 | Batteria 48V - 2.5Ah |
| 1 | 270485018/S15 | Batteria 48V - 5Ah |
| 2 | 270480028/S15 | Carica Batteria 48V - spina EU |
| 2 | 270480128/S16 | Carica Batteria Rapido 48V - spina EU |
Scheda tecnica
Potrebbe anche piacerti